MeTra 44-PW22B Fully Automatic AM and FM Power Antenna

This antenna is designed for optimum performance for either AM or FM bands. The antenna is raised or lowered by operating the radio on/off switch.
Prior to installing the antenna, read the entire installation instructions
May require an extension cable depending on vehicle or an antenna adapter cable for many 1995-up Ford, 1988-up GM and some imports.
REPLACEMENT OF EXISTING POWER ANTENNA,
REMOVING OLD ANTENNA
- Gain access to the underside of the fender area through the trunk, fender splash panel, etc.
- Remove mounting bracket, drain tube, electrical wire and antenna coaxial cable.When removing electrical wires and coaxial cable from the antenna, follow to the closest connector and disconnect. DO NOT CUT COAXIAL CABLE.
- Disassemble the mounting base and save the parts, they may be used with the installation of the new antenna.
- Remove old antenna from below fender.
- To avoid cutting car wiring, you may want to cut the connector off of the old antenna removed from the car, attaching the new antenna wiring to the old connector wires and directly plug into car wiring.
NEW ANTENNA INSTALLATION
For first-time antenna installations:
- Use original factory hole or select a location on the front or back fender of the car for mounting the antenna. In selecting the location, make sure the underside of the fender is free of any obstruction such as weld beads, braces, gussets, and sub-fender. Also, be sure that sufficient clearance is available under the fender to house the antenna, approximately 11-1/2″ 129cm.
- Six mounting bases are provided with the antenna. Five fixed angles and one adjustable angle flush mount base. (See Figure 1).

- Remove the installed flush mounting base from the new antenna. Select the proper base with the correct angle for a fender (as shown in figure 1) or reuse original mounting base previously removed from old antenna. NOTE: The five fixed angle bases require a 7/8″ / 22mm hole. The adjustable angle flush base requires a 1″ 25mm hole.
- A 1/8″ I 3mm pilot hole should be drilled, then enlarged with a hole saw or drill bit to the proper size.
- Remove all burrs, paint, road dirt or undercoating from around the underside of the hole.
- Install the antenna from the underside of the fender and assemble the base above the fender according to Figure 1. BE SURE THE RETAINER RESTS EVENLY ON THE UNDERSIDE OF THE FENDER TO ALLEVIATE ANY POSSIBLE DAMAGE TO THE VEHICLE. Align the mast vertically by slightly tightening the antenna mounting nut while adjusting the mast to be vertical.
- To prevent movement and maintain the desired angle, secure the bottom of the motor assembly with the supplied perforated strap. Holes are provided with the strap to accommodate various mounting positions. It may be necessary to bend the strap to conform to the fit of the antenna and car. Be sure the antenna retainer is grounded to the underside of the
fender and the black ground wire is grounded properly to the vehicle chassis. If the retainer and ground wire are not properly grounded, THE ANTENNA WILL NOT FUNCTION. - With the bottom of the antenna motor assembly secured, the mast at the desired angle and the retainer resting evenly on the underside of the fender, tighten the mounting nut firmly to secure the entire antenna assembly. Do not tighten the nut excessively as this may strip or break the mounting threads or damage contact spring and cause improper antenna operation.
- Attach the drain lube to the bottom of the motor assembly and route to the outside of the car. Avoid any kinks or bends in the tube that may restrict drainage. (as shown in figure 1.)
- For new antenna installations:
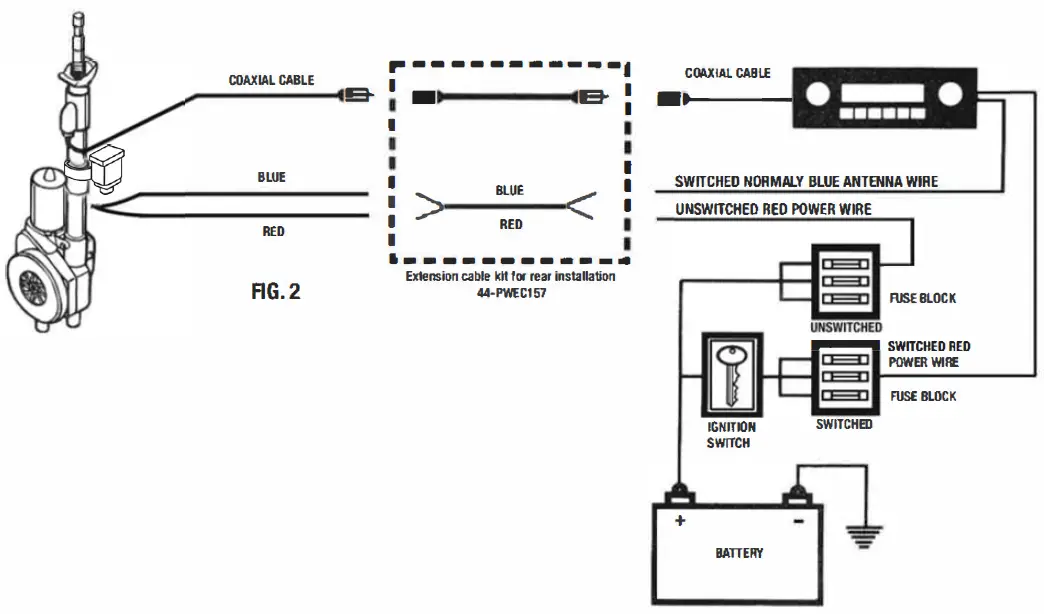
- Route electrical wiring and coaxial cable into the dash area of the vehicle interior as shown in Figure 2. (44-PWEC157 extension cable may be required). A 5/8″ 116mm hole may be required in the interior panel when routing wire from front fender. If possible, avoid routing coaxial cable into engine compartment. The electrical noise found in this area may be transmitted into the antenna wiring.
ANTENNA WIRING
For first-time antenna installations:
- Radios with switched antenna wire:
Connect blue wire from the antenna to the switched antenna wire from the radio (normally blue) as shown in Figure 2. Connect the coaxial cable from the antenna to radio. - The red power wire from the antenna can be connected at the fuse block. (as shown in figure 2) battery, or hot side of the ignition switch or any other + 12 volt “constant on” location.

MAST REPLACEMENT
Contact dealer for mast replacement model number.
- Remove antenna mounting nut (Figure A)
- To remove mast, turn radio switch on to raise the antenna. Remove mast, serrated plastic cable and contact spring. Save and clean contact spring for re-use. Note which side of antenna serrated cable is facing (Figure B).
- Insert serrated cable of new mast into the housing. Stop when resistance is felt, approximately 12″ 30mm. The serrated side of cable must duplicate original direction.
- Turn radio switch off to lower antenna until serrated cable catches. It may be necessary to cycle the antenna several times (by turning radio switch on and off) until cable catches the gear mechanism and retracts (Figure C).
- Reinstall mast into housing and place contact spring onto mast with flanged end up (Figure D).
- Reinstall antenna mounting nut and tighten.
- The mast may only retract or extend halfway. Cycle several times (by turning the radio switch on and off) until the mast fully extends and retracts.

IMPORTANT NOTES
- Maintenance: For best operation and reception, periodically clean mast (while fully extended) with a damp cloth, approximately once a month. Do not oil or grease antenna or motor assembly.
- The power antenna is designed to withstand extremely cold temperatures, but under severe icing conditions, the antenna could fail to extend or retract. Should this occur, turn the radio on and off three or four times to help free the antenna mast. The antenna motor will not be damaged if mast does not extend. A special clutch protects the motor from
possible damage. - Remember to retract the antenna when entering a car wash, garage or low clearance areas.
- There are no serviceable parts in the motor assembly and it should not be taken apart. The warranty will be invalid if the damage is caused by unauthorized accessories, disassembly or for wiring methods other than those recommended.
- Periodically inspect drain tube for blockage or kinks.
- Use a 5 amp fuse in case of replacement to avoid damage to the motor.






















