iCOM IC-SAT100M PTT Global Iridium Satellite Radio Instruction Manual
Thank you for choosing this Icom product. This product is designed and built with Icom’ s state of the art technology and craftsmanship. With proper care, this product should provide you with years of trouble free operation
Important
READ ALL INSTRUCTIONS carefully and completely before using the transceiver.
SAVE THIS INSTRUCTION MANUAL – This instruction manual contains important operating instructions for the IC-SAT100M.
For Advanced features and instructions, see the OPERATING MANUAL on the Icom website for details.
https://www.icomjapan.com/support/
Explicit definitions
| WORD | DEFINITION |
WARNING! | Personal injury, fire hazard or electric shock may occur. |
| CAUTION | Equipment damage may occur. |
| NOTE | If disregarded, inconvenience only. No risk of personal injury, fire or electric shock. |
Features
- Real-Time Communication with the Iridium® LEO (Low Earth Orbit) satellite network, covering all over the globe including the Poles
- One-to-many communication (Maximum 15 Groups)
- 1500 mW powerful audio
- Multiple language (Chinese, English, French, Japanese, and Spanish)
Icom is not responsible for the destruction, damage to, or performance of any Icom or non-Icom equipment, if the malfunction is because of:
- Force majeure, including, but not limited to, fires, earthquakes, storms, floods, lightning, other natural disasters, disturbances, riots, war, or radioactive contamination.
- The use of Icom transceivers with any equipment that is not manufactured or approved by Icom.
Precautions
For the transceiver
WARNING! NEVER operate the transceiver during a lightning storm. It may result in an electric shock, cause a fire or damage the transceiver. Always disconnect the power source and antenna before a storm.
WARNING! NEVER place the transceiver where normal operation of the vehi le may be hindered or where it could cause bodily injury.
WARNING! Immediately disconnect the AC adapter if the transceiver emits an abnormal odor, sound or smoke. Contact your Icom dealer or distributor for advice.
CAUTION: NEVER connect the transceiver to a power source of more than 32 V DC. This could damage the transceiver.
CAUTION: NEVER cut the DC power cable between the DC plug and fuse holder. If an incorrect connection is made after cutting, the transceiver might be damaged.
CAUTION: Confirm that all connectors and jacks are dry and clean before attachment. Exposing them to dust or water will result in serious damage to the transceiver.
CAUTION: The Antenna unit will become hot when operating continuously for long periods.
NEVER place the transceiver in an insecure place to avoid inadvertent use by unauthorized persons.
DO NOT place or leave the transceiver in areas with temperatures below –30°C (–22°F) or above +60°C (+140°F), or in areas subject to direct sunlight, such as the dashboard.
DO NOT operate the transceiver without running the vehicle’s engine. The vehicle’s battery will quickly run out when the transceiver transmits while the vehicle’s engine is OFF.
DO NOT place or leave the transceiver in excessively dusty environments.
DO NOT place the transceiver against walls. Otherwise heat dissipation will be obstructed.
DO NOT use harsh solvents such as Benzine or alcohol when cleaning, as they damage the transceiver’s surfaces.
Keep the transceiver away from the heavy rain, and never immerse it in the water.
The transceiver meets IP54(main unit)* / IP55 (microphone) / IP67 (antenna unit) requirements for dust-protection and splash resistance. However, once the transceiver has been dropped, dust protection and splash resistance cannot be guaranteed due to the fact that the transceiver may be cracked, or the waterproof seal damaged, and so on.
*Only when the microphone is attached. Use the specified microphone only.
Other microphones have different pin assignments and may damage the transceiver.
In some countries, using a satellite communication device may be prohibited, or a license is required. Make sure you comply with all applicable laws and regulations in your area.
For the optional AC adapter
WARNING! NEVER use other than the transceiver. This may result in an electrical shock, cause a fire or damage the AC adapter.
WARNING! Connect the adapter into an outlet between 100 V and 240 V AC.
Otherwise, this may result in an electrical shock, cause a fire or damage the AC adapter.
WARNING! NEVER install the AC adapter to wet place where is outside or near the humidifier. This may result in an electrical shock, cause a fire or damage the AC adapter.
WARNING! NEVER put something heavy on the AC adapter cable. This may result in an electrical shock, cause a fire or damage the AC adapter.
WARNING! NEVER modify, bend by force, twist, pull or heat the AC adapter’s cable. This may result in an electrical shock, cause a fire or damage the AC adapter.
WARNING! NEVER touch the AC adapter with wet hands. This may result in anelectrical shock or damage the AC adapter.
WARNING! NEVER use the AC adapter when it can not closely insert into the AC outlet. This may result in an electrical shock, cause a fire or damage the AC adapter.
WARNING! Use and place the AC adapter and connection cable to avoid inadvertent use by children. This may result in an electrical shock or cause injury.
Icom, Icom Inc. and Icom logo are registered trademarks of Icom Incorporated (Japan) in Japan, the United States, the United Kingdom, Germany, France, Spain, Russia, Australia, New Zealand, and/or other countries.
The Bluetooth® word mark and logos are registered trademarks owned by Bluetooth SIG, Inc. and any use of such marks by Icom Inc. is under license. Other trademarks and trade names are those of their respective owners.
3M, PELTOR, and WS are trademarks of 3M Company. All other products or brands are registered trademarks or trademarks of their respective holders.
Iridium, and the Iridium logo are registered trademarks of Iridium Satellite LLC and its affiliates.
About the GPS receiver
- Do not cover the antenna with anything that will block the satellite signals.
- GPS signals cannot pass through metal objects. When using the transceiver inside a vehicle, you may not receive GPS signals.
We recommend you use it near a window. - The GPS receiver may not work if used in the following locations:
- Tunnels or high-rise buildings
- Underground parking lots
- Under a bridge or viaduct
- In remote forested areas
- Under bad weather conditions
(rainy or cloudy day)
- The Global Positioning System (GPS) is built and operated by the U.S. Department of defense. The Department is responsible for accuracy and maintenance of the system.
Any changes by the Department may affect the accuracy and function of the GPS system.
Certification
Refer to the “Certification” screen for certifications acquired with the transceiver. ([OK] > Information > Certification)
About CE and DOC
Hereby, Icom Inc. declares that the versions of ICSAT100M which have the “CE” symbol on the product, comply with the essential requirements of the Radio Equipment Directive, 2014/53/EU, and the restriction of the use of certain hazardous substances in electrical and electronic equipment Directive, 2011/65/EU. The full text of the EU declaration of conformity is available at the following internet address:
https://www.icomjapan.com/support/
Disposal
The crossed-out wheeledbin symbol on your product, literature, or packaging reminds you that in the European Union, all electrical and electronic products, batteries, and accumulators (rechargeable batteries) must be taken to designated collection locations at the end of their working life.
Do not dispose of these products as unsorted municipal waste. Dispose of them according to the laws in your area.
About E-marking: Detailed installation notes for Icom mobile transceivers to be fitted into vehicles are available. Please contact your Icom dealer or distributor.
FCC information
This equipment has been tested and found to comply with the limits for a Class B digital device, pursuant to part 15 of the FCC Rules.
These limits are designed to provide reasonable protection against harmful interference in a residential installation.
This equipment generates, uses and can radiate radio frequency energy and, if not installed and used in accordance with the instructions, may cause harmful interference to radio communications.
However, there is no guarantee that interference will not occur in a particular installation. If this equipment does cause harmful interference to radio or television reception, which can be determined by turning the equipment off and on, the user is encouraged to try to correct the interference by one or more of the following measures:
- Reorient or relocate the receiving antenna.
- Increase the separation between the equipment and receiver.
- Connect the equipment into an outlet on a circuit different from that to which the receiver is connected.
- Consult the dealer or an experienced radio/ TV technician for help.
CAUTION: Changes or modifications to this transceiver, not expressly approved by Icom Inc., could void your authority to operate this transceiver under FCC regulations.
This device complies with part 15 of the FCC Rules. Operation is subject to the condition that this device does not cause harmful interference.
Safety training information
Your Icom radio generates RF electromagnetic energy during transmit mode. This radio is designed for and classified as “Occupational
Use Only”, meaning it must be used only during the course of employment by individuals aware of the hazards, and the ways to minimize such hazards. This radio is NOT intended for use by the “General Population” in an uncontrolled environment.
For compliance with FCC and IC RF Exposure Requirements, the transmitter antenna installation shall comply with the following three conditions:
- The transmitter antenna gain shall not exceed 3 dBi.
- The antenna is required to be located outside of a vehicle and kept at a distance of 20 centimeters (7.9 inches) or more between the transmitting antenna of this device and any persons during operation. For small vehicle as worst case, the antenna shall be located on the roof top at any place on the center line along the vehicle in order to achieve 20 centimeters (7.9 inches) separation distance. In order to ensure this distance is met, the installation of the antenna must be mounted at least 20 centimeters (7.9 inches) away from the nearest edge of the vehicle in order to protect against exposure to bystanders.
- Transmit only when people outside the vehicle are at least the recommended minimum distance of 20 centimeters (7.9 inches) away from the properly installed antenna.
This separation distance will ensure that there is sufficient distance from a properly installed externally-mounted antenna to satisfy the RF exposure requirements in the applicable RF exposure compliance standards.
To ensure that your exposure to RF electromagnetic energy is within the FCC and IC allowable limits for occupational use, always adhere to the following guidelines:
- DO NOT operat e the radio without a proper antenna attached, as this may damage the radio and may also cause you to exceed FCC and IC RF exposure limits. A proper antenna is the antenna supplied with this radio by the manufacturer or an antenna specifically authorized by the manufacturer for use with this radio.
- DO NOT transmit for more than 50% of total radio use time (“50% duty cycle”).
Transmitting more than 50% of the time can cause FCC and IC RF exposure compliance requirements to be exceeded. The radio is transmitting when the status indicator lights red. You can cause the radio to transmit by pressing the “PTT” switch.
Electromagnetic Interference/Compatibility
During transmissions, your Icom radio generates RF energy that can possibly cause interference with other devices or systems. To avoid such interference, turn off the radio in areas where signs are posted to do so. DO NOT operate the transmitter in areas that are sensitive to electromagnetic radiation such as hospitals, aircraft, and blasting sites.
PANEL DESCRIPTION
Microphone Description

- EMERGENCY KEY [EMER]
Hold down to transmit an Emergency call. - SIDE 1 KEY [S1]
Push to display the Message List. - PTT SWITCH [PTT]
Hold down to transmit, release to receive - P1/P2 KEYS [P1]/[P2]
Push to use the function assigned in the “Key Setup” menu. ([OK] > Functions > Key Setup) - SIDE 2 KEY [S2]
Hold down to turn ON or OFF the RX Speaker function. - SIDE 3 KEY [S3]
Push to display the Public Address. - MENU/OK KEY [OK]
- Push to enter the Menu screen.
- Push to select an item in the Menu screen.
- BACK/HOME KEY [BACK]
- Push to return to the previous Menu screen.
- Hold down to exit the Menu screen.
- DIRECTIONAL KEY [UP]/[DOWN]/ [LEFT]/[RIGHT]
Push to select a menu item, setting, and so on. - STATUS INDICATOR
- Lights green while receiving.
- Blinks green while in the “OPEN” status.
- Lights red while transmitting.
- Blinks orange while registering, or no
satellites found.
- OLUME/POWER CONTROL [VOL]
- Hold down to turn the transceiver ON or OFF.
- Rotate to adjust the audio output level.
- TALKGROUP SELECTOR
Rotate to select a talkgroup.
Connecting
Connect the supplied microphone as illustrated below.
Function display
The display is shown in English as an example. Select other languages on the Menu screen, if necessary. ([OK] > Display > Language).
Icon Area
Indicators
- SIGNAL STRENGTH
Displays the relative receive signal strength level.
NOTE: The antenna indicator “ ˮ disappears if the connection with a satellite is not established. Keep the antenna vertical and wait until you are connected, or move your position to the place with a clear view of the sky. - CLOCK
Displays the current time.
Icons
The following icons are displayed in the Icon Area.
LOCK ![]()
Displayed when the Lock function is ON.
SURVEILLANCE ![]()
Displayed when the Surveillance function is ON.
Bluetooth®
- “
” is displayed when Bluetooth is activated. - “
” is displayed when a Bluetooth device is connected.
MESSAGE![]()
- Displayed when a message has been received.
- Displayed if unread messages are still in the Message memory.
RECORD
Displayed when the Record function is ON.
SCAN
- Displayed when a scan is paused.
- Blinks while scanning.
RX Speaker
Displayed when the RX Speaker function is activated.
D Text Area
Displays the status, preset transceiver name, and selected Talkgroup Name.
| Status | Description |
| IDLE | The selected Talkgroup is not active. |
| OPEN | The selected talkgroup is active but no one is talking. |
| REQUESTING | Requesting the transmission. |
| TALKING | Transmitting |
| LISTENING | Receiving |
| SCANNING | Scanning a call |
| BUSY | Cannot transmit because the audio is being received. |
Key Display Area
Displays the names of the function assigned to [P1] and [P2].
BASIC OPERATION
Receiving and transmitting
- Turning ON the transceiver
Hold down [VOL] for 1 second to turn ON the transceiver.- The transceiver searches a satellite.
- When the transceiver connected and registered to the satellite, the status “IDLE,” transceiver name, and Talkgroup name is displayed.
- Push [Last Call] to playback the received call. (See the IC-SAT100M OPERATING MANUAL for Last Call Play function details.)
- Push [UP] or [DOWN] to display the Talkgroup List.
- Rotate Talkgroup selector to select a talkgroup.
- Receiving
When receiving, “LISTENING,” and the source transceiver’s name are displayed, and audio should be heard.- Rotate [VOL] to adjust the audio output level.

- Rotate [VOL] to adjust the audio output level.
- Transmitting
CAUTION: DO NOT transmit without an antenna.- Hold down [PTT].
- REQUESTING” is displayed while the transceiver requests the transmission.
- When “TALKING” is displayed, speak at your normal voice level.
- You can continuously transmit up to the period of time allowed by the system.

NOTE:- If the connection becomes poor while transmitting, the transceiver sounds the beep “PuPu” in 1.5 second intervals.
- You cannot transmit while listening to the received audio. Before transmitting, confi rm the receiving is fi nished by the beep “Pi” and the display “OPEN.”
- You can continuously transmit up to the period of time allowed by the system.
- Hold down [PTT].
- Scan and Ignore
[Scan]
Push to scan a call.
[Ignore]
Push to ignore the received call.- The Ignore function will be canceled if there are no more calls for 90 seconds or more.
NOTE: The transceiver receives and transmits using several satellites orbiting the same orbit. Receiving and transmitting may fail depending on the satellite position or any obstacles between the transceiver and satellites.
- The Ignore function will be canceled if there are no more calls for 90 seconds or more.
You can use the Menu screen to set infrequently changed values or function settings.
Construction
The Menu screen is constructed in a tree structure.
You can go to the next tree level with [RIGHT] or [OK], go back a level with [LEFT] or [BACK].
To select an item, push [UP] or [DOWN]. See the OPERATING MANUAL for each menu item’s details. You can download the OPERATING MANUAL from the Icom website.
- The menu items contained in the transceiver may be different, depending on the transceiver’s version or presettings. Ask your dealer for details.
https://www.icomjapan.com/support/Talkgroup Refresh Talkgroup Talkgroup List PTT Option Talk Timer Mic Gain Call Recorder Received Message Message List Location Sharing Position Format Distance Format Bluetooth Bluetooth ON/OFF BT Device List Bluetooth Reset BT Auto Connect BT Audio Setting BT Device Info Key Beep (VS-3) PWR Save (VS-3) PTT Beep (VS-3) One-touch PTT Waiting Pairing Functions Auto Keypad Lock Key Setup P1 Key P2 Key PC Command Auto TX Mic Sel Clock Clock Display Time Format Clock Time Zone DST Display Backlight Contrast Language Beep System Beep Lv Emer Beep Lv Key Beep Lv Ringer Lv Opening Beep Lv Information Battery Info RSSI My Position Firmware Info Satellite Info Certification
CONNECTING AND MAINTENANCE
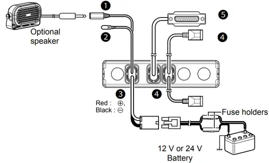
Rear panel connection


WARNING! NEVER remove the fuse holders from the DC power cable.
NOTE: Use the terminals as shown below for the cable connections. Crimp Solder
- EXTERNAL SPEAKER JACK
Connect a 4 Ω external speaker. - IGNITION LEAD
Connect to an ignition line.
CAUTION: DO NOT put pressure on this lead. Binding to the DC power cable is recommended. - DC POWER CONNECTOR Connect to a 12 V/24 V DC battery. Pay attention to polarities. Red line: +, Black line: You can also connect the optional AC adapter. CAUTION: DO NOT reverse the DC power cable polarity when connecting to a power source. This could damage the transceiver.
- LAN CABLE
(Gray: for antenna, Black: for IP Network) Connect the supplied antenna or network devices such as a HUB.
CAUTION: DO NOT connect other than network devices, such as microphone. This could damage the transceiver.- Change the static IP address when the transceiver is connected to network devices.
Before using the transceiver, setting a static IP address to the antenna unit and the main unit.
Default: Main Unit : 192.168.0.1,
Antenna Unit : 192.168.0.2
- Change the static IP address when the transceiver is connected to network devices.
- D-Sub 25-pin
Connect to use the function extension.
Ask your dealer for details.
Installing the outdoor antennas
Keep a minimum of 20 cm (7.9 inch) between the Antenna unit and your body.
Move away from buildings and use the transceiver in areas with an open sky.
Install the outdoor antennas in a place with a clear view of the sky. Make sure that there are no obstacles, such as buildings or trees, at higher than about 8 degrees around the antenna.
Antenna unit
A key element in the performance of any communication systems is the antenna. Contact your dealer for information regarding antennas and how to install them.
NOTE:
- Connect the Antenna unit with the LAN cable (Category 5e or higher).
- The Main unit provides electrical power to the Antenna unit by PoE.
Cleaning
If the transceiver becomes dusty or dirty, wipe it clean with a soft, dry cloth.
DO NOT use harsh solvents such as Benzine or alcohol when cleaning, as they damage the transceiver’s surfaces.
Fuse replacement
Fuses are installed in the supplied DC power cable. If a fuse blows, track down the source of the problem, repair it, and then replace the damaged fuse with a new rated one.
- Fuse rating: 125 V 5 A
NOTE: Use only 5 A fuses.
Fuse Coding explanation
Fuse Coding: FUSE 125 V 5 A
Fuse Voltage Rating: 125 Volts
Fuse Current Rating: 5 Amperes
Supplied accessories
- Speaker microphone

- Antenna unit

- Angle bracket

- Self-tapping screws for attaching to a wall

- U-bolt

- Bolts and washers for mounting the antenna unit

- Mast clamp

- Nuts and washers for attaching the mast

- Cushion and sheet for the mounting bracket

- Mounting bracket

- Screws, nuts, and washers for mounting the transceiver

- LAN cable (20 m, 65.6 ft)

- DC power cable

- Microphone hanger and screw set

- Spare fuses (125 V 5 A)

- Terminals for DC power cable (R2-6)

NOTE: Some accessories are not supplied, or the shape is different, depending on the transceiver version.
OPTIONS AND TECHNICAL INFORMATION
- Options
- Headset
- VS-3 Bluetooth® HEADSET
The Bluetooth® headset with a [PTT] switch.
About the third party Bluetooth® headsets:
Icom has checked the PTT operation with some 3M Peltor headsets such as the WS Headset XP, WS ProTac XP and WS Alert XP. (Compatibility not guaranteed.)
- VS-3 Bluetooth® HEADSET
- External speakers
- SP-30, SP-35/35L EXTERNAL SPEAKERS
Input impedance: 4 Ω- SP-30: Rated input 20 W
Maximum input 30 W - SP-35/35L: Rated input 5 W
Maximum input 7 W
- SP-30: Rated input 20 W
- SP-30, SP-35/35L EXTERNAL SPEAKERS
- Cables
- OPC-2429 MIC EXTENSION CABLE
Length: 2.0 m (6.6 ft) - OPC-2422 COAXIAL CABLE FOR AH-40
Length: 5.0 m (16.4 ft)
OPC-2357 PROGRAMMING CABLE
- OPC-2429 MIC EXTENSION CABLE
- Others
- RS-SAT100 APPLICATION SOFTWARE
Enables you to text chat through a satellite communication network by connecting an IC-SAT100M using Bluetooth®. - AH-40 ANTENNA
The antenna with a magnet base and cable
Length: 1.5 m (4.9 ft) - BC-157S AC ADAPTER
Some options may not be available in some countries. Ask your dealer for details
- RS-SAT100 APPLICATION SOFTWARE
- Headset
Technical Information
- Frequency Range: 1616.0 – 1626.5 MHz
- Channel Spacing: 41.667 kHz
- Output Power: 7 W (Maximum)





































