1-Light Wall Sconce
Instruction Manual
ITEM NO: M90069BNB
M90069BNB 1-Light Wall Sconce

INSTALLATION INSTRUCTIONS
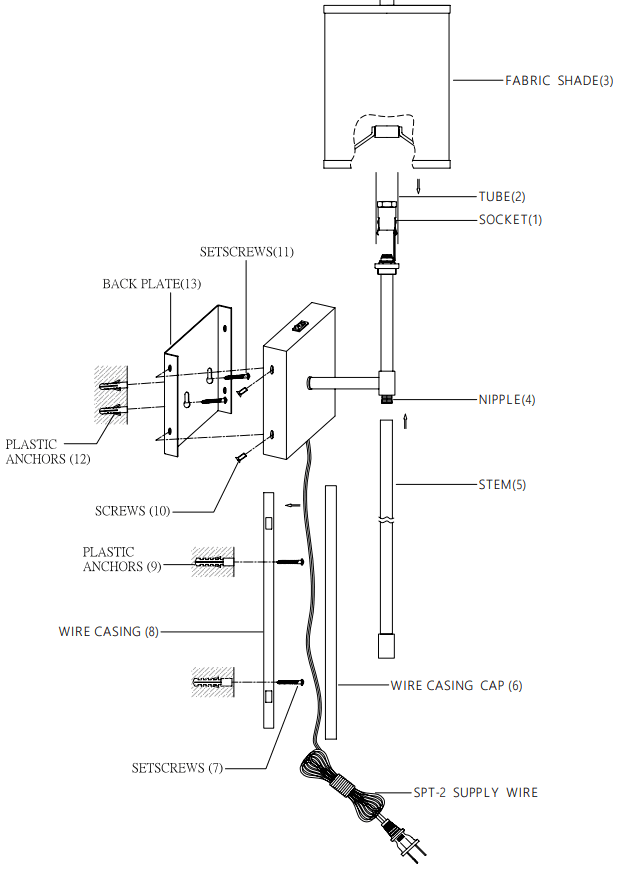
- Carefully remove the fixture out of the carton, and check that all parts are included referring to the above illustration. Make sure not to misplace any parts that are needed for the installation;
- Take the mounting plate (13) over the wall where you want to install this fixture and adjust it to the proper position, then make the marks on the wall for the 2 key holes’ position.
- Drill the holes at the position where marked at the above step , and install the plastic anchors (12) onto them well;
- Attach the mounting plate (13) over the wall using 2 set screws (10) thread into the plastic anchors (13) and let the set screws (10) set at the long slot of the key hole well, then secure the set screw (10) tightly
- Install the tube (2) into socket (1) and fabric shade (3).
- Install the nipple(4), then secure them with thumb stem (5)
- Install the wire casing (8) onto plastic anchors (9), then secure them with setscrews (6).
- Install the wire casing cap (6) onto wire casing (8).
- Fixture is ready for lamping and installation.














