KYORITSU 4200 Digital Earth Clamp Tester

Product Information
Digital Earth Clamp Tester
The KYORITSU Electrical Instruments Worksltd. Model 4200/KEW 4202 is a digital earth clamp tester used for measuring earth resistance. It is designed for use in electrical maintenance, testing, and inspection. It can measure earth resistance from 0.05 to 1200 Ohms and has a maximum rated voltage of 600V AC.
Product Usage Instructions
- Safety Warnings: Before using the tester, read and understand all safety warnings in the instruction manual.
- Preparing the Tester: Connect the leads to the tester and clamp the jaws around the earth conductor or grounding electrode. Connect the leads from the tester to the device being tested.
- Measuring Earth Resistance: Turn on the tester and select the appropriate range. Press the test button to take a measurement. The measurement will be displayed on the screen.
- Interpreting Results: Compare the measurement to the acceptable range for the specific application. If the measurement is outside of the acceptable range, further investigation may be necessary.
- Cleaning and Storage: After use, clean the tester with a soft, dry cloth. Store the tester in a cool, dry place away from direct sunlight and moisture.
For more detailed instructions and safety information, refer to the instruction manual provided with the product.
Safety Warnings
This instrument has been designed, manufactured and tested according to IEC 61010: Safety requirements for Electronic Measuring apparatus, and delivered in the best condition after passing quality control tests. This instruction manual contains warnings and safety procedures which have to be observed by the user to ensure safe operation of the instrument and to maintain it in safe condition.
Therefore, read through these operating instructions before using the instrument.
WARNING
- Read through and understand the instructions contained in this manual before using the instrument.
- Keep the manual at hand to enable quick reference whenever necessary.
- The instrument is to be used only in its intended applications.
- Understand and follow all the safety instructions contained in the manual.
It is essential that the above instructions are adhered to. Failure to follow the above instructions may cause injury, instrument damage and/or damage to equipment under test. Kyoritsu is by no means liable for any damage resulting from the instrument in contradiction to this cautionary note.
The symbol
indicated on the instrument means that the user must refer to the related parts in the manual for safe operation of the instrument. It is essential to read the instructions wherever the
symbol appears in the manual.
DANGER: is reserved for conditions and actions that are likely to cause serious or fatal injury.
WARNING: is reserved for conditions and actions that can cause serious or fatal injury.
CAUTION: is reserved for conditions and actions that can cause injury or instrument damage.
Following symbols are used on the instrument. Attention should be paid to each symbol to ensure your safety.
This symbol indicates that the user must refer to the explanations in the instruction manual.
This symbol indicates that the instrument is protected by double or reinforced insulation.
This symbol indicates that this instrument can clamp on bare conductors.
This symbol indicates AC.
DANGER
- Never make measurement on a circuit in which the electrical potential exceeds AC300V.
- Do not make measurement when thunder is rumbling. Stop measurement and take off the instrument from the object under test.
- Do not attempt to make measurement in the presence of flammable gasses.
Otherwise, the use of the instrument may cause sparking, which can lead to an explosion. - To avoid electrical shock by touching the equipment under test or its surroundings, be sure to wear insulated protective gear.
- Transformer jaws are made of metal and their tips are not completely insulated.
Be especially careful about the possible shorting where the equipment under test has exposed metal parts. - Never attempt to use the instrument if its surface or your hand is wet.
- Do not exceed the maximum allowable input of any measuring range.
- Do not measure a current over 30A. Transformer jaws may heat to cause a fire or deformation of molding parts, which will degrade insulation. When clamping the
conductors on which over 30A flowing and “
” is displayed on the LCD, stop measurement immediately and take off the instrument from the conductor under test. - Never open the Battery cover during a measurement.
- When the transformer jaws are worn to the wear line (see the figure below), stop the use of the instrument.
- Keep your fingers and hands behind the Barrier during measurement.
WARNING
Never attempt to make any measurement if any abnormal conditions, such as a broken cover or exposed metal parts are present on the instrument.
● Do not install substitute parts or make any modification to the instrument. Return the instrument to your local KYORITSU distributor for repair or re-calibration.
● Do not try to replace the batteries if the surface of the instrument is wet.
● Ensure that the instrument is switched off when opening the Battery cover for battery replacement.
● Always be sure to keep your fingers and hands behind the Safety barrier. ( see the figure below) Otherwise, user may be exposed to the danger of electrical shock.
CAUTION
- Press the Function button and confirm the appropriate function is selected before starting a measurement.
- Do not expose the instrument to direct sunlight, high temperatures and humidity or dew.
- Press the Power button and turn off the instrument after use. When the instrument will not be in use for a long period, place it in storage after removing the batteries.
- Use a damp cloth with water or neutral detergent for cleaning the instrument. Do not use abrasives or solvents.
- Take sufficient care not to apply shock such as drop. Otherwise, precisely adjusted Transformer jaws will be damaged.
- Be careful not to pinch some foreign substances with the Transformer jaw tips.
- Care should be taken not to pinch your fingers when opening or closing the Jaws.
- Pass your hand through the Strap band and use the instrument

Features
This instrument is a digital clamp-on earth resistance tester, and it is used in multiearthed systems. Can measure the earth resistance by simply clamping around the earthed wires.
This instrument also equips AC current function to measure current up to 30A same as our traditional leakage clamp meters.
A single earthing cannot be measured. (only for multiple-earthing system)
- Wide measuring range (Auto-ranging)
- Earth/ground resistance
- Max. 1500Ω Min. resolution 0.01Ω
- AC current
- Max. 30A
- Min. resolution 0.1mA
- Noise check function
A function to detect current, which effects on an earth resistance measurement and display the NOISE symbol on the LCD. - True RMS
Accurate true RMS readings of AC current with distorted waveform. - Auto power-off function
A function to prevent the instrument from being left turned on and conserve battery power. - Data hold function
A function to freeze the measured value on the display. - Buzzer function
A function to give audible warning to the user when the measurement result is 10Ω or less. - Backlight function
A function to facilitate working at dimly lit areas. - Memory function
A function to save and display the measurement result. - Designed to following safety standard.
IEC61010-1 (CAT IV 300V Pollution degree 2), IEC61010-2-032 - This instrument is protected by double or reinforced insulation .
- Bluetooth Communication Function (KEW4202 only)
Remote checking of measurements is possible without accessing KEW4202 unit by connecting KEW4202 and Android devices via Bluetooth.
Specification
Measuring range and accuracy
| Function | Range | Resolution | Measuring range | Accuracy |
| Earth resistance (Auto-ranging) | 20Ω | 0.01Ω | 0.00~20.99Ω | ±1.5%±0.05Ω |
| 200Ω | 0.1Ω | 16.0~99.9Ω | ±2%±0.5Ω | |
| 100.0~209.9Ω | ±3%±2Ω | |||
| 1500Ω | 1Ω | 160~399Ω | ±5%±5Ω | |
| 400~599Ω | ±10%±10Ω | |||
| 10Ω | 600~1580Ω | ※ | ||
| AC current(AC) (50/60Hz) (Auto-ranging) | 100mA | 0.1mA | 0.0~104.9mA | ±2%±0.7mA (sine wave) |
| 1000mA | 1mA | 80~1049mA | ±2% (sine wave) | |
| 10A | 0.01A | 0.80~10.49A | ||
| 30A | 0.1A | 8.0~31.5A |
- Crest factor ≦2.5 Accuracy at sine wave +1% (50Hz/60Hz, peak value shall not exceed 60A)
- In the following cases, zero will be displayed on the LCD.
- At 20Ω range of Earth resistance function: 0.04Ω or less
- At 100mA range of ACA function: 0.4mA or less
- A range shifts to upper range when the input exceeds 105% of the selected range, and shifts to the lower range when the input falls under 80% of the range.


<Supplemental remarks>
○ Effective value (RMS)
Most alternating currents and voltages are expressed in effective values, which are also referred to as RMS (Root-Mean-Square) values. The effective value is the square root of the average of square of alternating current or voltage values. Many clamp meters using a conventional rectifying circuit have “RMS” scales for AC measurement. The scales are,however, actually calibrated in terms of the effective value of a sine wave though the clamp meter is responding to the average value. The calibration is done with a conversion factor of
1.111 for sine wave, which is found by dividing the effective value by the average value.
These instruments are therefore in error if the input voltage or current has some other shape than sine wave.
○ CF (Crest Factor) is found by dividing the peak value by the effective value.
Examples:
Sine wave: CF=1.414 Square wave with a 1: 9 duty ratio: CF=3
Refernce

Instrument layout
Name of each parts and buttons (for MODEL4200 and KEW4202)

- Transformer jaw
- Trigger
- Backlight button
Switches on/off the backlight. - Function button
Switches ACA/ Earth resistance functions. - Memory mode button
Check the measured value by Data number. - Data hold button
Freezes/ releases the fixed readings. - Power button
Turns on/off the instrument. - Display unit (LCD)
- Cursor button (UP)
Selects data number; to save the measured value, or to view the measured data in memory. - Cursor button (DOWN)
Selects data number; to save the measured value, or to view the measured data in memory. - Save button
Saves the measured value. - Barrier
It is a part providing protection against electrical shock and ensuring the minimum required air and creepage distances.
Symbols to be displayed on the LCD
| Displayed when saving the measured value or when instrument is in memory mode. | |
| Displayed when batteries are exhausted. | |
![]() | Displayed at Earth resistance function when Transformer jaws are not properly closed. |
| Displayed at Earth resistance function when current or noise that affects on the measured value presents. | |
| Displayed when data hold function is activated. | |
| Displayed when ACA function is selected. | |
| Displayed when instrument is in continuity mode at Earth resistance function. |

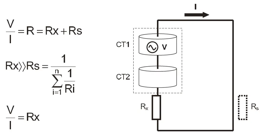
Measurement principle
This instrument can measure the earth resistance to earth in multi-earthed system.
Let’s regard earth resistance under test as Rx, and the other earth resistances as R1, R2, …Rn.

Of these earth resistances, R1, R2, …Rn can be considered that they are connected in parallel.
And can be regarded as a combined resistance Rs. The Rs can be regarded small enough against Rx since a combined resistance consists of several resistances.
Following is an equivalent circuit diagram of this circuit.

By applying the Voltage (V) to the circuit from the Transformer jaw (CT1), current I is (shall be flowed) flowed corresponding to the earth resistance. R can be put out by the calculation after detecting the current with the other Transformer jaw (CT2).
In this case, R displayed in this instrument can be regarded as Rx because Rs can be regarded small enough against Rx.

CAUTION
This instrument is not supporting the measurement for the locations with following earth systems.
- Single-earth that is not connected to other earths. (Lightning rod, etc.)
- Earth on which a current over 2A is measured at AC current function of this instrument.
- Earth with a larger earth resistance than an earth resistance of testing.
- Earth with earth resistance over 1500Ω.
Precision measurement shall be performed with our Earth resistance tester:
M-4102A or M-4105A for the measurement of single-earthed wire.

Getting started
CAUTION
This instrument performs self-calibration for about 3 seconds when it is turned on. (”
” is displayed on the LCD.) Do not clamp onto any conductor or open the jaws in this period. Otherwise, inaccurate measurement may occur.
- Check the battery voltage
When nothing is displayed on the LCD, press the power button
and turn on the instrument. Battery voltage is enough when indication is clear and the “
” symbol is not displayed on the LCD after turning on the instrument.
Follow the procedure described in“9. Battery replacement”and replace the batteries with new ones when any of following symptoms is noted. Otherwise, accurate measurement and proper saving cannot be ensured.
* “
” symbol is being displayed.
* indications are faint and difficult to read.
* nothing is displayed on the LCD. - Verify the correct measurement of earth resistance Clampon the supplied resistor for operation check as shown below, and verify that the Transformer jaw and the circuit works correctly. When the indicated value is within the range described below, they are operating correctly. If the indicated value is greatly exceeding the accuracy, send the instrument to your local KYORITSU distributor for repair or recalibration.
For repair, the resistor for operation check shall be attached and returned together with the instrument.

| Resistor for operation check | Allowable range |
| 1 Ω | 0.93 ~ 1.07 |
| 10 Ω | 9.75 ~ 10.25 |
Measuring method
DANGER
- Never make measurement on a circuit in which the electrical potential exceeds AC300V.
- Transformer jaws are made of metal and their tips are not completely insulated. Be especially careful about the possible shorting where the equipment under test has exposed metal parts.
- Never make measurement with the Battery cover removed.
- Do not measure a current over 30A. Transformer jaws may heat to cause a fire or deformation of molding parts, which will degrade insulation. When clamping the conductors on which over 30A flowing and “
” is displayed on the LCD, stop measurement immediately and take off the instrument from the conductor under test. - Keep your fingers and hands behind the Barrier during measurement.
CAUTION
- Take sufficient care not to apply shock, vibration or excessive force to the jaw tips.
Otherwise, precisely adjusted Transformer jaws will be damaged. - This instrument performs self-calibration for about 3 seconds when it is turned on. (” ” is displayed on the LCD.) Do not clamp onto any conductor or open the jaws in this period. Otherwise, inaccurate measurement may occur.
- When foreign substances are stuck in the jaw tips or they are not properly engaged, the Transformer jaws do not fully close. In such a case, do not release the jaw trigger abruptly or attempt to close the Transformer jaws by applying external force. Make sure that the jaws close by themselves after removing the foreign substance or making them free to move.
- The size of a conductor can be tested is 30mm in diameter. Accurate measurement cannot be made on a conductor larger than this, because the Transformer jaws cannot fully close.
Never attempt to apply excessive force to close the jaws. - When measuring large current, the Transformer jaws may buzz. This has no effect on the instrument’s performance or safety.
- Sensitive Transformer jaws are used for this instrument. Because of the characteristics of Transformer jaws, which can be opened and closed, it is impossible to eliminate the interference of external magnetic field completely. If there are something, which generating large magnetic field, at a nearby site, current value can be displayed (“0” may not be displayed) before clamping on the conductor. For such a case, please use the instrument at a location far from the thing, which generating magnetic field.
Following are the typical things generating magnetic field.- Conductor fed large current
- Motor
- Equipment which has magnet
- Integrating wattmeter
Normal measurement of current
- Press the Function button
and select the ACA function. - Confirm the displayed unit is “ mA “, and the ” MEM ” is not displayed at the upper left on the LCD.
- Press the trigger to open the Transformer jaws, and close them over one conductor only.
- Measured current value is displayed on the LCD.
(Earth leakage current that flows through an earthed wire can be measured by this method.)

Measurement of balance leakage current
- Press the Function button
and select the ACA function. - Confirm the displayed unit is “ mA “, and the ” MEM ” is not displayed at the upper left on the LCD.
- Clamp onto all conductors except for the earthed wire.
- Measured current value is displayed on the LCD.

- Single-phase 2-wire system
In 3-wire system with neutral,clamp onto all 3 wires. - Three-phase 3-wire system
In 4-wire system with neutral,clamp onto all 4 wires.
Measurement of earth resistance
CAUTION
- Follow the procedure described in “7-1 Normal measurement of current” and measure the current flowing on the earthed wire prior to the measurement of earth resistance.
In case that the “
” symbol is displayed at the upper right of the LCD, it means that a great error would be included in the measured result. To avoid such inaccurate measurement, reduce the current flowing on the earthed wire by turning off the device from which current is applied to the earthed line under test. - Measurement cannot be made for the earth without multiearthing system or when the earth resistance under test is smaller than the other earth resistances.
- To avoid inaccurate reading may be taken, never make a measurement for the same earth system with multiple units of this instruments.
The “
” symbol may be displayed during a measurement of earth resistance. It indicates that the jaws of the instrument are not properly closed. Measurement is being stopped while this symbol is displayed on the LCD. Close the Transformer jaws properly to restart the measurement. - Response time at Earth resistance function is about 7 seconds. It takes awhile until the readings become stable.
- Measurement procedure
- Press the Function button
and select the Earth resistance function. - Confirm the displayed unit is ” Ω “, and ” MEM ” is not displayed at the upper left on the LCD.
- Press the trigger to open the Transformer jaws, and close them over the earthed wire under test.
- Measured resistance value is displayed on the LCD.
- Press the Function button

<Noise check function>
At the Earth resistance function, the ” ” symbol is displayed on the LCD in the following cases which may effect on a measurement.
- The current flowing on the earthed wire is exceeding the following value.
Range of Earth resistance function Allowable current value 20Ω 2A or less 200Ω/1500Ω 400mA or less - The current flowing on the earthed wire includes a harmonic wave which effects on the measurement.
Jaws check function>
The “
” symbol is displayed when the Transformer jaws of the instrument are not properly closed.
Measurement will be stopped when this symbol appears on the LCD.
Other functions
Auto power-off function
This function is to prevent the instrument from being left turned on and conserve battery power. The instrument automatically turns off about 10 minutes after the
last button operation.
To return to the normal mode, press the Power button
again and turns on the instrument.
- The buzzer sounds before the instrument turns off.
- To disable the auto power-off function, follow the procedure below.Turn on the instrument by pressing the Power button with the Data hold button
pressed down.
Then release the Power button only.- The instrument is turned on, and “
” is displayed on the LCD for about 1 second.
Now, the auto power-off function is disabled.
To enable the auto power-off function again, turn off and on the instrument without pressing the Data hold button.
- The instrument is turned on, and “
Data hold function
This function is to freeze the indicated value on the display. When the Data hold button
is pressed once, the indicated value on the LCD is fixed and does
not change even though current under test varies.
The “
” symbol is shown at the upper right on the LCD. To exit the Data hold mode, press the Data hold button again. (“
” symbol disappears.)
- When the Auto power-off function works while the instrument is in the Data hold mode, data hold is cancelled.
Buzzer function
This function is to give audible warning to user when the measured earth resistance is 10Ω or less. To enable this function, press the Function button
at the earth resistance function at least 2 seconds. ( The “
” symbol is displayed at the lower left on the LCD.)
Buzzer sounds when the measured earth resistance is 10Ω or less.
To disable the buzzer function, press the Function button again.
(Then, the “
” symbol disappears.)
Backlight function
This function is to view the test results in dimly lit areas.
To switch on the backlight, press the Backlight button
while the instrument turned on.
To switch off the backlight, press the Backlight button again.
- Backlight is automatically switched off in about 1 minute to conserve battery power.
Memory function
This function is to save and display the measurement results.
Saving the measurement results
- Select any data number
(from 1 to 100) by using the Cursor button
or
at ACA or Earth resistance function, and save the measurement results.- When the Cursor button is being pressed down, the number switches quickly.
- To save the measurement result being displayed on the LCD, press the Save button
. Then the result is saved to the selected data number.
(” MEM ” is displayed for about 1 second.)- After saving the data, data number automatically switches to the next available data number (present data number +1) and the next measured value can be saved to it.
- (The data number returns to 1 after the measurement result is saved to the data number 100.)
- When the new measurement result is saved to the data number on which the previous measurement result is saved, previous data will be overwritten.
- When saving a data while the data hold function is activated, the readings which is being held on the LCD will be saved.
- Recalling the measurement results in memory
To activate the memory function, press the Memory mode button
.
Then ” MEM ” is displayed on the LCD.
Pressing the Cursor button
or
changes the data number displayed- To disable the memory mode, press the Memory mode button again or press the Function button
. (Then ” MEM ” symbol disappears.) - Bars “
” are displayed for the Data number that does not contain any test result.
- To disable the memory mode, press the Memory mode button again or press the Function button
- Clearing the measurement results in memory
To clear the measurement result, press the Save button
with the Memory mode button
pressed down. The message “
” is displayed on the LCD for about 2 seconds and the measurement result on the selected data number is cleared.
(Then the indication on the LCD becomes “
“.)- Follow the procedure below to delete the all measurement results.
- Press the Power button
, while the instrument is off, while the
Memory mode button and the Save button are being pressed down.
Then release the Power button only. - Instrument is turned on; ” MEM “, “
” and “
” are displayed on the LCD for about 2 sec..
Now all the stored data are deleted.
- Press the Power button
- Follow the procedure below to delete the all measurement results.
Bluetooth Communication Function (KEW4202 only)
KEW4202 can perform data communication between Android devices via Bluetooth communication.
Notes on using Bluetooth function:
This function is not available on MODEL4200 but available on KEW4202.
Before starting to use this function, download the special application“KEW Smart”from the Internet site.
Some of the functions are available only while connected to the Internet. For further details, please refer to“11. KEW Smart Functions”or“Help”for“KEW Smart”.
WARNING
Radio waves at Bluetooth communication may affect the operations of medical electronic devices.
Special care should be taken when using Bluetooth connection in the areas where such devices are present.
Cautions:
- The maximum Bluetooth communication distance is approx. 10m. However, it may be shortened if there are obstacles, such as walls, doors or people, or depending on the radio wave condition or environment of usage.
- Using KEW4202 or Android devices near wireless LAN devices (IEEE802.11.b/g) may cause the radio interference, lowering of communication
speed, resulting in significant time lag in the display update rate between KEW4202 and Android device. In this case, keep KEW4202 and the Android device away from the wireless LAN devices or turn off the wireless LA devices, or shorten the distance between KEW4202 and Android device. - It may be difficult to establish communication connection if either KEW4202 or Android device is in a metal box. In such cases, change the measurement location or remove the metal obstacle between KEW4202 and Android device.
- If any leaking of data or information occurs while making a communication using Bluetooth function, we assume no responsibility for any released content.
- Communication with KEW4202 may not be established even if using Android device on which our special application operates. In that case, use the other Android devices and check for connection.
If you cannot confirm the connection, there may be a problem with KEW4202 unit. Please contact your local KYORITSU distributor.- The Bluetooth word mark and logos are owned by Bluetooth SIG, Inc. and any use of such marks by Kyoritsu is licensed.
- Android and Google Map are the trademark or registered trade mark of Google Inc..
- In this manual, the“TM”or“ ® ”mark is not specified.
Set-up:
First, set a Bluetooth connection (pairing) from an Android device. For further details, please refer to the instruction manual for the Android device,“ Help” for
“KEW Smart” or“ 10. Pairing with Bluetooth compatible devices”.
Communication with Android devices:
Measurement results of KEW4202 can be displayed on Android devices via
Bluetooth communication by using the special application “KEW Smart”.
Remote checking of measurements is possible without accessing KEW4202.
- Communication method
Power on KEW4202, select a measurement function, and then clamp onto the object to be measured.
Activate“KEW Smart”on the Android device and select the device to connect from the menu. Touch the“Start measurement”button on the screen after the connection has been established. Then the measured results will automatically be displayed on the Android device. - Disconnection and Stop measurement
Touch the“Disconnect”button on the screen to disconnect the communication. Touch the“ Connect” button to reconnect.
T ouch the“ Stop measurement” button on the screen to stop measurement.
In this case, connection with KEW4202 will not be disconnected.
For various useful functions of “KEW Smart”, please refer to “11. KEW Smart Functions” or“ Help” for“ KEW Smart”.
Battery replacement
WARNING
- In order to avoid possible shock hazard, take off the instrument from the conductor under test and turn off the instrument before trying to replace the batteries.
CAUTION
- Do not mix new and old batteries. Never use the different kinds of batteries at the same time.
- Install batteries in correct polarity as marked inside.
When the battery voltage warning symbol “
” is displayed on the upper left of the LCD, replace the batteries. Note that the display blanks and “
” symbol is not displayed if the batteries are completely exhausted.
- Stop measurement when the warning symbol appears, and um-clamp from the object under test.
- Ensure that the instrument is powered off.
- Loosen the Battery cover-fixing screw on the back of the instrument.
Then remove the Battery cover. - Install new batteries (LR6 or R6P: 4pcs) in correct polarity as marked inside.
- Put the Battery cover in place and tighten the screw.

Pairing with Bluetooth compatible devices (KEW4202)
It is necessary to perform the pairing procedure to connect KEW4202 and Android devices via Bluetooth communication.
- If the“ ”symbol is displayed on the LCD of KEW4202, replace the batteries with new ones before performing the pairing procedure.
- Power on KEW4202.
- Power on the Android device, and find the Setting menu. Look for the
Bluetooth setting in the Wireless Setting menu. - On the Android device, choose Search for Bluetooth Devices. The model name“KEW4202-XXXXXXX”will be displayed on the screen. The“X”s behind the model name is the serial no of the unit.
- Select and pair the device.
If the pairing setting fails, please check the following points.
- Distance between KEW4202 and the Android device
Move them closer, and perform the pairing procedure again. - Bluetooth function on Android device
Turn on the Bluetooth function on the Android device and try again.
Depending on your network connection, it may take awhile to complete the pairing procedure.
Features of KEW Smart (KEW4202)
Remote checking of measurements is possible without accessing KEW4202 using the special Android application“KEW Smart”.
The application“KEW Smart”is available on download site for free. (An Internet access is required.)
Please note that communication charge is incurred separately for downloading applications and using special features of them. For your information,“KEW Smart”is provided on-line only.
Features of KEW Smart:
- Remote checking of measurement is possible (earth/ground resistance and AC current values)
- Data hold function (on Android devices)
- Save/ display measurement results
Measured results can be saved with comments. (max. 32 characters)
Save data includes measurement and GPS location while GPS feature has been turned on. - Comparator function (earth/ground resistance value) Informs when the measured value is lower or higher than the preset value.
- Memory download function
Downloads the saved data from KEW4202 by pressing the Memory mode
Switch“
”on KEW4202. This function can be used while the instrument is not performing measurements.
Features available using Internet connection:
- E-mail
Measured data can be sent by E-mail while the connection to KEW4202 is turned off. - Check on map
Measured locations can be checked on the Google Map if the saved data includes GPS location.
On the Android device,“OPEN”or“NOISE”warning will be displayed in conjunction with KEW4202.
For further details, please see“Help”for“KEW Smart”.
Cautions:
- Battery level of KEW4202 is not shown on Android devices. Ensure that the battery level of KEW4202 is sufficient before starting to perform measurements using these features. Replace batteries with new ones if necessary.
- Remote control, such as switching functions or activating data hold, of KEW4202 from Android devices is not possible.
Kyoritsu reserves the rights to change specifications or designs described in this manual without notice and without obligations.
KYORITSU ELECTRICAL INSTRUMENTS WORKS, LTD.
2-5-20,Nakane, Meguro-ku,
Tokyo, 152-0031 Japan
Phone: +81-3-3723-0131
Fax: +81-3-3723-0152
Factory: Ehime,Japan
www.kew-Itd.co.jp


















