Connection to your Weekend Escape
THANK YOU FOR CHOOSING
THE THUNDER DC TO DC
BATTERY CHARGER
For your personal safety, read, understand and follow
the information provided in this instruction manual.
Copyright © 2020 GPC Asia Pacific Pty Ltd ABN 97 097 993 283
FEATURES & BENEFITS
- Heavy-duty aluminum case
- Easy to read Bluetooth LCD screen
- 12-24V system input (12V output)
- 0-90°C Operating temperature
- IP67
- MST (Modular Sense Technology)
- Microchip monitoring and control
- Fully automatic high-frequency multi-stage charging
- Pulse mode technology that reduces oxidation and minimizes temperature equating to longer battery life
- Unit will automatically change charge rate mapping for GEL, AGM, and standard Lead Acid
- Lithium battery charging profile option
- Internal charger temperature monitoring and power output control
- Overcharging, short circuit and over-temperature protection
- Reverse polarity protection
- Solar input MPPT regulated output (50V 300W max)
IMPORTANT SAFETY WARNINGS
FOR AUTOMOTIVE 12/24V USE ONLY, NOT TO BE USED WITH DRY CELL BATTERIES.
To avoid any personal injury, please read the following safety instructions. This battery charger is not intended for use by young children or infirm persons without supervision.
- During the charging process, do not use a naked flame near a battery. Batteries generate explosive gasses during the charging process that may explode.
- Never smoke or light cigarettes near a battery.
- Do not place tools on top of a battery or allow tools to fall on the battery to prevent the chance of a short circuit and sparks.
- Always wear eye protection when charging a battery.
- Ensure charging and testing is conducted in a well-ventilated area.
- Ensure the charger’s ventilation holes are not obstructed. Inadequate ventilation may over-heat the charger and cause inefficient operation.
- If skin or clothing comes in contact with battery acid, flush the affected area immediately with water. Seek medical attention if necessary.
NOTE: The warnings, cautions, and instructions detailed in this manual cannot cover all possible conditions and situations that may occur. Common sense and caution are factors that cannot be built into this product and must be supplied by the operator.
INSTALLATION
WE RECOMMEND INSTALLATION BY A QUALIFIED AUTO ELECTRICIAN
- Secure the charger using the mounting tabs on the unit.
- Connect the input blue wire on the rear of the charger using a suitable cable to the main starting battery of the vehicle (see specification table on page 8). It is recommended to place a circuit breaker (30A minimum, not supplied) in the main positive lead as close as possible to the starting battery.
- Connect the auxiliary battery to the output red wire of the charger. Ensure the correct size cable is used to prevent any voltage drop (see specification table on page 8).
- It is recommended to place a circuit breaker (30A minimum, not supplied) in the auxiliary positive lead as close as possible to the auxiliary battery.
- Secure the negative wire to the common negative black wire and secure to a metal (unmoving) part of the vehicle. It is preferable to connect this directly to the negative terminal of both batteries (see specification table on page 8).
- The TDR02021 is compatible with the newest computer-controlled alternators.
For installation into vehicles with variable voltage alternators, negative must be connected to vehicle chassis. - If connecting a solar panel, connect the positive from the panel to the solar input yellow wire and the negative of the panel to the negative black wire (see specification table on page 8).
- There is no need for an external regulator the DC-DC has a built-in MPPT solar regulator.
- Check all connections are tight and secure.
- If charging a lithium battery, the green battery select wire will need to be connected to battery earth (see specification table on page 8).
NOTE: Only connect this wire if charging a lithium battery pack as it will cause damage to alternate battery packs.
- Fit the LCD display in your desired spot.
- Once correctly installed the TDR02021 is a simple set and forget dual battery solution.
- Connect the red wire to battery positive and the black wire to earth from the display. There is a handy switch to disable the display (see specification table on page 8).
- Start the vehicle and let it idle, the charger will recognize that there is a charge being applied to the main starting battery. Once the main starting battery has reached 13.1V the charger will automatically begin to charge.
- The charger will continue to operate even after the vehicle has been switched off, however, once the main start battery falls below a loaded voltage of 12.2V the charger will automatically shut down.
- The TDR02021 will prioritize the vehicle input over the solar input so while the battery voltage is above 12.2V it will continue to charge, however, once the main battery has reached a loaded voltage of 12.2V and the charger switches off it will look for a solar input.
- If the solar input is above 13V then the green LCD on the display will illuminate to indicate that the TDR02021 is now using the solar input to charge the auxiliary battery.
- LCD display will move to the solar charging screen when using solar.
SPECIFICATIONS
| OUTPUT | 20A |
| INPUT FUSE RATING | Minimum 30A |
| OUTPUT FUSE RATING | Minimum 30A |
| VEHICLE INPUT VOLTAGE RANGE | 12.2V – 26V If voltage increases over 26V the Thunder DC-DC will shut off, reset will be needed |
| MIN AND MAXIMUM CHARGING VOLTAGES | 13.1V – 15.2V Stops charging when alternator or vehicle battery below 12.2V |
| LITHIUM CHARGE VOLTAGES | 14.2V Bulk, 13.2V Float |
| SOLAR INPUT VOLTAGE RANGE | 13V-50V |
| MAXIMUM SOLAR WATT INPUT | 300W Exceeding 300W of solar will damage the charger |
| CHARGING STYLE | 8 stage from vehicle and 3 stage from solar |
| OPERATING TEMPERATURE | 0°C to 90°C (current de-rates after 90°) |
| IP RATING | IP67 |
| FLOAT VOLTAGE | 13.8V |
| STANDBY CURRENT | 10mA |
| BATTERY RANGE | 18 to 250Ah |
RECOMMENDED MINIMUM CABLE LENGTH / TWIN-CORE
| 0 – 10 METRES | 6 B&S/6AWG* amperage control |
| OVER 10 METRES | Consult an auto electrician |
INTEGRATED LCD DIAGRAM
The Thunder 20A DC-DC now comes with an LCD interface screen, giving you better visibility on the health of your battery’s charging inputs.
While your vehicle is charging, the LCD screen will show in the vehicle car charging screen allowing you to see the main and auxiliary battery voltages, auxiliary battery percentage and how much current is flowing into the battery. If Lithium mode is used it will also show this as well.
The vehicle charge flow arrows indicate that the DC-DC is working and charging your auxiliary batteries. If there is a fault with the auxiliary battery, the LCD screen will show a
fault symbol.
After the vehicle engine has been turned off and the battery voltage in the main battery has reached a loaded voltage of 12.2V, the LCD screen will move to the Solar charge
screen allowing you to see the main and auxiliary battery voltages, main and auxiliary battery percentages and the flow of the solar charge. If there is a fault with the auxiliary
battery the LCD screen will show a fault symbol.
Vehicle Car Charge Screen
| 1. Bluetooth active | 7. Main battery charge level |
| 2. Main battery voltage | 8. Auxiliary battery charge level |
| 3. Auxiliary battery voltage | 9. Battery fault indicator |
| 4. DC-DC current output | 10. Display switch |
| 5. Vehicle charge flow | 11. Lithium mode |
| 6. Auxiliary battery percentage | |
Solar Charge Screen
| 1. Bluetooth active | 7. Main battery charge level |
| 2. Main battery voltage | 8. Auxiliary battery charge level |
| 3. Auxiliary battery voltage | 9. Battery fault indicator |
| 4. Solar charge flow | 10. Display switch |
| 5. Main battery percentage | 11. Lithium mode |
| 6. Auxiliary battery percentage | |
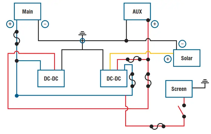
WIRING DIAGRAM
Unit Wiring
Blue: +12V/24V Start Battery
Red: +12V Auxiliary Battery
Black: Common Ground
Yellow: Solar Positive Input
Green: Lithium profile

* NOTE: Only connect the Lithium charge wire (Green) if you intend to charge a lithium battery pack as this will cause damage to alternate battery chemistries.
MST (Modular Sense Technology)
The Thunder DC-DC now has MST (Modular sense technology) that allows multiple Thunder DC-DCs to be added together to increase the amperage output.
The Thunder DC-DC automatically senses the addition of an extra unit fitted and synchronizes the charge algorithm to work as one unit. You can add as many units as you like.
NOTE: When you connect two or more TDR02021s together, one unit will become the source unit and one will become a slave unit. This means the source unit will carry the majority of the charging load output and the slave will help when needed. This will all depend on the state of charge of your auxiliary battery. When using this build, you will need to fit the source unit display, as it will show the bulk of the charge output.
STAGE CHARGING MODE
- Stage 1 – Battery Check: Pre-charge 5 sec, switches into Stage 2 (12V).
- Stage 2 – Soft Start: Less than 2A or 10-sec charging, switches into Stage 3.
- Stage 3 – Constant Current Charging (Bulk Charge): Max 20A, switches to Stage 4 when the battery voltage charges to 14.5V.
NOTE: Voltage varies to maintain a constant current until 14.5V is reached. - Stage 4 – Constant Voltage Charging (Absorption Charge): Constant 14.5V, up to one hour or current drops to 3A, will switch to Stage 5.
NOTE: Current varies to maintain constant voltage until it drops below 3A. - Stage 5 – Analysis: If the battery voltage drops to 12V or less in one minute, the faulty battery indicator will light up with a beeper. After one minute if the voltage is over 12.6V the Thunder DC-DC goes to Stage 6.
NOTE: If the battery is determined to be faulty the Thunder DC-DC will stop charging. - Stage 6 – Boost Stage: Voltage up to a max of 15.2V (dependant on battery chemistry), or up to one hour (up to 20A). If the current drops to less than 4A then it will switch to Stage 7.
NOTE: Battery chemistry is determined during charging stages, using algorithms that differentiate the rate of charge specific to particular chemistry e.g. AGM, Calcium, flooded etc. - Stage 7 – Final Charge / Test: Highest voltage 13.8V, when the current is less than 1A or one hour has passed, it will switch into Stage 8.
- Stage 8 – Maintenance Charge (Float): Constant 13.8V pulse charging. Pulse Check: Every 20 sec to monitor discharge (if the discharge is found on the auxiliary battery it will move back to Stage 3, and work its way back through the stages).

SOLAR CHARGING MODE
- Stage 1: Direct solar energy to charge the battery until the battery voltage reaches 14.5V switches to stage 2.
- Stage 2: Overpressure pulse charging, when the battery voltage is lower than 14.5V, charger pulses for 1 sec on and 1 sec off. This will occur for 2 hours, or until 14.5V average is reached whichever comes first. Then will switch to Stage 3.
- Stage 3: Pulse floating charge, pulse 1 sec on 1 sec off at 13.8V.
When the auxiliary battery reaches 80% the Thunder DC-DC will automatically start to charge the main and auxiliary batteries.
If the auxiliary battery drops below 80% the Thunder DC-DC will automatically stop charging the main battery to ensure maximum charge flows to the auxiliary battery.
WARRANTY TERMS & CONDITIONS
When you acquire or fit a Thunder product you have the peace of mind in knowing that it is backed by a comprehensive 12-month warranty against defects in materials and
workmanship. The Thunder warranty is provided in addition to any rights you may have under the Australian Consumer Law.
All claims under this warranty should be made by returning the product to the place of purchase at your expense, with the detail of the fault, proof of purchase and fitment details.
If we determine that a Thunder product is defective in materials or workmanship during the warranty period, we will either repair or replace the unit.
This warranty does not apply to failure or damage to a Thunder product caused by incorrect or faulty fitment, accidental or intentional damage, failure of other products, incorrect application, incorrect voltage, environmental damage, operation of the product outside of its environmental and technical specifications, or repair or modification carried out by anyone other than an authorized repairer.
Our goods come with guarantees that cannot be excluded under the Australian Consumer Law. You are entitled to a replacement or refund for a major failure and compensation
for any other reasonably foreseeable loss or damage. You are also entitled to have the goods repaired or replaced if the goods fail to be of acceptable quality and the failure does
not amount to a major failure.
Connection to your Weekend Escape

















