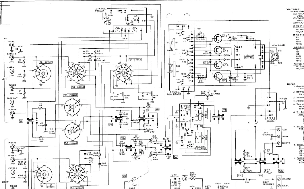
SCOTT 260 Vintage Stereo Integrated Amplifier

Wiring diagram
Left


OUTPUT


Specification
Tape Output
- Rated Voltage Output to Tape Recorder: 0.5 V
- Minimum Recommended Load Resistance: 200 K ohms
Pre-Amplifier Input:
- Tape Head – Input Impedance: 47 K ohms
- Signal for Rated Output: 2 mv
- S/N Ratio: 52 db
- Phono – Input Impedance (All Switch Positions) Signal for Rated Output (Adjustable by Switch): 47 K ohms
- S/N Ratio: 3, 5, 9 mv
- High Level Inputs – Input Impedance: 55 db
- Signal for Rated Output: 60 K ohms
- S/N Ratio: 75 db
- Frequency Response in Flat Position: 20-20 KC± 1,0 db
- Treble Controls Measured at 10,000 cps, Boost and Cut Bass Controls Measured at 50 cps, Boost and Cut Scratch Filter: 10 db ± 2 d 12 db ± 2 db
- Rumble Filter: – 4 db/octave: -3 db@ 5 K cps /- 10 db@ 50 cps ± 2 nb
- Loudness Compensation (Maxim\llll): + 9 db @ 50 cps
- Loudness Compensation: + 2.5 db@ 10 K cps
Amplifiers
- Power Ratio (Watts Per Channel): 60 watts per channel
- @ 0.8% Harmonic Distortion: 50 watts per channel
- 4 ohms
- 8 ohms
- Continuous Power Output: 40 watts
- Single Channel@ 0.8% Harmonic Distortion
Continuous Output Both Channels @ 0.8% Harmonic Distortion
- Frequency Response: 30 watts per channel
- Power Bandwidth at Rated Distortion (IHF Method) Damping Factor: 20-20,000 cps± 1 db 20-20,000 cps
- Range of Line Voltage and Frequency: 20
- Power Consumption – 117 vat 60 cps (Stand-by): 105-120 v, 50-60 cps 25 w
TONE CONTROL

EQUIPMENT NEEDED

- Audio Oscillator
- VTVM
- Oscilloscope
- VOM.
- Load Box
- Attenuator
- Distortion Analyzer
Variac or 117 Regulated Line Factory Dielectric Test Set
Set Controls to the Following:
Front Panel
- Input Selector: EXTRA 2
- Stereo Selector: STEREO
- Tone Controls (Bass & Treble) Loudness /Power: Flat 11011
- Balance Control: Ac OFF
- Tone Controls: Flat 11011
- Rumble Filter: IN
- Noise Filter: OUT
- Tape: OUT
- Compensator: NORMAL
- Remote Speaker: LOUDNESS
- Main Speaker: OFF / ON
Rear Panel
- Preamp Sensitivity: Max.
- Remote Speakers: STEREO
Internal
- Potentiometers Z-PC-D7: R6 & R106 (Balance Pot) (Max CCW )
- Potentiometers Z-PC-D7: Rll & Rlll (Bias Pot) (Max CCW )
Measure resistance to chassis in the following locations (positive side of VOM battery to ground – chassis), meter on 1000 scale:
- Output Transistor Collector (supply side) Ql & QlOl: 1. 6 – 2 . 1 kohm
- Output Transistor Collector (midpoint) Q2 & Q 102: 1.5 – 1.9 kohm
- Main Speaker “H” Terminal: 450 – 500 ohm
- 33V Source: 2.2 – 2.8 kohm
Measure resistance across stabistors in forward direction (1.0 – 1.5 kohm) on rear panel of RxlOOO scale.
- Bias and Balance Adjustment and Voltage Checks With no signal input and 8 ohm loads connected to Main speaker taps, turn power on keeping loudness pot at minimum setting. Watch carefully for any signs of voltage shorts or overheating.Measure voltage at collector of Ql – should measure between 68 and 75 volts. Set voltage at pin 2 of Test Point jack for Left Channel, and pin 1 of Test Point jack · for Right Channel on rear panel for one-half supply voltage (approx. 35 volts) using D7-R6 (Left Channel) and D7-R106 {Right Channel) balai:tce pots. Using Triplett Vom, set to 12mA scale, adjust bias pots for 0.8 mA current from pin 3 of Test Point jack for Left channel and pin 4 of Test Point jack for Right channel, D7-Rll for Left Channel and D7-Rlll for Right Channel. Recheck balance adjustment and reset balance pots if necessary.
- Check voltage at 33 volt source (across DZ-33) for voltage of 30 – 36 volts.
- Sensitivity Check
Connect audio oscillator through attenuator into Extra 2 input jack. Set attenuator for an output from attenuator of O dB on 0.3V scale of VTVM, 400Hz. Turn loudness pot to maximum. Observe Output at speaker terminals of O dB on 10 volt scale +2 dB. Turn loudness to minimum. At this point recheck and readjust bias -if necessary. Note: Check that difference in channels no greater than 2dB. Repeat for Extra 1 jack input, and tuner jack input.
Distortion Check
Using a 400 Hz distortion analyzer, distortion must be no greater than 0.4% at 16 volts into an 8 ohm load (32 watts)
Loudness Control Check
Set attenuator for output of +20 dB (0 dB on lOV scale). Check tracking of Left and Right channels in 10 dB steps to -50 dB, maximum deviation 2 dB.
Tone Control Check
With Loudness at max., adjust attenuator to obtain O dB on 3 volt scale at lkHz. Use attenuator to obtain OUTPur on 3 volt scale for Bass and Treble Boost measurements
Bass lOOHz
- Boost 9 +2 dB
- Cut 10 +2 dB
Treble 10 kHz
- Boost 9 +2 dB
- Cut 9 +2 dB
Tone Control.Bypass Switch Test
Turn Bass and Treble controls for max. boost with loudness control at max. and attenuation adjusted to obtain O dB on 3 volt scale at 1 kHz, at th following frequencies check the effect of the tone control bypass switch:
Return Tone Control Bypass pushbutton to Normal (Tone controls in) position.
Frequency Response Check
Set Tone controls and Balance control flat (11011 position)Attenuator oscillator to obtain O dB on 3 volt scale at 1 kHz when measured at speaker terminals with 8 ohm load. Sweep oscillator frequency and monitor OlrrPlrr. Maximum variation +l dB from 40 Hz to 15 kHz. 3 dB down points should be less than 17 Hz low end and 25-40 kHz high end. Return to 1 kHz.
Crosstalk Check
Feed input into Right channel. Record Left channel with Stereo Selectro Switch in Mono position, 1 kHz signal. Switch Stereo Selector Switch to Stereo. Measure
45 dB loss minimum. With Noise Filter IN measure -16 to -25 dB loss minimum. Return oscillator to left input.
Stereo Selector Switch Check
For Left Channel Input
- Left Output Signal (-0.6 dB)
- No Signal
- Signal (-2 dB)
- Signa1 (0 dB)
- No Signal
- Signal (-1. 5 dB)
- No Signal
Stereo Switch Position
- Bal. Left
- Bal. Right
- Monaural
- Stereo
- Rev Stereo
- Left Input
- Right Input
For Ri6ht Channel Input
- Right Output
- No Signal
- Signal (-0.6 dB) Signal (-2 dB)
- Signal (0 dB)
- No Signal
- No Signa 1
- Signal (-1.5 dB)
Balance Control Check
With oscillator in Left channel input, monitor Left channel output. Turn balance pot to Balance Left. Note no loss of signal. Turn Balance pot to Balance Right. Note complete loss of signal. Repeat for opposite effect when feeding and monitoring Right channel.
Speaker Switch Check
- Feed signal to Left input. Monitoring Left channel Main speaker output, set input for output of O dB on 3V scale. Switch monitor to Left channel remote output. Note no signal. Push remote speaker switch ON. Note output of pprox. -2 dB on 3V scale. Push Main speaker switch OFF. Note return of output to O dB. Push Remote speaker switch OFF. Note loss of output. Monitor Main speaker output. Note no output. Push Main speaker switch ON. Note output of O dB on 3V scale.
- Remote Speaker Mono-Stereo Switch Check Connect 8 ohm load to Left Remote speaker output, push Remote Speaker switch ON, Main speaker switch off. Feed signal to left input, set input for an output of 0 dB on 3V scale. Switch Remote Speaker switch (rear chassis) from Stereo to Mono. Note 12 dB+ 2dB drop in output level. Switch back to Stereo and note return to dB. Return load to Main speaker output and switch OFF Remote speaker pushbutton. Switch ON Main speaker pushbutton.
Regulation Check
With signal output of 1 kHz, 0 dB on 3V scale, remove 8 ohm load. Note 0.5 dB max. rise in output.
Phone Jack (Front Panel) Check: Input L channel, selector-stereo.
With signal output of 1 kHz O dB on 3V scale at speaker terminals, remove VTVM from 8 ohm load and connect output from phone jack to VTVM. Tip of phone jack is Right channel. Phone jack output should be -5 dB with respect to speaker terminal output.
Tape Monitor Switch Check
Before removing or inserting inputs, turn Loudness control to minimum. With signal output of 1 kHz, 0 dB on 3V scale at speaker terminals Extra 2 input, switch Tape Monitor switch to IN position. Note complete loss of signal. Remove signal input from Extra 2 jack and plug into Tape In jack. Nqte signal restored as before. Switch tape monitor to OUT position; again note signal loss. Remove signal fro Tape In jack and insert in Tape Out jack. Note signal restored.
Preamp Gain Check
Return signal input to EXTRA input and adjust level for output at 1 kHz of O db on 3 volt scale with loudness control at maximum. Turn loudness c.ontrol to min. Turn input selector to Phone. Attenuate -45 dB and plug input into Phone input. Turn loudness control to max. Output should be 1 +l dB on 3 volt scale. Switch preamp sensitivity from Max position to other positi;ns and observe the following gain change with respect to Max. position:
- Position Med. Min.
- Output -5 +l dB -10 +l dB
Return preamp sensitivity switch to max. position. Turn loudness control to min. Turn input selector to MIC. Remove input from phone input and place in MIC input
(front panel). Turn loudness control to max. Note output of -1 +l dB on 3 volt scale. Repeat sensitivity check for MIC position. Note same gain changes as in phono position.
Phone and Microphone Frequency Response Check
Frequency
- 1 kHz
- 10 kHz
- 100 Hz
Phone
- OdB
- -14 +2 dB
- +13 +2 dB
MIC
- 0 dB
- – 2 +2 dB
- – 1 +2 dB
Reeeat Steps 2 through 18 for Right Channel






















