

PumP InStAll AtIon And SerVICe mAnuAl 118 System
Sump Pump Hide-Away Basin Package
V-A1-118 Hydromatic Hide Away System
V-A1/118 Hide-Away System Includes:
- V-A1, 115V Automatic Submersible Sump Pump
- Polyethylene water box with cover, schedule 40 PVC nipple and swing check valve
NOTE! TO THE INSTAllEr: Please make sure
you provide this manual to the owner of the pumping equipment or to the responsible party who maintains the system.
General Information
Thank you for purchasing your Hydromatic ® product. To help ensure years of trouble-free op er a tion, please read the fol low ing manual carefully.
Before Operation: Read the following in struc tions care ful ly. Reasonable care and safe meth ods should be practiced. Check local codes and requirements before installation.
Attention: This manual contains important information for the safe use of this product. Read this manual completely before using this product and refer to it often for
con tin ued safe product use. DO NOT THROW AWAY OR LOSE THIS MAN U AL. Keep it in a safe place so that you may refer to it often.
Warning: Before handling these pumps and controls, always disconnect the power first. Do not smoke or use sparkable electrical devices or flames in a septic (gaseous) or possible septic sump.
California Proposition 65
Warning
This product and related accessories contain chemicals known to the State of California to cause cancer, birth defects or other reproductive harm.
Pump Warning
Warranty void if product is modified, drilled, painted, or altered in any way; if used to pump hot water, or to pump liquids other than water (such as but not limited to chemicals, fertilizers, flammable liquids, herbicides, mud, tar, cement, wood chips); or otherwise abused.
The model 118 Hide-Away Basin System is specially designed for pumping wastewater from laundry trays, washing machines, wet bars, water softeners, dehumidifiers, etc.
This pump system installs above floor level, no need to dig a sump! This pump system cannot be used for laundry/dishwasher applications in a commercial or industrial
environment.
Installation Instructions
Diagram 1 shows the various connections that must be made for proper installation and operation. This is only a guide; actual installation may vary depending on the particular situation
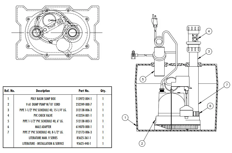
Inlet: A 1-1/2″ inlet is provided on the 118 Hide-Away Basin System.One method of hookup is to use a 1-1/2″ PVC MIP adapter ora 1-1/2″ PVC MIP marvelconnection (or a similar type ofconnection). You may use a1-1/2″ extension tailpiece or1-1/2″ PVC pipe; it depends on the type of fittings used on the basin inlet. The P-Trap should be installed once the appropriate connections are made on the basin inlet. Once these fittings are installed the rest of the piping may be plumbed.
Vent: Provision has been made for a2″ vent to allow maximumvolume for any application andproper operation of pump.
The vent may be reduced to no less than 1-1/4″. Venting is essential for proper pump operation and should not beomitted. The 118 Hide-Away Basin System may be vented into anexisting vent stack or use a BOCA in-line vent. Check local codes.
Discharge: Do not restrict discharge line below 1-1/4″. A check valve MUST be installed to prevent backflow of water after each cycle. If you are using 1-1/2″ or 1-1/4″ PVC pipe on the discharge line, a Hydromatic CV-170 check valve is recommended. Once check valve has been installed, plumb the discharge line into an existing drain line.
Basin: Hydromatic’s 118 Hide-Away Basin System includes a corrosion-resistant polypropylene tank with a gasket cover.
System Maintenance
Caution: Always disconnect pump from the electrical power source before doing any maintenance. Your sink pump system is manufactured for easy maintenance. Each unit is individually factory-tested to ensure proper adjustment and operation. If unit fails to operate properly, carefullyread instructions again to make sure correct procedure has been followed.
Electrical Information
WARNING! Risk of electrical shock. This pump is supplied with a grounding conductor and grounding type attachment plug. To reduce risk of electrical shock, connect only to a properly grounded grounding-type receptacle. This pump has not been investigated for use in swimming pool areas. DO NOT WORK ON PUMP UNTIL POWER IS UNPLUGGED.
DO NOT cut off ground pin or use an adapter fitting. DO NOT use an extension cord. The pump power cord should be connected to a separately fused, grounded 115 volt
line with a minimum capacity of 15 amps. NEVER touch the pump when it is connected to electrical power. The receptacle should be located at least 4 feet above floor level.
When wiring this pump follow all local electrical and safety codes and ordinances as well as the most recent National Electrical Code. N.E.C., ANSI/NFPA 70 – 2001. 118
Parts List

Limited Warranty
HYDROMATIC warrants to the original consumer purchaser (“Purchaser” or “You”) of HYDROMATIC Sump Pumps, Effluent Pumps, Sewage Pumps (other than 2-1/2”), and Package Systems, that they will be free from defects in material and workmanship for the Warranty Period of 36 months from date of manufacture. Our warranty will not apply to any product that, in our sole judgement, has been subject to negligence, misapplication, improper installation, or improper maintenance. Without limiting the foregoing, operating a three phase motor with single phase power through a phase converter will void the warranty. Note also that three phase motors must be protected by three-leg, ambient compensated, extra-quick trip overload relays of the recommended size or the warranty is void. Your only remedy, and HYDROMATIC’s only duty, is that HYDROMATIC repair or replace defective products (at HYDROMATIC’s choice). You must pay all labor and shipping charges associated with this warranty and must request warranty service through the installing dealer as soon as a problem is discovered. No request for service will be accepted if received after the Warranty Period has expired. This warranty is not transferable. EXCEPTIONS: Hydromatic Special Application Pumps, Battery Back-Up Sump Pumps, Filtered Effluent Pumps, Grinder Pumps, and 2-1/2” Sewage Pumps are warranted for a period of 12 months from date of purchase or 18 months from date of manufacture, whichever comes first.
HYDROMATIC SHALL NOT BE LIABLE FOR ANY CONSEQUENTIAL, INCIDENTAL, OR CONTINGENT DAMAGES WHATSOEVER.
THE FOREGOING LIMITED WARRANTIES ARE EXCLUSIVE AND IN LIEU OF ALL OTHER EXPRESS AND IMPLIED WARRANTIES, INCLUDING BUT NOT LIMITED TO IMPLIED WARRANTIES OF MERCHANTABILITY AND FITNESS FOR A PARTICULAR PURPOSE. THE FOREGOING LIMITED WARRANTIES SHALL NOT EXTEND BEYOND THE DURATION PROVIDED HEREIN.
Some states do not allow the exclusion or limitation of incidental or consequential damages or limitations on the duration of an implied warranty, so the above limitations or exclusions may not apply to You. This warranty gives You specific legal rights and You may also have other rights which vary from state to state. This Limited Warranty is effective June 1, 2011 and replaces all undated warranties and warranties dated before June 1, 2011.
HYDROMATIC
293 Wright Street, Delavan, WI 53115
Phone: 888-957-8677 • Fax: 800-426-9446 • Web Site: hydromatic.com
293 WriGhT STreeT, Delavan, Wi 53115 WWW.hyDrOmaTic.cOm Ph: 888-957-8677 269
Trillium Drive, KiTchener, OnTariO, canaDa n2G 4W5
Ph: 519-896-2163
© 2013 Pentair, ltd. all rights reserved.



















