aNSONIC GAMMA NX 1 Programmable UHF Tranceiver 457-462 MHz Narrow

OverView

This NX1 version is based on our known European versions of NX1. It operates as GFSK narrowband transceiver in either simple Modem operation or in packet mode. All functions and technical data remain as in the standard NX1, except the selectable frequency ranges: those are in the 460MHz band to meet North American regulations. That means that the modules fall into the FCC Part90.217 mobile land regulation licensed band. Operation in US-FCC and Canada-IC is permitted due to according certification. Import to US/Canada is allowed if customers product refers to ‘contains FCC ID: 2A28Q-NX1 / IC ID: 27776-NX1 part’. For all further and detailed module operations please use the standard NX1-MP data sheets.
Warnings/Recommendations
- RF Exposure recommendations: The antenna(s) used for this transmitter must be installed to provide a separation distance of at least 20 cm from all persons and must not transmit simultaneously or operated in conjunction with any other antenna or transmitter within a device. End-users, installers and OEM integrators must be provided with antenna installation instructions and transmitter operating conditions for satisfying RF exposure compliance
- 15.21 Changes or modifications not expressly approved by the party responsible for compliance could void the user’s authority to operate the equipment. Les changements ou modifications qui ne sont pas expressément approuvés par la partie responsable de la conformité peuvent annuler l’autorité de l’utilisateur à utiliser l’équipement.
- 15.19(a)(1) This device complies with Part 15 of the FCC Rules. Operation is subject to the condition that this device does not cause harmful interference. Cet appareil est conforme aux règles ICES-003. Son utilisation est soumise à la condition que cet appareil ne provoque pas d’interférences nuisibles.
Modul Characteristics
Absolute Maximum Ratings
| Parameter | Min | Typ | Max | Unit | Condition |
| Supply Voltage | 2.5 | 15 | V | ||
| Input/ RF Level | 10 | dBm |
General Parameters – US/Canada version
| Applicable Standard/ compliance | FCC part 90.217 / ISED RSS-119 |
| Transceiver type | PLL based fully integrated digital narrow band transceiver |
| Frequency Band | 457.7 – 462.5 MHz; narrow band with typical OBW <=10kHz |
| Number of channels | 16 selectable, see table below |
| Preprogrammed frequencies | See table below |
| Channel Step | typ. <= 25 kHz |
| Frequency resolution | 16 Hz |
| Modulation | 2-GFSK |
| Data rate (transparent mode / Modem operation) | Max 4000 bps, typ. 2kHz |
| Oscillation method | Crystal (TCXO) based PLL oscillator, temperature compensated |
| Frequency stability: Aging first year | Max. 1ppm (~ 0,4kHz) |
| Frequency stability: Temperature drift (-30 to + 80 C) | Max. 2ppm (~ 0,9 kHz) |
| Startup time | < 10ms |
| RX/TX turnaround time | RX->TX:<1ms TX->RX:<4ms |
| Data logic | Positive |
| Operating temp. range | -30 to +80 C |
| Supply Voltage | 3.0-15V |
| Dimensions | 36x26x8mm |
| RECEIVER SPECS | |
| Sensitivity | -117 dBm (2 kbps) |
| Blocking & Selectivity | 60 dB (25 kHz adjacent channel) |
| Phase noise | -115 dBc/Hz at 10 kHz offset |
| Data logic | Positive |
| Receiver polarity | Data out: Low frequency=Lo, High frequency=Hi |
| RSSI variation range | -117 to -60 dBm |
| Current consumption | 27mA (9mA in special sniff mode) |
| TRANSMITTER SPECS | |
| Power Output | 15dBm |
| Adjacent channel power | -61 dBc (2-GFSK at 2.4 kbps) |
| SPECIAL | |
| General purpose I/O (GPIO): | on demand, up to 14 |
Device Startup Time

RSSI_Output (NX 1)

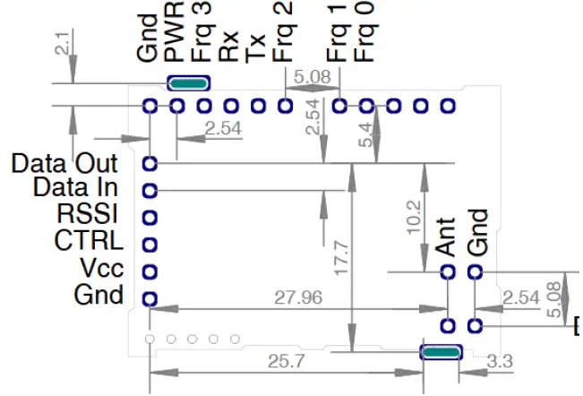
Module bottom

Programming via FRQ0-3 Pins

Further Specifications
| Parameter | Min | Typ | Max | Unit |
| Vin | 2.5 | 12 | V | |
| Logic Input High Voltage | 2 | 12 | V | |
| Logic Input Low Voltage | 0.2/0.3* | V | ||
| Logic Output High Voltage | 2/3* | V | ||
| Logic Output Low Voltage | 0.3 | V | ||
| *Low Power/ High Power | ||||


















