SKU6542380400737 Pro 2 Kit
FLAVPUR BLASTER
User Manual
CONGRATULATIONS
CONGRATULATIONS ON YOUR PURCHASE OF THIS FLAVOUR BLASTER! FOR THE BEST POSSIBLE FLAVOUR BLASTER EXPERIENCE PLEASE CAREFULLY READ, AND FOLLOW THIS USER MANUAL.
For the latest information and to be part of a great and growing community please visit:
Facebook: https://www.facebook.com/FlavourBlaster/
Instagram: https://www.instagram.com/theflavourblaster/
Order Site: https://flavourblaster.com/
If you have any questions or suggestions please email us at [email protected] or call + 44 (0) 208 1243014.
WARNING
PLEASE READ THIS SECTION CAREFULLY TO ENSURE YOU RECEIVE MAXIMUM BENEFITS FROM YOUR FLAVOUR BLASTER AND ENJOY THE PRODUCT IN THE SAFEST EFFECTIVE WAY.
- This Flavour Blaster is designed to be used with Flavour Blaster Aroma’s and Bubble X only. It is not designed to be used with any e-liquid or loose tobacco leaf or herbal substances!
- This product is only intended for use by adults (18+) and should not be used by children, women who are pregnant or breastfeeding, or persons with or at risk of heart disease, high blood pressure, diabetes or taking medicine for depression or asthma, or who otherwise may be sensitive to Aromas. I.e. toxic by inhalation, in contact with the skin or eyes, or if swallowed. Ingestion of the non-vaporized concentrated Aroma ingredients can be poisonous. Keep away from children and pets.
- The Flavour Blaster has not been evaluated by the FDA and is not intended to be a smoking device or treat, mitigate, prevent or cure any disease or condition.
- The Tank & Coils must be stored out of the reach of children and pets. All spare and used Tanks and Coils must also be disposed of properly and out of the reach of children and pets.
- The Flavour Blaster includes small parts such as the Tank Coil. Always keep any small parts out of reach of children and pets to prevent swallowing or other harm.
- Do not misuse, mishandle or store your Flavour Blaster improperly. Even though it is made of durable plastic and metal it may become damaged when dropped or otherwise mishandled.
- Do not attempt to repair the unit by yourself as damage or personal injury may occur.
- In order to guarantee the normal functioning of your Flavour Blaster, we strongly advise that you charge the battery when the power level drops below 10%.
- In order to prolong the operation of your Flavour Blaster, please do not place or store in excessively hot or cold Keep away from sources of excessive heat as damages may occur.
- Obey local laws or regulations regarding Electronic Cigarettes when producing Aroma If you are in an area where there are any bans or potential dangers, please do not use your Flavour Blaster.
- Your Flavour Blaster is not waterproof, please keep it dry at all times, especially the USB Port. Place the USB Mag Cover in the USB Port when not charging the Flavour Blaster to protect the USB Port from liquid damage.
- Do not allow any Aroma, Bubble X, or liquid to enter the device through the USB port. If any liquids enter the device or come into contact with internal components, please discontinue using or charging the device and contact JetChill
- Do not drop, throw, or mishandle your Flavour Blaster as the Casing or inner components may become damaged.
- JetChill is not responsible for battery and charger explosions, or malfunctions, due to the use of a low-quality charger. Only use the original Flavour Blaster Mirco USB Cable to charge your Flavour Blaster. We strongly recommend that you always use a high-quality USB wall charger (CE & UL Certified). The Flavour Blaster is not designed for use with a car charger and the Kit does not include a car charger.
- JetChill is not responsible for any tank or battery damage due to the use of e-liquid or dry herb.
- Do not ingest Aroma direct from the Bottle. In case of Aroma contact with skin, wash immediately and thoroughly with soap and water. In case of contact with eyes, rinse immediately and thoroughly with water and seek full medical advice In case of an accident, or if you feel unwell, seek full medical advice.
- Do not ingest Bubble X direct from the bottle. If swallowed, rinse your mouth immediately with plenty of water and drink a glass of water. Do not induce vomiting. Rinse off the skin and eyes immediately should the liquid come into contact with them.
CHARGING THE BATTERY
To charge your Flavour Blaster Battery connect the correctly powered Micro Mag USB Cable to the Micro USB Input Port. The Screen will show the Battery charge %. A full Battery charge will take 8 hours, giving the Flavour Blaster 8 hours of usage time.
PLEASE READ AND ADHERE TO THE FOLLOWING WARNINGS WHEN CHARGING YOUR DEVICE:
- Only charge the Flavour Blaster with a high-quality CE & UL Certified wall charger.
- Never charge a battery that has been damaged or dropped.
- Never plug a charger into a non-approved Mains Power Transformer.
- Do not overcharge, remove the Micro Mag USB Cable from the Flavour Blaster when complete to prolong battery life.
- Remove Tank before charging.
- Never leave a charging battery unattended.
- Only use the included high-quality Mirco Mag USB Charging Cable.
- Do not charge your Flavour Blaster in your car.
- Remove the Tank from the Flavour Blaster when shipping or travelling.
- If there are any issues with the device please contact JetChill immediately.

FILL TANK
![]() | ![]() | ![]() |
| 1. OPEN TANK Empty the Tank when cold then carefully unscrew the Top & Cover | 2. PRIME COIL WITH AROMA Pour a small amount directly onto Coil Cotton to prevent leaking | 3. FILL TANK Pour Aroma into Outer Chamber Never into centre Airflow Hole! |
![]() | ![]() | ![]() |
| 4. MAX FILL 2mI Don’t under/overfill Replace Top | 5. REST FOR 3 MINUTES So Aroma absorbs into Coil If Aroma leaks retighten Coil | 6. CONNECT TANK Ensure the outer Tank is dry for good connection & rust prevention |
LIQUIDS
![]() | ![]() | ![]() |
| 1. NOT FULLY WATERPROOF Handle with care around liquids. | 2. ONLY DIP NOZZLE END Don’t dip the whole Nozzle into Bubble X. | 3. DON’T TIP BACKWARDS To prevent Bubble X from leaking into Blaster. |
![]() | ![]() | ![]() |
| 4. NO BUBBLE X IN TANK To prevent Tank damage and leaking. | 5. CLEAN/DRY NOZZLE After each session. | 6. STORE UPRIGHT To prevent liquid from getting into fan holes. |
COIL CHANGE
![]() | ![]() | ![]() |
| 1. UNSCREW COIL Take the empty cold Tank apart & unscrew Coil | 2. REPLACE COIL Screw-in tight new Coil & ensure black 0 Rings are in place | 3. PRIME COIL WITH AROMA Pour a small amount directly onto Coil Cotton to prevent leaking |
![]() | ![]() | ![]() |
| 4. FILL TANK Add 2m1 Aroma & keep Tank full to prevent Coil burning | 5. REST FOR 3 MINUTES So Aroma absorbs into Coil If Aroma leaks retighten Coila | 6. REPLACE THE COIL AGAIN Every 2-3 weeks Or once Aroma Cloud smells burnt |
SCREEN
![]() | ![]() | ![]() |
| 1. USB MAG COVER Keep USB Mag Cover in USB Port to prevent USB Port damage | 2. CHARGING LED strobes are red when charging | 3. CHARGED LED turns blue once fully charged Keep Battery above 10% |
![]() | ![]() | ![]() |
| 4. CONNECT COIL Press Trigger 3 times to Turn On Select ‘Yes’ to connect Coil | 5. FIRING LED turns green when Trigger pressed to make Aroma Cloud | 6. STANDBY MODE Press Trigger 3 times to Lock Press Trigger 3 times to Unlock |
QUICK START
![]() | ![]() | ![]() |
| 1. CHARGE BLASTER Insert Micro Mag USB Cable | 2. PRIME COIL & FILL TANK Pour Aroma into Tank | 3. INSERT TANK Insert Tank & add Nozzle |
![]() | ![]() | ![]() |
| 4. TURN ON Press Trigger 3 times Press ‘Select’ to accept Tank | 5. DIP NOZZLE TIP Into Bubble X Jigger | 6. HOLD THE TRIGGER Creates Aroma Filled Bubbles |
BUBBLES
Create bubbles filled with aromatics, fill cloches with aromatic clouds, make your own aromatic clouds for cocktails & drinks, add theatrical clouds for desserts, and much more.

![]() | ![]() | ![]() |
| 1. Your bubble mixture should be shaken gently prior to use or every 24 hours | 2. Bubbles can be presented upon both wet and dry rims. If you opt to wet the rim of your glass. You can do this by rinsing the glass or by using a fine mist spray bottle like an atomiser. Sometimes bubbles are just fragile so it’s always best to prepare the glass for the best chance of achieving the perfect bubble. | 3. Very fizzy drinks can occasionally pop your bubble as the tiny carbonated bubbles hit the rim of the glass, breaking the surface tension. Always leave a 2cm to 3cm gap in those cases. If the cocktails are very strong or neat Spirits, the bubble is harder to form as the alcohol will evaporate the water in the film of the bubble. Please be aware! |
![]() | ![]() | ![]() |
| 4. Sharp glass edges, shaped glassware or a hard plastic rim will be very difficult to form a bubble upon. We recommend using glassware with soft rolled edges. | 5. Glassware must be clean and washed correctly. Any residue of glasswasher detergent may compromise the forming of the bubble. | 6. Always try and keep the bubble mixture at 18c room temperature. if it gets too hot it can make the liquid harder to form bubbles! |
BUBBLE QUANTITIES
- a bottle of bubble mixture with makeup to 1000 bubbles.
- A 10m1 Aromatic Cocktail bottle will produce approximately 250 Aroma Clouds.
Very alcohol heavy drinks will affect the durability of the bubble, same for hot drinks.
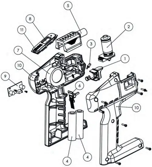
PARTS LIST

- Trigger
- Tank & Magnetic Base
- LED
- Lithium Ion Battery (x2)
- Nozzle
- Tigger PCB
- Fan 8. Screen
- Fan PCB
- Right & Left Casing
- Micro USB Port
FLAVOUR BLASTER KIT INCLUDES:
lx Flavour Blaster
lx Micro Mag USB Cable
lx Tank
5x Coil
5x Aroma
lx Bubble X
SAFETY
ALWAYS STORE THE FLAVOUR BLASTER IN AN UPRIGHT POSITION: THIS WILL PREVENT ANY LIQUIDS FROM ENTERING INSIDE THE CASING.
POWERING THE FLAVOUR BLASTER ON & OFF:
Press the Trigger three times in quick succession to turn on the Flavour Blaster. Press the Trigger three times in quick succession to turn off the Flavour Blaster. Always power off the Flavour Blaster when it is not being used and remove the Tank.
8 SECOND CUT OFF:
If Trigger is pressed for 8 seconds Flavour Blaster will stop firing until Trigger is released and pressed again.
TANK:
Do not pour alcohol into the tank, this can cause a fire.
Tank /Coil will get hot during use so ensure Tank is allowed to cool down before removing Tank from Blaster.
SHIPPING & TRAVELLING:
Remove Tank when shipping or traveling to prevent Tank activating if Flavour Blaster inadvertently turns on. Follow rules regarding shipping or travelling with a device with 2 permanently installed Lithium Ion Batteries. The Batteries are not removable or loose in the device.
SHORT CIRCUIT PROTECTION:
Short Circuit Protection prevents the Flavour Blaster from short-circuiting and will stop the unit from functioning in unsafe conditions. The Flavour Blaster features automatic real-time Tank Ohms detection.
OVERCHARGE PROTECTION:
Flavour Blaster monitors the battery voltage and will automatically power off when the battery is overcharged.
TECHNICAL SPECIFICATIONS
| Battery (Lithium Ion): | 2,950 mAh, 2x 3.6 V (INR18650-30Q) |
| Output Power: | 35 W |
| Output Voltage: | 0.2-9.0 V |
| Output Current (continuous): | 0.5-30.0 A |
| Atomizer Resistance (cold): | 0.02-8.0 Ohm |
| Temperature Limit: | 200-600 of |
| Input Voltage (unloaded): | 3.0-4.2 V |
| Input Current: | 12.0-30.0 A |
| Screen On Current: | 50 mA |
| Quiescent Current: | 30 mA |
| Power Down Current: | 1 uA |
| Efficiency: | 85% |
WARRANTY INFORMATION
JetChill provides a 12-month warranty on parts and labour for the Flavour Blaster.
Please consult www.jetchill.com for full terms and conditions.
For warranty assessment, the Flavour Blaster needs to be returned to the factory.
Empty Tank before shipping and ensure Tank is not connected to the Mag Base:
i) JetChill Ltd, Print Centre, Fulwell Road, Roker, Sunderland, SR6 OHR, UK, [email protected], 0044 208 1243014
ii) On the Commercial Invoice shipping label write package value as ‘£10’ and the reason for shipment as ‘Warranty Return’
iii) Email [email protected] tracking number and order number
FLAVPUR BLASTER
JetChill Ltd
Print Centre Fulwell Road
Roker
Sunderland
UK
SR6 OHR
www.flavourblaster.com
www.jetchill.com
[email protected]
(uk): 00 44 (0) 208 1243014
![]()
![]()
![]()




















































