Geary Pacific B06XKJQ6QW Aouh Air Conditioner Outdoor Unit

Installation must be performed in accordance with the requirement of NEC and CEC by authorized personnel only.
SAFETY PRECAUTIONS
IMPORTANT! Read before starting
This air conditioning system meets strict safety and operating standards.
As the installer or service person, it is an important part of your job to install or service the system so it operates safely and effi ciently.
For safe installation and trouble-free operation, you must:
- Carefully read this instruction booklet before beginning.
- Follow each installation or repair step exactly as shown.
- Observe all local, state, and national electrical codes.
- Pay close attention to all warning and caution notices given in this manual.
WARNING: This symbol refers to a hazard or unsafe practice which can result in severe personal injury or death.
CAUTION: This symbol refers to a hazard or unsafe practice which can result in personal injury and the potential for product or property damage. - Hazard alerting symbols
If Necessary, Get Help
These instructions are all you need for most installation sites and maintenance conditions. If you require help for a special problem, contact our sales/service outlet or your certifi ed dealer for additional instructions.
In Case of Improper Installation
The manufacturer shall in no way be responsible for improper installation or maintenance service, including failure to follow the instructions in this document.
Special precautions
When Wiring
ELECTRICAL SHOCK CAN CAUSE SEVERE PERSONAL INJURY OR DEATH. ONLY A QUALIFIED, EXPERIENCED ELECTRICIAN SHOULD ATTEMPT TO WIRE THIS SYS-TEM.
- Do not supply power to the unit until all wiring and tubing are completed or reconnected and checked.
- Highly dangerous electrical voltages are used in this system. Carefully refer to the wir-ing diagram and these instructions when wiring. Improper connections and inadequate earthing (grounding) can cause accidental injury or death.
- Ground (earth) the unit following local electrical codes.
- Connect all wiring tightly. Loose wiring may cause overheating at connection points and a possible fire hazard.
When Transporting
Be careful when picking up and moving the indoor and outdoor units. Get a partner to help, and bend your knees when lifting to reduce strain on your back. Sharp edges or thin aluminum fi ns on the air conditioner can cut your fingers.
When Installing…
Be careful when picking up and moving the indoor and outdoor units. Get a partner to help, and bend your knees when lifting to reduce strain on your back. Sharp edges or thin aluminum fi ns on the air conditioner can cut your fi ngers.
When Installing…
…In a Ceiling or Wall
Make sure the ceiling/wall is strong enough to hold the unit’s weight. It may be necessary to construct a strong wood or metal frame to provide added support.
…In a Room
Properly insulate any tubing run inside a room to prevent “sweating” that can cause drip-ping and water damage to walls and fl oors.
…In Moist or Uneven Locations
Use a raised concrete pad or concrete blocks to provide a solid, level foundation for the outdoor unit. This prevents water damage and abnormal vibration.
…In an Area with High Winds
Securely anchor the outdoor unit down with bolts and a metal frame.
Provide a suitable air baffle.
…In a Snowy Area (for Heat Pump-type Systems)
Install the outdoor unit on a raised platform that is higher than drifting snow.
When Connecting Refrigerant Tubing
- Keep all tubing runs as short as possible.
- Use the fl are method for connecting tubing.
- Apply refrigerant lubricant to the matching surfaces of the fl are and union tubes before connecting them, then tighten the nut with a torque wrench for a leak-free connection.
- Check carefully for leaks before opening the refrigerant valves.
NOTE:
Depending on the system type, liquid and gas lines may be either narrow or wide. Therefore, to avoid confusion the refrigerant tubing for your particular model is specifi ed as either “small” or “large” rather than as “liquid” or “gas”.
When Servicing
- Turn the power OFF at the main circuit breaker panel before opening the unit to check or repair electrical parts and wiring.
- Keep your fingers and clothing away from any moving parts.
- Clean up the site after you finish, remembering to check that no metal scraps or bits of wiring have been left inside the unit being serviced.
- After installation, explain correct operation to the customer, using the operation manual.
WARNING
To avoid getting an electric shock, never touch the electrical components soon after the power supply has been turned off. After turning off the power, always wait 10 minutes or more before you touch the electrical components.
- Installation of this product must be done by experienced service technicians or professional installers only in accordance with this manual. Installation by nonprofessional or improper installation of the product might cause serious accidents such as injury, water leakage, electric shock, or fi re. If the product is installed in disregard of the instructions in this manual, it will void the manufacturer’s warranty.
- Do not turn on the power until all work has been completed. Turning on the power before the work is completed can cause serious accidents such as an electric shock or a fire.
- If refrigerant leaks when you are working, ventilate the area. If the leaking refrigerant is exposed to a direct flame, it may produce toxic gas.
- Installation must be performed in accordance with regulations, codes, or standards for electrical wiring and equipment in each country, region, or installation place.
- Do not use this equipment with air or any other unspecified refrigerant in the refrigerant lines. Excess pressure can cause a rupture.
- During installation, make sure that the refrigerant pipe is attached firmly before you run the compressor. Do not operate the compressor under the condition of refrigerant piping not attached properly with a 2-way or 3-way valve open. This may cause abnormal pressure in the refrigeration cycle that leads to rupture and even injury.
- When installing or relocating the air conditioner, do not mix gases other than the specifi ed refrigerant (R410A) to enter the refrigerant cycle.
If air or other gas enters the refrigerant cycle, the pressure inside the cycle will rise to an abnormally high value and cause rupture, injury, etc. - For appropriate working of the air conditioner, install it as written in this manual.
- To connect indoor unit and outdoor unit, or indoor unit and branch box, use air conditioner piping and cables available through your local distributor. This manual describes proper connections using such installation set.
- Do not modify power cable, use extension cable or branch wiring. Improper use may cause electric shock or fi re by poor connection, insufficient insulation or overcurrent.
- Do not purge the air with refrigerants but use a vacuum pump to vacuum the installation.
- There is no extra refrigerant in the outdoor unit for air purging.
- Do not use means to accelerate the defrosting process or to clean, other than those recommended by the manufacturer.
- The appliance shall be stored in a room without continuously operating ignition sources (for example: open fl ames, an operating gas appliance or an operating electric heater.
- Do not pierce or burn.
- Be aware that refrigerants may not contain an outdoor.
- Using the same vacuum pump for different refrigerants may damage the vacuum pump or the unit.
- Use a clean gauge manifold, vacuum pump and charging hose for R410A exclusively.
- Do not modify this unit, such as opening a hole in the cabinet.
- During the pump-down operation, make sure that the compressor is turned off before you remove the refrigerant piping.
- Do not remove the connection pipe while the compressor is in operation with 2 way or 3 way valve open. This may cause abnormal pressure in the refrigeration cycle that leads to rupture and even injury.
- Cancer and Reproductive Harm – www.P65Warnings.ca.gov.
CAUTION
- This unit must be installed by qualifi ed personnel with a capacity certifi cation of handling refrigerant fl uids. Refer to regulation and laws in use on installation place.
- Install the unit by following local codes and regulations in force at the place of installation, and the instructions provided by the manufacturer.
- This unit is part of a set constituting an air conditioner. The unit must not be installed alone or be installed with non-authorized device by the manufacturer.
- When installing pipes shorter than 3 m, sound of the outdoor unit will be transferred to the indoor unit, which will cause large operating sound or some abnormal sound.
- To protect the persons, earth( ground) the unit correctly, and use the power cable combined with an Earth Leakage Circuit Breaker (ELCB).
- The units are not explosion proof, and therefore should not be installed in explosive atmosphere.
- This unit contains no user-serviceable parts. Always consult experienced service technicians for repairing.
- When moving or relocating the air conditioner, consult experienced service technicians for disconnection and reinstallation of the unit.
- Children should be monitored to ensure they do not play with the device.
- This appliance is not intended for use by persons (including children) with reduced physical, sensory or mental capabilities, or lack of experience and knowledge, unless they have been given supervision or instruction concerning use of the appliance by a person responsible for their safety. Children should be supervised to ensure that they do not play with the appliance.
- Do not touch the aluminum fi ns of heat exchanger built-in the indoor or outdoor unit to avoid personal injury when you install or maintain the unit.
- Do not place any other electrical products or household belongings under indoor unit or outdoor unit. Condensation dripping from the unit might get them wet, and may cause damage or malfunction of your property.
PRODUCT SPECIFICATION
- All Fujitsu General products are manufactured to metric units and tolerances.
United States customary units are provided for reference only. In cases where exact dimensions and tolerances are required, always refer to metric units.
Installation tools
WARNING
To install a unit that uses R410A refrigerant, use dedicated tools and piping materials that have been manufactured specifically for R410A use. Because the pressure of R410A refrigerant is approximately 1.6 times higher than R22, failure to use dedicated piping material or improper installation can cause rupture or injury. Furthermore, it can cause serious accidents such as water leakage, electric shock, or fire.
| Tool name | Change from R22 to R410A |
|
Gauge manifold | Pressure is high and cannot be measured with a conven- tional (R22) gauge. To prevent erroneous mixing of other refrigerants, the diameter of each port has been changed. It is recommended to use gauge with seals -0.1 to 5.3 MPa (-1 to 53 bar) for high pressure. -0.1 to 3.8 MPa (-1 to 38 bar) for low pressure. |
| Charge hose | To increase pressure resistance, the hose material and base size were changed.(R410A) |
| Vacuum pump | A conventional vacuum pump can be used by installing a vacuum pump adapter. (Use of a vacuum pump with a series motor is prohibited.) |
| Gas leakage detector | Special gas leakage detector for HFC refrigerant R410A. |
Copper pipes
It is necessary to use seamless copper pipes and it is desirable that the amount of residual oil is less than 0.0014 oz/33 ft (40 mg/10 m). Do not use copper pipes having a collapsed, deformed or discolored portion (especially on the interior surface). Otherwise, the expansion value or capillary tube may become blocked with contaminants.
As an air conditioner using R410A incurs pressure higher than when using R22, it is necessary to choose adequate materials.
Thicknesses of copper pipes used with R410A are as shown in table.
Never use copper pipes thinner than those indicated in the table even if they are available on the market.
Thicknesses of Annealed Copper Pipes
| Nominal diameter (in) | Outer diameter (mm) | Thickness [in(mm)] |
| 1/4 | 6.35 | 0.031 (0.80) |
| 3/8 | 9.52 | |
| 1/2 | 12.70 | |
| 5/8 | 15.88 | 0.039 (1.00) |
| 3/4 | 19.05 | 0.047 (1.20) |
Accessories
WARNING
For installation purposes, be sure to use the parts supplied by the manufacturer or other prescribed parts. The use of non-prescribed parts can cause serious accidents such as the unit falling, water leakage, electric shock, or fire.
- The following installation parts are supplied. Use them as required.
- Keep the Installation Manual in a safe place and do not discard any other accessories until the installation work has been completed.
| Name and Shape | Q’ty | Name and Shape | Q’ty |
Installation manual (This manual)![]() | 1 | Drain pipe*1![]() | 1 |
Drain cap*1![]() | 5 | Cable tie
| 2 |
- It is not included in the cold region model.
The LP series does not come with a drain cap.
One set of following parts are necessary installation of this product.
| Additional materials | |||
| Connection pipe assembly | Decorative tape | Saddle | Tapping screws |
| Connection cable | Vinyl tape | Drain hose | Sealant |
| Wall pipe | Wall cap | M10 bold, nut | |
Pipe requirement
Protection of pipes
- Protect the pipes to prevent the entry of moisture and dust.
- Especially, pay attention when passing the pipes through a hole or connecting the end of a pipe to the outdoor unit.
| Location | Working period | Protection method |
| Outdoor | 1 month or more | Pinch pipes |
| Less than 1 month | Pinch or tape pipes | |
| Indoor | – | Pinch or tape pipes |
Refrigerant pipe size and allowable piping length
CAUTION
- Keep the piping length between the indoor unit and outdoor unit within the allowable tolerance.
- The maximum lengths of this product are shown in the table. If the units are further apart than this, correct operation cannot be guaranteed.
| Series | LM (includes cold region model) | LZ (includes cold region model) | LP | ||
| Model | 9, 12 | 15 | 9, 12 | 18, 24 | |
| Pipe diameter <Liquid / Gas> [in (mm)] | 1/4 (6.35) / 3/8 (9.52) | 1/4 (6.35) / 1/2 (12.70) | 1/4 (6.35) / 3/8 (9.52) | 1/4 (6.35) / 1/2 (12.70) | |
| Max. piping length (L) [ft (m)] | 66 (20) | ||||
| Max. height difference (H) <Indoor unit to outdoor unit> [ft (m)] |
49 (15) | ||||
|
View (Example) | ![]() |
| |||
Power source
WARNING
- Always use a special branch circuit and install a special receptacle to supply power to the room air conditioner.
- Use a circuit breaker and receptacle matched to the capacity of the air conditioner.
- Install a leakage circuit breaker in accordance with the related laws and regulations and electric company standards.
- The circuit breaker is installed in the permanent wiring. Always use a circuit that can trip all the poles of the wiring and has an isolation distance of at least 3 mm between the contacts of each pole.
CAUTION
- The power source capacity must be the sum of the air conditioner current and the current of other electrical appliances. When the current contracted capacity is insufficient, change the contracted capacity.
- When the voltage is low and the air conditioner is difficult to start, contact the power company the voltage raised.
Electric requirement
CAUTION
- Be sure to install a breaker of the specified capacity.
- Regulation of cables and breakers differs from each locality, refer in accordance with local rules.
| Voltage rating | 1 ø 208/230 V (60 Hz) |
| Operating range | 187-253 V |
Cable specification
| Cable | Type | Remarks |
| Power supply cable | 14AWG | 2 cable + Ground (Earth), 1 ø 208/230 V |
For the specifications of the connection cable, refer to the installation manual of the indoor unit.
Select the correct cable type and size according to the country or region’s regulations.
Max. wire length: Set a length so that the voltage drop is less than 2%. Increase the wire diameter when the wire length is long.
Breaker specification
| CAUTION | |||
| Series | Outdoor unit capacity | MINIMUM CIRCUIT AMPACITY | MAX. CKT. BKR. |
| LM | 9 | 9.7 A | 15 A |
| 12 | 11.5 A | 15 A | |
| LM (Cold region) | 9, 12 | 12.5 A | 15 A |
| LZ | 9, 12 | 13.4 A | 15 A |
| 15 | 16.5 A | 20 A | |
| LZ (Cold region) | 9, 12 | 14.4 A | 15 A |
| 15 | 17.5 A | 20 A | |
| LP | 9, 12 | 9.7 A | 15 A |
| 18 | 14.7 A | 15 A | |
| 24 | 17.2 A | 20 A | |
- Before starting work check that power is not being supplied to all poles of the indoor unit and outdoor unit.
- Install all electrical works in accordance to the national standard.
- Install the disconnect device with a contact gap of at least 3 mm in all poles nearby the units. (Both indoor unit and outdoor unit)
- Install the circuit breaker nearby the units.
Additional charge
CAUTION
When adding refrigerant, add the refrigerant from the charging port at the completion of work.
Refrigerant suitable for a piping length of 49ft (15m) is charged in the outdoor unit at the factory.
When the piping is longer than 49ft (15m), additional charging is necessary.
For the additional amount, refer to the following table.
| Pipe length | 49 ft (15 m) | 66 ft (20 m) | Rate |
| Additional refrigerant | None | +3.5 oz (+100 g) | 0.2 oz/ft (20 g/m) |
Operating range
| Outdoor temperature | ||
| Cooling/Dry Mode | About 14 to 115 °F | |
|
Heating Mode | LM series (9, 12) | About 5 to 75 °F |
| LM (Cold region) series (9, 12) | About -15 to 75 °F | |
| LZ series (9, 12, 15) | About -5 to 75 °F | |
| LZ (Cold region) series (9, 12, 15) | About -15 to 75 °F | |
| LP series (9, 12, 18, 24) | About 5 to 75 °F | |
INSTALLATION WORK
Make sure to obtain the customer’s approval for selecting and installing the outdoor unit.
Selecting an installation location
WARNING
- Securely install the outdoor unit at a location that can withstand the weight of the unit. Otherwise, the outdoor unit may fall and cause injury.
- Be sure to install the outdoor unit as prescribed, so that it can withstand earthquakes and typhoons or other strong winds. Improper installation can cause the unit to topple or fall, or other accidents.
- Do not install the outdoor unit near the edge of a balcony. Otherwise, children may climb onto the outdoor unit and fall off of the balcony.
CAUTION
- Do not install the outdoor unit in the following areas:
- Area with high salt content, such as at the seaside. It will deteriorate metal parts, causing the parts to fail or the unit to leak water.
- Area fi lled with mineral oil or containing a large amount of splashed oil or steam, such as a kitchen. It will deteriorate plastic parts, causing the parts to fail or the unit
to leak water. - Area that generates substances that adversely affect the equipment, such as sulfuric gas, chlorine gas, acid, or alkali. It will cause the copper pipes and brazed joints to corrode, which can cause refrigerant leakage.
- Area containing equipment that generates electromagnetic interference. It will cause the control system to malfunction, preventing the unit from operating normally.
- Area that can cause combustible gas to leak, contains suspended carbon fibers or flammable dust, or volatile inflammables such as paint thinner or gasoline. If gas
leaks and settles around the unit, it can cause a fire. - Area that has heat sources, vapors, or the risk of the leakage of flammable gas in the vicinity.
- Area where small animals may live. It may cause failure, smoke or fire if small animals enter and touch internal electrical parts.
- Area, where animals may urinate on the unit or ammonia, may be generated.
- Do not tilt the outdoor unit more than 5 degrees. However, do not install the unit with it tilted towards the side containing the compressor.
- Install the outdoor unit in a well-ventilated location away from rain or direct sunlight.
- If the outdoor unit must be installed in an area within easy reach of the general public, install as necessary a protective fence or the like to prevent their access.
- Install the outdoor unit in a location that would not inconvenience your neighbors, as they could be affected by the airflow coming out from the outlet, noise, or vibration. If it must be installed in proximity to your neighbors, be sure to obtain their approval.
- If the outdoor unit is installed in a cold region that is affected by snow accumulation, snowfall, or freezing, take appropriate measures to protect it from those elements.
To ensure a stable operation, install inlet and outlet ducts. - Install the outdoor unit in a location that is away from exhaust or the vent ports that discharge vapor, soot, dust, or debris.
- Install the indoor unit, outdoor unit, power supply cable, connection cable, and remote controller cable at least 40 in (1 m) away from a television or radio receivers.
The purpose of this is to prevent TV reception interference or radio noise. (Even if they are installed more than 40 in (1 m) apart, you could still receive noise under some signal conditions.) - If children under 10 years old may approach the unit, take preventive measures so that they cannot reach the unit.
- Keep the length of the piping of the indoor and outdoor units within the allowable range.
- For maintenance purposes, do not bury the piping.
Decide the mounting position with the customer as follows:
- Install the outdoor unit in a location that can withstand the weight of the unit and vibration, and which can install horizontally.
- Provide the indicated space to ensure good airflow.
- If possible, do not install the unit where it will be exposed to direct sunlight.
(If necessary, install a blind that does not interfere with the airflow.) - Do not install the unit near a source of heat, steam, or flammable gas.
- During heating operation, drain water flows from the outdoor unit.
Therefore, install the outdoor unit in a place where the drain water flow will not be obstructed. - Do not install the unit where strong wind blows or where it is very dusty.
- Do not install the unit where people pass.
- Install the outdoor unit in a place where it will be free from being dirty or getting wet by rain as much as possible.
- Install the unit where connection to the indoor unit is easy.
Installation dimensions
CAUTION
Keep the space shown in the installation examples.
If the installation is not performed accordingly, it could cause a short circuit and result in a lack of operating performance.
Outdoor unit installation
When the upper space is open [ Unit: in (mm) ]

When an obstruction in the upper space [ Unit: in (mm) ]

Multiple outdoor unit installation
- Provide at least 10 in (250 mm) of space between the outdoor units if multiple units are installed.
- When routing the piping from the side of an outdoor unit, provide space for the piping.
- No more than 3 units must be installed side by side.
When 3 units or more are arranged in a line, provide the space as shown in the following example when an obstruction in the upper space.
When the upper space is open [ Unit: in (mm) ]

When an obstruction in the upper space [ Unit: in (mm) ]

Outdoor units installation multi-row [ Unit: in (mm) ]
- Single parallel unit arrangement

- Multiple parallel unit arrangement

CAUTION
Do not install the outdoor unit in two-stage where the drain water could freeze.
Otherwise the drainage from the upper unit may form ice and cause a malfunction of the lower unit.
NOTES:
- If the space is larger than stated above, the condition will be the same as when there is no obstacle.
- When installing the outdoor unit, be sure to open the front and left side to obtain better operation efficiency.
Mounting the unit
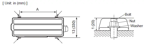
- Install 4 anchor bolts at the locations indicated with arrows in the figure.
- To reduce vibration, do not install the unit directly on the ground. Install it on a secure base (such as concrete blocks).
- Depending on the installation conditions, the outdoor unit may spread its vibration during operation, which may cause noise and vibration. Therefore, attach damping materials (such as damping pads) to the outdoor unit during installation.
- Install the foundation, making sure that there is enough space for installing the connection pipes.
- Secure the unit to a solid block using foundation bolts. (Use 4 sets of commercially available M10 bolts, nuts, and washers.)
- The bolts should protrude 1 in (20 mm). (Refer to the figure.)
- If overturning prevention is required, purchase the necessary commercially available items.
- The foundation shall support the legs of the unit and have a width of 2 in (50 mm) or more.

CAUTION
- Do not install the outdoor unit in two-stage where the drain water could freeze.
Otherwise the drainage from the upper unit may form ice and cause a malfunction of the lower unit. - In the area with heavy snowfall, if the intake and outlet of outdoor unit is blocked with snow, it might become difficult to get warm and it is likely to cause of the breakdown.
Construct a canopy or baffle board (locally configured). - If the unit is installed in a region that is exposed to high winds, freezing conditions, freezing rain, snowfall or heavy snow accumulation, take appropriate measures to protect it from those elements.

To ensure stable operation, the outdoor unit must be installed on a raised stand or rack, at or above the anticipated snow depth for the region.
The installation of snow hoods and drift prevention fencing is recommended when blowing and drifting snow is common to the region.

| Model | A |
| LM series (including cold region), LZ series (includ- ing cold region), LP (12, 18, 24 model) series | 22-13/16 (580) |
| LP series (09 model) | 17-11/16 (450) |
Drain installation
Excluding the cold region model.
CAUTION
When the outdoor temperature is 32°F (0°C) or less, do not use the accessory drain pipe and drain cap. If the drain pipe and drain cap are used, the drain water in the pipe may freeze in extreme cold weather. (Reverse cycle model only)

Since the drain water fl ows out of the outdoor unit during heating operation, install the drain pipe and connect it to a commercial 5/8 in (16 mm) hose.
When installing the drain pipe, plug all the holes other than the drain pipe mounting hole in the bottom of the outdoor unit with putty so there is no water leakage.
[ Unit: in (mm) ]
- LM series, LZ series

- LP series (09 model)

- LP series (12, 18, 24 model)

Removing and replacing parts
Switch cover removal
- Remove the tapping screws.
- Slide the switch cover downwards to release.
Installing the switch cover
- After inserting the hooks (2 places) on the switch cover into the hole on the outdoor unit, slide the switch cover upwards.
- Replace the tapping screws.

Pipe installation
CAUTION
- Do not use mineral oil on a flared part. Prevent mineral oil from getting into the system as this would reduce the lifetime of the units.
- While welding the pipes, be sure to blow dry nitrogen gas through them.
Flaring
- Cut the connection pipe to the necessary length with a pipe cutter.
- Hold the pipe downward so that cuttings will not enter the pipe and remove the burrs.
- Insert the fl are nut onto the pipe and fl are the pipe with a flaring tool.
Insert the fl are nut (always use the fl are nut attached to the indoor and outdoor units respectively) onto the pipe and perform the fl are processing with a flare tool.
Use the special R410A flare tool, or the conventional (for R22) flare tool.
When using the conventional flare tool, always use an allowance adjustment gauge and secure the A dimension shown in the following table.

| Pipe outside diameter [in (mm)] | Dimension A [in (mm)] |
| Flare tool for R410A, clutch type | |
| 1/4 (6.35) |
0 to 0.020 (0 to 0.5) |
| 3/8 (9.52) | |
| 1/2 (12.70) | |
| 5/8 (15.88) | |
| 3/4 (19.05) |
Bending pipes
- When bending the pipe, be careful not to crush it.
- To prevent breaking of the pipe, avoid sharp bends.
Bend the pipe with a radius of curvature of 2-3/8 in (70 mm) or more. - If the copper pipe is bent the pipe or pulled too often, it will become stiff. Do not bend the pipes more than three times at one place.
Flare connection
- Detach the caps and plugs from the pipes.
CAUTION- Be sure to apply the pipe against the port on the indoor unit and the outdoor unit correctly. If the centering is improper, the fl are nut cannot be tightened smoothly. If the flare nut is forced to turn, the threads will be damaged.
- Do not remove the fl are nut from the indoor unit pipe until immediately before connecting the connection pipe.
- Centering the pipe against port on the outdoor unit, turn the flare nut with your hand.

- Tighten the flare nut of the connection pipe at the outdoor unit valve connector.

- When the flare nut is tightened properly by your hand, use a torque wrench to finally tighten it.

CAUTION
Hold the torque wrench at its grip, keeping it in the right angle with the pipe, in order to tighten the flare nut correctly.
| Flare nut [in (mm)] | Tightening torque [lbf·ft. (N·m)] |
| 1/4 (6.35) dia. | 11.8 to 13.3 (16 to 18) |
| 3/8 (9.52) dia. | 23.6 to 31.0 (32 to 42) |
| 1/2 (12.70) dia. | 36.1 to 45.0 (49 to 61) |
| 5/8 (15.88) dia. | 46.5 to 55.3 (63 to 75) |
| 3/4 (19.05) dia. | 66.4 to 81.1 (90 to 110) |
CAUTION
- Fasten a flare nut with a torque wrench as instructed in this manual. If fastened too tight, the flare nut may be broken after a long period of time and cause a leakage of refrigerant.
- During installation, make sure that the refrigerant pipe is attached firmly before you run the compressor. Do not operate the compressor under the condition of refrigerant piping not attached properly with 3-way valves open. This may cause abnormal pressure in the refrigeration cycle that leads to breakage and even injury.
Sealing test
WARNING
- Before operating the compressor, install the pipes and securely connect them.
Otherwise, if the pipes are not installed and if the valves are open when the compressor operates, air could enter the refrigeration cycle. If this happens, the pressure in the refrigeration cycle will become abnormally high and cause damage or injury. - After the installation, make sure there is no refrigerant leakage. If the refrigerant leaks into the room and becomes exposed to a source of fire such as a fan heater, stove, or burner, it produces a toxic gas.
- Do not subject the pipes to strong shocks during the sealing test. It can rupture the pipes and cause serious injury.
CAUTION
- Do not block the walls and the ceiling until the sealing test and the charging of the refrigerant gas have been completed.
- For maintenance purposes, do not bury the piping of the outdoor unit.
- After connecting the pipes, perform a sealing test.
- Make sure that the 3-way valves are closed before performing a sealing test.
- Pressurize nitrogen gas to 4.15 MPa to perform the sealing test.
- Add nitrogen gas to both the liquid pipes and the gas pipes.
- Check all flare connections and welds. Then, check that the pressure has not decreased.
- Compare the pressures after pressurizing and letting it stand for 24 hours, and check that the pressure has not decreased.
When the outdoor air temperature changes 41 °F (5 °C), the test pressure changes 0.05 MPa. If the pressure has dropped, the pipe joints may be leaking. - If a leak is found, immediately repair it and perform the sealing test again.
- After completing the sealing test, release the nitrogen gas from both valves.
- Release the nitrogen gas slowly.
Vacuum process
CAUTION
- Perform a refrigerant leakage test (air tightness test) to check for leaks using nitrogen gas while all valves in the outdoor unit are closed. (Use the test pressure indicated on the nameplate.)
- Be sure to evacuate the refrigerant system using a vacuum pump.
- The refrigerant pressure may sometimes not rise when a closed valve is opened after the system is evacuated using a vacuum pump. This is caused by the closure of the refrigerant system of the outdoor unit by the electronic expansion valve. This will not affect the operation of the unit.
- If the system is not evacuated sufficiently, its performance will drop.
- Use a clean gauge manifold and charging hose that were designed specifically for use with R410A. Using the same vacuum equipment for different refrigerants may damage the vacuum pump or the unit.
- Do not purge the air with refrigerants, but use a vacuum pump to evacuate the system.
Refrigerant for purging the air is not charged in the outdoor unit at the factory.
- Remove the cap, and connect the gauge manifold and the vacuum pump to the charging valve by the service hoses.
- Vacuum the indoor unit and the connecting pipes until the pressure gauge indicates –0.1 MPa (–76 cmHg).
- When –0.1 MPa (–76 cmHg) is reached, operate the vacuum pump for at least 60 minutes.
- Disconnect the service hoses and fit the cap to the charging valve to the specified torque.
- Remove the blank caps, and fully open the spindles of the 3-way valves with a hexagon wrench [Torque: 4 to 5 lbs·ft (6~7 N·m)].
- Tighten the blank caps of the 3-way valves to the specified torque.
| Tightening torque [lbs·ft (N·m)] | ||
|
Blank cap [in (mm)] | 1/4 (6.35) | 14.8 to 18.4 (20 to 25) |
| 3/8 (9.52) | 14.8 to 18.4 (20 to 25) | |
| 1/2 (12.70) | 18.4 to 22.1 (25 to 30) | |
| 5/8 (15.88) | 22.1 to 25.8 (30 to 35) | |
| 3/4 (19.05) | 25.8 to 29.5 (35 to 40) | |
| Charging port cap | 7 to 9 (10 to 12) | |

Additional charging
WARNING
When moving and installing the air conditioner, do not mix gas other than the specified refrigerant R410A inside the refrigerant cycle.
If air or other gas enters the refrigerant cycle, the pressure inside the cycle will rise to an abnormally high value and cause breakage, injury, etc.
CAUTION
- After vacuuming the system, add refrigerant.
- Do not reuse recovered refrigerant.
- When charging the refrigerant R410A, always use an electronic scales for refrigerant charging (to measure the refrigerant by weight). Adding more refrigerant than the specified amount will cause a malfunction.
- When charging the refrigerant, take into account the slight change in the composition of the gas and liquid phases, and always charge from the liquid phase side whose composition is stable. Adding refrigerant through the gas pipe will cause a malfunction.
- Check if the steel cylinder has a siphon installed or not before filling. (There is an indication “with siphon for filling liquid” on the steel cylinder.)
Filling method for cylinder with siphon

Set the cylinder vertical and fill with the liquid.
(Liquid can be filled without turning bottom up with the siphon inside.)
Filling method for other cylinders

Turn bottom up and fill with liquid.
(Be careful to avoid turning over the cylinder.)
- Be sure to use the special tools for R410A for pressure resistance and to avoid mixing of impure substances.
- If the units are further apart than the maximum pipe length, correct operation can not be guaranteed.
- Make sure to back closing valve after refrigerant charging. Otherwise, the compressor may fail.
- Minimize refrigerant release to the air. Excessive release is prohibited under the
Freon Collection and Destruction Law.
Gas leakage inspection
CAUTION
After connecting the piping, check the all joints for gas leakage with gas leak detector.
Electrical wiring
Conduit installation
- Remove the tapping screw, then remove the conduit cover.
- Fasten the Inter-unit wire harness and power supply to the conduit holder using the lock nut.
- Connect inter-unit wire harness and power supply to the terminal.
- Use the tapping screw to install the conduit cover.
NOTES:
- Connector trade size for this unit is 1/2 inch. The connector can be bought at a hard ware store. Refer to “3.10.2. Notes for electrical wiring ■ How to connect wiring to the terminal”.
- The fuse located in the outdoor unit provides power supply protection and may blow when power is applied if the system has been incorrectly wired.

Notes for electrical wiring
WARNING
- Wiring connections must be performed by a qualified person in accordance with the specifications. The voltage rating for this product is 208/230 V at 60 Hz. It should be operated within the range of 187 to 253 V.
- Before connecting the wires, make sure the power supply is off.
- Never touch electrical components immediately after the power supply has been turned off. Electrical shock may occur. After turning off the power, always wait 10 minutes or more before touching electrical components.
- Use a dedicated power supply circuit. Insufficient power capacity in the electrical circuit or improper wiring may cause electric shock or fi re.
- Be sure to install an earth leakage breaker.
Otherwise, it will cause electric shock or fire. - A circuit breaker is installed in the permanent wiring. Always use a circuit that can trip all the poles of the wiring and has an isolation distance of at least 1/8 in (3 mm) between the contacts of each pole.
- Use designated cables and power cables. Improper use may cause electric shock or fire by poor connection, insufficient insulation, or overcurrent.
- Do not modify power cable, use extension cable or branch wiring. Improper use may cause electric shock or fi re by poor connection, insufficient insulation or over current.
- Connect the connector cable securely to the terminal. Check no mechanical force bears on the cables connected to the terminals. Faulty installation can cause a fire.
- Use ring terminals and tighten the terminal screws to the specified torques, otherwise, abnormal overheating may be produced and possibly cause serious damage inside the unit.
- Make sure to secure the insulation portion of the connector cable with the cable clamp. Damaged insulation can cause a short circuit.
- Fix cables so that cables do not make contact with the pipes (especially on high pressure side). Do not make power supply cable and transmission cable come in contact with valves (Gas).
- Never install a power factor improvement condenser. Instead of improving the power factor, the condenser may overheat.
- Be sure to perform the grounding work.
Do not connect grounding wires to a gas pipe, water pipe, lightning rod or grounding wire for a telephone.- Connection to a gas pipe may cause a fi re or explosion if gas leaks.
- Connection to a water pipe is not an effective grounding method if PVC pipe is used.
- Connection to the grounding wire of a telephone or to a lightning rod may cause a dangerously abnormal rise in the electrical potential if lightning strikes.
- Improper grounding work can cause electric shocks.
- Securely install the electrical box cover on the unit. An improperly installed service panel can cause serious accidents such as electric shock or fi re through exposure to dust or water.
- Do not connect the AC power supply to the transmission line terminal board.
Improper wiring can damage the entire system.
CAUTION
- The primary power supply capacity is for the air conditioner itself, and does not include the concurrent use of other devices.
- If the electrical power is inadequate, contact your electric power company.
- Install a breaker in a location that is not exposed to high temperatures.
If the temperature surrounding the breaker is too high, the amperage at which the breaker cuts out may decrease. - When using an earth leakage breaker that has been designed solely for ground fault protection, be sure to install a fuse-equipped switch or circuit breaker.
- This system uses an inverter, which means that it must be used an earth leakage breaker that can handle harmonics in order to prevent malfunctioning of the earth leakage breaker itself.
- Do not use crossover power supply wiring for the outdoor unit.
- If the temperature surrounding the breaker is too high, the amperage at which the breaker cuts out may decrease.
- When the electrical switchboard is installed outdoors, place it under lock and key so that it is not easily accessible.
- Start wiring work after closing branch switch and over current breaker.
- Connection cable between indoor unit and outdoor unit is 208/230 V.
- Be sure not to remove thermistor sensor etc. from power wiring and connection wiring. Compressor may fail if operated while removed.
- Always keep to the maximum length of the connection cable. Exceeding the maximum length may lead to erroneous operation.
- Do not start operation until the refrigerant is charged completely. The compressor will fail if it is operated before the refrigerant piping charging is complete.
- The static electricity that is charged to the human body can damage the control PC Board when handling the control PC Board for address setting, etc.
Keep caution to the following points.
Provide the grounding of Indoor unit, Outdoor unit and Option equipment.
Cut off the power supply (breaker).
Touch the metal section (such as the unpainted control box section) of the indoor or outdoor unit for more than 10 seconds. Discharge the static electricity in your body.
Never touch the component terminal or pattern on the PC Board.
- Be careful not to generate a spark as follows for using a flammable refrigerant.
- Do not remove the fuse while power is on.
- Do not disconnect plug from the wall outlet and the wiring while the power is on.
- It is recommended to position the outlet connection in a high position. Place the cords so that they do not get tangled.
- Confirm the indoor unit model name before connecting.
How to connect wiring to the terminal
Caution when wiring cable
- When stripping off the coating of a lead wire, always use a special tool such as a wire stripper. If there is no special tool available, carefully strip the coating with a knife etc.
- Use ring terminals with insulating sleeves as shown in the figure below to connect to the terminal block.
- Securely clamp the ring terminals to the wires using an appropriate tool so that the wires do not come loose.

- Use the specified wires, connect them securely, and fasten them so that there is no stress placed on the terminals.
- Use an appropriate screwdriver to tighten the terminal screws. Do not use a screwdriver that is too small, otherwise, the screw heads may be damaged and prevent the screws from being properly tightened.
- Do not tighten the terminal screws too much, otherwise, the screws may break.

- Refer to the following table for the terminal screw tightening torques.
Tightening torque [lbs·in (N·m)] M3.5 screw 7.0 to 8.8 (0.8 to 1.0) M4 screw 10.6 to 15.9 (1.2 to 1.8) M5 screw 17.7 to 26.5 (2.0 to 3.0) - Fix the conduit with the supporters as shown below.

Wiring method
Connection diagrams
CAUTION
When connecting the power supply cable, make sure that the phase of the power supply matches with the phase of the terminal board. If the phases do not match, the compressor will rotate in reverse and will not be able to compress.

NOTE: Factory installed protective inline fuses for indoor units’ conductors are installed on the Power Supply PCB.
Cable preparation
Keep the ground (earth) wire longer than the other wires.
NOTE: When using a sealed cable

Wiring procedure
- Remove the outdoor unit switch cover.(Refer to “3.5.1. Switch cover removal”.)
- Remove the outdoor unit conduit cover. (Refer to “3.10.1. Conduit installation”.)
- Connect the power supply cable and the connection cable to terminal.
- Fasten the power supply cable and connection cable with cable tie (accessories).
- Install the conduit cover.(Refer to “3.10.1. Conduit installation”.)

TEST RUN
Make a test run in accordance with the installation manual for the indoor unit.
FINISHING
Installing insulation
- Install insulation material after conducting “3.7. Sealing test”.
- To prevent condensation and water droplets, install insulation material on the refrigerant pipe.
- Use insulation with heat resistance above 248 °F (120 °C).
- Refer to the table to determine the thickness of the insulation material.
Selection of insulation
(Use an insulation material with equal heat transmission rate or below 0.040 W/(m·k))
| Insulation material minimum thickness [in (mm)] | |||||
| Relative humidity | ≤ 70% | ≤ 75% | ≤ 80% | ≤ 85% | |
|
Pipe diameter [in (mm)] | 1/4 (6.35) | 5/16 (8) | 3/8 (10) | 1/2 (13) | 11/16 (17) |
| 3/8 (9.52) | 3/8 (9) | 7/16 (11) | 9/16 (14) | 11/16 (18) | |
| 1/2 (12.70) | 3/8 (10) | 1/2 (12) | 9/16 (15) | 3/4 (19) | |
| 5/8 (15.88) | 3/8 (10) | 1/2 (12) | 5/8 (16) | 13/16 (20) | |
| 3/4 (19.05) | 3/8 (10) | 1/2 (13) | 5/8 (16) | 13/16 (21) | |
When the ambient temperature and relative humidity exceed 89.6 °F (32 °C) (DB) and 85% respectively, strengthen the heat insulation of refrigerant pipe.
PUMP DOWN
Pump down operation (forced cooling operation)
To avoid discharging refrigerant into the atmosphere at the time of relocation or disposal, recover refrigerant by doing the forced cooling operation according to the following procedure.
- Conduct preliminary operation for 5 to 10 minutes using the forced cooling operation.
Start the forced cooling operation. Keep on pressing the [MANUAL AUTO] of the indoor unit for more than 10 seconds. The operation indicator lamp and timer indicator lamp will begin to flash simultaneously during test run. (The forced cooling operation cannot start if the [MANUAL AUTO] is not kept on pressing for more than 10 seconds.) - Close the valve stem of 2-way valve completely.
- Continue the forced cooling operation for 2 to 3 minutes, then close all the valve stems on the 3-way valves
- Stop the operation.
- Press the [START/STOP] of the remote controller to stop the operation.
- Press the [MANUAL AUTO] when stopping the operation from the indoor unit side.
(It is not necessary to press down for more than 10 seconds.)
CAUTION
Check the refrigerant circuit for any leaks before starting the pump-down operation.
Do not proceed with the pump-down operation if there is no refrigerant left in the circuit due to bent or broken piping.
During the pump-down operation, be sure to turn off the compressor before removing the refrigerant piping.

































