
Quantum Select
Light Management Hub (QP3)
Centralized Control Equipment
Quantum Light Management Hub (QP3) for Quantum Select

The Quantum Light Management Hub (QP3) connects Lutron QS devices, Lutron power panels, and DMX-512 devices to your Quantum lighting control system.
Features
- Designed to control, manage, and monitor Lutron Energi Savr Node units, Lutron power panels, GRAFIK Eye QS units, Sivoia QS shade/drapery systems and
DMX-512 devices. - The small size of 9.25 in x 3.16 in x 13.25 in (235 mm x 80.3 mm x 337 mm) allows almost any space to be enhanced with Quantum light management.
- Supports both astronomic and time-of-day events to automatically control the lights and shades/draperies in the system.
- Simple reconfiguration of space without rewiring.
- Individually control, monitor, and adjust any light or shade/drapery in a space.
- Can be connected to other Quantum Light Management Hubs.
- Enables a Quantum system to cost-effectively scale from a single floor to multiple floors, to the whole building, and to the whole campus.
Panel Capabilities
- Each Quantum Light Management Hub (QP3) has 2 links that can be individually configured to communicate with:
– Lutron power panels
– Lutron QS devices
– DMX-512 devices for lighting zones (use QSE-CI-DMX for DMX integration zones)
Allowed combinations of links for any single processor:
| DMX-In | DMX-Out | QS | Panel | DBI | |
| DMX-In | ✓ | ✓ | |||
| DMX-Out | ✓ | ✓ | |||
| QS | ✓ | ✓ | ✓ | ✓ | ✓ |
| Panel | ✓ | ✓ | ✓ | ||
| DBI | ✓ | ✓ | ✓ | ✓ |
Specifications
Regulatory Approvals
- UL®
- cUL®
- CE
- NOM dictum per NOM-019
- Complies with requirements for use in other spaces used for environmental air (plenums) per NECR 2014 300.22(C)(3)
- Meets the Canadian National Building Code plenum requirements for a concealed space used as a plenum within a floor or roof assembly
Power
- Input voltage: 120–240 V~ 1 A normal / emergency feed* 50 / 60 Hz
- Output: Processor: 24 V- 2 A
Physical Design
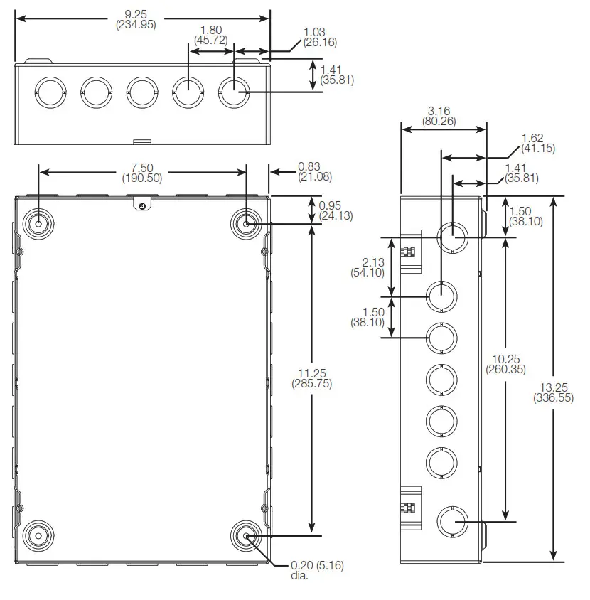
- Enclosure: L: 9.25 in (235 mm)
W: 3.16 in (80.3 mm)
H: 13.25 in (337 mm) - Weight: 11 lb (4.9 kg)
- NEMA Type 1, IP-20 protection
Performance - ± 6 kV surge protection (ANSI / IEEE C62.41-1991)
Mounting - Surface-mount only
Environment - For indoor use only
- 32 ºF to 104 ºF (0 ºC to 40 ºC)
- Relative humidity less than 90% non-condensing
Available Models - QP3-1PL-100-240
Emergency feed is recommended so that the system status can be monitored during an emergency event. If this is not required, normal power can be used.
Dimensions
Shown as in (mm)

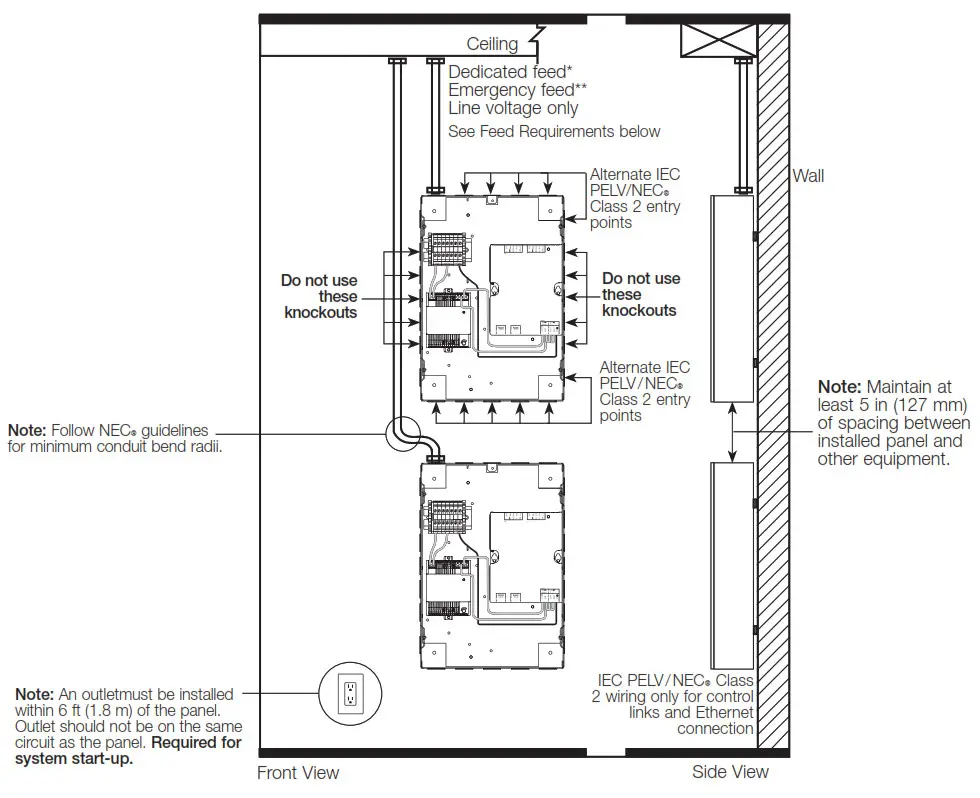
Mounting and Conduit Entry
- Surface mount indoors.
- Panel generates heat, maximum 255 BTUs / h. Mount only where the temperature will be 32 ˚F to 104 ˚F (0 ˚C to 40 ˚C).
- Water damages equipment. Mount in a location where the panel and processors will not get wet.
- Mount in an accessible and serviceable location.
- An outlet must be installed within 6 ft (1.8 m) of the panel for servicing. The outlet should not be on the same circuit as the panel.
- A Light Management Hub (QP3) may be mounted above, below, or beside another Light Management Hub (QP3). Maintain at least 5 in (127 mm) of spacing between the installed panel and other equipment, and follow NECR guidelines for minimum conduit bend radii.

Feed Requirements
* Lutron recommends using a dedicated circuit for lighting control devices.
** Emergency feed is recommended so that the system status can be monitored during an emergency event. If this is not required, normal power can be used.
Panel Overview

Line Voltage Wiring
Notes
- Line voltage must enter panel from top left of the enclosure
- Run wiring so line (mains) Class 1 voltage is separate from IEC PELV / NECR Class 2 wiring
Quantum Inter-Processor Link Wiring

Notes
- The inter-processor wiring is considered IEC PELV / NECR Class 2; do not run in the same conduit as line (mains) voltage wiring.
- Interprocess communication uses a standard Ethernet connection. All wiring must comply with IEEE 802.3 standards and must support Any-Source Multicast communication.
- Processors cannot be daisy-chained. Each must be connected to an Ethernet switch.
- Wiring distance for any single “wire segment”* is 330 ft (100 m) max; use unmanaged Ethernet switches for longer distances.
- Processors cannot be more than 6 “wire segments” from the server.
- A dedicated network or VLAN is recommended for the lighting control system.
- For more information about connecting a Quantum system to a corporate or building-wide network, please refer to the Quantum IT Guide (P/N 040423) at 040423 [PDF]

* A wire segment is a length of cable connecting two devices communicating over Ethernet.
Configurable Link Wiring: Power Panel Link
Notes
- The power panel link must be daisy-chained (no T-taps).
- Maximum of 32 circuit selectors per link or 512 switch legs (controllable outputs) per link.
- It is not necessary to have the Quantum panel at the end of the link (it may be in the middle).
- The sense wire (terminal 5) is used whenever there is a panel being supplied by an emergency / essential feed; see power panel instructions for details.
- Each low-voltage IEC PELV / NECR Class 2 terminal can accept only two 18 AWG (1.0 mm2 ) wires or one 12 AWG to 22 AWG (4.0 mm2 to 0.5 mm2 )
wire. Connect as shown using appropriate wire connectors. - The total length of the control link may be no more than 2000 ft (610 m). Lutron Model: MX-RPTR can be used to extend the link beyond 2000 ft (610 m).
Contact Lutron for more information. - GRX-CBL-46L wiring cable is available from Lutron and contains two 12 AWG (4.0 mm2 ) conductors for control power, one twisted, shielded pair of 22 AWG (0.5 mm2 ) for data link, and one 18 AWG (1.0 mm2 ) conductor for emergency (essential) sense line.
Configurable Link Wiring: QS Link

QS Link Wiring:
• 22 AWG to 12 AWG (0.5 mm( to 4.0 mm²)
| Availble Power Draw Units (PDUs) per link | Maximum Link Length | Wire Gauge | Available from Lutron in one cable |
| 33 | 500 ft (152 m) | Power (terminals 1 and 2) 1 pair 18 AWG (1.0 mm2) Data (terminals 3 and 4) 1 pair 22 AWG (0.5 mm2) twisted and shielded | GRX-CBL-346S GRX-PCBL-346S |
| 33 | 2000 ft (610 m) | Power (terminals 1 and 2) 1 pair 12 AWG (4.0 mm2) Data (terminals 3 and 4) 1 pair 22 AWG (0.5 mm2) twisted and shielded | GRX-CBL-46L GRX-PCBL-46L |
Notes
- System communication uses IEC PELV/NECR Class 2 low-voltage wiring.
- Follow all local and national electrical codes when installing IEC PELV / NECR Class 2 wiring with line voltage/mains wiring.
- Each terminal accepts two 22 AWG – 18 AWG (0,5 mm² – 1.0 mm²) wires or one 22 AWG –12 AWG (0.5 mm² – 4.0 mm²) wire.
- Make all connections inside the control unit’s wall box.
- A Quantum QS link can have up to 512 switch legs (controllable outputs) and 99 Lutron QS devices. Refer to the QS Link Power Draw Units Specification Submittal (Lutron P/N 369405) at www.lutron.com and the table above for information concerning Power Draw Units (PDUs).
- QS link wiring can be T-tapped or daisy-chained.

QS Link Wiring Rules
* Terminal 2 (+24 V) should NEVER be connected between devices that supply PDUs.
** For QS Link power supply wiring connection details, refer to the installation instructions for the specific power supply model being used.

Note: If connecting more than one jack to the processor, only one DMX512 lighting control console can be connected to a link at the same time. If multiple consoles need to be connected at the same time, a merger should be used. See Application Note # 592 (P/N 048592) for more information.
DMX512 Quantum Processor Connection Details

Jack Connection Detail (End of Link)

Jack Connection Detail (Middle of Link)

Alternate XLR Jack Pinouts

DMX XLR Jack Pinout Standard
| 1 | Drain/Shield/Common |
| 2 | DMX (-) Primary Link |
| 3 | DMX (+) Primary Link |
| 4 | DMX (-) Secondary Link |
| 5 | DMX (+) Secondary Link |
DMX Cable Wiring Table
The table below provides information pertaining to Lutron-provided (optional) DMX cable and how it should be terminated. For third-party cable, consult with the manufacturer for their connection recommendations and always shielded cable that complies with the ANSI E1.11-2008, USITT DMX512-A standard.
| Manufacturer | Model | Signal Name | Wire Color | Lutron model NT-DMXJ-IN connection | Lutron Quantum Procesor Connection |
| Lutron | GRX-CBL-DMX-250 or GRX-CBL-DMX-500 | Drain/Shield/Common | Use braided wire that the twisted airs‘-‘ | Pin 1 – Drain/Shield/ Common (white with black stripe) | Pin 1 – Common |
| DMX (-) Primary Link | White or pink | Pin 2 – DMX (-) Primary Link (red) | |||
| Pin 4 – MUX | |||||
| DMX (+) Primary Link | Black | Pin 3 – DMX (+) Primary Link (yellow) | Pin 3 – MUX | ||
| DMX (-) Secondary Link | Green | Pin 4 – DMX (-) Secondary Link (blue) | No connection (cap the wire) | ||
| DMX (+) Secondary Link | Red | Pin 5 – DMX (+) Secondary Link (black) | No connection (cap the wire) |
Notes
- Installation and all devices must comply with the ANSI E1.11-2008, USITT DMX512-A standard.
- Below are a few Important points from the standard:
– All DMX512 devices in a DMX512 universe must be wired in a daisy-chain configuration.
– Total length of the link wiring for one DMX512 universe must not exceed 1000 ft (305 m). DMX repeaters or splitters can be used to extend the link. All repeaters must comply with the standard.
The repeater manufacturer’s guidelines must be followed.
– All cable used must comply with the standard.
Lutron models GRX-CBL-DMX-250 and
GRX-CLB-DMX-500 comply with the standard and are recommended.
– DMX512 link terminators must be installed at both ends of the DMX512 link. Lutron model LT-1A link terminators are included with the panel and are recommended. Note that some DMX512 devices have built-in link terminators.
– A maximum of (31) DMX512 devices can be directly connected to the DMX512 controller. If (32) or more devices are required, DMX512 repeaters or splitters must be used. A repeater or splitter is needed so that no more than (32) devices are directly connected on the same wire segment.
Note that link terminators are required at the beginning and end of every wire segment. - The Quantum processor can be programmed to either control DMX512 devices (DMX512 output) or to receive DMX512 signals from a DMX512 controller
(DMX512 input) such as a theatrical stage board. - All wiring must be low-voltage IEC PELV/NECR Class 2 wiring. Each terminal of the Lutron processor can accept only stranded wire, and either (1 or 2) 22–18 AWG (0.5 mm² – 1.0 mm²) conductors or(1) 16–12 AWG (1.5 mm² – 4.0 mm²).
- The Quantum processor can be at the end or in the middle of the DMX512 link. The link terminators must always be installed at the ends of the link.
- Only one link of the processor can be configured as a DMX512 link. The other link of the processor must be configured as a QS link.
- DMX512 devices must be addressed prior to the commissioning of the system. A schedule of the DMX devices and their addresses must be supplied to the Lutron project manager prior to commissioning. Lutron is not responsible for the addressing of the DMX512 devices.
- Refer to the Lutron DMX512 Application Note #592 (P/N 048592) at www.lutron.com for information on the different DMX512 applications that Lutron can provide.
The Lutron logo, Lutron, Energi Savr Node, GRAFIK Eye, Sivoia, and Quanta are trademarks or registered trademarks of Lutron Electronics Co., Inc. in the US and/or other countries.
All other product names, logos, and brands are the property of their respective owners.
SPECIFICATION SUBMITTAL
Job Name:
Job Number:
Model Numbers:


















