Wood Stone WS-PL-MTL-40-35-4-CT Electric Iron
Safety Instructions
INSTALLATION AND OPERATION MANUAL FOR THE WOOD STONE 4-ZONE METAL COUNTERTOP ELECTRIC PLANCHA MODELS WS-PL-MTL-40-35-4-CT
ADDITIONAL COPIES AVAILABLE UPON REQUEST
RETAIN THIS MANUAL FOR FUTURE REFERENCE
Additional copies of this manual at woodstone-corp.com.
For prompt responses to service/maintenance questions, call us at @ 1-800-988-8103.
READ ALL INSTRUCTIONS BEFORE INSTALLING AND USING THIS APPLIANCE
Please read this entire manual before you install the oven. Failure to follow instructions may result in property damage, bodily injury or even death. Contact your local building or fire officials about restrictions and installation inspection in your area.
CAUTION: TO REDUCE THE RISK OF FIRE, THE APPLIANCE IS TO BE PLACED ON A SURFACE OF NON-COMBUSTIBLE CONSTRUCTION.
THIS NON-COMBUSTIBLE CONSTRUCTION SHALL IN ALL CASES EXTEND NOT LESS THAN 6 INCHES BEYOND THE EQUIPMENT ON ALL SIDES.
It is recommended that this appliance be installed, maintained and serviced by authorized professionals.
FOR YOUR SAFETY: Do not store or use gasoline or other flammable vapors or liquids in the vicinity of this or any other appliance.
WARNING: Improper installation, adjustment, alteration, service or maintenance can result in property damage, injury or death. Read the installation, operation and maintenance instructions thoroughly before installing or servicing this equipment.
DO NOT THROW THIS MANUAL AWAY
SPECIFICATIONS
Note: 4-zone model shown


COUNTERTOP MODELS – THREE ELECTRICAL CONFIGURATIONS OPTIONS
| Voltage | 208 VAC 3 phase | 208 VAC 1 phase | 240 VAC 1 phase |
| Watts | 18.2 kW | 13.3 kW | 18.2 kW |
| Number of individual branch circuits | 1 | 2 | 2 |
| Rating of each individual branch circuit* | 50 A | 40 A | 50 A |
3 phase countertop models provided with one power cord equipped with a NEMA 15-50P plug
1 phase countertop models provided with two power cords each equipped with a NEMA 6-50P plug
* Each individual branch circuit requires 2-wire plus ground
Note: Electrical configuration must be specified at time of order. Verify voltage and phase on the appliance data plate before installing.
VENTING & CLEARANCES
VENTILATION
The plancha must be vented with a Listed Type 1 hood. This appliance must be installed and vented in accordance with NFPA 96 and all relevant national and local codes, subject to the approval of the local authority having jurisdiction.
CLEARANCES
If this grill is not properly installed a fire may result. To reduce the risk of fire, follow these installation instructions. A major cause of appliance related fires is failure to maintain required clearances (air spaces) to combustible materials.
It is of utmost importance that this appliance be installed only in accordance with these instructions.
Allow a minimum of 12 inches of clearance to combustible construction or materials from sides and back.
Allow a minimum of 3 inches of clearance to non-combustible construction to allow cooling air to enter the vents on the sides and back of the unit. Do not block the air vents on the sides, back or beneath the appliance.
WARNING: Do not pack required air spaces with insulation or other material
Electrical supply cords should be routed so that they are not subjected to the heat coming off of the plancha cooking surface. We recommend locating the electrical outlets at a height that is below the level of the Plancha cooking surface to avoid heat damage to the electrical cords.
BASIC OPERATION
BASIC OPERATION
Use the power switch to turn on the Plancha.
There are (4) temperature controls on the front of the control box. Use these to set the desired temperature for each zone.
Zones are marked above the temperature control knobs. The Heater Indicator Light for each zone will be illuminated until the zone reaches the temperature set on the Temperature Control Knob or when the temperature drops below the temperature set on the Temperature Control Knob.
CLEAN THOROUGHLY BEFORE FIRST USE
A vegetable oil cooking spray is applied to the cook surface at the factory to help protect from corrosion during shipping.
The cook surface must be thoroughly cleaned before use. Follow these instructions:
- Set the Temperature Controls to LO. Make sure the Grease/Debris tray is in place.
- Turn the Plancha ON and allow to heat for 5 minutes. Then turn the Plancha OFF and wait for 5 minutes.
- Wipe the cook surface using a wet towel, dampened with a small amount of water and a mild dish detergent. Then rinse with a towel dampened with clean water 3-4 times. Wipe the surface down with a dry towel and the Plancha is ready for service.
CAUTION: THE COOKING SURFACE WILL BE HOT!
USE CAUTION WHEN WIPING SURFACE, PAYING PARTICULAR ATTENTION TO AVOID STEAM FROM DAMP TOWELS.
DAILY USE & MAINTENANCE
- Check and empty the grease/debris tray frequently throughout the day. Keep the drain clear and do not allow the tray to overflow.
- The cooking surface should be scraped periodically throughout the day. To remove loose debris use a dry towel.
CAUTION: COOK SURFACE IS VERY HOT! - End of the day: The Plancha cook surface should be cleaned thoroughly at the end of each day. Wood Stone recommends the 3M 710 Scotch Brite Quick Clean Griddle Cleaning System for cleaning the Plancha cooking surface. This kit includes all of the necessary tools to clean the Plancha surface properly including Scotch Brite
Quick Clean Griddle Liquid. These products are available through your dealer or restaurant supplier.
When using chemicals to clean the grill surface, first shut down the Plancha and allow it to cool for 30 minutes. If the Plancha is too hot, the chemical may tend to boil or burn off immediately and not work as effectively. Do not pour water onto a hot Plancha to cool it as this can warp the cook surface. DO NOT USE EXCESSIVE AMOUNTS OF WATER TO CLEAN THE PLANCHA.
Be careful when using scrapers on the cook surface to avoid scratching or gouging the top. Be aware that the cook surface is made of mild steel—it will not clean to a shiny silver-like surface. Do not use heavy duty degreasers or oven cleaners on the Plancha as these are not generally intended for use on hot surfaces.
Damage caused by using spray hoses or excessive water, and scratching or marring of the cook surface, is not covered by the warranty. - The front, sides and back may be wiped down with a cloth and mild detergent if needed. Do not use abrasive cleaners or scouring pads as these will scratch the stainless steel.
- The Plancha grill is capable of extremely high temperatures, much higher than a conventional electric grill. To ensure the reliability of the electrical components, cooling vents are provided on the appliance—on the sides, back and underneath of the appliance. These vents must not be blocked, and must be kept clean and free of grease and dust.
TROUBLESHOOTING
| PROBLEM | POSSIBLE CAUSE/SOLUTION |
| Unit will not turn on | Verify that all electrical supply cords are plugged in securely. Check that circuit breaker(s) supplying power to the unit are not tripped. |
| Only two zones are working | Verify that all electrical supply cords are plugged in securely. |
SURFACE TEMPERATURE MEASUREMENT PROCEDURE
- From a cold start: Turn on the Plancha, set temperature on all knobs to 500 °F and wait at least 30 minutes before taking temperature measurements.
If Plancha is heated up / in use: Allow 30 minutes of inactivity to stabilize after last cooking run. Make certain grill surface is clean. - Take four temperature measurements using a surface probe. Note measurement once reading has stabilized. Measurement points are shown on the diagram at left—one at the center of each zone.
- Temperature reading at each point should be within the range 495–525 °F
If you have checked the incoming power to the Plancha and it is still not functioning correctly, please unplug the electrical supply cords and contact the Wood Stone Service Department at 1-800-988-8103.
Our service hours are 8 am to 5 pm Pacific time. Follow the recorded instructions for Emergency Service if you require assistance during non-business hours. A Wood Stone technician will promptly respond to your call.
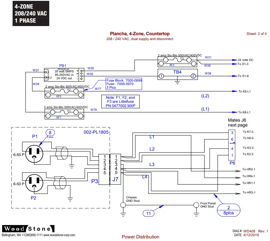
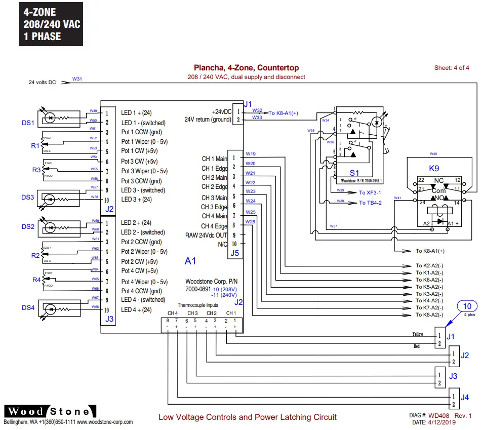
1 PHASE ELECTRICAL DIAGRAMS

NOTE: MUST be connected ONLY to the voltage specified on the equipment data plate.

NOTE: MUST be connected ONLY to the voltage specified on the equipment data plate.

NOTE: MUST be connected ONLY to the voltage specified on the equipment data plate.

NOTE: MUST be connected ONLY to the voltage specified on the equipment data plate.
3 PHASE ELECTRICAL DIAGRAMS

NOTE: MUST be connected ONLY to the voltage specified on the equipment data plate.

NOTE: MUST be connected ONLY to the voltage specified on the equipment data plate.

NOTE: MUST be connected ONLY to the voltage specified on the equipment data plate.
LIMITED WARRANTY
ALL WARRANTY SERVICE MUST BE PRE-APPROVED BY WOOD STONE
Wood Stone warrants its equipment to the original purchaser against defects in material or manufacture for a period of one year from the original date of purchase, subject to the following exclusions and limitations.
Please contact the factory first at 1.800.988.8103 or 1.360.650.1111, seven days a week. Our normal business hours are 8am to 5pm Pacific time Monday–Friday. If calling during non-business hours, follow the recorded instructions for emergency service and a Wood Stone technician will get back to you promptly.
EXCLUSIONS
The warranties provided by Wood Stone do not apply in the following instances:
- In the event that the equipment is improperly installed. Proper installation is the responsibility of the installer; proper installation procedures are prescribed by the Wood Stone Installation and Operation Manual.
- In the event the equipment is improperly or inadequately maintained. Proper maintenance is the responsibility of the user; proper maintenance procedures are prescribed in the Wood Stone Installation and Operation Manual. Burner problems resulting from debris or ash in the burner well will not be covered by the warranty. Call with questions regarding maintenance frequency.
- In the event that the failure or malfunction of the appliance or any part thereof is caused by abnormal or improper use or is otherwise not attributable to defect in material or manufacture.
- In the event that the appliance, by whatever cause, has been materially altered from the condition in which it left the factory.
- In the event that the rating plate has been removed, altered or obliterated.
- On parts that would be normally worn or replaced under normal conditions.
- Normal cracking due to expansion and contraction stress relief in the ceramic firebox.
- In wood-fired equipment configurations, in the event that pressed log products of any type have been burned in the equipment.
- In coal-fired oven configurations, in the event any type of coal other than anthracite coal fuel has been used.
- Damage resulting from the use of chemical cleaning products in the oven, as well as any damage from liquids or chemicals, including water, being poured or sprayed into the oven.
If any oral statements have been made regarding this appliance, such statements do not constitute warranties and are not part of the contract of sale. This Limited Warranty constitutes the complete, final and exclusive statement with regard to warranties.
THIS LIMITED WARRANTY IS EXCLUSIVE AND IN LIEU OF ALL OTHER WARRANTIES WHETHER WRITTEN, ORAL OR IMPLIED, INCLUDING, BUT NOT LIMITED TO, ANY WARRANTY OF MERCHANTABILITY OR FITNESS FOR PARTICULAR PURPOSE OR WARRANTY AGAINST LATENT DEFECTS.
LIMITATIONS OF LIABILITY
In the event of warranty claim or otherwise, the sole obligation of Wood Stone shall be the repair and/or replacement, at the option of Wood Stone, of the appliance or component or part thereof. Such repair or replacement shall be at the expense of Wood Stone with the exception of travel over 100 miles or two hours, overtime, and holiday charges which shall be at the expense of the purchaser. Any repair or replacement under this warranty does not constitute an extension of the original warranty for any period of the appliance or for any component or part thereof. Parts to be replaced under this warranty will be repaired or replaced at the option of Wood Stone with new or functionally operative parts. The liability of Wood Stone on any claim of any kind, including claims based on warranty, expressed or implied, contract, negligence, strict liability or any other theories shall be solely and exclusively the repair or replacement of the product as stated herein, and such liability shall not include, and purchaser specifically renounces any rights to recover, special, incidental, consequential or other damages of any kind whatsoever, including, but not limited to, injuries to persons or damage to property, loss of profits or anticipated profits, or loss of use of the product.
TO SECURE WARRANTY SERVICE
If you claim a defect covered by this Limited Warranty, contact:
Wood Stone Corporation, Attn: Service Department, 1801 W. Bakerview Rd., Bellingham, WA 98226 USA
Phone 1.800.988.8103 or 1.360.650.1111
Customer Service
WOOD STONE CORPORATION
1801 W. Bakerview Rd.
Bellingham, WA 98226 USA
Toll Free 800.988.8103
Tel 360.650.1111
Fax 360.650.1166
www.woodstone-corp.com
An ongoing program of product improvement may require us to change specifications without notice.

















