ECOR PRO DH2500 DryFan 3-Hole Desiccant Dehumidifier

THANK YOU
- Thank you for choosing this innovative DDH2500 dehumidifier.
- This instruction manual describes the many benefits and advanced features that this unique product has to offer.
- This dehumidifier is a tough, industrial unit designed to be used almost any-where that dry air is required.
- Desiccant/Absorption dehumidifiers are especially suited to applications where low relative humidities are needed and work well over a wide tempera-ture range.
- We specialise in complete indoor humidity control.
- Our world class products incorporate the latest technological developments and are designed to create a quality environment.
- It is important that you read these instructions carefully before installing and using your new dehumidifier.
- Please keep them in a safe place for future reference.
SAFETY
- For safety reasons, read this information carefully before operating. Persons who are not familiar with this type of product must not use it.
- This appliance must be earthed and should only be connected to an earthed 120 V / 60 Hz mains supply. The installation must be in accordance with the regulations of the country where the unit is used. The unit is designated for indoor operation.
- Children should be supervised to ensure that they do not play with the appliance.
- Do not clean the dehumidifier by spraying it or immersing it in water.
- Do not insert any object into the opening of the dehumidifier.
- Disconnect from the mains before cleaning the unit or any of its compo-nents.
- Never connect to an electrical outlet using an extension cord. If an outlet is not available, one should be installed by a licensed electrician.
- Any service other than regular cleaning or filter replacement should be performed by an authorized service representative. Failure to do so could result in a loss of warranty. Your dehumidifier is supplied with an electrical cable and an earthed plug. Should it be necessary to replace this plug at any time, you must use an earthed electrical plug.
Warning! Never operate this appliance if it has a damaged cord or plug. If the supply cord is damaged, it must be replaced by an approved service repre-sentative or a similar qualified person in order to avoid any hazards. There should be direct access to the electrical plug after connecting the power!
Do not use your dehumidifier under the following conditions: 
HOW IT WORKS
Your DDH2500 Desiccant dehumidifier removes moisture using a continuously rotating moisture absorbing wheel/rotor (This ‘Desiccant Rotor’ is literally a ‘honeycomb’ of extremely hygroscopic membranes). A highly efficient yet low noise fan draws air into the unit (Process Air) and forces it through a portion of the absorbent rotor. As the air passes through the rotor, the honeycomb, of hygroscopic membranes absorb almost all of the moisture creating an extremely dry airstream. Most of this airstream is discharged directly through the ‘Dry Air Outlet’ however, a portion of this air (Regen Air) is separated and directed through a heater bank (Regen Heater) where it’s temperature is raised. This air is then channelled back through a section of the rotor. As this air passes back through the membranes, its higher temperature drives out the previously absorbed moisture and discharges it as warm wet air through the ‘Wet Air Out’ duct. As the wheel rotates, this process of collecting and discharging moisture is continuous.
DESICCANT ROTOR
The Desiccant Rotor is the heart of the DDH2500 dehumidifier. It is an array of specially absorbent membranes arranged as a series of corrugations (as shown in the cut-away image below) to give a vast surface area making it an extremely efficient moisture collector.
It is encases in a galvanized steel ring and turns on high quality sealed ball bearing units.
REGEN HEATER BANK
The DDH2500 uses a ceramic PTC type regen heater.
PTC (Positive Temperature Coefficient) heaters are base on a semi-conductor that changes resist-ance as it becomes hotter. The semi-conductor is designed so that it’s resistance rises rapidly at a predesignated temperature, thus it maintains this temperature across a wide range of operational conditions.
This characteristic means that the heating element can never over heat to hazardous temperatures, even if the regen airfow is completely blocked.
POSITIONING
The DDH2500 is designed only for indoor use however, it can be placed inside or outside the room to be dried.
Internal Positioning:
When positioning the unit inside the room, place centrally, ensuring inlet and outlet ducts are clear of obstruction.
If required, ducts can be connected to the outlet and/or inlet to direct the dry-ing to specific areas.
The Wet-Air-Out MUST be ducted outside the room.
External Positioning:
When positioning the unit outside the room, connect ducting to the outlet to direct the dry air stream into the room to be dried. Optionally, the inlet may also be ducted to the room to give a re-circulation effect, in this case however, because the unit uses a portion for the inlet air for regeneration, provision must be made in the inlet duct to also draw air form outside the room.
Note:
As the Wet-Air-Out discharge is warm and very humid ensure it is directed where it will have no adverse effect on the immediate environment.
All ducting lengths should be kept to a minimum – longer lengths will reduce performance.
The Wet-Air-Out is warm and humid, when a duct is attached, condensation may form on the inside of the duct. This duct should slope downwards away from the unit to prevent ant condensation running back into the unit.
CONTROLS
The controls are positioned on the front of the unit next to the air outlet duct, they are:
- Power Switch
- Ammeter
- Hour Meter
- Remote Humidistat Switch
- Remote Humidistat Connector

OPERATION
Stand-Alone Operation:
Connect unit to suitable mains supply
Ensure ‘Remote Humidistat’ switch is set to ‘OFF’ position
Switch ‘Power’ switch to ‘ON’ ( I ) position.
The fan will start and the Ammeter reading will rise. (The ammeter indicates the current taken by the PTC heater bank. Its reading will depend on the ‘Pro-cess’ air temperature and the ‘Regen’ airflow. Typically, it will indicate between 2 and 3 amps – this will reduce if the airflow is low or the Process air temperature is high.
Remote Operation:
For remote operation it is necessary to connect a switch or humidistat via the ‘Remote Humidistat Connector’ – this can be accessed by removing the dust cap. A connection plug is available on request.
ATTENTION – The remote connector is mains voltage!
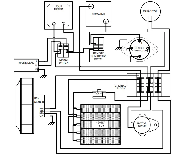
The remote switch/humidistat should be connected between pins 1 and 3. The Earth pin is connected to ground and can be used if required. (see wiring diagram)
The ‘Remote Humidistat’ switch should be set to the ‘ON’ position. The unit will now operate according to the state of the remote switch.
Air Filter:
The DDH2500 has an inlet air filter, this should be checked periodically and if necessary cleaned. It can be cleaned with a vacuum cleaner or washed in mild detergent.
ATTENTION: Do not run the unit without a filter fitted as dust will impair the performance of the Desiccant Rotor.
TECHNICAL DATA
| Specifications | DDH2500 |
| Typical Extraction @ 270C 60%rh | 25 l /day |
| Air Flow (Process) | 380 m3/hr |
| Air Flow (Regen) | 75 m3/hr |
| Voltage | 120 V |
| Current @ 270C/60%rh | 7.5A |
| Frequency | 60 Hz |
| Power @ 270C/60%rh | 0.85kW |
| Phase | 1ph |
| Dimensions (mm) | 445 x 352 x 345 |
| Weight (NET) | 17.5kg |
| Weight (GROSS) | 19kg |
| Operating Temperature | -200C – +400C |
Disposal
This marking indicates that this product should not be disposed with other household wastes throughout the EU.To prevent possible harm to the environment or human health from uncontrolled waste disposal, recycle it responsibly to promote the sustainable reuse of material resources. To return your used device, please use the return and collection systems or contact the retailer where the product was purchased. They can take this product for environmental safe recycling.
MAINTENANCE
ATTENTION:
- Maintenance should only be carried out by qualified personnel
- Unit should be disconnected from mains before removing covers
- If unit has just been running, heater bank may still be hot
Desiccant Rotor:
The desiccant rotor is maintenance free however, if it becomes blocked with dust (e.g. if it has been running without inlet air filter) it can cleaned by vacuum cleaner or low pressure compressed air.
Heater Bank:
The PTC heater bank is maintenance free however, if it becomes blocked with dust (e.g. if it has been running without inlet air filter) it can cleaned by vacuum cleaner or low pressure compressed air.
Over-Heat Protector:
In the event of total airflow loss, the over-heat protector will operate. If this happens it will need to be manually re-set after the airflow is restored.
To reset, push the red button (R) down.
Desiccant Rotor Drive:
The desiccant rotor is driven by a geared motor via a toothed belt. The rotation speed is approximately 48RPH. It can be seen turning during operation through the air outlet duct, if it appears to be slow or sticking, the belt can be re-tensioned using the 4 mounting screws @ ‘A’. NOTE: Do NOT over-tension the belt, af-ter tensioning, it should have movement as shown in the image opposite. 
TROUBLESHOOTING
If the dehumidifier does not operate:
- Make sure the unit is plugged in.
- Check the fuse
- Check the remote humidistat setting
- Ensure the humidistat (if fitted) is turned on.
Low Airfow:
- Check inlet air filter
- Check inlet/outlets not obstructed
- Check ductwork (if fitted) is not obstructed
- Check voltage level
- Check fan is working
If the unit is noisy:
- Check fan operation
- Check rotor drive
- Check for loose screws
Low Dehumidifying Effect:
- Check airflows
- Check Amps reading
- Check rotor is turning
Low Amps Reading:
- Check Regen airflow
- Check Over-Heat Protector
- Check Heater bank
Rotor Not Turning
- Check belt tension
- Check drive-motor operation
- Check rotor alignment
SPARE PARTS
| Description | Part No. |
| Inlet Air Filter | DH01-C024 |
| Inlet Filter Grille | DH01-A008 |
| Fan Motor | DH01-P010 |
| Fan Motor Capacitor | DH01-P014 |
| Desiccant Rotor | DH01-P009 |
| Rotor Drive Belt | DH01-P005 |
| Rotor Drive Pulley | DH01-P007 |
| Rotor Drive Motor/Gearbox | DH01-P006 |
| Heater Bank | DH01-A010 |
| Over-Heat Protector | DH01-P015 |
| Mains Cable (GB) | WR-001-GB |
| Mains Cable (EU) | WR-001-EU |
| Mains Cable Gland | DH01-P017 |
| Mains Switch | DH01-P003 |
| Remote Humidistat Switch | DH01-P003 |
| Ammeter | DH01-P001 |
| Hour Meter | DH01-P002 |
| Remote Humidistat Connector | DH01-P013 |
| Remote Humidistat Plug | DH01-P022 |
WIRING DIAGRAM 
SCHEMATIC DIAGRAM
Ecor Pro B.V.
Anton Philipsweg 9-11 1422 AL Uithoorn The Netherlands
Tel. +31 297 560 213
Fax +31 297 560 187
[email protected]
Get In Touch
Call: 0845 6880112
Email: [email protected]
Our Address Puravent, Adremit Limited, Unit 5a, Commercial Yard, Settle, North Yorkshire, BD24 9RH























