
OWNER’S GUIDE
MARVEL PROFESSIONAL UNDERCOUNTER REFRIGERATION
FOR MODEL # MPRF424
THE ORIGINAL REFRIGERATION EXPERTS SINCE 1892
MPRF424 24-in Professional Built-in Refrigerator Freezer
WELCOME
Welcome to the Marvel Experience
Thank you for choosing our quality American-built product to add to your home. We are thrilled to welcome you to our growing community of Marvel owners who trust in our products and our support.
The information in this guide is intended to help you install and maintain your new Marvel undercounter model to protect and prolong its lifetime. We encourage you to contact our Technical Support team at (616) 754-5601 with any questions.
Got a Marvelous Design?
We would love to see how your Marvel product looks in its new home. Send us photos at [email protected], and we might feature your Marvel home design on our website and social media!
Bonus Third-Year Warranty Free with Product Registration
Your Marvel Professional product qualifies for a one-year extension of the two-year warranty coverage from your date of purchase, free of charge. To take advantage of this third-year warranty, be sure to register your product with Marvel within 60 days from the date of purchase at marvelrefrigeration.com and provide proof of purchase.![]()
Thank you again for investing in Marvel for your home!
Warranty Registration
It is important you send in your warranty registration card immediately after taking delivery of your appliance or you can register online at www.marvelrefrigeration.com.
The following information will be required when registering your appliance:
Service Number
Serial Number
Date of Purchase
Dealer’s name and address Online registration available at www.marvelrefrigeration.com
The service number and serial number can be found on the serial plate which is located inside the cabinet on the left side near the top. See figure below.
IMPORTANT SAFETY INSTRUCTIONS
Warnings and safety instructions appearing in this guide are not meant to cover all possible conditions and situations that may occur. Common sense, caution, and care must be exercised when installing, maintaining, or operating this appliance.
Recognize Safety Symbols, Words, and Labels.
CAUTION
NOTE
CAUTION- Hazards or unsafe practices which could result in personal injury or property / product damage.
WARNING
State of California Proposition 65 Warning:
This product contains one or more chemicals known to the State of California to cause cancer.
WARNING
WARNING – You can be killed or seriously injured if you do not follow these instructions.
NOTE-Important information to help assure a problem free installation and operation.
WARNING
State of California Proposition 65 Warning:
This product contains one or more chemicals known to the State of California to cause birth defects or other reproductive harm.
WARNING
WARNING - This unit contains R600a (Isobutane) which is a flammable hydrocarbon. It is safe for regular use. Do not use sharp objects to expedite defrosting.
Do not damage refrigerant circuit.
WARNING
EXCESSIVE WEIGHT HAZARD
Use two or more people to move product.
Failure to do so can result in personal injury.
Remove Interior Packaging
Your appliance has been packed for shipment with all parts that could be damaged by movement securely fastened.
Remove internal packing materials and any tape holding internal components in place.
The owners manual is shipped inside the product in a plastic bag along with the warranty registration card, and other accessory items.
Important
Keep your carton and packaging until your appliance has been thoroughly inspected and found to be in good condition. If there is damage, the packaging will be needed as proof of damage in transit.
Afterwards please dispose of all items responsibly.
WARNING
WARNING – Dispose of the plastic bags which can be a suffocation hazard.
Note to Customer
This merchandise was carefully packed and thoroughly inspected before leaving our plant. Responsibility for its safe delivery was assumed by the retailer upon acceptance of the shipment. Claims for loss or damage sustained in transit must be made to the retailer.
NOTE
DO NOT RETURN DAMAGED MERCHANDISE TO THE MANUFACTURER – FILE THE CLAIM WITH THE RETAILER.
CAUTION
If the appliance was shipped, handled, or stored in other than an upright position for any period of time, allow the appliance to sit upright for a period of at least 24 hours before plugging in.
This will assure oil returns to the compressor.
Plugging the appliance in immediately may cause damage to internal parts.
WARNING
WARNING – Help Prevent Tragedies
Child entrapment and suffocation are not problems of the past. Junked or abandoned refrigerators are still dangerous – even if they sit out for “just a few hours”.
If you are getting rid of your old refrigerator, please follow the instructions below to help prevent accidents.
Before you throw away your old refrigerator or freezer:
- Take off the doors or remove the drawers.
- Leave the shelves in place so children may not easily climb inside.
ELECTRICAL

WARNING
Electrical Shock Hazard
- Do not use an extension cord with this appliance.
They can be hazardous and can degrade product performance. - This appliance should not, under any circumstances, be installed to an un-grounded electrical supply.
- Do not remove the grounding prong from the power cord. (See Figure 2).
- Do not use an adapter. (See Figure 3).
- Do not splash or spray water from a hose on the appliance. Doing so may cause an electrical shock, which may result in severe injury or death.
Electrical Connection
A grounded 115 volt, 15 amp dedicated circuit is required.
This product is factory equipped with a power supply cord that has a three-pronged, grounded plug. It must be plugged into a mating grounding type receptacle in accordance with the National Electrical Code and applicable local codes and ordinances (see Figure 4). If the circuit does not have a grounding type receptacle, it is the responsibility and obligation of the customer to provide the proper power supply.
The third ground prong should not, under any circumstances, be cut or removed.

NOTE
Ground Fault Circuit Interrupters (GFCI) are prone to nuisance tripping which will cause the appliance to shut down.
GFCI’s are generally not used on circuits with power equipment that must run unattended for long periods of time, unless required to meet local building codes and ordinances.
PRODUCT DIMENSIONS
| ROUGH-IN OPENING DIMENSIONS | CABINET DIMENSIONS | ||||||
| A | B | C | E | F | G | H | J |
| 24″ (61 cm) | 34 1⁄4″ – 35 1⁄4″ (87 to 89.5 cm) | 24″ (61 cm) | 34″ to 35″” (86.4 to 88.9 cm) | 23 23⁄32″ (60.2 cm) | 26 7⁄32″ (66.6 cm) | 46 13⁄32″ (117.9 cm) | 26 7⁄16″ (67.2 cm) |

If necessary to gain clearance inside the rough-in opening a hole can be cut through the adjacent cabinet and the power cord routed through this hole to a power outlet.
Another way to increase the available opening depth is to recess the power outlet into the rear wall to gain the thickness of the power cord plug.
Not all recessed outlet boxes will work for this application as they are too narrow, but a recessed outlet box equivalent to Arlington #DVFR1W is recommended for this application, (see Figure 12).
| PRODUCT DATA | |
| ELECTRICAL REQUIREMENTS # | PRODUCT WEIGHT |
| 115V/60Hz/15A | 140 lbs (63.6 kg) |

* To install (F) models with the door face flush with adjacent cabinetry doors, custom decorative panel thickness cannot exceed 3⁄4″ (19 mm).
** Minimum rough-in opening required is to be larger than the adjusted height of the cabinet.
# A grounded 15 amp dedicated circuit is required. Follow all local building codes when installing electrical and appliance.
INSTALLING YOUR APPLIANCE
Select Location
The proper location will ensure peak performance of your appliance. We recommend a location where the unit will be out of direct sunlight and away from heat sources. To ensure your product performs to specifications, the recommended installation location temperature range is from 55 to 100°F (13 to 38°C).
Cabinet Clearance
Ventilation is required from the bottom front of the appliance. Keep this area open and clear of any obstructions.
Adjacent cabinets and counter top can be installed around the appliance as long as the front grille remains unobstructed.
All Marvel Professional models with articulated hinges are intended for built-in applications only.
WARNING
An optional stacking kit, for 24″ wide models, is required to stack products. Failure to use a stacking kit could result in personal injury. Contact your dealer or Marvel customer service at 616-754-5601 to order.
For safety concerns 15″ wide models should not be stacked.
CAUTION
Front Grille
Do not obstruct the front grille. The openings within the front grille allow air to flow through the condenser heat exchanger. Restrictions to this air flow will result in increased energy usage and loss of cooling capacity. For this reason it is important this area to not be obstructed and the grille openings kept clean. Marvel does not ecommend the use of a custom made grille as air flow may be restricted. (See Figure 8).

Leveling Legs
Adjustable legs at the front and rear corners of the appliance should be set so the unit is firmly positioned on the floor and level from side to side and front to back.
The overall height of your Marvel appliance may be adjusted higher (by turning the leveling leg out, CCW) and lower (by turning the leveling leg in, CW).
To adjust the leveling legs, place the appliance on a solid surface and protect the floor beneath the legs to avoid scratching the floor. With the assistance of another person, lean the appliance back to access the front leveling legs.
Raise or lower the legs to the required dimension by turning the legs. Repeat this process for the rear by tilting the appliance forward using caution. On a level surface check the appliance for levelness and adjust accordingly.
The front grille screws may be loosened and the grille adjusted to the desired height. When adjustment is complete tighten the two front grille screws. (See Figure 9).
SIDE-BY-SIDE AND STACKING INSTALLATIONS
Side-by-Side Installation
Other Site Requirements
Units must operate from separate, properly grounded electrical receptacles placed according to each unit’s electrical specifications requirements. Cutout width for a side-by-side installation is the total of the widths listed under Cutout Dimensions in each unit’s Installation Guide. Each door can be opened individually (one at a time) without interference.
However, to ensure unobstructed door swing (opening both doors at the same time), 1/4″ (6.4 mm) of space needs to be maintained between the units.
Hinge-by-Hinge Installation (Mullion)
When installing two units hinge-by-hinge, 13/16″ (22 mm) is required for integrated models. Additional space may be needed for any knobs, pulls or handles installed.
Stainless steel models which include the standard stainless handle will require 4-9/16″ (116 mm) to allow both doors to open to 90° at the same time.

INSTALLING THE ANTI TIP DEVICE
WARNING
| • ALL APPLIANCES CAN TIP RESULTING IN INJURY. • INSTALL THE ANTI-TIP BRACKET PACKED WITH THE APPLIANCE. • FOLLOW THE INSTRUCTIONS BELOW |
Anti-Tip Device
WARNING
If your beverage center is not located under a counter top (free standing), you must use an anti-tip device installed as per these instructions. If the beverage center is removed from its location for any reason, make sure that the device is properly engaged with the anti-tip bracket when you push the beverage center back into the original location. If the device is not properly engaged, there is a risk of the beverage center tipping over, with the potential for property damage or personal injury.
NOTE
If installing on a concrete floor, concrete fasteners are required, (not included with the anti-tip kit).
CAUTION
Any finished flooring should be protected with appropriate material to avoid damage when moving the unit.
Floor Mount Installation
The anti-tip bracket is to be located on the floor in the left or right rear corner of the wine cellar as shown in Figure 14.
Step by step instructions for locating the position of the bracket:
- Decide where you want to place the beverage center.
Slide it into place, being careful not to damage the floor, leaving 1″ (2.5 cm) of clearance from the rear wall to allow room for the anti-tip bracket. - Raise the rear leveling legs approximately 1⁄4″ (6 mm) to allow engagement with the anti-tip bracket. Level the unit by adjusting all the leveling legs as required. Turning the leveling leg counterclockwise will raise the unit and clockwise will lower the unit.
- Make sure the beverage center is in the desired location, then mark on the floor the rear and side corner of the cabinet where the anti-tip bracket will be installed. If the installation does not allow marking the rear corner of the cabinet, then make temporary lines on the floor marking the front corner of the cabinet, excluding the door. Slide the beverage center out of the way. From the temporary line extend the sidewall line back 21 1⁄2″ (54.6 cm) as shown in Figure 15.
- Align the anti-tip bracket to the marks on the floor so the side of the bracket lines up with the side of the cabinet mark, and the “V” notches on the anti-tip bracket line up with the end of the 21 1⁄2″ (54.6 cm) line (Rear of cabinet line).
- Fasten the anti-tip bracket to the floor using the supplied screw. (See Figure 15).
- Slide the cabinet back into position, making sure the rear cabinet leveling leg slides under the anti-tip bracket engaging the slot.
NOTE
When the floor mounted anti-tip bracket is used the minimum adjusted height of the cabinet is increased by 3⁄8″ (9 mm).

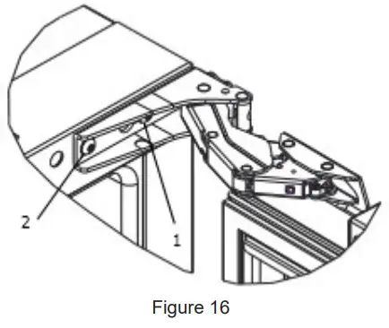
DOOR REVERSAL
Door Reversing Instructions
- Open door.
- Loosen screw #1 and #2 using a Philips Screwdriver on top and bottom hinge. Slide door and remove the door from the unit.

- Once door is removed, using a Philips Screwdriver remove screws from magnet actuator located on inside and bottom of door. (On Integrated Models magnet actuator will be located on bottom of door.

- Remove caps from top of door. Using a Philips Screwdriver, install magnet actuator on opposite side. Install caps into opposite side.
- Remove caps from screw holes on opposite side (2 on top and bottom). Using a Philips Screwdriver remove the 4 screws that you previously loosened.
- Reinstall screws and caps on opposite side.
- Once screws are partially installed, rotate the door 180°, align the hinge over screw #1 and slide into position. Tighten screws on top and bottom.
- Door is now reversed.
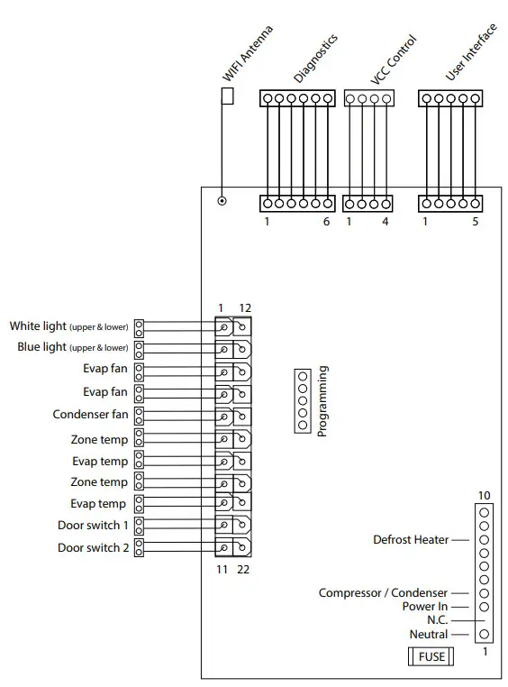
USING YOUR ELECTRONIC CONTROL

Control Function Guide
| Function | Command | Notes | ||
| ON/OFF | Press | Unit will immediately turn ON or OFF. | ||
| Adjust Temperature | Press + or – and release. | When the display is flashing, press + or – point temperature. Note: temperature temperature inside unit. to the + or = adjust set displayed is the actual | ||
| Toggle Between °F / °C | Hold + for 5 and – seconds. | The display will change units. | ||
| Leave Interior Light On | Press | After 12 hours, factory default is restored; light will turn on when door is open. | ||
| Hide Display | Hold | Display will turn off when door is closed. Unit will continue tooperate. Repeat command to turn on display. | ||
| Adjust Light Color | Press and hold – then press UI to flash. Once UI flashes, release – and | Option | Open Door | Closed Door |
| 0 | White | White | ||
| 1 | Blue | Blue | ||
| 2 | White | Blue | ||
| Light will be set at full intensity when door is open, and 50% intensity when door is closed. | ||||
| Enable Sabbath Mode | Press | The °F / °C symbol will flash briefly after 5 seconds. Interior light and display will go dark and remain so until user resets mode – unit continues to operate. | ||
| Disable Sabbath Mode | Press | Display and interior light return to normal operation. | ||
| Showroom Mode | Hold | The °F / °C symbol will flash. Display will be lit and interior light will function. Unit will not cool. Repeat command to return to normal operation. | ||
Door Alert Notification
When the door is left open for more than 30 minutes:
- A tone will sound for several seconds every minute
- will appear in display
- Close door to silence alert and reset
First Use
Initial startup requires no adjustments. When plugged in, the unit will begin operating under the factory default settings. If the unit was turned off during installation, simply press
and the unit will immediately switch on.
To turn the unit off, press
.
NOTE
Temperature displayed reflects actual temperature inside unit. If the temperature displayed is different than selected, the unit is progressing towards the selected temperature. Time to reach set point varies based upon ambient temperature, temperature of product loaded, door openings, etc. Marvel recommends allowing the unit to reach set points before loading.
INSTALLING THE WATER SUPPLY
Water Supply
CAUTION
Observe and follow all local building codes when installing this appliance.
Use 1/4″ outside diameter copper tubing for your water supply which is available at any local hardware or plumbing supply store.
Bend the 1/4″ copper tubing to suit your installation being sure not to kinkthe tubing. Purchase enough copper tubing length and coil it behind the unit to form a “service loop” which will allow the appliance to be pulled out from the installation for servicing or cleaning. Connect the copper tubing to the “top side” of a cold water pipe to prevent the ice-maker from plugging with sediment.
A shutoff valve is recommended on the water supply line to ease servicing the appliance.
NOTE: A SELF-PIERCING TYPE VALVE IS NOT RECOMMENDED as they are prone to clogging with sediment which will create pressure drop reducing the water supply to the unit.
Connect the copper tubing water supply to the water valve inlet with the compression nut fitting provided. Secure the water supply line to the back of the cabinet with the screw and clamp provided in the corner of the back panel. (See Figure 7).
Water pressure must be at a minimum of 20 psi for proper operation and a maximum of 120 psi.
Make certain all water connections are watertight after installation. Form the tubing so that it will not vibrate against the cabinet body or kink when your appliance is set in position.
NOTE
- Do not use any thread sealers on these water line fittings.
- Reverse osmosis, softened water, and deionized water are not recommended as they will adversely affect the quality of the ice.
ICE-MAKER OPERATION
CAUTION
The water supply to the ice-maker must be turned on prior to turning the ice-maker on. Failure to do so will cause rapid dry cycling of the ice-maker mold heater resulting in temperature control issues in the freezer compartment.
Ice-maker operation
- The unit must be installed level for proper ice-maker operation.
- The shutoff arm wire must be down in its lowest position for the ice-maker to operate. (See Figure 8).
- When the freezer section and ice-maker unit has sufficiently cooled, the ice-maker will harvest ice cubes automatically.
- When the ice bucket is full, the ice-maker will automatically shut off.
- You may manually stop the ice-maker by raising the shut off arm to the locking position at the up most position. (See Figure 8).
NOTE
It is recommended the ice-maker is shut off when removing the bucket, or ice may be dispensed onto the freezer compartment floor.
If the ice is not used regularly, it will clump together with time. For best ice results, discard ice in the bin as required and allow the ice-maker to make a new fresh batch of ice. Shut-off the ice-maker by raising the shut-off arm before removing the bucket.
Long and short term storage of ice-maker:
When operation of the appliance is to be discontinued for any length of time, the ice cube mold in the ice-maker should be emptied by allowing the ice-maker to dispense cubes with the water supply turned off.
- Turn the water supply off.
- Raise the ice-maker bail arm.
- Empty the ice bucket.
- Replace the ice bucket in the unit and lower the bail arm.
Dispensing of the cubes should occur within 2 hours. After the ice-cubes dispense – empty, clean, and replace the ice cube bucket, and raise the bail arm.
INTERIOR ADJUSTMENTS
CAUTION
Make sure your cantilever shelf is secure on the shelf supports by pressing down on the shelf before loading.
CAUTION
Never try to move a loaded shelf, remove everything from the shelf before moving.
Use both hands when moving the shelf.
To Add or Remove a Shelf Remove stored product from the shelf. Do not try to remove a loaded shelf from the appliance. Grasp the shelf front with both hands, rotate the front upward and lift out. (See Figure 28). To install a shelf insert the shelf in the appliance and insert the top hooks into the shelf support slots and drop the shelf down so the hooks drop over the bottom of the slots.
CARE AND CLEANING
Front Grille
Be sure that nothing obstructs the required air flow openings in front of the cabinet.
At least once or twice a year, brush or vacuum lint and dirt from the front grille area (see page 8).
CAUTION
SHOCK HAZARD: Disconnect electrical power from the appliance before cleaning with soap and water.
Cabinet
The painted cabinet can be washed with either a mild soap and water and thoroughly rinsed with clear water. NEVER use abrasive scouring cleaners.
Interior
Wash interior compartment with mild soap and water. Do NOT use an abrasive cleaner, solvent, polish cleaner or undiluted detergent.
Care of Appliance
- Avoid leaning on the door, you may bend the door hinges or tip the appliance.
- Exercise caution when sweeping, vacuuming or mopping near the front of the appliance. Damage to the grille can occur.
- Periodically clean the interior of the appliance as needed.
- Periodically check and/or clean the front grille as needed.
In the Event of a Power Failure
If a power failure occurs, try to correct it as soon as possible. Minimize the number of door openings while the power is off so as not to adversely affect the ppliance’s temperature.
Light assembly replacement
All models use an LED to illuminate the interior of the appliance.
This component is very reliable, but should it fail, contact a qualified service technician for replacement of the LED.
The following suggestions will minimize the cost of operating your refrigeration appliance.
- Do not install your appliance next to a hot appliance (cooker, dishwasher, etc.), heating air duct, or other heat sources.
- Install product out of direct sunlight.
- Ensure the front grille vents at front of appliance beneath door are not obstructed and kept clean to allow ventilation for the refrigeration system to expel heat.
- Plug your appliance into a dedicated power circuit. (Not shared with other appliances).
- When initially loading your new product, or whenever large quantities of warm contents are placed within refrigerated storage compartment, minimize door openings for the next 12 hours to allow contents to pull down to compartment set temperature.
- Maintaining a relatively full storage compartment will require less appliance run time than an empty compartment.
- Ensure door closing is not obstructed by contents stored in your appliance.
- Allow hot items to reach room temperature before placing in product.
- Minimize door openings and duration of door openings.
- Use the warmest temperature control set temperature that meets your personal preference and provides the proper storage for your stored contents.
- When on vacation or away from home for extended pe riods, set the appliance to warmest acceptable tem perature for the stored contents.
- Set the control to the “off” position if cleaning the appliance requires the door to be open for an extended period of time.
- For wine storage products:
When serving temperatures are not required, return the compartment(s) set temperature to the ideal red and white wine long term storage tem perature of 13°C / 55°F.
STAINLESS STEEL MAINTENANCE
Background Stainless steel does not stain, corrode, or rust as easily as ordinary steel, but it is not stain or corrosion proof. Stain-less steels can discolor or corrode if not maintained prop-erly.
Stainless steels differ from ordinary carbon steels by the amount of chromium present. It is this chromium that provides an invisible protective film on the surface called chrome-oxide. This protective chrome-oxide film on the surface can be damaged or contaminated, which may result in discoloration, staining, or corrosion of the base metal.
Care & Cleaning
Routine cleaning of the stainless steel surfaces will serve to greatly extend the life of your product by removing contami-nants. This is especially important in coastal areas which can expose the stainless to severe contaminants such as halide salts, (sodium chloride).
It is strongly recommended to periodically inspect and thor-oughly clean crevices, weld points, under gaskets, rivets, bolt heads, and any locations where small amounts of liquid could collect, become stagnant, and concentrate contami-nates. Additionally, any mounting hardware that is showing signs of corrosion should be replaced.
Frequency of cleaning will depend upon the installation location, environmental, and usage conditions.
Choosing a Cleaning Product
The choice of a proper cleaning product is ultimately that of the consumer, and there are many products from which to choose. Depending upon the type of cleaning and the degree of contamination, some products are better than others.
Typically the most effective and efficient means for routine cleaning of most stainless steel products is to give the sur-faces a brisk rubbing with a soft cloth soaked in warm water and a gentle detergent, or mild mixture of ammonia. Rub-bing should, to the extent possible, follow the polish lines of the steel, and always insure thorough rinsing after cleaning.
Although some products are called “stainless steel clean-ers,” some may contain abrasives which could scratch the surface, (compromising the protective chrome-oxide film), and some many contain chlorine bleach which will dull, tarnish or discolor the surface if not completely removed.
After the stainless surfaces have been thoroughly cleaned, a good quality car wax may be applied to help maintain the finish.
NOTE
Stainless steel products should never be installed, or stored in close proximity to chlorine chemicals.
Whichever cleaning product you chose, it should be used in strict accordance with the instructions of the cleaner manufacturer.
ENERGY SAVING TIPS
The following suggestions will minimize the cost of operating your refrigeration appliance.
- Do not install your appliance next to a hot appliance (cooker, dishwasher, etc.), heating air duct, or other heat sources.
- Install product out of direct sunlight.
- Ensure the front grille vents at front of appliance beneath door are not obstructed and kept clean to allow ventilation for the refrigeration system to expel heat.
- Plug your appliance into a dedicated power circuit. (Not shared with other appliances).
- When initially loading your new product, or whenever large quantities of warm contents are placed within refrigerated storage compartment, minimize door openings for the next 12 hours to allow contents to pull down to compartment set temperature.
- Maintaining a relatively full storage compartment will require less appliance run time than an empty compartment.
- Ensure door closing is not obstructed by contents stored in your appliance.
- Allow hot items to reach room temperature before placing in product.
- Minimize door openings and duration of door openings.
- Use the warmest temperature control set temperature that meets your personal preference and provides the proper storage for your stored contents.
- When on vacation or away from home for extended pe riods, set the appliance to warmest acceptable tem perature for the stored contents.
- Set the control to the “off” position if cleaning the appliance requires the door to be open for an extended period of time.
- For wine storage products:
When serving temperatures are not required, return the compartment(s) set temperature to the ideal red and white wine long term storage tem perature of 13°C /55°F.
EXTENDED NON-USE
Vacation/Holiday, Prolonged Shutdown
The following steps are recommended for periods of extended non-use:
- Remove all consumable content from the unit.
- Disconnect the power cord from its outlet/socket and leave it disconnected until the unit is returned to service.
- If ice is on the evaporator, allow ice to thaw naturally.
- Clean and dry the interior of the unit. Ensure all water has been removed from the unit.
- The door must remain open to prevent formation of mold and mildew. Open door a minimum of 2″ (50 mm) to provide the necessary ventilation.
Winterization
If the unit will be exposed to temperatures of 40° F (5° C) or less, the steps above must be followed.
For questions regarding winterization, please call Marvel at (616) 754-5601.
CAUTION
Damage caused by freezing temperatures is not covered by the warranty.
OBTAINING SERVICE
If Service is Required:
- If the product is within the first year warranty period please contact your dealer or call Marvel Customer Service at 616.754.5601 for directions on how to obtain warranty coverage in your area.
- If the product is outside the first year warranty period, Marvel Customer Service can provide recommendations of service centers in your area. A listing of authorized service centers is also available at www.marvelrefrigeration.com under the service and support section.
- In all correspondence regarding service, be sure to give the service number, serial number, and proof of purchase.
- Try to have information or description of nature of the problem, how long the appliance has been running, the room temperature, and any additional information that may be helpful in quickly solving the problem.
- Table “B” is provided for recording pertinent information regarding your product for future reference.
| For Your Records | |
| Date of Purchase | |
| Dealer’s name | |
| Dealer’s Address | |
| Dealer’s City | |
| Dealer’s State | |
| Dealer’s Zip Code | |
| Appliance Serial Number | |
| Appliance Service Number | |
| Date Warranty Card Sent (Must be within 10 days of purchase). | |
Table B

Product Liability
Field service technicians are authorized to make an initial assessment in the event of reported damages. If there are any questions about the process involved, the technician should call Marvel for further explanation.
While inspecting for defects or installation issues, photos should be taken to document any damages or issues found.
During the assessment, if the service technician is able to find the source of the damage and it can be resolved by replacement of a part, the servicer is authorized to replace the part in question. The part that caused the damage must be returned to Marvel in its entirety. The part must be clearly labeled with the serial number of the unit it was removed from, the date, and the servicer who removed the part.
If the service technician determines the damage is the result of installation issues (water connection/drain, etc.), the consumer would be notified and the issues shall be resolved at the direction of the consumer.
If damage is evident and the service technician is unable to find the source, Marvel must be contacted at 616.754.5601 for further direction.
1260 E. Van Deinse St• Greenville, MI 48838
T: +1.616.754.5601
Website: www.marvelrefrigeration.com
The original refrigeration experts since 1892.
Warranty Claims
The following information defines the parameters for filing a warranty claim:
- Valid serial number needed
- Valid model number needed
- Claims must be submitted online at www.marvelservice.com
- 60 day submittal deadline from date of completed service
- Only one repair or unit per warranty claim
- Part order numbers will be required when submitting for warranty labor

Units must be registered prior to warranty submittal.
Customers may register at www.marvelrefrigeration.com. A proof of purchase is required. We also accept the following information to update warranty:
- New construction occupancy documents
- Closing paperwork
- Final billing – Remodel
Warranty parts will be shipped at no charge after Marvel confirms warranty status. Please provide the model, serial number, part number and part description. Some parts will
require color or voltage information.
Ordering Replacement Parts
Parts may be ordered online at
partsformarvel.com
Or contact: www.marvelrefrigeration.com (Servicers choose “Login” for service account).
Phone Number: (616) 754-5601
NOTICE
Use only genuine Marvel replacement parts. The use of non-Marvel parts can reduce performance, damage the unit, and void the warranty.
Warranty parts will be shipped at no charge after Marvel confirms warranty status. Please provide the model, serial number, part number and part description. Some parts will
require color or voltage information.
Marvel requires the return of original parts, we will inform you when the parts order is taken. This requirement will be noted on your packing list. A prepaid shipping label will be emailed to you. Please enclose a copy of the parts packing list and be sure the model and serial numbers are legible on the paperwork. Tag the part with the reported defect.
Customers and non-authorized servicers may order non warranty parts at www.partsformarvel.com. Authorized servicers with a servicer login may order non-warranty parts at www.marvelrefrigeration.com.
R-600A Specifications & Handling
WARNING
Flammability warnings for a pure-iso-butane refrigerant.

Gloves and Eye Protection must be used.

R-600a is considered non-toxic, but is flammable when mixed with air.
Keep a dry powder type fire extinguisher in the work area.
R-600a is heavier than air, do not allow any leakage/migration to low areas such as basements and stairs.
Never use a torch on a fully charged refrigeration system.
Never substitute Marvel OEM replacement parts or methods of construction.
R-600a must be stored and transported in approved containers.
WARNING
Only skilled and well trained service technicians permitted to service R-600a equipped products.
All tools and equipment must be approved for use with R-600a refrigerant.
Local, state and federal laws, standards must be observed along with proper certification and licensing.
Ventilation is required during servicing.
No conversions to R-600a from any other refrigerants. OEM R-600a equipped unit only.
Service area must be free of ignition sources.
No smoking is allowed in the service area.
All replacement electrical components must be OEM and installed properly (sealed and covered).
If the evaporator is cold prior to service, it must be thawed prior to service.
When using a vacuum pump, start pump before opening refrigeration system.
Vacuum pump and recovery equipment should be at least 10 feet from the work area.
It is recommended that a simple LPG gas detector is on site during service.
Ensure that all R-600a is removed from the system prior to brazing any part of the sealed system.
Only a clean, dry leak free system should be charged with R-600a.
R-600A SPECIFICATIONS/LABELING
R-600a equipped products are labeled (both the unit and the compressor).
R-600a is colorless and odorless.
R-600a is considered non-toxic, but is flammable when mixed with air.
Do not remove or alter any R-600a labeling on the product.
Use only a refrigerant grade R-600a from a properly labeled container.
RECOVERING/RECLAIMING R-600A
(R-600a has been exempted from recovery/reclaiming requirements by the US EPA)
Recovery/Reclaiming equipment must be approved for use with R-600a.
Ensure the evaporator is at room temperature prior to recovery /reclaiming R-600a.
Use a common piercing pliers or piercing valve to remove R-600a from the compressor process tube. (Note: Piercing devices must not be lelt on the system and must be replaced with a Schrader type valve.)
Evacuate/reclaim via the piecing pliers to ensure the system is empty of R-600a before any system work is performed.
The recovery cylinder must be evacuated (no air inside) prior to accepting R-600a.
The recovery cylinder must not be filled more than 45% safe fill level and refrigerants must not be mixed.
The recovery cylinder must be clearly marked with R600a and Flammable Warning labels.
Ensure proper ventilation during recovery/reclaiming of R600a.
Start vacuum pump/recovery pump prior to piercing the compressor process tube.
Follow recovery/reclaim OEM instructions for the specific equipment used.
SYSTEM REPAIR
Ensure no residual R-600a refrigerant is left within the system prior to repair (simple venting is not sufficient).
Evacuate and charge with dry nitrogen for leak checks.
Repair leaks or replace system parts as required.
When re-brazing, the system must be purged with dry nitrogen and at least one access point open to the atmosphere.
When re-brazing, proper ventilation is required along with constant monitoring for the presence of R600a refrigerant.
The filter dryer must be replaced any time the sealed system is serviced.
No system should be open to the atmosphere for longer than 15 minutes to avoid moisture migration into the system components.
LEAK DETECTION
After removal of the R-600a, the unit can be charged with dry nitrogen or helium.
Electronic leak detection or soap solution can be used to check for nitrogen/helium leaks.
Never use a halide torch or lighted match to check the system for leaks at any time.
The high side of the refrigeration system (compressor discharge to outlet of drier) must be leak tested with the compressor running.
The low side of the refrigeration system (evaporator, compressor and suction line) must be leak tested with the compressor off (equalized pressure).
RECHARGING
No air is ever to be allowed inside the refrigeration system (R-600a refrigerant or dry nitrogen only).
Never use a torch on a fully charged refrigeration system.
Install a Schrader Type access port on the compressor process stub.

Evacuate the system to 100 microns prior to charging.
Weigh in the R-600a charge using a refrigerant scale. (run compressor an extra two minutes to clear the charging hoses).
Seal the Schrader Type access port, a proper cap and seal must be used to close the system.
SUMMARY
Safely handling R-600a requires proper procedures and training.
R-600a approved service tools must be used.
R-600a labeling must not be removed or altered.
Proper ventilation during service is required.
Never apply a torch to a charged R-600a refrigeration system.
Use OEM replacement service parts and do not alter the construction of the unit.
System Diagnosis Guide
REGRIGERATION SYSTEM DIAGNOSIS GUIDE
| System Condition | Suction Pressure | Suction Line | Compressor Discharge | Condenser | Capillary Tube | Evaporator | Wattage |
| Normal | Normal | Slightly below room temperature | Very hot | Very hot | Warm | Cold | Normal |
| Overcharge | Higher than normal | Very cold may frost heavily | Slightly warm to hot | Hot to warm | Cool | Cold | Higher than normal |
| Undercharge | Lower than normal | Warm- near room temperature | Hot | Warm | Warm | Extremely cold near inlet – Outlet below room temperature | Lower than normal |
| Partial Restriction | Somewhat lower than normal vacuum | Warm- near room temperature | Very hot | Top passes warm – Lower passes cool (near room temperature) due to liquid | Room temperature (cool) or colder | Extremely cold near inlet – Outlet below room temperature backing up | Lower than normal |
| Complete Restriction | In deep vacuum | Room temperature (cool) | Room temperature (cool) | Room temperature (cool) | Room temperature (cool) | No refrigeration | Lower than normal |
| No Gas | 0 PSIG to 25″ | Room temperature (cool) | Cool to hot | Room temperature (cool) | Room temperature (cool) | No refrigeration | Lower than normal |
Compressor Specifications
DANGER
Electrocution can cause death or serious injury.
Burns from hot or cold surfaces can cause serious injury. Take precautions when servicing this unit.
Disconnect the power source.
Do not stand in standing water when working around electrical appliances.
Make sure the surfaces you touch are not hot or frozen.
Do not touch a bare circuit board unless you are wearing an anti-static wrist strap that is grounded to an electrical ground or grounded water pipe.
Handle circuit boards carefully and avoid touching components.
| EMC46CLC | |
| REFRIGERANT | R600A |
| VOLTAGE | 115 VAC |
| FREQUENCY | 60 Hz |
| START WINDING | 5 Ohm at 77° F |
| RUN WINDING | 7 Ohm at 77° F |
| RUN TO START | 12 Ohm at 77° F |
| LRA | 8.0 A |
| FLA | 2.18 A |
| STARTING DEVICE | Run Cap 12VF 250V P2 |
| OVERLOAD | OLP 4TM302KFBYY5 |
*All resistance readings are± 10%
Troubleshooting – Extended
CAUTION
Never attempt to repair or perform maintenance on the unit until the main electrical power has been disconnected from the unit.
SPECIFIC ERRORS AND ISSUES
The advanced diagnostic capabilities of the electronic controls allows for easy and thorough troubleshooting.
Navigation of the control is the key and is explained in the CONTROL OPERATION section of the manual, along with control button layout, control function descriptions,
a service mode menu and service menu selection explanations.
Verification of temperature and thermistor performance can be identified by directly viewing thermistor readings in the service mode.
Included in this section are some diagnostic tips and of course, if additional help is required, please contact the Marvel, “Customer Care Facility” at +1.616.754.5601 for assistance.
NORMAL OPERATING SOUNDS
All models incorporate rigid foam insulated cabinets to provide high thermal efficiency and maximum sound reduction for its internal working components. Despite this technology, your model may make sounds that are unfamiliar.
Normal operating sounds may be more noticeable because of the unit’s environment. Hard surfaces such as cabinets, wood, vinyl or tiled floors and paneled walls have a tendency to reflect normal appliance operating noises.
Listed below are common refrigeration components with a brief description of the normal sounds they make.
NOTE:
Your product may not contain all the components listed.
- Compressor: The compressor makes a hum or pulsing sound that may be heard when it operates.
- Evaporator: Refrigerant flowing through an evaporator may sound like boiling liquid.
- Condenser Fan: Air moving through a condenser may be heard.
- Automatic Defrost Drain Pan: Water may be heard dripping or running into the drain pan when the unit is in the defrost cycle.
Solenoid Valves: An occasional clicking sound may be heard as solenoid valves are operated.
TROUBLESHOOTING GUIDE
| Concern | Potential Causes | Action |
| Not Cooling | Compressor overheating | Verify proper air flow through condenser. Is condenser clean? |
| Confirm condenser fan operation. | ||
| Compressor not operating | Test overload and relay, replace as needed. | |
| Compressor operating – no cooling | Refer to System Diagnosis Guide. | |
| Frozen Product | Control set too cold | Adjust Set Point Temp accordingly. |
| Thermistor failure | Check Error Log in Service Mode, OHM thermistor. | |
| Frost Buildup Inside Unit | Door Ajar or Restricted from Closing | Check door clearance to adjoining cabinetry. Check distribution of product in unit. |
| Thermistor failure | OHM thermistor | |
| Display Not Working | Display unplugged | Verify that both ends of the display wiring are firmly connected. |
| Display wiring broken or damaged | Perform continuity test of wiring and replace as needed. | |
| Interior Lights Not Working | Door switch misaligned or defective | Check the function of reed switch and door magnet adjustment. |
| Noisy | Refrigeration tubing touching cabinet | Carefully reposition tubing. |
| Fan blade obstruction (wiring, foam insulation, packaging material) | Remove obstruction. |
MAIN CONTROL
The main control board is very robust and is rarely the cause of system issues. It is important to fully diagnose the board for any suspected failures before attempting to remove the board for replacement or service. Follow the guidelines below to fully test and diagnose the main control.
Power Fault
If the unit does not (or seems to not) power on, follow the flow chart below to help diagnose the issue. Before begin ning it is important to first verify the unit is not simply set to sabbath mode.
CAUTION
Precautions must be taken while working with live electrical equipment. Be sure to follow proper safety procedures while performing tests on live systems.
REED SWITCH
A reed switch is used to monitor door state. When the door is closed it comes into contact with the reed which closes a circuit which turns the light and display off. When the door is open the reed moves outward and opens the circuit. If the door is left open for longer than 5 minutes the switch will trigger an error code and set an audible warning.
Control Operation-Service
UI BUTTON LAYOUT

- Hidden Button
-Access Service Menu
-No LED directly above. All LEDs turn on with button - Up Button
-Increases temperature
-Navigates through service menu - Down Button
-Decreases temperature
-Navigates through service menu - Light Button
-Activates light for 3 hours on select models
-Used to select items in service menu - Power Button
-Turns unit off/on - Clean Button
-Activates Clean Cycle on select models
-Toggles between zones in Dual-Zone models
CONTROL FUNCTION GUIDE
| FUNCTION | COMMAND | DISPLAY/ OPTIONS |
| ON/OFF | Press | Unit will immediately turn ON or OFF |
| Sabbath Mode | See “Sabbath Mode” section |
SHOWROOM MODE
This mode is designed to show units in a display environment. When in this mode the only functions will be the control and cabinet lights. The compressor, fans, etc.
will not operate. To enter/exit this mode hold the light key and the power key for 5 seconds. The display will f1ash once and beep and the degree symbol will begin to f1ash.
When the degree symbol is f1ashing the unit will allow the use of the control for demonstrations. The unit can be left in this mode indefinitely.
SERVICE MODE
This mode has options available for service diagnostics.
To enter the mode hold the hidden key for 10 seconds.
The display will show “O.” When in this mode use the up and down arrows to select the desired option. The LIGHT key is the ENTER key and will initiate the function. If
changing a setting, you must press the LIGHT key again to retain the changed setting. To exit the service mode scroll to option “O” and press the LIGHT key. After Ave minutes of not touching any keys the mode will also exit automatically.
Thermistors
Thermistors are used for various temperature readings.
Thermistors provide reliable temperature readings using a resistance which varies based on surrounding temperatures. If a faulty thermistor is suspected it may be tested using an accurate ohmmeter.
Both thermistors in the unit are identical. If a thermistor is suspected of being defective, the resistance can be verified. Place the thermistor in an ice water bath, the resistance should read 16.lk Ohms +/-5% on your meter.
Thermistor connections must be kept clean. A thermistor connection that has become corroded can cause resistance values from the thermistor to change as they pass hrough a dirty connection to the board.
It is for that reason that we apply dielectric grease to all of our thermistor connections. Dielectric grease will help to keep thermistor connections clean and dry.
If you change a thermistor in the unit please re-apply dielectric grease to the connection. If you encounter a dirty thermistor connection, you should replace the thermistor and the thermistor harness.
Thermistor error information can be found in the Control
Operations – Service section.
This unit has two thermistors.
Thermistor one (Zone):
Located along the right hand side wall. It is used to maintain the operating temperature within that zone.
Thermistor two (Evaporator):
Located on the evaporator. It is used for defrost.
THERMISTOR FAILURE
Zone Thermistor
If the zone thermistor in the unit fails, the unit will continue to cool in a backup mode (Self Preservation Mode) to preserve the integrity of the contents. The unit will otherwise operate normally.
Evaporator Thermistor
If the evaporator thermistor fails, the unit will rely on a preset defrost timer during defrost cycles. The unit will otherwise operate normally. Refer to defrost section. Thermistor Resistance Data
| Temp (F) | Temp (C) | Nominal Resistance (OHMS)* |
| -40 | -40 | 169157 |
| -31 | -35 | 121795 |
| -22 | -30 | 88766 |
| -13 | -25 | 65333 |
| -4 | -20 | 48614 |
| 5 | -15 | 36503 |
| 14 | -10 | 27681 |
| 23 | -5 | 21166 |
| 32 | 0 | 16330 |
| 41 | 5 | 12696 |
| 50 | 10 | 9951 |
| 59 | 15 | 7855 |
| 68 | 20 | 6246 |
| 77 | 25 | 5000 |
| 86 | 30 | 4029 |
| 95 | 35 | 3266 |
| 104 | 40 | 2665 |
| 113 | 45 | 2186 |
| 122 | 50 | 1803 |
| 131 | 55 | 1495 |
| 140 | 60 | 1247 |
| 149 | 65 | 1044 |
| 158 | 70 | 879 |
| 167 | 75 | 743 |
| 176 | 80 | 631 |
*(+/-5%)
HOUSEHOLD PRODUCT WARRANTY
Marvel Refrigeration (Marvel) Limited Warranty
ONE YEAR LIMITED PARTS & LABOR WARRANTY
For one year from the date of original purchase, this warranty covers all parts and labor to repair or replace any part of the product that proves to be defective in materials or workmanship. For products installed and used for normal residential use, material cosmetic defects are included in this warranty, with coverage limited to 60 days from the date of original purchase. All service provided by Marvel under the above warranty must be performed by a Marvel factory authorized servicer, unless otherwise specified by Marvel. Service provided during normal business hours.
TWO YEAR LIMITED PARTS & LABOR WARRANTY (MARVEL PROFESSIONAL PRODUCTS)
For two years from the date of original purchase, this warranty covers all parts and labor to repair or replace any part of the product that proves to be defective in materials or workmanship. For products installed and used for normal residential use, material cosmetic defects are included in this warranty, with coverage limited to 60 days from the date of original purchase. All service provided by Marvel under the above warranty must be performed by a Marvel factory authorized servicer, unless otherwise specified by Marvel. Service provided during normal business hours.
AVAILABLE THIRD YEAR LIMITED WARRANTY (MARVEL PROFESSIONAL PRODUCTS)
For designated Marvel Professional product, Marvel offers a one year extension of the two year warranty coverage from the date of purchase, free of charge. To take advantage of this third year warranty, you must register your product with Marvel within 60 days from the date of purchase at marvelrefrigeration.com and provide proof of purchase.
LIMITED FIVE YEAR SEALED SYSTEM WARRANTY
For five years from the date of original purchase, Marvel will repair or replace the following parts, labor not included, that prove to be defective in materials or workmanship: compressor, condenser, evaporator, drier, and all connecting tubing. All service provided by Marvel under the above warranty must be performed by a Marvel factory authorized servicer, unless otherwise specified by Marvel.
Service provided during normal business hours.
WARRANTY TERMS
These warranties apply only to products installed in any one of the fifty states of the United States, the District of Columbia, or the ten provinces of Canada. The warranties do not cover any parts or labor to correct any defect caused by negligence, accident or improper use, maintenance, installation, service, repair, acts of God, fire, flood or other
natural disasters. The product must be installed, operated, and maintained in accordance with the Marvel User Guide.
The remedies described above for each warranty are the only ones that Marvel will provide, either under these warranties or under any warranty arising by operation of law. Marvel will not be responsible for any consequential or incidental damages arising from the breach of these warranties or any other warranty, whether express, implied, or statutory. Some states do not allow the exclusion or limitation of incidental or consequential damages, so the above limitation or exclusion may not apply to you. These warranties give you specific legal rights, and you may also have other rights which vary from state to state.
Any warranty that may be implied in connection with your purchase or use of the product, including any warranty of merchantability or any warranty fit for a particular purpose is limited to the duration of these warranties, and only extends to five years in duration for the parts described in the section related to the five year limited warranty
above. Some states do not allow limitations on how long an implied warranty lasts, so the above limitations may not apply to you.
- The warranties only apply to the original purchaser and are non-transferable.
- These warranties cover products installed and used for normal residential use only.
- The warranties apply to units operated outside only if designed for outdoor use by model and serial number.
- Replacement water filters, light bulbs, and other consumable parts are not covered by these warranties.
- The start of Marvel’s obligation is limited to four years after the shipment date from Marvel.
- In-home instruction on how to use your product is not covered by these warranties.
- Food, beverage, and medicine loss are not covered by these warranties.
- If the product is located in an area where Marvel factory authorized service is not available, you may be responsible for a trip charge or you may be required to bring the product to a Marvel factory authorized service location at your own cost and expense.
- Units purchased after use as floor displays, and/or certified reconditioned units, are covered by the limited one year warranty only and no coverage is provided for cosmetic defects.
- Signal issues related to Wi-Fi connectivity are not covered by these warranties.
For parts and service assistance, or to find Marvel factory authorized service near you, contact Marvel Refrigeration:
MarvelRefrigeration.com • [email protected] • +616.754.5601
1260 E. Van Deinse St., Greenville, MI 48838
www.marvelrefrigeration.com
Marvel Refrigeration
1260 E. Van Deinse St.
Greenville MI 48838
616.754.5601
41015651 Rev A
12/14/20
All specifications and product designs subject to change without notice. Such revisions do not entitle the buyer to corresponding changes, improvements, additions, replacements or compensation for previously purchased products.





















