Jackson Control 24v ION-BLOCK Clean Air Ionization
ION Kit Overview
Designed to provide the correct amount of ionization to actively clean the air in a home or business environment and provide feedback through a closed contact closure if your ionization system is working. The Purify will alarm and let you know when the ionization is not working in your HVAC system. The unit will alarm to let you know when the ionization has stopped working, allowing you to make sure this issue is corrected so that you will have the comfort of knowing that the air in the space you live or work is always being cleaned.
Purify comes with ionization modules, sensing devices to ensure the ionization is working, a transformer for larger kits and feedback through a set of dry contacts to tell you the system is working. As with the standard ionization product, please make sure you inform us if this device is used in a smoking or kitchen environment so that the amount of ionization can be properly sized. If you are in a standard indoor air environment (no smoking or not a kitchen where there is fried foods), you would size each ionization block to do 2,000 CFM/ block. If you are in a smoking or a kitchen environment, each ionization block will only do 1,000 CFM/block.
ION Kit Package
Package Description
The Jackson Control ionization kit provides a field installation kit for what Jackson Control does in it’s ionization installation for packaged and split systems. The kits come complete with the correct amount of ionization for various tonnages of systems. These kits would be:
2-6 tons
7-12.5 tons
15-25 tons
30-50 tons
The kits include the correct amount of ionization devices, mounting brackets, core sensor and transformer when required (transformer required when more than 4 ion devices). This allows for you to provide ionization in either a new or existing unit and provide feedback with a contact closure that your ionization is working.
Part Number
Package Matrix
| Part # | ION-26-KIT | Quantities ION-712-KIT ION-1525-KIT | ION-3050-KIT | ||
![]() | Ionization air cleaner mod. # ION-0A*00 | 2 | 4 | 6 | 10 |
![]() | Mounting Plate mod. # UNV0016 | 2 | 4 | 6 | 10 |
![]() | Current Sensor mod. # SEN-0017 | 1 | 1 | 1 | 1 |
![]() | Transformer mod. # TRN-0005 | 0 | 0 | 1 | 1 |
| Terminal Strip | 1 | 1 | 1 | 1 | |
|
Electrical Data | 24v | 0.56A | 0.92A | N/A | N/A |
| 230v | N/A | N/A | 0.33A | 0.4A | |
| 460v | N/A | N/A | 0.17A | 0.2A | |
|
CFM | Standard Conditions | 4,000 | 8,000 | 12,000 | 20,000 |
| Smoking Conditions | 2,000 | 4,000 | 6,000 | 10,000 | |
| Total Weigh t | 1.9 lbs | 2.5 lbs | 6.65 lbs | 9.15 lbs | |
ION Kit Installation
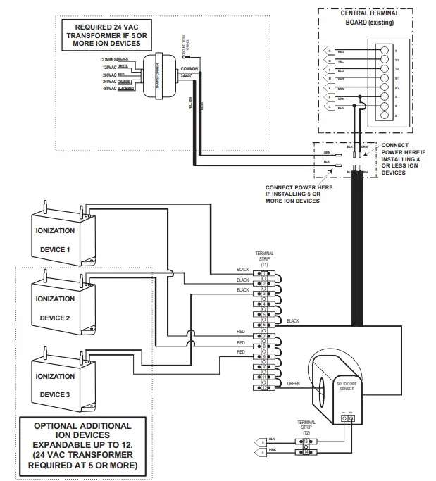
Purify comes with ion block(s), an ion mounting bracket, ion sensing module, a terminal strip that provides feedback through a dry contact closure and when there are 5 or more blocks in a kit, a 24 V power supply to provide enough power to the system.
The first step is to mount the ion generator (insert information and picture from economizer control install)
Once the ion generator(s) is/are landed, the wires from the ion generator need to be run back and landed on the terminal strip. See wiring schematic below. The ion core sensor needs to be mounted in the HVAC unit as well. This unit gets power from the existing 24 V power in the HVAC unit if there are less than 5 ion blocks. If there are 5 or more blocks, a 24 V power supply is provided and needs installed. Once the ion blocks and core sensor, terminal strip and power supply are mounted, you are ready to tie the feedback from the unit to whatever device you are using to monitor that ionization is always working See wiring schematic below.
Ion Generator(s)
- Next, mount your ion generator(s) so that the ionization cloud (refer to ion generator data sheet for more information) is in front of the inlet to the supply fan (some ion generator(s) should be installed by the inlet of the supply fan on the opposite side of the drive shaft and belt). See figure [1.3]. This may require the removal of the top panel on the RTU. If multiple blowers exist, evenly distribute the number of ion generators between them.
- If using multiple ion generators, tie the wires of each generator together after mounting (if using the mounting plate, mount the generators to the plate and tie the wires of each generator together before mounting each plate). Be sure to keep all wires away from the generator tips, moving objects and areas that may cause wires to be sucked into the blower.
ION Kit Operational Notes
Ionization can only clean the air when the fan on the HVAC unit is running. The thermostat fan setting should be put to On (not auto) to make sure the fan continually runs so that the air is constantly cleaned. If this is not done, you will find that the air cleaning done by the ionization will not be as expected.
Jackson Control 24v ION-BLOCK Clean Air Ionization
























