LDT 050062 Light Power Module

Instructions
At least one Light-Power-Module and one LightInterface (LI-LPT or LI-LAN), will build together the hardware of the PC-Layout-Light-Control Light@Night.
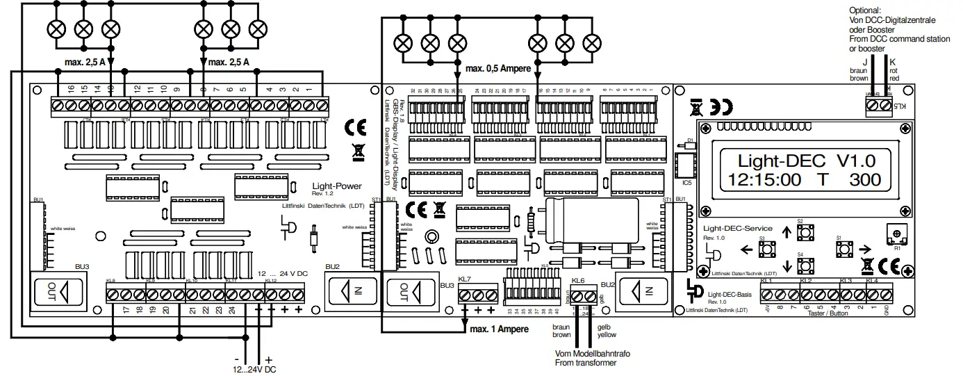
If a Light-Power-Module will be connected to a Light-DEC- Basic-Module it will be the basic unit for the Layout Light Control Light-DEC.
Light-Power-Modules contain 24 light outputs with a max. current-load of 2.5 Ampere each.
The light effects (e.g. neon lamps, emergency flash lights, light chains, traffic lights and many others) can be assigned individually to each of the 24 outputs.
Suitable for analog and digital model railways.
This product is not a toy! Not suitable for children under 14 years of age! The kit contains small parts, which should be kept away from children under 3! Improper use will imply danger of injuring due to sharp edges and tips! Please store this instruction carefully.
Introduction/Safety instruction
You have purchased the Light-Power-Module for the Light-Control Light@Night and Light-DEC of the assortment of Littfinski DatenTechnik (LDT).
We are wishing you having a good time using this product. The finished module comes with 24 month warranty.
- Please read the following instructions carefully. Warranty will expire due to damages caused by disregarding the operating instructions. LDT will also not be liable for any consequential damages caused by improper use or installation.
- Also, note that electronic semiconductors are very sensitive to electrostatic discharges and can be destroyed by them. Therefore, discharge yourself before touching the modules on a grounded metal surface (e.g. heater, water pipe or protective earth connection) or work on a grounded electrostatic protection mat or with a wrist strap for electrostatic protection.
- We designed our devices for indoor use only.
Connecting Light-Power-Module:
Attention: Before starting the installation switch off the drive voltage by pushing the stop button or disconnect the main supply.
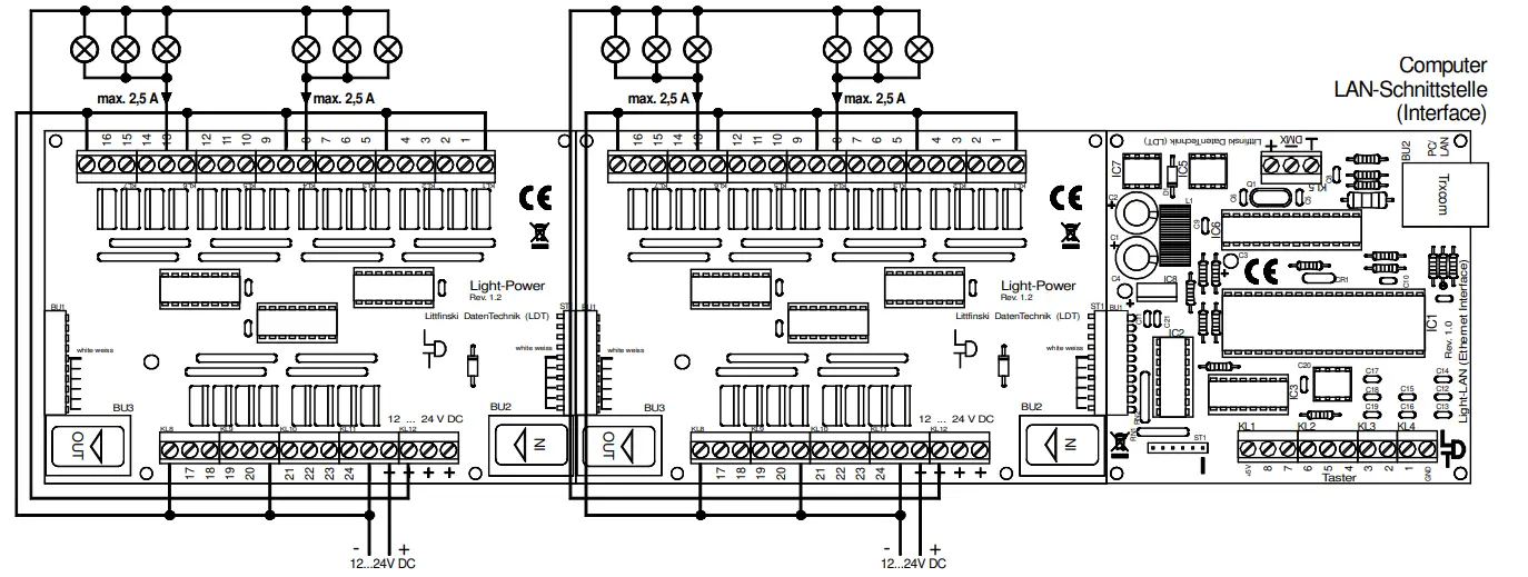
- Connect the Light-Power- Module to the Light-Interface (LI-LPT or LI-LAN), to the Light-DEC-Basic-Module or to already available Light-Power- or Light-Display-Modules via the 10-poles pin-plug-bar. Take care that there is no offset between pin-bar plug and pin-bar socket.
The modules are correct connected if the pc-board will be flush at top and bottom. The picture 1 at the rear side of this instruction shows the correct connection of the modules. Light- - Power- and Light-Display-Module do not need to be connected directly to each other.
It is as well possible to connect the module via the „Kabel L@N“ or via the screened and therefore interference protected „Kabel Patch“ (from Light-Power Version 1.2 and Light-Display Version 1.7). - Light-Power- Modules contain 24 outputs with a possible max. current load of 2.5 Ampere each. With reason to the possible high current output they are suitable for switching simultaneous many incandescent model railway lamps e.g. switching simultaneously light poles of one street.
Light-Power-Module and Light@Night:
The PC-Layout-Light-Control Light@Night consists of one Light-Interface (LI-LPT or LI-LAN) and from the PC-Software Version 2.0 of up to 7 Light-Modules with max. 280 light outputs. A mixed application of Light-Power- and Light-Display-Modules is possible. Light-Display-Modules contain 40 outputs each. Each output can cover a maximum load of 0.5 Ampere.
Light-Power- Module and Light-DEC:
- Via one Light- DEC-Basic-Module can be up to 160 light control outputs with max. 7 Light-Modules controlled. Therefore is it possible to combine any desired Light-Power- and Light-
- Display-Module. Light-Display- Modules provide 40 outputs with a possible current load of 0.5 Ampere.
If there are more than 160 light outputs required is it possible to install further Light-DEC-Systems.
Voltage supply to the Light-Power-Modules:
The Light-Power-Modules have to be supplied with 12 to 24 Volt DC. The positive pole of the direct current voltage has to be connected to one of the positive clamps of the Light-Power-Module. As the four clamps of the Light-Power-Module are connected to each other is it unimportant which clamp will be used.
The picture 1 at rear side of this instruction shows how to connect the negative pole of the direct current to all clamps which are marked with “-“. This is required to prevent the destruction of the printed circuit at the Light-Power-Module during high current load.
The used voltage level of the direct current depends to the incandescent model lamps which shall be connected to Light-Power-Module. The voltage layout of incandescent model lamps is mostly 16 Volt.
Feed the Light-Power-Module either by a direct current transformer or even better by a switched mode mains power supply (picture 2) which is able to supply a considerable higher current output. Suitable switched mode mains power supply e.g. with 15 Volt can be purchased by Conrad (www.conrad.com) and Reichelt Electronic (www.reichelt.de).
Please consider to implement a sufficient dimension of the wires in correspondence to the required current load. The table 1 at the rear side of this instruction shows the correlation between current load, wire cross section and cable length.
Connecting the lights
The common pole for all lamps is the positive pole. This connection is available within the four positive clamps of the Light-Power-Module.
All consumers will be switched to negative via the 24 outputs of the Light-Power-Module. The maximum current at each output can be up to 2.5 Ampere.
Picture 1: The Light-Power-Module has to get a direct current supply of between 12 and 24 Volt. Each of the 24 outputs can cover a maximum load of 25 Ampere.
Picture 2: Switched mode mains power supply are especially suitable for the supply to the Light-Power-Modules because of the possibility to supply a higher current level. Switched mode mains power supply can be purchased by Conrad- (www.conrad.com) and Reichelt Electronic (www.reichelt.de).
Picture 3: Attend to the correct polarity of the DC-current supply at the Light-Power-Modules.

Picture 4: The Layout-Light-Control Light-DEC consists of one Light-DEC-Basic and of up to 7 Light-Modules. Mixed usage of Light-Display- (right) and Light-Power-Modules (left) is possible.

Colored sample connections are available at our Web-Site www.ldt-infocenter.com within the section “Sample Connections”.
Table 1:
| current | wire cross section | wire cross section | wire cross section | wire cross section |
| 0.5 sq. mm | 0.75 sq. mm | 1.5 sq. mm | 2.5 sq. mm | |
| 1 Ampere | 7.0 meter | 10.5 meter | 21.0 meter | 35.0 meter |
| 2 Ampere | 3.5 meter | 5.3 meter | 10.5 meter | 17.5 meter |
| 3.5 Ampere | 2.0 meter | 3.0 meter | 6.0 meter | 10.0 meter |
| 4 Ampere | 1.8 meter | 2.6 meter | 5.3 meter | 8.8 meter |
| 5 Ampere | 1.4 meter | 2.1 meter | 4.2 meter | 7.0 meter |
Made in Europe by
- Littfinski DatenTechnik (LDT) Bühler electronic GmbH Ulmenstraße 43
- 15370 Fredersdorf
- Germany Phone: +49 (0) 33439 / 867-0
- Internet: www.ldt-infocenter.com
- Subject to technical changes and errors.



















