Hakko Soldering Station HAKKO FX-889 User Manual

Contents hide
Packing list and Parts Names

Specifications

Warnings, Cautions and Notes

Initial Setup

Operation



Parameter Setting



Maintenance

Checking Procedure

Error Messages

Troubleshooting Guide

Parts List (Station)

Parts List (Soldering Iron)

TIP Styles

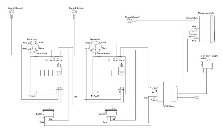
Wiring Diagram


[email protected]
[email protected]
[email protected]
Hakko Soldering Station HAKKO FX-889 User Manual – Optimize PDF
Hakko Soldering Station HAKKO FX-889 User Manual – Original PDF

















