
![]()

http://www.rega.co.uk/System1DemoVideo
Scan the QR code to watch the
Rega System One™ set-up video.
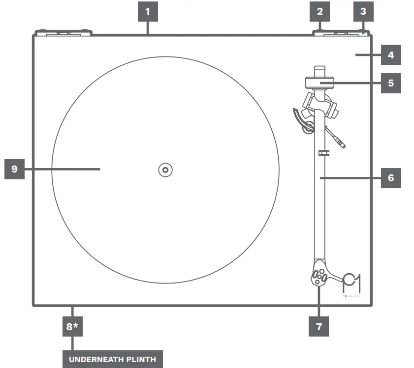
TURNTABLE CONTENTS
- POWER INPUT (REAR)
- PHONO OUTPUT (FROM TONEARM)
- REAR DUST COVER BRACKETS
- TURNTABLE PLINTH
- TONEARM BALANCE WEIGHT
- RB110 TONEARM
- CARBON CARTRIDGE (FITTED)
- ON/OFF SWITCH*
- PLATTER
WARNING: ONLY USE THE SUPPLIEDREGA PS2 MAINS ADAPTOR WITH THIS PRODUCT.
MAINS SPECIFICATIONS
| … | INPUT | OUTPUT |
| UK; EU; AUS/NZ | 230V AC 50Hz 40mA | 24V AC 100mA AC |
| KR | 220V AC 60Hz 40mA | 24V AC 100mA AC |
| USA | 115V AC 60Hz 90mA | 24V AC 100mA AC |
| JPN | 100V AC 50/60Hz 100mA | 24V AC 100mA AC |

QUICK SETUP

TURNTABLE SETUP
- Carefully unpack the turntable. Always keeping it upright.
- Place the turntable on a level surface.
- Connect the power supply to the rear of the turntable (1).
- Connect the phono output (2) to INPUT 1 on the io amplifier (PHONO).
- Remove the packing card (A) from beneath the sub-platter and fit the platter and mat.
- Fit dust cover into rear brackets (3) on plinth (4).
- To automatically set the required downforce, simply push the balance weight (5) onto the rear of the tonearm (6) until it fully reaches the stop point (B).
- Carefully remove the stylus guard from the Carbon cartridge (7).
- Turn on the Planar 1 via the on/off switch located on the left underside of the plinth (8).
- To change the RPM, simply move the drive belt between the 331/3 and 45 steps of the pulley as required (C).
- Bias is automatically set on the RB110 tonearm, no setting is required.


AMPLIFIER SETUP
The io will work well on most surfaces, such as a shelf or table, provided there is sufficient air around the amplifier to prevent overheating. Ideally, position the amplifier as far as the tonearm lead will allow. It is recommended NOT to stack other hi-fi equipment directly on top of the amplifier.
WARNING: Never place it on fabric or carpet.
WARNING: CASE CAN GET HOT.
CONNECTIVITY
All inputs are made via RCA (phono) connectors:
- Input 1: Phono (turntable)
- Inputs 2 and 3: Line level inputs (CD/streamer)
SHORT CIRCUIT PROTECTION
In the event that the speaker leads are accidentally shorted, short circuit protection is activated in the io amplifier. This will protect the output stage from excessive currents.
IMPORTANT: ALWAYS TURN OFF THE AMPLIFIER WHEN CHANGING LEADS AND SPEAKER CABLES.

REAR CONNECTIVITY
10. PHONO STAGE INPUT 1 (TURNTABLE)
INPUT 1 is a dedicated moving magnet (MM) phono stage designed to be used with the Planar 1 turntable.
IMPORTANT: Only ever connect a turntable to this input.
11. LINE LEVEL INPUT 2 & 3
Line inputs enable the connection of any additional sources such as CD players or music streamers.
12. LOUDSPEAKER OUTPUT
Top row: Left speaker – Red (+) and Black (-) Bottom row: Right speaker – Red (+) and Black(-)
13. MAINS INPUT
Only use the supplied mains cable. Only for use with the corresponding mains supply stated on the ratings label.
14. FUSE
Replace only with a specified fuse (see specifications for the fuse rating of your product).
15. GROUNDING NUT
For grounding third-party tonearms. NOT REQUIRED FOR USE WITH REGA SYSTEM ONE TM
AMPLIFIER CONTROLS
16. ON/OFF BUTTON
To turn the io on, press the black power button. After a few seconds, you will hear a relay ‘click’ and the io will be operational.
17. USING HEADPHONES
The io is capable of driving all standard hi-fi headphones via the 3.5mm stereo headphone jack located on the front panel (17). The headphone circuit has been optimized to
match the most commonly used headphones. When a headphone is inserted into the socket, the speakers will automatically be turned off. However, it is recommended to reduce the volume of the io before connecting any headphones to ensure they are not damaged and prevent any hearing damage.
WARNING: THE io IS CAPABLE OF GENERATING HIGH SOUND PRESSURE, POSING A HEARING DAMAGE RISK. TO PREVENT POSSIBLE HEARING DAMAGE, DO NOT LISTEN TO HEADPHONES AT HIGH LEVELS FOR LONG PERIODS OF TIME.
18. INPUT SELECT
To change between inputs, press the small black button located next to the row of input digits to cycle through 1-3. The selected input is highlighted in red. Input selection can also be changed with the supplied remote.
AMPLIFIER CONTROLS (CONT.)
19. MUTE
To mute the io amplifier press MUTE on the supplied remote. The (mute symbol) will be highlighted on the io front panel.

20. VOLUME CONTROL
The volume control has a minimum and maximum value which is indicated by the notch on the volume knob. The volume does not reset after each use. Before plugging in headphones, make sure the volume is reduced. This can also be adjusted via the supplied remote.
LOUDSPEAKER ASSEMBLY
Included with your KYTEs are two rear feet (21) and four Pozi No. 2 screws. These are required to install the rear foot on each speaker (you will need a PZ2/Pozi No. 2 screwdriver). Place the KYTEs overhanging the edge of a flat surface (Fig. A). Loosely fit the rear feet then move up onto a level surface before fully tightening to ensure the speaker will sit level in its final position (Fig. B).
IMPORTANT: NEVER place the speaker face down when fitting the feet to avoid damage to the drive units.
CONNECTION
Ensure the color terminals Red (+) and Black (-) are connected to the correct terminals at both loudspeaker and amplifier binding posts.
POSITIONING
The KYTEs can be used on stands, a sturdy shelf, or flat surfaces. Imaging and bass response can be tuned by adjusting the distance of the speaker from the rear wall. As with all loudspeakers, this will be dependent on the size of room, flooring and furnishings therefore some simple experiments trying different distances will help optimize the performance to your surroundings. In general, more bass is produced if the cabinet is positioned closer to a structural wall.
KYTE STAND ADAPTOR (OPTIONAL)
An optional metal base is available for purchase, which will offer greater compatibility with a wide range of third-party loudspeaker stands (see www.rega.co.uk for details).
REPLACING THE DRIVE UNITS
In the unlikely event, a drive unit needs to be replaced, it is necessary to remove the front fascia label to access the drive unit fixing screws. A new adhesive front panel label will
be supplied as standard with any replacement units. To remove the front panel label, we recommend accessing via the unit that requires replacement to prevent damage to the phenolic cabinet. We recommend that any servicing is carried out via a registered Rega dealer, you can find your nearest Rega dealer on www.rega.co.uk/dealers.


LIFETIME WARRANTY
All Rega products are covered by a lifetime warranty against manufacturing defects. This warranty does not cover wear and tear. Any unauthorized modifications or failure to follow the Rega recommended guidelines may invalidate the warranty. If returning goods for inspection to your retailer, the original packaging must be used to preserve the warranty. Damage caused during transport due to incorrect packaging may invalidate your warranty. Replacement packaging is available from any Rega retailer. Your statutory rights are not affected.
WEEE COMPLIANCE
This symbol indicates that the electronic equipment bearing it should not be disposed of as general household waste at the end of its life. The equipment should be disposed of t a collection point for waste electrical and electronic equipment in accordance with national legislation and Directive 2012/19/EU. For more information about how to
dispose of your waste electronic equipment, please contact your local authority or retailer where you purchased the product. In the UK, please return your product to the retailer.
SAFETY INSTRUCTIONS
Recommended ambient operating temperature 5 to 35°C. Allow adequate air circulation around the whole of the io especially its sides as this is where most of the heat is dispersed. This is crucial when the amplifier is running at high listening levels and for extended periods of time. This unit is intended for use in moderate climates. To reduce the risk of fire, electric shock, or product damage, do not expose the unit to rain, moisture, dripping, or splashing and ensure that no objects filled with liquids, such as vases, shall be placed upon it. Do not remove the case covers. There are no user-serviceable parts inside. Naked flame sources, such as lit candles, should be placed on the apparatus.
io SPECIFICATIONS
Input 1 (Phono) input sensitivity
2.1mV @ 47kΩ in parallel with 220pF
Headphone output
| No load | 8V |
| 32Ω | 1.6V |
| 54Ω | 2.4V |
| 300Ω | 5.7V |
Source impedance
109Ω
Maximum input 1 (Phono) input level
100mV
Power consumption
135W @ 230V / 220V / 115V / 100V
into the rated load of 8Ω
Input 2-3 (Line) input sensitivity
210mV @ 47kΩ
Frequency response
Phono: 15Hz to 40kHz (-3dB points) / 27Hz to 20.5kHz (-1dB points)
RIAA accuracy: (100Hz to 10kHz) ±0.4dB typically better than ±0.3dB
Line: 12Hz (-1dB points) to 43kHz (-3dB points)
Remote control batteries included – 2 x AAA Alkaline.
Maximum input 2-3 (Line) input level
10.25V
Fuse ratings
T1.6AL: 230V / 50Hz and 220V / 60Hz
T3.15AL: 115V / 60Hz and 100V / 50/60Hz
Power outputs at 230/115V supply voltage
30W RMS both channels are driven into the rated load of 8Ω
Warning
Continued high-level use into 4Ω may cause the case to exceed 40°C above the ambient temperature.
KYTE SPECIFICATIONS
System
2 way
Cabinet construction
Thermoset phenolic resin
Cabinet design
Bass reflex
Dimensions
W188 x H325 x D232mm
Weight (each)
3.73kg
Reflex port
Rear port
Impedance
Nominal 6Ω
Sensitivity
89dB
Power handling*
80W per channel
High-frequency unit
Rega ZRR
Mid / bass driver (doped cone)
Rega MX-125
*This power handling figure is a guide, however, this figure depends on the quality of amplification.


















