USSC Grills USG295SS Stainless Steel Portable Tailgate Tabletop Wood Pellet Grill

INTRODUCTION
Use only wood cooking pellets specified by the manufacturer. It is important to use only cooking pellets that is dry and free from dirt or other impurities. The cooking pellet industry has established standards for wood pellet manufacturers. We recommend that cooking pellets used in all U.S. Stove pellet burning grills meet or exceed the following specifications:
Use ONLY pelletized fuel formulated for cooking
Do Not Use Cooking Pellets Labeled as Having Additives
| Fines (fine particles) Bulk Density | Max through a 1/8” screen |
| Bulk Density | Min 40 lbs per cubic foot |
| Size | Max 3/8” Diameter by 1-1/2” length |
| Ash Content | 1% Max (Premium grade) |
| 3% Max (Standard grade) | |
| Ash Content | 8% Max |
| Moisture Content Heat Content | Min 8,200 btu’s per hour |
Use only wood pellets formulated for cooking in this pellet grill.
It is important to note that the ash content of the fuel and the frequency of operation will determine the frequency of required cleaning for this pellet grill. A high ash fuel may result in daily cleaning, while a low ash fuel may result in less frequent cleaning. Occasionally, impurities in the fuel will cause a hard mass build up in the burn pot of this pellet grill. Impurities, such as silica, can virtually form little glass balls when subjected to the high heat generated in the burn pot. When allowed to collect, a hard base build up may block air flow through the burn pot, which will significantly affect the performance and efficiency of this pellet grill. It is a good idea to check the burn pot for any hard mass buildup or other blockage on a daily basis, and if necessary, let the burn pot cool and then clean the burn pot.
U.S. Stove Company realizes that it cannot control the quality of cooking pellets you choose to use in your pellet grill; U.S. Stove assumes no responsibility for that choice.
CAUTION:
BE SURE TO STORE COOKING PELLETS A MINIMUM OF 3 FEET (914.5mm) AWAY FROM THE PELLET GRILL. RADIANT HEAT CAN IGNITE THE FUEL.
UNPACKING
The items included with this unit are listed below:
| 1 | Griddle |
| 2 | Small Rack |
| 3 | Large Rack |
| 4 | Hopper Finger Guard |
| 5 | Small Shield |
| 6 | Main Shield |
| 7 | Grease Pan |
| 8 | Lid Handle |
| 9 | Leg |
| 10 | 1/4”-20 X 1 Leveling Mount |
| 11 | Meat Probe |
SAFETY INFORMATION
WARNING:
- IMPORTANT: READ ALL INSTRUCTIONS BEFORE INSTALLING AND USING THE APPLIANCE. FAILURE TO DO SO MAY RESULT IN PROPERTY DAMAGE, BODILY INJURY, OR EVEN DEATH. PROPER UTILIZATION OF THIS GRILL IS CRUCIAL FOR SAFE AND EFFICIENT OPERATION.
- DO NOT THROW THIS MANUAL AWAY. THIS MANUAL HAS IMPORTANT OPERATING AND MAINTENANCE INSTRUCTIONS THAT YOU WILL NEED AT A LATER TIME. ALWAYS FOLLOW THE INSTRUCTIONS IN THIS MANUAL.
- WHEN GREASE OR CREOSOTE HAS ACCUMULATED, IT SHOULD BE REMOVED TO REDUCE RISK OF FIRE.
- DO NOT USE ACCESSORIES NOT SPECIFIED FOR USE WITH THIS APPLIANCE.
- DO NOT OPERATE THIS GRILL UNDER A CEILING OR OVERHANG.
- THIS APPLIANCE IS DESIGNED FOR THE USE OF PELLETIZED FUEL THAT IS SPECIFICITY MADE FOR COOKING. THE USE OF OTHER THAN COOKING PELLETS WILL NOT GIVE SATISFACTORY RESULTS.
- NEVER USE GASOLINE, GASOLINE-TYPE LANTERN FUEL, KEROSENE, CHARCOAL LIGHTER FLUID, OR SIMILAR LIQUIDS TO START OR “FRESHEN UP” A FIRE IN THIS APPLIANCE. KEEP ALL SUCH LIQUIDS WELL AWAY FROM THE APPLIANCE WHEN IN USE.
WARNING:
- ALLOW THE GRILL TO COOL BEFORE PERFORMING ANY MAINTENANCE OR CLEANING.
- YOUR GRILL REQUIRES PERIODIC MAINTENANCE AND CLEANING (SEE THE “MAINTENANCE” SECTION OF THIS MANUAL). FAILURE TO MAINTAIN YOUR GRILL MAY LEAD TO IMPROPER AND/OR UNSAFE OPERATION.
- NEVER TRY TO REPAIR OR REPLACE ANY PART OF THE GRILL UNLESS INSTRUCTIONS FOR DOING SO ARE GIVEN IN THIS MANUAL. ALL OTHER WORK SHOULD BE DONE BY A TRAINED TECHNICIAN.
WARNING:
- DO NOT TOUCH THE HOT SURFACES OF THE GRILL. EDUCATE ALL CHILDREN ON THE DANGERS OF A HIGH-TEMPERATURE GRILL. YOUNG CHILDREN SHOULD BE SUPERVISED WHEN THEY ARE IN THE SAME VICINITY AS THE GRILL.
- KEEP FOREIGN OBJECTS OUT OF THE HOPPER.
- THE HOPPER AND GRILL TOP WILL BE HOT DURING OPERATION; THEREFORE, YOU SHOULD ALWAYS USE SOME TYPE OF HAND PROTECTION WHEN REFUELING YOUR GRILL.
- NEVER BLOCK FREE AIRFLOW THROUGH THE OPEN VENTS OF THE UNIT.
- DO NOT PLACE CLOTHING OR OTHER FLAMMABLE ITEMS ON OR NEAR THIS GRILL.
- THIS APPLIANCE IS NOT INTENDED FOR COMMERCIAL USE.
WARNING:
- KNOW THE SYMPTOMS OF CARBON MONOXIDE POISONING: HEADACHE, DIZZINESS, WEAKNESS, NAUSEA, VOMITING, SLEEPINESS, AND CONFUSION. CARBON MONOXIDE REDUCES THE BLOOD’S ABILITY TO CARRY OXYGEN. LOW BLOOD OXYGEN LEVELS CAN RESULT IN LOSS OF CONSCIOUSNESS AND DEATH.
- CARBON MONOXIDE IS ESPECIALLY TOXIC TO MOTHER AND CHILD DURING PREGNANCY, INFANTS, THE ELDERLY, SMOKERS, AND PEOPLE WITH BLOOD OR CIRCULATORY SYSTEM PROBLEMS, SUCH AS ANEMIA, OR HEART DISEASE.
- SEE A DOCTOR IF YOU OR OTHERS DEVELOP COLD OR FLU-LIKE SYMPTOMS WHILE COOKING OR IN THE VICINITY OF THIS APPLIANCE. CARBON MONOXIDE POISONING, WHICH CAN EASILY BE MISTAKEN FOR A COLD OR FLU, IS OFTEN DETECTED TOO LATE.
- ALCOHOL CONSUMPTION AND DRUG USE INCREASE THE EFFECTS OF CARBON MONOXIDE POISONING.
CLEARANCE TO COMBUSTIBLES
WARNING:
- DO NOT UNPLUG THE GRILL IF YOU SUSPECT A MALFUNCTION. TURN THE “ON/OFF” SWITCH TO “OFF” AND CONTACT YOUR DEALER.
- DISCONNECT THE POWER CORD BEFORE PERFORMING ANY MAINTENANCE! NOTE: TURNING THE “ON/OFF” SWITCH TO “OFF” DOES NOT DISCONNECT ALL POWER TO THE ELECTRICAL COMPONENTS OF THE GRILL.
- A POWER SURGE PROTECTOR IS REQUIRED. THIS UNIT MUST BE PLUGGED INTO A 110 – 120V, 60 HZ GROUNDED ELECTRICAL OUTLET. DO NOT USE AN ADAPTER PLUG OR SEVER THE GROUNDING PLUG. DO NOT ROUTE THE ELECTRICAL CORD UNDERNEATH, IN FRONT OF, OR OVER THE GRILL. DO NOT ROUTE THE CORD IN FOOT TRAFFIC AREAS OR PINCH THE CORD UNDER ANY OBJECT.
WARNING:
- UNPLUG THE GRILL WHEN NOT IN USE.
- THE GRILL WILL NOT OPERATE DURING A POWER OUTAGE. IF A POWER OUTAGE DOES OCCUR, CHECK FOR UNSAFE BURN CONDITIONS THAT MIGHT HAVE OCCURRED.
- THE MOVING PARTS OF THIS GRILL ARE PROPELLED BY HIGH TORQUE ELECTRIC MOTORS. KEEP ALL BODY PARTS AWAY FROM THE AUGER WHILE THE GRILL IS PLUGGED INTO AN ELECTRICAL OUTLET. THESE MOVING PARTS MAY BEGIN TO MOVE AT ANY TIME WHILE THE GRILL IS PLUGGED IN.
SAVE THESE INSTRUCTION
OVERALL DIMENSIONS
WARNING:
THIS PELLET GRILL MUST BE INSTALLED WITH THE CLEARANCE TO COMBUSTIBLES AS SHOWN IN THIS MANUAL.
WARNING:
DO NOT OPERATE THIS GRILL UNDER A CEILING OR OVERHANG. WARNING: OPERATE YOUR PELLET GRILL ONLY ON A NONCOMBUSTIBLE FLOOR OR PROVIDE FLOOR PROTECTION ADEQUATE TO PROVIDE EMBER PROTECTION AROUND GRILL.
ASSEMBLY INSTRUCTIONS
READ ALL INSTRUCTIONS BEFORE USE
Use proper assembly technique when installing bolts, start all bolts first and then tighten appropriately.
Remove the grill and hopper contents for assembly.
LEG ASSEMBLY
Ensure the lids are latched shut and tilt the grill back. Be careful not to scratch the grill or the surface the grill is sitting on. Use the provided screws, lock washers, and flat washers to attach both legs to the bottom of the unit as shown.
Note: Use the four rubber leg levelers to level the grill.
Make sure the grill is always sitting level or is slightly tilted towards the drip pan.
HANDLE ASSEMBLY
The screws and washers that are required to attach the handle to the grill are already in the handle. Remove the screws and washers and attach the handle to the grill as shown.
DRIP PAN
Slide the grease pan onto the holes on the left-hand side of the grill. Once it is in position slide the drip pan down diagonally to the left to secure it to the grill.
INITIAL FIRING SYSTEM CHECK
IMPORTANT:
DO NOT PUT ANY PELLETS INTO THE HOPPER OR GRILL DURING THE INITIAL FIRING SYSTEM CHECK.
• Open the pellet hopper lid to check for foreign objects in the hopper.
- Plug the grill into a three-wire, grounded wall outlet.
- Press the power button to turn the unit on. DO NOT TOUCH THE AUGER OR THE IGNITOR! Open the hopper lid and check to see that the auger is turning freely – approximately 2 rpm. LOOK TO SEE THAT THE AUGER IS TURNING. DO NOT TOUCH.
- Place your fingers over the burn pot and feel the air movement from the combustion blower. Ignitor will glow within 1 minute.

- Press the power button to turn the unit off.
- Clean the small rack, large rack, small shield, large shield, and griddle with soap and water, then rinse. Allow the components to dry before continuing the assembly. DO NOT TOUCH THE IGNITOR OR THE AUGER.
GRILL GRATES, DRIP PAN, & FLAME PLATE INSTALLATION
Insert the main shield into the grill. Ensure the slot in the left side of the main shield hooks onto the corresponding tab The right side of the main shield will rest on the grease trap.
Place the small shield onto the main shield.
IMPORTANT:
KEEP THE SMALL SHIELD IN THE CLOSED POSITION AT ALL TIMES. WHEN THE SMALL SHIELD IS IN THE OPENED POSITION THE FLAME WILL HAVE DIRECT CONTACT WITH THE FOOD.
GRILLING GRATES AND GRIDDLE
The large and small racks can be installed in two different ways. The first is to stack the small rack on top of the large rack.
The second is to put the large rack into position and attach the small rack to the side of the grill as shown. The small rack can be attached on left or right side of the grill.

To use the griddle remove the two racks from inside the grill. Note the small rack can remain on the side of the grill while the griddle is in use. If the small shield is in the open position it will create a hot spot.
PREPARING THE GRILL FOR USE – SEASONING THE GRILL
IMPORTANT: THE GRILL MUST BE SEASONED BEFORE COOKING ANY FOOD ON IT FOR THE FIRST TIME.
The grill is now fully assembled and it is time to season the grill. The seasoning process is an important part of preparing your grill for use. It allows any oil residue from the manufacturing process to burn off and it allows the high-temperature paint to cure. Do Not place anything on the unit during the seasoning process as the paint could be permanently damaged. Once you have read and understood the “Standard Use And Operation” section of this manual follow the steps below to season the grill:
- a. Fill the hopper 1/2 full with cooking pellets.
- b. Press the power button to turn the grill on.

- c. Prime the auger by pressing and holding the “Temp Display” button for two minutes.

- d. Close the grill’s lid.
- e. When smoke is visible use the “Cook Temp” buttons to adjust the grill to the maximum temperature (500°F).

- f. Run the grill at maximum temperature for a minimum of 1 hour.
STANDARD USE AND OPERATION

ATTENTION:
FOR OUTDOOR USE ONLY. DO NOT USE THIS GRILL INDOORS.
• Make sure the grill is always sitting level or is slightly tilted towards the drip pan.
ATTENTION:
ENSURE EXHAUST OPENINGS ARE CLEAN AND CLEAR PRIOR TO EACH USE. NOTE: THE EXHAUST OPENINGS ARE LOCATED ON REAR OF THE GRILL LID.
STANDARD STARTUP SEQUENCE
- Fill the hopper with pellet fuel. Never leave pellets in the hopper and only use the minimum amount of pellets needed for cooking. Be sure to close and latch the hopper lid. Only burn pellet fuel that is specifically manufactured for use in pellet grills and cookers.
- Prime your auger press the button found on the control panel labeled “Temp Display” When pressed, the auger spins and feeds pellet fuel to the burn pot. Hold the “Temp Display” button in for up to 1 minute to prime the auger tube with pellets.
- Open the grill lid and press the “Power” button. The grill will automatically light 5 to 8 minutes after pressing the “Power” button. Remember, start-up times may vary based on outside ambient temperature and fuel quality).
NOTE: The startup mode will last approximately 15 minutes. Excessive smoke during startup is typical. - Set the control board to the desired cooking temperature using the “Cook Temp” buttons on the control board. Temperature settings are in 5°F increments.
- Once the grill ignites, you can hear a flowing sound slightly louder than the blower motor of the grill. At this point, the grill produces significantly less smoke. Close the grill lid once ignition has occurred.
NOTE: Allow the grill lid to remain closed during the pre-heat and as much as possible during cook time. Feed rates during run mode are determined by temperature readings. Each time the lid opens, the temperature goes down, causing the auger to feed more. This can lead to potential overcooking of food. - Check the actual temperature compared to the setpoint temperature by using the “Temp Display” button on the control board. The display button helps to determine when the grill has preheated to the desired cooking temperature.
STANDARD SHUTDOWN SEQUENCE
- To turn the grill off.
- Press the power button.
- The word “Cool” will show on the display, and the grill will enter a shutdown mode. The blower will continue to run until it has reached a safe temperature.
NOTE: Shutdown sequence can take up to 1 hour depending on the cooking temperature and the outside temperature.
DO NOT TURN THE GRILL OFF BY UNPLUGGING IT. SAVE THESE INSTRUCTIONS.
OPERATING TIPS
| Note: These are suggested approximations only and intended as guidelines only. For best results please follow appropriate recipe. | |||
| Meat Type | Cut | Cooking Temp. | Approximate Cook Time |
| Beef | Hamburgers | 425°F | 10 min on each side |
| T-Bone/Ribeye | 450°F | 10 to 20 min (depending on degree of doneness desired) turning once | |
| Tenderloin | 400°F | 25 to 30 min (depending on degree of doneness desired) | |
| Brisket | 225°F | 4-6 hrs | |
| Filet Mignon | 450°F | 10 to 15 min (depending on degree of doneness desired) turning once | |
| Flank Steak | 450°F | 10 to 15 min (depending on degree of doneness desired) turning once | |
| Ribs | 225°F | 3-4 hrs | |
| Pork | Loin | 350°F | lto 1.5 hrs |
| Baby Back Ribs | 325°F | 2 hrs | |
| Shoulder Steak | 325°F | 35 to 40 min | |
| Ground Pork | 300°F | 45 min | |
| Pork Chops | 325°F | 45-50 min | |
| Chicken | Breast | 350°F | 25-30 min, turning once 1/2 way through |
| Thighs | 350°F | 40-45 min | |
| Whole Chicken 4-5Ibs | 450°F | 70-90 min | |
| Turkey | 10-121b Turkey | 325°F | 3 hrs |
| Legs | 225°F | 4-5 hrs | |
| Lamb | Rack of Lamb | 400°F | 30 min, for Rare, longer if desired |
| Lamb Chops | 450°F | 12 min, turn once 1/2 way through | |
| Salmon | Filet | 350°F | 25-30 min |
| Cod | Loin | 400°F | 20 min |
| Scallops | Scallop | 450°F | 8-10 min |
| Shrimp | Whole Shrimp | 450°F | 2-3 min/side |
| Lobster | Tail | 400°F | 25-30 min |
- When the grill is plugged in, the control board will flash through a sequence of letters and numbers before going to a blank display screen.
- When the grill is turned on, there will be three flashing lights found between the numbers of the display. The three lights will continue to flash until the grill reaches 180°F, then the startup sequence will be finished.
- Grill operating temperatures are 180°F to 500°F.
- When the grill is first turned on, the control board will go to 350°F on the first ignition. If the grill has been used, the control board will go to the last setting used.
- “Smoke” mode ranges from 180°F to 230°F. The concentration of smoke will vary depending on the temperature selected. There will be a higher concentration of smoke at lower settings than there is when operating at higher temperatures while smoking.
- The combustion blower is on constantly while cooking and does not vary in speed.
- If the grill is turned off during “Startup” mode, everything shuts off without a shutdown sequence.
- If the flame plate is installed improperly, a burn back may occur due to the airflow restrictions at the burn pot.
- If the grill is in “Smoke” mode and change to “Cook” mode, the temperature will automatically go to 450°F.
- Temperature control doesn’t begin to control the feed rate for 15 minutes, due to the 15-minute start-up sequence.
- Make sure to unplug the grill only after it has gone through the shutdown sequence, cooled off, and is not in use.
- DO NOT unplug the grill during use or to shorten the shutdown sequence.
MEAT PROBE
The grills meat probe will track the temperature of the food as it cooks without having open the grill lid several times to test the food with an instant-read thermometer. The correct placement of the meat probe is especially important when cooking at a higher heat as opposed to low and slow; because there is such a large difference within just one inch of space in the food. When inserting
the meat probe, avoid the bone because it will give inaccurate readings. After inserting the probe, make sure it is secured into place. As the thermometer nears its target temperature, spot-check other areas to see if they are also close. Be careful, the meat probe and its wires are hot.
To use the meat probe, first follow the startup instructions in this manual. Bring the grill up to the desired temperature. Once preheating is complete, place the meat onto the grill surface with the probe inserted into the best section of meat. Plug the meat probe into the display panel and push the “Temp Display” button until both the “Actual” and “Setpoint” lights are not lit. The temperature shown on the display will be the internal meat temperature. Using the meat probe will prevent the need of opening and checking the internal meat temperature, therefore preserving heat and pellet usage.
MAINTENANCE
Failure to clean and maintain this unit as described in this manual may cause poor performance and hazardous situations. Adjust the maintenance schedules based on the frequency of usage to ensure the proper operation and maximum efficiency of this pellet grill. When performing any maintenance on this grill, make sure the unit has powered off, allowed full shutdown sequence, and then unplugged from the power source.
| Maintenance Schedule | |
| Operation | Interval |
| Clean main shield and small shield | After Each Use |
| Inspect and clean burn pot | After Each Use |
| Inspect hopper for fines (sawdust) | Biweekly |
| Ash removal | After Each Use |
| Inspect/clean combustion air blower | Annually |
| Exhaust openings (rear of grill lid) | After Each Use |
CLEAN DRIP PAN
Note: Allow the unit to cool to ambient temperature
before inspecting or cleaning the grill.
- Take out the large rack.
- Scrape drippings down the grease drain and into the grease pan provided.
- Clean the main shield and small shield with a foodsafe de-greasing agent and ensure all the cleaning solvents and chemicals are thoroughly rinsed off after cleaning.
- Empty the grease pan if necessary.
- Reinstall the large rack.
INSPECT AND CLEAN BURN POT
Note: Allow the unit to cool to ambient temperature before inspecting or cleaning the grill.
- Remove the large rack, small shield, and main shield.
- Inspect the burn pot to check that the combustion air holes have not become plugged. If necessary, clean thoroughly.
- Replace the main shield, small shield, and large rack.
INSPECT HOPPER FOR FINES
Note: Allow the unit to cool to ambient temperature before inspecting or cleaning the grill. Periodically check the hopper for pellet dust (fines) build-up. The accumulation of fines can reduce the efficiency of the grill, increase the chance of hopper fires, and other unsafe operating conditions. If dust (fines) accumulate sufficiently, vacuum out and reload the hopper with new pellets.
ASH REMOVAL
Note: Allow the unit to cool to ambient temperature before inspecting or cleaning the grill.
- Use an ash vacuum to remove ashes from the burn pot and the bottom of the grill’s body. We suggest using the AV15E AshVac vacuum. The AV15E AshVac is designed for ash removal. Some regular vacuum cleaner (i.e. shop vacs) may leak ash into the room.
DO NOT VACUUM HOT ASH.
WARNING:
BE SURE ALL ASH EMBERS ARE EXTINGUISHED AND ALL ASHES ARE COOL TO THE TOUCH BEFORE VACUUMING. - Dispose of ashes into a metal container.
DISPOSAL OF ASHES
Ashes should be placed in a steel metal container with a tight-fitting lid. The closed container of ashes should be placed on a non-combustible floor or on the ground well away from all combustible materials, pending final disposal. If the ashes are disposed of by burial in soil or otherwise locally dispersed, they should be retained in the closed container until all cinders have been thoroughly cooled. Do not place other waste in the same container.
INSPECT AND CLEAN COMBUSTION AIR BLOWER
Note: Let the unit cool to ambient temperature before inspecting or cleaning the grill.
DANGER:
RISK OF ELECTRIC SHOCK. DISCONNECT POWER BEFORE SERVICING UNIT.
Over time, ash or dust may accumulate on the blades of the fans. Inspect the fans and if any accumulation is present vacuum clean. The accumulated ash or dust can impede the fan’s performance.
- Open the service panel by removing the four screws.

- Inspect the fan for dust or ash build-up and clean if necessary.
- Close the service panel and reinsert screws.
INSPECT AND CLEAN EXHAUST VENTS
Note: Let the unit cool to ambient temperature before inspecting or cleaning the grill.

Over time the exhaust vents at the rear of the grill may get clogged. IT IS VERY IMPORTANT that these are cleaned properly and checked often.
TROUBLESHOOTING
| ERROR CODES | |
| Possible Causes | Possible Remedies (Unplug grill first when possible) |
| Error Code 1 – Power Failure – The power failed while the grill was operating and the grill temperature was below the warm set point when power was returned | Call Customer service (800) 750-2723 if the error doesn’t go away by restarting. |
| – Error Code 2 Grill Temperature drops – significantly / Failure to Ignite Grill has ran out of pellets, Auger is not turning. Igniter did not ignite pellets. | Check to see if the grill has ran out of pellets. If there are still pellets in the hopper check to see if the auger is turning. If the auger is not turning it may be jammed or the auger motor has failed. If the grill does not ignite check to see if the Igniter is working. If the igniter is not getting hot call customer service at (800) 750-2723 |
| Error Code 3 – The circuit for the temperature probe (temperature probe mounted in the grill) is open. | Check to see if the wires for the temperature probe have come unplugged. If they are not unplugged the temperature probe has failed. |
| GRILL WILL NO IGNITE | |
| Possible Causes | Possible Remedies (Unplug grill first when possible) |
| Verify power at the electrical outlet | Plug another electrical device into that outlet to confirm power |
| If the power cord is connected to a GFI (Ground Fault Interrupter), check and reset if necessary | Reset the GFI and initiate startup procedure |
| GRILL ENTERS SHUTDOWN MODE UNEXPECTEDLY | |
| Possible Causes | Possible Remedies (Unplug grill first when possible) |
| The convection blower is overheating and tripping the internal temperature shutoff | Clean any dust off of the fan blades. If oiling the blower does not help, the blower may be bad. |
| Fuel other than wood pellets is being burned in the grill | This pellet grill is designed and tested to use cooking wood pellets. Check for signs of fuel other than wood pellets. No other types of fuel have been approved for this pellet grill. If there are signs of other types of fuel being used, stop using them immediately. |
| Power surge or brown out situation | A power surge, spike, or voltage drop could cause the temperature probe to malfunction. Use a surge protector |
| Temperature probe is malfunctioning | If the other items check out good, replace the temperature probe. |
| POWER FAILURE DURING USE | |
| Possible Causes | Possible Remedies (Unplug grill first when possible) |
| Power goes out during operation | Observe the grill to make certain unsafe burning conditions do not occur during the outage. |
| AFTER GRILL HAS BEEN ON FOR A WH LE, THE BURN POT OVERFILLS | |
| Possible Causes | Possible Remedies (Unplug grill first when possible) |
| Grill is dirty, which restricts airflowthrough the burnpot | Follow all cleaning procedures in the “Maintenance” section of the owner’s manual. |
| Burnpot holes are blocked | Remove the burnpot and thoroughly clean it. |
| Blockage in air intake pipe | Visually inspect the air intake that leads into the burnpot for foreign material. |
| Combustion blower is not spinning fast enough | Clean fan blades and inspect bearings for wear. Ensure the fan is free of any obstructions. |
| Bad Pellets | The brand of pellets or the batch of pellets that is being used may be of poor quality. If possible, try a different brand of pellets. It is advisable to try a brand that is made from a different type of wood (softwood vs. hardwood). Different woods have different characteristics when being burned. |
| GRILL FEEDS PELLETS, BUT WILL NOT IGNITE | |
| Possible Causes | Possible Remedies (Unplug grill first when possible) |
| Bad igniter element | Put power directly to the igniter element. Watch the tip of the igniter from the front of the grill. After about 2 minutes the tip should glow. If it does not, the element is bad. |
| The control board is not sending power to the igniter | Check the voltage going to the igniter during startup. It should be 110-115 volts. If the voltage is lower than full voltage, check the wiring. If the wiring checks out good, the board could be bad. |
| GRILL WILL NOT FEED PELLETS | |
| Possible Causes | Possible Remedies (Unplug grill first when possible) |
| Temperature probe is defective | Wait for the grill to cool for about 30 – 45 minutes. Check the temperature probe to see if it’s bad. Check resistance with volt meter. |
| Bad auger motor | Remove the six retaining screws in the service panel. Remove the auger motor from the auger shaft and try to run the unit. If the motor will turn, the shaft is jammed on something. If the motor will not turn, the motor is bad. |
| Auger jam | Start by emptying the hopper. Then remove the auger motor by removing the auger pin. Remove the two screws holding the auger bushing. Gently pull the auger shaft straight out so that the end of the auger shaft comes out. After the shaft is removed, inspect it for bent flights, burrs, or broken welds. Remove any foreign material that might have caused the jam. Also, check the auger tube for signs of damage such as burrs, rough spots, or grooves cut into the metal that could have caused a jam. |
| Loose wire or connector | Check all wires and connectors that connect to the auger motor, temperature probe, and fan. |
| Bad control board | If the fuse and the wires and connectors check out good, and if the high limit switch did not trip, test for power going to the auger motor. If there is not a full current going to the auger motor when the fuel feed light is on, the control board is bad. |
REPLACEMENT PARTS

| Key | Part # | Description | Qty |
| 1 | 893554 | Small Rack | 1 |
| 2 | 893553 | Large Rack | 1 |
| 3 | 893556 | Small Shield | 1 |
| 4 | 893555 | Main Shield | 1 |
| 5 | 893552 | Grease Pan | 1 |
| 6 | 83689 | 1/4″-20 X 1 Leveling Mount | 4 |
| 7 | 80870 | Control Board | 1 |
| 8 | 80830 | Ignitor Cartridge (Ceramic) | 1 |
| 9 | 893322 | Auger | 1 |
| 10 | 80878 | RTD Temperature Probe | 1 |
| 11 | 80877 | Exhaust Fan | 1 |
| 12 | 80879 | Auger Motor | 1 |
| N/S | 80843 | Meat Probe | 1 |
To order parts:
Call 1-800-750-2723 Ext 5051 or
Email to: [email protected]
IN ORDER TO MAINTAIN WARRANTY, COMPONENTS MUST BE REPLACED USING ORIGINAL USSC PARTS PURCHASED THROUGH YOUR DEALER OR DIRECTLY FROM USSC. USE OF THIRD PARTY COMPONENTS WILL VOID THE WARRANTY.
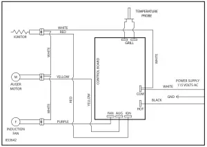
WIRING DIAGRAM

HOW TO ORDER REPAIR PARTS
For Parts Assistance Call: 800-750-2723 Ext 5051 or Email: [email protected]
The information in this owner’s manual is specific to your unit. When ordering replacement parts the information in this manual will help to ensure the correct items are ordered. Before contacting customer service write down the model number and the serial number of this unit. That information can be found on the certification label attached to the back of the unit. Other information that may be needed would be the part number and part description of the item(s) in question. Part numbers and descriptions can be found in the “Repair Parts” section of this manual. Once this information has been gathered you can contact customer service by phone 1-800-750-2723 Ext 5051 or Email [email protected].
| Model Information | |
| Model Number | |
| Serial Number | |
NOTES
© 2021 United States Stove Company
























