
Restoration&Moisture&Ventilation
Zeus 900 Owners Manual
READ AND SAVE THESE INSTRUCTIONS
Safety Notes
WARNING:
- Do not adjust or alter the unit in any way. Only use the parts approved by AlorAir. Any adjustments or use of unauthorized parts will void your warranty. For further assistance, contact your installing distributor.
- Do not let children play with unit. Always keep the unit out of reach of children.
- Do not restrict airflow to unit.
- Do not use unit with extension cords.
- Do not use an external speed control device.
- Do not drop or throw the unit. This could damage the inner parts and wiring.
- Do not use the unit in standing water.
- Do not use the unit outside as the internal components may get damp.
- Do not use air mover with a malfunctioning outlet or plug.
- Do not run power cord under the carpet, runners, or other coverings.
While Operating the Zeus 900:
- Always use a grounding plug and grounded electric outlet to reduce risk of fire and shock.
- Always use caution when stacking units to prevent them from falling. Avoid stacking units in crowded areas.
- Always secure units during transportation to prevent them from moving.
- Always maintain a reasonable distance between the air inlet and carpet or other materials. Failure to do so may clog the inlet or cause overheating.
- Always keep the motor free of dirt, dust, and other particles that could cause the motor to overheat. Clean the motor with a vacuum if it gets dirty.
- Always unplug the machine before performing any maintenance.
- Always contact an authorized technician for help repairing your machine.
- Always use the unit on a level, steady surface.
Identification
Congratulations on purchasing a Zeus 900 air mover. In order to take advantage of the warranty plan, be sure to note the serial number and date of purchase.
Serial Number:………..
Date of Purchase:…………..
Parts Identification 

Operation Position
Operating Instructions
NOTE: Prior to use, verify that the power cord and plug are not broken.
- Ensure the power switch is off, then unwrap the power cord and plug it into a standard 115V GFC I-protected outlet.
- Point the air outlet towards the area that needs to be dried.
- Press the Up or Down button to adjust the airflow speed on the panel.
- Once the surface is dry, turn the unit off and unplug the power cord.
- Wrap the power cord around the machine in a clockwise direction and secure with a clip.
- Use the handle to move the machine to the next drying area or to storage. The units may be stacked for transportation or storage. NOTE: Always keep the units dry.
Circuit Breaker Reset
The Zeus 900 is equipped with a Circuit Breaker Reset Switch to protect from fire or shock risk. The Circuit Breaker switch will:
- automatically cut off power to the machine if the circuit is overloaded
- automatically cut off power to the machine if it finds a ground fault
If reset switch is flipped, complete the following steps:
- Check the power line for any damage and ensure it is properly connected to a grounded outlet
- Press the Circuit Breaker Reset Switch to restart the unit
Maintenance
Cleaning the Housing & Impeller
If dust or dirt has accumulated on the impeller, you will need to disassemble the housing (see instructions on next page) to clean it. Do not use liquids to clean the impeller- only a cloth or pressurized air. The housing can be cleaned with a damp, cloth but always ensure it is dry prior to reassembling.
Housing Disassembly
To disassemble the housing for cleaning, follow the steps below:

- Remove four screws on from the impeller side.
- Remove the six screws from the unit base, then lift off the housing.
Limited Warranty
This limited warranty starts from the date of purchase Alorair Solutions Inc. warrants to the original purchaser that this ALORAIR product is free from manufacturing defects in material or workmanship for the limited warranty period of: Six (6) Months parts and labor. This includes the shipment charges for replacement parts or units. One (1) year parts and labor. The shipment fee to send the unit back to the manufacturer is not covered. Ten (10) years. Polyethylene body ONLY.
This limited warranty is valid only on products purchased from the manufacturer or ALORAIR authorized dealer and operated, installed, and maintained according to the instructions included in this user guide or furnished with the product. Alorair Solutions Inc will not provide in-home service during or after the warranty period. You may be responsible for the shipping charge to bring the product to the manufacturer for service. To receive warranty service, the purchaser must contact ALORAIR at 888-990-7469 or [email protected]. Proof of purchase or order number is required to receive warranty service. During the applicable warranty period, a product will be repaired or replaced at the sole option of ALORAIR.
Limited Warranty Exclusions
This limited warranty covers manufacturing defects in materials or workmanship encountered in a normal household, commercial or noncommercial use of this product and shall not cover the following:
- Damage occurs in uses for which this product was not intended for.
- Damage caused by unauthorized modification or alteration of the product.
- Cosmetic damage includes scratches, dents, chips, and other damage to the product’s finishes.
- Damage caused by abuse, misuse, pest infestation, accident, fire, floods, or other acts of nature.
- Damage caused by incorrect electrical line current, voltage, fluctuations, and surges.
- Damage caused by failure to perform proper maintenance of the product.
- Damage caused by using in a high humidity environment (75% or higher).
- Damaged caused by using next to combustible materials/equipment that may or may not produce carbon monoxide.
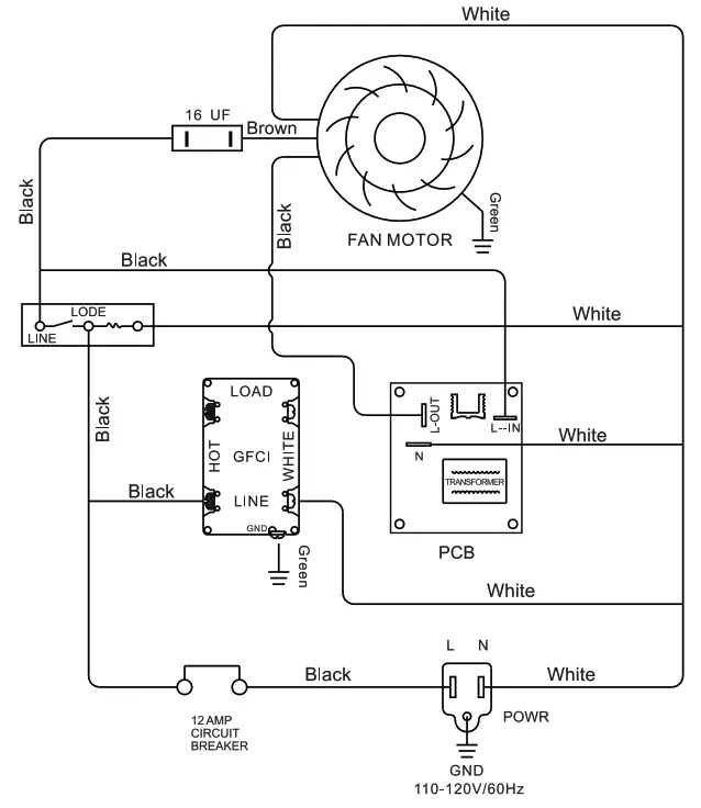
Wiring Diagram
Alorair Solutions INC.
Add:14752 Yorba Ct Chino CA91710 US
Tel: 888-990-7469
E-mail: [email protected]



















