SBBAT40AH Smartbitt Battery Cabinet

40Ah-12V Battery Cabinet
Cabinet Overlook
- Dimension (D x W x H): 900 mm x 626 mm x 1220 mm
- Net weight for empty cabinet: 103kg
Preparation
Mechanical Overview
- Battery cabinet
The “F” marks the front side of the battery cabinet. The “R” marks the rear side of the battery cabinet. - Battery shelf
The cabinet includes four trays, from L1 (bottom) to L4 (top).
Battery Requirement
- Lead-Acid cell type and quantity : 12V 40Ah x 40 pieces
- Maximum size for lead-acid battery (L x W x H ) :165 x 197 x 170 mm.

Cable Specification
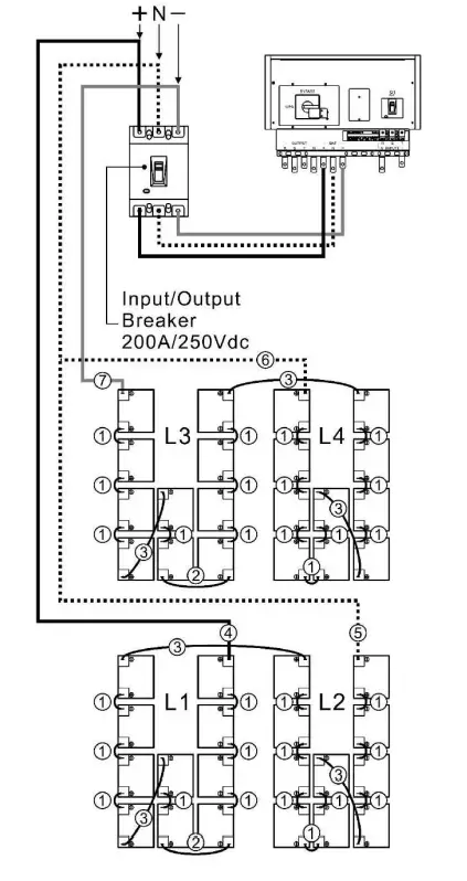
Battery Wiring
Installation
- Step 1: Pull out the latch from the front door hinge to remove door.

- Step 2: Remove M4 screws with a Phillips screwdriver. Then, take out the side, top and rear panels.

- Step 3: Remove M6 screws from each tray. Then, remove all trays from cabinet as shown below.

- Step 4: Install batteries. Please install battery inside of cabinet from the bottom (L1) to the top (L4). See below figure for internal wiring on the bottom layer (L1). Refer to the table and diagram in section 2-3 for the appropriate wire jumper needed.

- Step 5: Use the saved M6 screws to secure the battery tray L2.

- Step 6: See the below figure for internal wiring on the second battery layer L2. Refer to the table and diagram in section 2-3 for the appropriate wire jumper needed.

- Step 7: Use the saved M6 screws to secure the battery tray L3.

- Step 8: See the below figure for internal wiring on the third battery layer L3. Refer to the table and diagram in section 2-3 for the appropriate wire jumper needed.

- Step 9: Use the saved M6 screws to secure the battery tray L4.

- Step 10: See the below figure for internal wiring on the top battery layer L4. Refer to the table and diagram in section 2-3 for the appropriate wire jumper needed.

- Step 11: Use the saved M4 screws to reinstall and secure the side, top and rear panels to the battery cabinet frame.

- Step 12: Insert the latch to the door hinge and put the front door back to original position.

65Ah-12V Battery Cabinet
Cabinet Overlook
- Dimension (D x W x H): 900 mm x 626 mm x 1220 mm
- Net weight for empty cabinet: 103kg
Preparation
Mechanical Overview
- Battery cabinet
The “F” marks the front side of the battery cabinet. The “R” marks the rear side of the battery cabinet. - Battery shelf
The cabinet includes four trays, from L1 (bottom) to L4 (top).
Battery Requirement
- Lead-Acid cell type and quantity : 12V 40Ah x 40 pieces
- Maximum size for lead-acid battery (L x W x H ) :165 x 197 x 170 mm.

Cable Specification
Battery Wiring
Installation
- Step 1: Pull out the latch from the front door hinge to remove door.

- Step 2: Remove M4 screws with a Phillips screwdriver. Then, take out the side, top and rear panels.

- Step 3: Remove M6 screws from each tray. Then, remove all trays from cabinet as shown below.

- Step 4: Install batteries. Please install battery inside of cabinet from the bottom (L1) to the top (L4). See below figure for internal wiring on the bottom layer (L1). Refer to the table and diagram in section 2-3 for the appropriate wire jumper needed.

- Step 5: Use the saved M6 screws to secure the battery tray L2.

- Step 6: See the below figure for internal wiring on the second battery layer L2. Refer to the table and diagram in section 2-3 for the appropriate wire jumper needed.

- Step 7: Use the saved M6 screws to secure the battery tray L3.

- Step 8: See the below figure for internal wiring on the third battery layer L3. Refer to the table and diagram in section 2-3 for the appropriate wire jumper needed.

- Step 9: Use the saved M6 screws to secure the battery tray L4.

- Step 10: See the below figure for internal wiring on the top battery layer L4. Refer to the table and diagram in section 2-3 for the appropriate wire jumper needed.

- Step 11: Use the saved M4 screws to reinstall and secure the side, top and rear panels to the battery cabinet frame.

- Step 12: Insert the latch to the door hinge and put the front door back to original position.

100Ah-12V Battery Cabinet
Cabinet Overlook
- Dimension (D x W x H): 900 mm x 626 mm x 1220 mm
- Net weight for empty cabinet: 103kg
Preparation
Mechanical Overview
- Battery cabinet
The “F” marks the front side of the battery cabinet. The “R” marks the rear side of the battery cabinet. - Battery shelf
The cabinet includes four trays, from L1 (bottom) to L4 (top).
Battery Requirement
- Lead-Acid cell type and quantity : 12V 40Ah x 40 pieces
- Maximum size for lead-acid battery (L x W x H ) :165 x 197 x 170 mm.

Cable Specification
Battery Wiring
Installation
- Step 1: Pull out the latch from the front door hinge to remove door.

- Step 2: Remove M4 screws with a Phillips screwdriver. Then, take out the side, top and rear panels.

- Step 3: Remove M6 screws from each tray. Then, remove all trays from cabinet as shown below.

- Step 4: Install batteries. Please install battery inside of cabinet from the bottom (L1) to the top (L4). See below figure for internal wiring on the bottom layer (L1). Refer to the table and diagram in section 2-3 for the appropriate wire jumper needed.

- Step 5: Use the saved M6 screws to secure the battery tray L2.

- Step 6: See the below figure for internal wiring on the second battery layer L2. Refer to the table and diagram in section 2-3 for the appropriate wire jumper needed.

- Step 7: Use the saved M6 screws to secure the battery tray L3.

- Step 8: See the below figure for internal wiring on the third battery layer L3. Refer to the table and diagram in section 2-3 for the appropriate wire jumper needed.

- Step 9: Use the saved M6 screws to secure the battery tray L4.

- Step 10: See the below figure for internal wiring on the top battery layer L4. Refer to the table and diagram in section 2-3 for the appropriate wire jumper needed.

- Step 11: Use the saved M4 screws to reinstall and secure the side, top and rear panels to the battery cabinet frame.

- Step 12: Insert the latch to the door hinge and put the front door back to original position.

































