
Dental Cart System
Instruction for Use
User Responsibility
Thank you for choosing Beyes Comfortek® Dental Cart System. Before using this dental cart system, please carefully read this user manual as it contains important information for safety precautions, installation, unit operation, and maintenance.
1.1 Safety Precautions
Attention: This device should only be used by qualified and licensed Dental professionals
Avoid the use of Piezoelectric Scaler around pacemakers.
When connecting the device to the power supply, check the voltage rating before connecting the device to a power outlet to ensure that the required voltage and frequency match the actual power supply. If the power cable is damaged, do not insert the power cable into the power socket.
Please read this operating manual before use and fully understand the functions of each part.
- If there are any malfunctions observed (i.e. excessive vibration or heat generation) while the machine is in use, please turn the unit off immediately and contact Beyes or an authorized dealer.
- Do not dismantle the machine. This product should only be repaired by an authorized Beyes technician. The user of the product shall be responsible for any failure caused by improper use, faulty maintenance, or improper repair and damage caused by a technician that was not authorized by Beyes.
Product Introduction
Comforter Dental Cart System from Beyes is designed ergonomically with ultimate user comfort in mind. This complete mobile dental cart is height adjustable and has foot pedal control of water switch and suction to make your workflow quicker and easier. Along with a smooth and spacious tabletop design for easy cleaning and plenty of space for all necessary instruments. Our oil-free compressor makes maintenance easier and eliminates oil exposure to patients while providing a clean and dry work environment for you and your staff. We understand that there may be varying needs across different dental facilities. As such, Comforter Dental Cart System components are completely customizable to best fit your needs.
2.1 Application Scope
This equipment is a mobile cart system for mobile dentistry.
Comfortek® Dental Cart System is available in 4 models:
| Dental Cart System | Air Compressor | Suction system | |
| C1 | √ | √ | √ |
| C2 | √ | √ | |
| C3 | √ | √ | |
| C4 | √ |
2.2 Product size
Length: 45.1cm (17.75″)
Width: 45.1cm (17.75″)
Min height: 86.2cm(33.94”)
Max height: 115cm(45.28”)
Weight: 56kg(125lbs)
Technical Specifications
| Model | C1 | C2 | C3 | C4 |
| Input voltage | 115V AC or 220V AC | AC100-240V | ||
| Electric Current | 115V: 6Amps, 220V: 3Amps | 1.5A | ||
| Frequency | 115V: 60Hz, 220V: 50Hz | 50-60Hz | ||
| Capacitor | 30uF | / | ||
| Running mode | The maximum continuous operation time is 15mins | / | ||
| Tank Capacity | 5L(1.32gal) | / | ||
| Air pressure | 7.5bar(108psi) | / | ||
Product Diagram

Figure 1:
- Tabletop
- Suction System (C1/C3 model only)
- Water bottle (2)
- Height Adjustment Knob
- Air Compressor (C1/C2 model only)
- Foot Pedal Control
- 2.5-inch Castors

Figure 2 & Figure 3:
| 1. Air/Water Syringe 2. Suction Handpiece (C1/C3 model only) 3. High Speed/Low-speed handpiece 4. High-speed/Low-Speed handpiece 5. Piezo Scaler 6. Water Bottle Toggle Switch 7. Safety Toggle Switch (to depressurize water system) 8. Pressure Gauge for Handpiece (HS/LS) | 9. HDPE bottle 1000ml (Optional) 10. Chip Air Adjustment – Handpiece 11. Drive Air Adjustment – Handpiece 12. Water Flow Adjustment Knobs- Handpiece 13. Water Flow Adjustment Knob -Piezo Scaler 14. Power setting (Frequency Control) – Piezo Scaler 15. Bottle 1 16. Bottle 2 |
Figure 4 & Figure 5:
- Compressor ON/OFF Switch
- Safety purge valve
- Compressor Pressure Gauge
- Drain Valve
- Air Regulator Valve
- Main Power Switch
- Overcurrent protector
Symbols Legend
| Symbol | Symbol | ||
| Switch on | Handpiece water regulator | ||
| Switch off | Handpiece chip air regulator | ||
| Warning | Handpiece drive air regulator | ||
| Foot control | Water cooling | ||
| Water bottle toggle switch | Safety Toggle Switch (to depressurize water system) |
Unpacking & Set-Up
Figure 6: Carefully unpack the box (all accessories are contained in a small bag or box), please check the packing list to ensure components are complete. Have another person assist you to remove the unit from the box to avoid injury. The round foot pedal should be placed on the flat bottom plate.

Figure 7: Installation sequence from left to right
- Air water syringe
- Suction (install saliva injector tip or suction curved tip)
- High speed/Low-Speed Handpiece
- High speed/Low-Speed Handpiece
- To connect the piezoelectric scaler handpiece to the cord, align the pins on the handpiece with the cord coupler and gently but firmly push the handpiece into the cord coupler. Do not twist, turn or unscrew the handpiece while inserting into or removing it from the cord coupler. Then select the suitable scaling tip needed and screw it on the handpiece tightly by using the torque wrench (Figure 7.1)

Figure 8: Connect the power plug of the power and press the main power switch (when the low power supply voltage and load startup, may trigger an overload protector to cut off the motor’s power. At this time, the device needs to stand for approximately 10 seconds to cool down the protector. You may then press the reset button, the machine will return to normal.)

Figure 9: Connect the power cord of the instrument tray (C3/C4 external power supply access position)

Figure 10: Turn on the compressor using the red knob. Gauges are visible to monitor compressor pressure. The optimal pressures provide optimum efficiency and safety of the unit. The pressure gauge should indicate between 80 psi (5.5 bar) and 108 psi (7.5 bar). The compressor will automatically stop when the pressure reaches 108 psi (7.5 bar).

Operating Instructions

7.1 Changing water in the bottle
Fill the water bottles with distilled water (or your choice of solution) and install them by screwing them on at the bottom of the tabletop segment of the cart.
7.2 Water bottle toggle switch and water bottle safety toggle switch
A is the water bottle toggle switch, the left side is to set the water source to 1# water bottle 1/the right side is to set the water source to 2# water bottle 2
B is the safety toggle switch to pressurize or depressurize the water system. Turn the knob all the way to the left to pressurize the water system and all the way to the right to depressurize the water system.
Warning: Make sure the water system is depressurized before attempting to remove water bottles to add/change the solution.
7.3 Handpiece control

7.4 Air Water syringe

7.5 Drive air pressure and chip air regulator

7.6 Setting drive air
![]() | ![]() |
| 0.2-0.3 MPa (30-40 PSI) Low-speed handpiece | 0.3-0.4 MPa (40-60 PSI) High-speed handpiece |
7.7 Suction handpiece (Model C2/C4 do not have this function)

Please select and install the suction tip that best meets your treatment needs:
A. The curved suction tip is installed by directly inserting it into the suction handle
B. The saliva injector tip is installed by directly inserting it into the suction handle

To activate suction, press the button on the foot pedal

Use the knob on the handle to adjust the suction flow
Daily Cleaning and Maintenance
8.1 Unplug the unit from the wall and wipe down unit, cords, and handpieces with water and non-chloride non-iodine disinfectant. Use a solution that does not contain chloride or iodine to prevent staining of the unit.
8.2 The suction hose is exposed to pathogenic secretions, saliva, and blood on daily use. Therefore, for hygiene reasons, the used suction hose must be cleaned after each operation, especially if bleeding occurs during the operation. If treatment is prolonged, the suction hose must be cleaned at least once every 120 minutes, and once every day on and off work.
Warning: The capacity of the suction bottle is 1L. However, it is recommended to empty and clean the suction bottle after each use. The suction bottle should be cleaned out before exceeding 500 ML point or the risk of contamination may occur if suction gathered fluids spill.
| Instrument and hose | Cleaning Bottle I/ Bottle II In order to reduce the number of bacteria in the waterline, water can be used to clean the treatment instruments air water syringe Frequency of cleaning Daily before starting the work day and again, at the end of the work day. |
| Air water syringe | a. Take out the air water syringe from the holder b. Put the air water syringe over a sink or a bucket c. Press the water button of the air-water syringe for 20120 seconds (until water no longer sprays from the tip) d. Put the air water syringe back on the holder |
| Handpiece Cords | 1. Remove the High-Speed Handpiece and Low-Speed Handpiece from the holder 2. Disconnect the handpiece from the tubing cord 3. Adjust the water regulator for all equipment to maximum flow 4. Put the treatment cords over a sink or a bucket 5. Step on the foot pedal for 20 to 120 seconds to wash the waterline of the treatment instrument 6. Put the handpieces back on the holder |
| Foot Pedal | Improve its stability by regularly cleaning the foot switch • Clean the pedal with a damp cloth or water |
| Dirt cup | The instrument oil is collected in the dirt cup • The dirt cup needs to be clean after daily use • Clean the dirt cup weekly with a mild commercial cleaner |
| Suction system (Model C2 and C4 do not have this function) | 1. Put 0.6L of cleaning liquid into a separate container and mix well 2. Remove the extraction handle and start suctioning to make the cleaning solution work. Pay attention to the cleaning solution time specified by the manufacturer. 3. Drain the suction bottle cleaning solution and clean the suction plastic bottle, reinstall the equipment. |
8.3 High Speed and Low-Speed Handpieces Lubrication
Oil High Speed and Low-Speed handpieces prior to first use, and oil after every use.
- After cleaning the handpiece, apply lubricant before sterilization. lubricant is placed in the smaller of the 2 large holes at the base of the handpiece. Use only a high-quality lubricant such as BeyesLube.(Figure 11)
- Flush through with air for 30-45 seconds and wipe any excess lubricant from the handpiece.
- Place the handpiece in a sterilization pouch and follow your country-specific directives, standards, and guidelines for sterilization temperature and times. (Figure 12)

8.4 Piezoelectric Scaler and Handpiece Daily Cleaning
Disconnect the cord and Piezoelectric handpiece and clean the handpiece with a disinfectant (non-chloride, non-iodine). Do not immerse in any solution, including ultrasonic or cold sterile solutions, as this will damage the handpiece and void the Warranty. Make sure to remove any tips from the handpiece prior to sterilization.
- Dry handpiece with a clean cloth
- Place handpiece in sterilization bag and sterilize for 3 minutes at a maximum of 135 °C (Figure 12)
*Additional handpieces and tips can be purchased to accommodate sterilization turnaround time.
8.5 Compressor
- Open the drainage mechanism at the bottom of the air purge valve to empty the water inside. (Figure 13)
- At the end of the day, turn off the machine and unplug the electrical outlets.
- Loosen the screw on the drain valve below the tank to remove all pressure (a dry cloth is recommended to avoid getting wet). This will also eliminate condensation and extend tank life. Don’t forget to tighten the screws before starting a new day. (Figure 14)
- As for the backflow from high-speed air, the oil in the air is collected in the dirt cup. It is recommended to drain once a day. Please check the level of the dirt cup and empty it if necessary. (Figure 15)

Troubleshooting Guide
9.1 Error: No Power
- Ensure the power cord is plugged into a live wall circuit of the appropriate voltage
- The machine end is firmly plugged into the machine
- The main switch is on
- Ensure the overcurrent protector hasn’t popped
9.2 Error: The tank will not pressurize
- Ensure the compressor on/off switch is in the on position
- Ensure the drain valve is closed
- Ensure the safety purge valve is closed
- Check the tank pressure is set correctly
9.3 Error: Not getting the correct pressure at the tools (M4 lines)
- Check that the correct output pressure is set at the regulator on the compressor
- Check the drive air pressure regulator
9.4 Error: No water output
- Ensure both bottles are fully connected to the system (they don’t both have to be full but both must be connected for the system to pressurize)
- Check that the system is pressurized via the switch on the left side of the tray top (if you hear a hissing noise from the bottles after pressurizing the system check that the bottles are screwed on all the way)
- Make sure the correct bottle is selected at the toggle switch (left side in front of the pressurize switch)
- Check the water switch on the foot pedal is in the correct position
- For tools controlled via foot switch: check the water pressure regulators on the right side of the tray top (they control water volume going front to the back of the machine and control the hoses from left to right.)
9.5 Error: Dental instruments will not work when the foot switch is pressed
- Check that the selector switch (in the tool holder) is working (there is a switch in each of the tool “holsters” which allows that tool to be used)
- Adjust pressure regulator on the underside of tray top (the front most dial controls the chip air, while the rear controls the tool drive air)
- For the scaler make sure that the control knob for the strength of the vibrations is turned to the correct amount.
9.6 Error: No suction
- Make sure you are fully depressing the small push button switch on the foot pedal
- Ensure the suction control valve on the handpiece is at least partially on.
- Check that there is not a blockage in the suction line
9.7 Error: The compressor is louder than usual (note the compressor will always make some noise when running)
- Make sure the mute filter on the compressor is in place
- Check the anti-vibration devices that are between the compressor motor and the tank are in place.
- Check that all screws in the bottom half of the cart are tight.
9.8 Error: The Compressor motor and area are too hot (especially if the compressor shuts down)
- Make sure the compressor has proper ventilation (you can’t cover the vents or stop the air from circulating around the compressor it needs to breathe)
Note: For any errors experienced that are not found in this guide, please contact Beyes technical support
Replacement Parts
| Code | Parts | Pic |
| VHP6018P | M800P-M/PD | ![]() |
| HP6008 | PD Swivel | ![]() |
| MT2010 | Air Motor | ![]() |
| SL1002 | 4:1 Straight nose attachment | ![]() |
| 19054 | DPA FIRM | ![]() |
| 19053 | DPA SOFT | ![]() |
| UL2420 | Tip Wrench | ![]() |
| UL2022 | Scaler handpiece | |
| UL2300 | E-G1 | ![]() |
| UL2301 | E-G2 | ![]() |
| UL2302 | E-G4 | ![]() |
| UL2305 | E-P1 | ![]() |
| UL2306 | E-P3 | ![]() |
| C2360 | Turbine | ![]() |
| HSP3008 | Precision coupler o-ring set | ![]() |
| 8.04E+08 | 4-hole Gasket | ![]() |
| 8.71E+08 | Water Bottle 1 & 2 | ![]() |
| 8.71E+08 | Suction HDPE bottle 1000ml | ![]() |
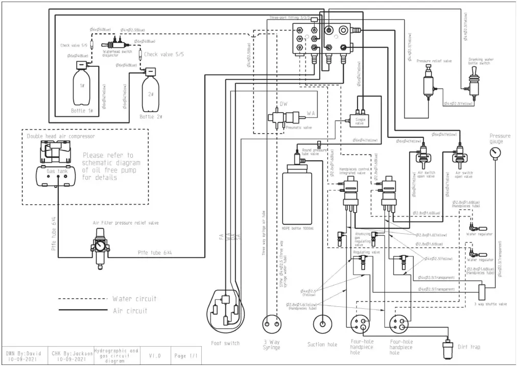
Water-air Connection Diagram

Electrical Connection Diagram

Technical Support
Please contact Beyes Dental Canada Inc. with any questions or concerns. Many technical support issues can be resolved over the telephone.
Beyes Dental Canada Inc.
23-595 Middlefield Road, Toronto,
ON, M1V 3S2,
Canada
Toll-Free: 1-855-603-1888
Phone: 1-416-281-1888
Fax: 1-855-720-1228
E-mail: [email protected]
http://beyes.ca/
Warranty
14.1 Scope of Warranty
BEYES Dental Canada Inc. (‘BEYES’) warrants to the original retail purchaser that it will be at BEYES’ discretion to repair or replace components of the dental products manufactured by BEYES (except for components not warranted under ‘Exclusions’) that are defective in material or workmanship under normal use and service. BEYES’ obligation under this limited warranty is limited to the repair or replacement of the applicable components. This limited warranty shall only apply to defects that are reported to BEYES within the applicable warranty period and which, upon examination by Beyes, prove to be defective. This warranty extends only to the first retail purchaser of a product and is not transferable or assignable. Replacement components or products may be used and/or refurbished components or products, provided they are of like quality and specifications as new components or products.
14.2 Applicable Warranty Period
The applicable warranty period, measured from the date of invoice to the original user, shall be as follows
- Comforter Dental Cart Systems are warranted for a period of 36 months
- Air Driven High-Speed Handpieces are warranted for a period of 12 months except for M200E
- Air Driven High-Speed Handpieces M200E are warranted for a period of 6 months
- Air Driven Low-Speed Handpieces are warranted for a period of 12 months
- Ultrasonic Scalers and Air Polishers are warranted for a period of 12 months
14.3 Exclusions
This limited warranty does not cover and BEYES shall not be liable for the following;
- defects, damage, or other conditions caused, in whole or in part, by misuse, abuse, negligence, alteration, accident, freight damage, negligent storage, tampering, or failure to seek and obtain repair or replacement in a timely manner;
- products that are not installed, used, and properly cleaned and maintained as required or recommended in the BEYES ‘Installation’ and/or ‘Installation/Operation Manual’ for the applicable product, including the specified structural and operational environment conditions and electrical power requirements;
- products considered to be of a consumable or sterile nature;
- accessories or parts not manufactured by BEYES;
- charges by anyone for adjustments, repairs, replacement parts, installation or other work performed upon or in connection with such products which are not expressly authorized in writing in advance by BEYES;
- costs and expenses of routine maintenance and cleaning;
- representations and warranties made by any person or entity other than BEYES;
- matching of color, grain, or texture except to commercially acceptable standards;
- changes in color caused by natural or artificial light;
- custom manufactured products;
- alterations or modifications to the product by any person or entity other than BEYES;
- Products that would otherwise be covered under Sections 1 and 2 of this limited warranty, but are acquired: (i) from a person or entity that is not BEYES or one of its authorized dealers; or (ii) from a BEYES dealer that is not authorized to sell the product at issue in the geographic territory where the purchaser is located or is not authorized to sell the product at issue within the medical, animal health or dental market, as the case may be, in which purchaser intends to use the product.
14.4 Exclusive Remedy; Consequential Damages Disclaimer
Beyes’ obligation under this limited warranty is the repair or replacement of defective parts. Beyes shall not be liable for and hereby disclaims any direct, special, indirect, incidental, exemplary, or consequential damages or delays, including, but not limited to, damages for loss of profits or income, loss of use, downtime, cover, and employee or independent contractor wages, payments, and benefits.
14.5 Warranty Disclaimer
This limited warranty is eyes only warranty and is in lieu of all other warranties, express or implied. Beyes makes no implied warranties of any kind including any implied warranties of merchantability or fitness for a particular purpose. This warranty is limited to the repair or replacement of defective parts.
14.6 Statue of Limitations
No actions may be brought against BEYES for breach of this limited warranty, implied warranty, if any, or for any other claims arising out of or relating to the products, more than ninety (90) days following expiration of the limited warranty period.

Federal law restricts this device to sale by or on the order of a dentist, physician, or any other practitioner licensed by the law of the states in which he or she practices to use or order the use of this device.
| Beyes Dental Canada Inc. 23-595 Middlefield Road Toronto, Ontario, M1V 3S2 Canada Tel: 1-855-603-1888 Fax: 1-855-720-1228 Email: [email protected] Website:www.beyes.ca | Lotus NL B.V.Koningin Julianaplein 10, Ie Verd, 2595AA, The Hague, Netherlands Tel: +31645171879 (English) +31626669008 (Dutch) Email: [email protected] Website: www.beyes.ca |
|



















Lotus NL B.V.
Printed in Canada
0197
















