AXIS T61 Mk II Audio and I/O Interface Series
AXIS T6101 Mk II Audio and I/O Interface
AXIS T6112 Mk II Audio and I/O Interface
User manual
Installation
![]()
To watch this video, go to the web version of this document.
help.axis.com/?&piaId=78844§ion=install
How to install AXIS T6101 Mk II Audio and I/O Interface
![]()
To watch this video, go to the web version of this document.
help.axis.com/?&piaId=78844§ion=install
How to install AXIS T6112 Mk II Audio and I/O Interface
Configure your device
About the device
When you connect your device to a supported Axis camera, settings for audio and I/O will appear on the camera’s webpage.
Note Make sure Link-Local address (Zero Cone) and IPv4 network protocols are turned on. Otherwise audio and I/O won’t work.
You can manage all the settings described in this manual through the camera’s webpage.
Set up rules for events
To learn more, check out our guide Get started with rules for events.
Trigger an action
- Go to System > Events and add a rule. The rule defines when the device will perform certain actions. You can set up rules as scheduled, recurring, or manually triggered.
- Enter a Name.
- Select the Condition that must be met to trigger the action. If you specify more than one condition for the rule, all of the conditions must be met to trigger the action.
- Select which Action the device should perform when the conditions are met.
Note If you make changes to an active rule, the rule must be turned on again for the changes to take effect.
Provide visual indication of an ongoing event
You have the option to connect the AXIS I/O Indication LED to your network camera. This LED can be configured to turn on whenever certain events occur in the camera. For example, to let people know that video recording is in progress.
Required hardware
- AXIS I/O Indication LED
- An Axis network video camera
Note For instructions on how to connect the AXIS I/O Indication LED, see the installation guide provided with the product.
The following example shows how to configure a rule that turns on the AXIS I/O Indication LED to indicate that camera is recording.
- Go to System > Accessories > I/O ports.
- For the port that you connected the AXIS I/O Indication LED to, click
to set the direction to Output, and click
to set the normal state to Circuit open. - Go to System > Events.
- Create a new rule.
- Select the Condition that must be met to trigger the camera to start recording. It can, for example, be a time schedule or motion detection.
- In the list of actions, select Record video. Select a storage space. Select a stream profile or create a new. Also set the Prebuffer and Postbuffer as required.
- Save the rule.
- Create a second rule and select the same Condition as in the first rule.
- In the list of actions, select Toggle I/O while the rule is active, and then select the port the AXIS I/O Indication LED is connected to. Set the state to Active.
- Save the rule.
Other scenarios where AXIS I/O Indication LED can be used are for example:
- Configure the LED to turn on when the camera starts, to indicate the presence of the camera. Select System ready as a condition.
- Configure the LED to turn on when live stream is active to indicate that a person or a program is accessing a stream from the camera. Select Live stream accessed as a condition.
Open the lock to a gate when someone is nearby
This example explains how to direct the camera and open a gate when someone wants to enter during daytime. This is done by connecting a PIR detector to the product’s input port and a switch relay to the product’s output port.
Required hardware
- Mounted PIR detector
- Switch relay connected to the gate lock, in this case the switch is normally closed (NC)
- Connecting wires
Physical connection
- Connect the wires from the PIR detector to the input pin, see I/O connector on page 10.
- Connect the wires from the switch to the output pin, see I/O connector on page 10
Configure I/O ports
You need to connect the switch relay to the camera from the camera’s webpage. First, configure the I/O ports:
Set the PIR detector to an input port
- Go to System > Accessories > I/O ports.
- Click
to set the direction to input for port 1. - Give the input module a descriptive name, for example “PIR detector”.
- If you want to trigger an event whenever the PIR detector senses motion, click
to set the normal state to circuit open.
Set the switch relay to an output port
- Click
to set the direction to output for port 2. - Give the output module a descriptive name, for example “Gate switch”.
- If you want to open the gate whenever an event is triggered, click
to set the normal state to circuit closed.
Create rules
- Go to System > Events and add a rule.
- Type a name for the rule, for example “Open gate”.
- In the list of conditions, select PIR detector.
- In the list of actions, select Toggle I/O once.
- In the list of ports, select Gate switch.
- Set state to Active.
- Set the duration.
- Click Save.
Detect tampering with input signal
This example explains how to send an email when the input signal is cut or short-circuited. For more information about the I/O connector, see page 10.
- Go to System > Accessories and turn on Supervised for the relevant port.
Add an email recipient:
- Go to System > Events > Recipients and add a recipient.
- Type a name for the recipient.
- Select Email.
- Type an email address to send the email to.
- The camera doesn’t have it’s own email server, so it has to log into another email server to send mails. Fill in the rest of the information according to your email provider.
- To send a test email, click Test.
- Click Save.
Create a rule:
- Go to System > Events > Rules and add a rule.
- Type a name for the rule.
- In the list of conditions, under I/O, select Supervised input tampering is active.
- Select the relevant port.
- In the list of actions, under Notifications, select Send notification to email and then select the recipient from the list.
- Type a subject and a message for the email.
- Click Save.
Audio
Add audio to your recording
Turn on audio:
- Go to Video > Stream > Audio and include audio.
- If the device has more than one input source, select the correct one in Source.
- Go to Audio > Device settings and turn on the correct input source.
- If you make any changes to the input source, click Apply changes.
Edit the stream profile that is used for the recording: - Go to System > Stream profiles and select the stream profile.
- Select Include audio and turn it on.
- Click Save.
Allow two-way audio communication
Note When you have set up two-way audio communication in the camera’s user interface, use a video management system to make use of the functionality.
This use case explains how to make it possible to communicate with audio through the product.
Connect a microphone and a speaker to the product:
- Connect a microphone to the Audio in connector.
- Connect a speaker to the Audio out connector.
Allow two-way audio in the camera’s web page:
- Go to Video > Stream > Audio and include audio.
- Go to Audio > Device settings and make sure audio is allowed.
- Turn on the correct input source.
- If you make any changes to the input source, click Apply changes.
- Go to System > Plain config.
- Set Select group to Audio.
- Make sure Duplex mode is set to Full duplex
Specifications
Product overview
AXIS T6101 and AXIS T6112

| 1 LED indicator 2 I/O connector 3 Audio out | 4 Audio in 5 Network connector (PoE out) 6 Network connector (PoE in) |
AXIS T6112

| 1 Bracket mount 2 Side lid 3 Microphone connector | 4 Cover 5 Microphone 6 Status LED |
Solution overview

LED indicators
| Status LED | Indication |
| Green | Steady green for normal operation. |
| Amber | Steady during startup. Flashes during firmware upgrade. |
| Amber/Red | Flashes amber/red if network connection is unavailable or lost. |
| Red | Flashes red for firmware upgrade failure. |
Connectors
Network connector
Input: RJ45 Ethernet connector with Power over Ethernet (PoE).
Output: RJ45 Ethernet connector with Power over Ethernet (PoE).
Audio connector
- Audio in 3.5 mm input for a digital microphone, an analog mono microphone, or a line-in mono signal (left channel is used from a stereo signal).
- Audio out 3.5 mm output for audio (line level) that can be connected to a public address (PA) system or an active speaker with a built-in amplifier. A stereo connector must be used for audio out.

Audio input
| 1 Tip | 2 Ring | 3 Sleeve |
| Unbalanced microphone (with or without electret power) or line | Electret power if selected | Ground |
| Digital signal | Ring power if selected | Ground |
Audio output
| 1 Tip | 2 Ring | 3 Sleeve |
| Channel 1, unbalanced line, mono | Channel 1, unbalanced line, mono | Ground |
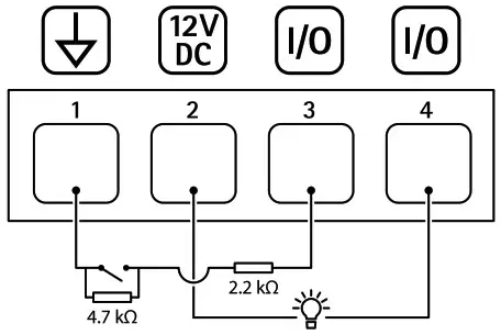
I/O connector
Use the I/O connector with external devices in combination with, for example, motion detection, event triggering, and alarm notifications. In addition to the 0 V DC reference point and power (12 V DC output), the I/O connector provides the interface to:
Digital input – For connecting devices that can toggle between an open and closed circuit, for example PIR sensors, door/window contacts, and glass break detectors.
Supervised input – Enables possibility to detect tampering on a digital input.
Digital output – For connecting external devices such as relays and LEDs. Connected devices can be activated by the VAPIX® Application Programming Interface, through an event or from the product’s webpage.
4-pin terminal block

| Function | Pin | Notes | Specifications |
| DC ground | 1 | 0 V DC | |
| DC output | 2 | Can be used to power auxiliary equipment. Note: This pin can only be used as power out. | 12 V DC Max load = 50 mA |
| Configurable (Input or Output) | 3-4 | Digital input or Supervised input – Connect to pin 1 to activate, or leave floating (unconnected) to deactivate. To use supervised input, install end-of-line resistors. See connection diagram for information about how to connect the resistors. | 0 to max 30 V DC |
| Digital output – Internally connected to pin 1 (DC ground) when active, and floating (unconnected) when inactive. If used with an inductive load, e.g., a relay, connect a diode in parallel with the load, to protect against voltage transients. | 0 to max 30V DC, open drain, 100 mA |
Example

| 1 DC ground 2 DC output 12 V, max 50 mA | 3 I/O configured as supervised input 4 I/O configured as output |
Troubleshooting
Technical issues, clues and solutions
If you can’t find what you’re looking for here, try the troubleshooting section at axis.com/support
The Audio tab and I/O icon are not visible in the camera’s webpage
| The webpage is not updated. | Refresh the browser window. If that does not help, clear the browser cache. |
| Wrong camera firmware version. | Make sure that the camera has the latest firmware version installed. For information about how to check the camera’s firmware version, see the camera’s user manual. |
| The network connection is unavailable. | Check the LED indicators on the product and compare with the LED indicators table on page 9 |
| The input and output network cables are connected to the wrong connectors. | Interchange the input and output network cables. |
| The camera is not compatible. | Go to the device’s product page to see if your camera is compatible. |
The Audio tab is visible but audio is not working
| The camera has been disconnected from the Audio and I/O Interface. | Reconnect the camera to the Audio and I/O Interface and refresh the camera’s webpage. |
The camera doesn’t start up after connecting it to the product
| Hardware issue | Contact Axis support. |
| The midspan is not properly connected. | Make sure that all network cables are correctly connected. The Audio and I/O Interface must be connected to the camera through the midspan. Have a look at your product’s installation guide for more information. |
Contact support
Contact support at axis.com/support.
User manual
AXIS T61 Mk II Audio and I/O Interface Series
© Axis Communications AB, 2023
Ver. M1.14
Date: March 2023
Part no. T10189576
References
Axis Communications - Leader in network cameras and other IP networking solutions | Axis Communications
Sharing knowledge | Axis Communications
Patent Statement | Axis Communications
Welcome to Axis support | Axis Communications
RMA | Axis Communications
AXIS T6101 Mk II Audio and I/O Interface User manual



















