CENTRAL PNEUMATIC 64269 18 Gauge 2-In-1 Air Nailer/Stapler Owner's Manual

http://www.harborfreight.com
[email protected]
When unpacking, make sure that the product is intact and undamaged. If any parts are missing or broken, please call 1-888-866-5797 as soon as possible.
Copyright© 2021 by Harbor Freight Tools®. All rights reserved. No portion of this manual or any artwork contained herein may be reproduced in any shape or form without the express written consent of Harbor Freight Tools. Diagrams within this manual may not be drawn proportionally. Due to continuing improvements, actual product may differ slightly from the product described herein.
Tools required for assembly and service may not be included.
WARNING
Read this material before using this product. Failure to do so can result in serious injury. SAVE THIS MANUAL.
SAFETY

important Safety instructions
instructions pertaining to a risk OF Fire, Electric Shock, Or injury to persons
Warning – When using tools, basic precautions should always be followed, including the following:
General
to reduce the risks of electric shock, fire, and injury to persons, read all the instructions before using the tool.
Work area
- a. Keep the work area clean and well lighted. Cluttered benches and dark areas increase the risks of electric shock, fire, and injury to persons.
- b. Do not operate the tool in explosive atmospheres, such as in the presence of flammable liquids, gases, or dust. The tool is able to create sparks resulting in the ignition of the dust or fumes.
- c. Keep bystanders, children, and visitors away while operating the tool. Distractions are able to result in the loss of control of the tool.
Personal safety
- a. Stay alert. Watch what you are doing and use common sense when operating the tool. Do not use the tool while tired or under the influence of drugs, alcohol, or medication. A moment of inattention while operating the tool increases the risk of injury to persons.
- b. Dress properly. Do not wear loose clothing or jewellery. contain long hair. Keep hair, clothing, and gloves away from moving parts. Loose clothes, jewellery, or long hair increases the risk of injury to persons as a result of being caught in moving parts.
- c. avoid unintentional starting. Be sure the trigger is released before connecting to the air supply. Do not carry the tool with your finger on the trigger or connect the tool to the air supply with the trigger pressed.
- d. Do not overreach. Keep proper footing and balance at all times. Proper footing and balance enables better control of the tool in unexpected situations.
- e.
Use safety equipment.
A dust mask, non-skid safety shoes and a hard hat must be used for the applicable conditions. Wear heavy- duty work gloves during use. - f.
Always wear eye protection.
Wear ANSI-approved safety goggles with side shields. - g.
Always wear hearing protection when using the tool.
Prolonged exposure to high intensity noise is able to cause hearing loss. - h. Do not attach the hose or tool to your body. Attach the hose to the structure to reduce the risk of loss of balance if the hose shifts.
- i. Always assume that the tool contains fasteners. Do not point the tool toward yourself or anyone whether it contains fasteners or not.
- j. Warning - Do not drive fastener on top of another fastener. This is able to cause the fastener to be deflected and hit someone, or cause the tool to react and result in a risk of injury to persons.
- k. Warning - remove finger from the trigger when not driving fasteners. Never carry the tool with finger on trigger, the tool is able to discharge a fastener.
Tool use and care
- a. Use clamps or another practical way to secure and support the workpiece to a stable platform. Holding the work by hand or against the body is unstable and can lead to loss of control.
- b. Do not force the tool. Use the correct tool for the application. The correct tool will do the job better and safer at the rate for which the tool is designed.
- c. Do not use the tool if the trigger does not turn the tool on or off. Any tool that cannot be controlled with the trigger is dangerous and must not be used until repaired.
- d. Disconnect the tool from the air source before making adjustments, doing tool maintenance, clearing jams, touching the workpiece contact, leaving work area, loading, or unloading the tool. Such precautionary measures reduce the risk of injury to persons.
- e. Store the tool when it is idle out of reach of children and other untrained persons. A tool is dangerous in the hands of untrained users.
- f. Maintain the tool with care. A properly maintained tool reduces the risk of binding and is easier to control.
- g. check for misalignment or binding of moving parts, breakage of parts, and any other condition that affects the tool’s operation. If damaged, have the tool serviced before using. Many accidents are caused by poorly maintained tools. There is a risk of bursting if the tool is damaged.
- h. use only accessories that are identified by the manufacturer for the specific tool model. Use of an accessory not intended for use with the specific tool model, increases the risk of injury to persons.
- i. use only those fasteners listed in the Specifications chart of this manual. Fasteners not identified for use with this tool by the tool manufacturer are able to result in a risk of injury to persons or tool damage when used in this tool.
Service
- a. Tool service must be performed only by qualified repair personnel.
- b. When servicing a tool, use only identical replacement parts. use only authorized parts.
- c. use only the lubricants supplied with the tool or specified by the manufacturer.
Air source
a. never connect to an air source that is capable of exceeding 200 PSI. Over pressurizing the tool may cause bursting, abnormal operation, breakage of the tool or serious injury to persons. Use only clean, dry, regulated compressed air at the rated pressure or within the rated pressure range as marked on the tool. Always verify prior to using the tool that the air source has been adjusted to the rated air pressure or within the rated air-pressure range.- b. Never use oxygen, carbon dioxide, combustible gases or any bottled gas as an air source for the tool. Such gases are capable of explosion and serious injury to persons.
Save these instructions.
Specific Safety instructions
- Operators and others in work area Must wear anise-approved safety goggles with side shields during use. The employer is responsible to enforce the use of eye protection by the operator and others in the work area.
- Keep fingers away from trigger when not driving fasteners to avoid accidental driving.
- choice of triggering method is important. check manual for triggering options.
- Always assume the tool contains fasteners.
- Do not point the tool toward yourself or anyone whether it contains fasteners or not.
- Do not actuate the tool unless the tool is placed firmly against the workpiece.
- Respect the tool as a working implement.
- No horseplay. This tool is not a toy and can be deadly if misused.
- Do not load the tool with fasteners when any one of the operating controls, such as the Trigger or Workpiece Contact, is activated.
- Do not remove, tamper with, or otherwise cause the tool operating controls to become inoperable.
- Do not operate the tool if any portion of the tool operating controls is inoperable, disconnected, altered, or not working properly.
- Disconnect the tool from the air supply when: a. Unattended. b. Performing any maintenance or repair. c. Clearing a jam. d. Moving the tool to a new location.
- Do not make any modifications to this tool.
- Refer to the tool maintenance instructions for detailed information on the proper maintenance of the tool.
- Drive fasteners into an appropriate work surface only. Do not attempt to discharge fasteners into surfaces too hard to penetrate. Do not drive fasteners on top of other fasteners, or at too steep of an angle. Fasteners can ricochet causing personal injury.
- Do not drive fasteners too close to the edge of a workpiece. They may split the workpiece and fly free, causing personal injury.
- Keep clear of the workpiece near the area being fastened. Fasteners may bend sideways during driving, causing them to exit the workpiece at an unexpected point, causing personal injury.
- Transport tool safely. Always disconnect air supply when moving the tool. Carry the tool by the handle and avoid contact with the trigger.
- Hold tool away from head and body. During operation the tool may kick back causing injury.
- Do not drive fasteners into a workpiece that has people, utility lines, or other objects behind or inside it.
- Keep balance while using this tool. Keep area below clear if working in an elevated location, and secure air hose to prevent falls from bystanders accidentally pulling on it.
- Obey the manual for the air compressor used to power this tool.
- Install an in-line shutoff valve to allow immediate control over the air supply in an emergency, even if a hose is ruptured.
- Do not engrave or stamp anything into the housing to avoid weakening it.
- The warnings and precautions discussed in this manual cannot cover all possible conditions and situations that may occur. It must be understood by the operator that common sense and caution are factors which cannot be built into this product, but must be supplied by the operator.
Vibration precautions
This tool vibrates during use. Repeated or long-term exposure to vibration may cause temporary or permanent physical injury, particularly to the hands, arms and shoulders. To reduce the risk of vibration-related injury:
- Anyone using vibrating tools regularly or for an extended period should first be examined by a doctor and then have regular medical check-ups to ensure medical problems are not being caused or worsened from use. Pregnant women or people who have impaired blood circulation to the hand, past hand injuries, nervous system disorders, diabetes, or Raynaud’s Disease should not use this tool. If you feel any symptoms related to vibration (such as tingling, numbness, and white or blue fingers), seek medical advice as soon as possible.
- Do not smoke during use. Nicotine reduces the blood supply to the hands and fingers, increasing the risk of vibration-related injury.
- Wear suitable gloves to reduce the vibration effects on the user.
- Use tools with the lowest vibration when there is a choice between different processes.
- Include vibration-free periods each day of work.
- Grip tool as lightly as possible (while still keeping safe control of it). Let the tool do the work.
- To reduce vibration, maintain tool as explained in this manual. If abnormal vibration occurs, stop immediately.
Save these instructions.
Symbology

Functional Description
Specifications

Components and controls

Workpiece contact – The Workpiece Contact helps prevent the tool from driving unless it is pressed against an object.
Initial tool Set up/assembly
Read the Entire important Safety information section at the beginning of this manual including all text under subheadings therein before set up or use of this product. note: For additional information regarding the parts listed in the following pages, refer to the Assembly Diagram near the end of this manual.
SETUP
Air Supply
WARNING
To prevent Explosion: use only clean, dry, regulated, compressed air to power this tool. Do not use oxygen, carbon dioxide, combustible gases, or any other bottled gas as a power source for this tool.
- Incorporate a filter, regulator with pressure gauge, oiler, in-line shutoff valve, and quick coupler for best service, as shown on Figure A on page 10 and Figure B on page 11. an in-line shutoff ball valve is an important safety device because it controls the air supply even if the air hose is ruptured. the shutoff valve should be a ball valve because it can be closed quickly.
Note: If an automatic oiler system is not used, add a few drops of Pneumatic Tool Oil into the airline connection before operation. Add a few more drops after each hour of continual use.
note: This air tool may be shipped with a protective plug covering the air inlet. Remove this plug before set up. - Attach an air hose to the compressor’s air outlet. Connect the air hose to the air inlet of the tool. Other components, such as a coupler plug and quick coupler, will make operation more efficient, but are not required.
Warning! to prevent Serious injury From accidental Discharge: Do not install a female quick coupler on the tool. Such a coupler contains an air valve that will allow the air tool to retain pressure and operate accidentally after the air supply is disconnected.
Note: Air flow, and therefore tool performance, can be hindered by undersized air supply components. - The air hose must be long enough to reach the work area with enough extra length to allow free movement while working.
- Release the tool’s trigger and empty its magazine.
- Close the in-line safety valve between the compressor and the tool.
- Turn on the air compressor according to the manufacturer’s directions and allow it to build up pressure until it cycles off.
- Adjust the air compressor’s output regulator so that the air output is enough to properly power the tool, but the output will not exceed the tool’s maximum air pressure at any time. Adjust the pressure gradually, while checking the air output gauge to set the right pressure range.
- The air pressure setting must not exceed job site regulations/restrictions. The air pressure setting must not exceed 90 PSI when being used with workpieces that have a thickness of less than 1-3/4.
- Inspect the air connections for leaks. Repair any leaks found.
- If the tool will not be used at this time, turn off and detach the air supply, safely discharge any residual air pressure, and release the trigger to prevent accidental discharge.
note: Residual air pressure should not be present after the tool is disconnected from the air supply. However, it is a good safety measure to attempt to discharge the tool in a safe fashion after disconnecting to ensure that the tool is disconnected and unpowered.

Figure B: Stationary air Supply Setup

Operating
Operating instructions
Read the Entire important Safety information section at the beginning of this manual including all text under subheadings therein before set up or use of this product.
Inspect tool before use, looking for damaged, loose, and missing parts. if any problems are found, do not use tool until repaired.
Workpiece and Work area Set up
- Designate a work area that is clean and well-lit. The work area must not allow access by children or pets to prevent distraction and injury.
- Route the air hose along a safe route to reach the work area without creating a tripping hazard or exposing the air hose to possible damage. The air hose must be long enough to reach the work area with enough extra length to allow free movement while working.
- Secure loose workpieces using a vies or clamps (not included) to prevent movement while working.
- There must not be hazardous objects (such as utility lines or foreign objects) nearby that will present a hazard while working.
Single-Sequential actuation Mechanism Definition
The single-sequential actuation mechanism is designed to allow accurate placement of fasteners. The tool should only actuate if the Workpiece Contact is pressed against the workpiece prior to pulling the Trigger. It should only actuate again if the trigger is released and squeezed again. The Tool should not actuate if the Workpiece Contact is not pressed against an object.
Single-Sequential actuation Mechanism testing procedure
WARNING
to prevent Serious injury From accidental Discharge: Empty the tool before this procedure. point the tool at a piece of scrap wood when testing.
- Disconnect the tool from the air supply.
- Empty the magazine of fasteners.
- Check that the Trigger and the Workpiece Contact move freely, without sticking.
- Connect the air supply to the tool and set within the Operating Air Pressure indicated on the Specification chart.
- Test the tool by pressing the Workpiece Contact against the workpiece without pulling the Trigger. the tool must not cycle (actuate). If it cycles (actuates), stop immediately and have it repaired by a qualified service technician.
- Hold the tool away, or off of the workpiece. The Workpiece Contact should return to its original position. Squeeze the Trigger. the tool must not cycle (actuate). If it cycles (actuates), stop immediately and take the tool to a qualified service technician.
- Press the Workpiece Contact against the workpiece and squeeze the Trigger. the tool must cycle (actuate) only once. Release the trigger, slide the nailery to a fresh piece of wood, and squeeze it again. the tool must cycle (actuate) again only once. With the Trigger depressed, carefully lift the tool and press it against the workpiece again. the tool must not cycle (actuate). If it fails to act in the manner explained in bold, have it repaired by a qualified service technician.
Loading the tool
WARNING
To prevent Serious injury From accidental Discharge, Before Loading:

- Wear anise-approved safety goggles with side shields. Other people in the work area must also wear ANSI-approved impact safety goggles with side shields.
- Release the trigger.
- Detach the air supply.
- Attempt to discharge the tool into a piece of scrap wood to ensure that it is disconnected and is incapable of driving any fasteners.
- Depress the Latch (64) and pull back on the Moveable Magazine (55), pulling it out of Fixed Magazine (52).
- Insert the fasteners into the Moveable Magazine. If loading staples, fit the crown of the staples so they fit over and ride on the rail of the Magazine.
- After the nails or staples are loaded, slide the Moveable Magazine back into Fixed Magazine until the Latch snaps back into place, locking the Moveable Magazine.
Note: The small window gauge on the left side of the Moveable Magazine indicates how many fasteners remain inside Nailer-Stapler.
General Operating instructions
- Before each use, test the tool as directed in the prior section.
- If an automatic oiler is not used, add a few drops of Pneumatic Tool Oil to the airline connection before use. Add a few drops more after each hour of continual use.
Warning! to prevent Serious injury: Keep second hand away from tool discharge area, especially if holding workpiece. tool applies extreme force to fastener, and fasteners may deflect or discharge in an unexpected direction.
caution! to prevent injury: Do not hold tool near body while driving. tool recoil can cause injury. - Position tool at desired fastener location and depress the Workpiece Contact fully against the workpiece. Squeeze the trigger to discharge a fastener.
- If the tool requires more force to accomplish the task, verify that the tool receives sufficient, unobstructed airflow (CFM) and increase the pressure (PSI) output of the regulator up to the maximum air pressure rating of this tool.
caution! to prevent injury From tool Failure: Do not exceed the tool’s maximum air pressure rating. If the tool still does not have sufficient force at maximum pressure and sufficient airflow, then a larger tool may be required. - After use, to prevent accidents:
a. release the trigger.
b. Detach the air supply.
c. attempt to discharge the tool into a piece of scrap wood to ensure that it is disconnected and is incapable of driving any fasteners.
d. release the trigger again.
e. clean external surfaces with clean, dry cloth.
f. Store indoors out of children’s reach.
Maintenance
User-Maintenance instructions
Procedures not specifically explained in this manual must be performed only by a qualified technician.
WARNING
To prevent Serious injury From accidental Discharge, Before any Maintenance Or repairs are Done (including clearing jams):
- Wear anise-approved safety goggles with side shields. Other people in the work area must also wear ANSI-approved impact safety goggles with side shields.
- Release the trigger.
- Detach the air supply.
- Attempt to discharge the tool into a piece of scrap wood to ensure that it is disconnected and is incapable of driving any fasteners.
- Empty the magazine and leave it open during service. the Magazine is spring-loaded and may cause parts or a fastener to fly out of the tool.
To prevent Serious injury From tool Failure: Do not use damaged equipment. if abnormal noise, vibration, or leaking air is detected, have the problem corrected before further use.
To prevent Explosion: Lubricate only with specified lubricants. Lubricate the air inlet using only pneumatic tool oil. Lubricate the internal mechanism using only white lithium grease. Other lubricants may damage the mechanism and may be highly flammable, causing an explosion.
Note: These procedures are in addition to the regular checks and maintenance explained as part of the regular operation of the air-operated tool.
1. Before Each use, inspect the general condition of the tool. Check for:
- Proper workpiece contact operation,
- Free workpiece contact and trigger movement,
- Loose hardware or housing,
- Misalignment or binding of moving parts,
- Cracked or broken parts, and
- Any other condition that may affect its safe operation.
2. Daily – air Supply Maintenance: Every day, perform maintenance on the air supply according to the component manufacturers’ instructions. Maintain the lubricator’s oil level. Drain the moisture filter regularly. Performing routine maintenance on the air supply will allow the tool to operate more safely and will also reduce wear on the tool.
Clearing Jams
WARNING
To prevent Serious injury From accidental Discharged, Before any Maintenance Or repairs are Done (including clearing jams):
- Wear anise-approved safety goggles with side shields. Other people in the work area must also wear ANSI-approved impact safety goggles with side shields.
- Release the trigger.
- Detach the air supply.
- Attempt to discharge the tool into a piece of scrap wood to ensure that it is disconnected and is incapable of driving any fasteners.
- Empty the magazine and leave it open during service.
The Magazine is spring-loaded and may cause parts or a fastener to fly out of the tool.
- If a fastener is jammed in the discharge area, remove it with pliers.
- If a fastener is jammed in the Magazine, depress the Latch (64) and pull back on the Moveable Magazine (55), and remove the Position Seat (54). Then pull out of Fixed Magazine (52).
- Pull out the jammed fastener and the remainder of the fastener strip that is still in the magazine. Dispose of the remaining fastener strip; it may be bent or damaged in some other way.
- If a fastener is jammed in the Drive Guide (40), pull out the Quick Release Lever (44) and disengage the Quick Release Spring (45).
- Remove the jammed fastener; pliers maybe necessary to remove a stuck fastener.
- Inspect the Drive Guide for any bends or breakage. If it is damaged, do not use the tool until it is repaired by a qualified technician.
- Lightly oil the Drive Guide, engage the Quick Release Spring, and snap the Quick Release Lever back into place.
- Make sure that the Safety Tip moves smoothly without binding.
- Reload the Nailer/Stapler and then reconnect it to the air supply.
- Press the Safety of the Nailer/Stapler against an appropriate piece of scrap wood.
- Test actuate the Nailer/Stapler several times, checking for proper operation.
- Disconnect the Nailer/Stapler, remove the fasteners, and store in a location out of children’s reach.
- If the jam cannot be cleared using the method above, have the tool serviced by a qualified technician.
Troubleshooting

Please read the Following carefully
THE MANUFACTURER AND/OR DISTRIBUTOR HAS PROVIDED THE PARTS LIST AND ASSEMBLY DIAGRAM IN THIS MANUAL AS A REFERENCE TOOL ONLY. NEITHER THE MANUFACTURER OR DISTRIBUTOR MAKES ANY REPRESENTATION OR WARRANTY OF ANY KIND TO THE BUYER THAT HE OR SHE IS QUALIFIED TO MAKE ANY REPAIRS TO THE PRODUCT, OR THAT HE OR SHE IS QUALIFIED TO REPLACE ANY PARTS OF THE PRODUCT. IN FACT, THE MANUFACTURER AND/OR DISTRIBUTOR EXPRESSLY STATES THAT ALL REPAIRS AND PARTS REPLACEMENTS SHOULD BE UNDERTAKEN BY CERTIFIED AND LICENSED TECHNICIANS, AND NOT BY THE BUYER. THE BUYER ASSUMES ALL RISK AND LIABILITY ARISING OUT OF HIS OR HER REPAIRS TO THE ORIGINAL PRODUCT OR REPLACEMENT PARTS THERETO, OR ARISING OUT OF HIS OR HER INSTALLATION OF REPLACEMENT PARTS THERETO.
Record product’s Serial number Here:________________________
Note: If product has no serial number, record month and year of purchase instead.
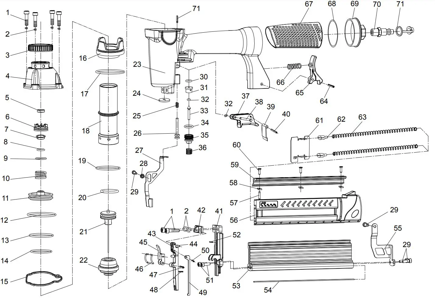
Note: Some parts are listed and shown for illustration purposes only, and are not available individually as replacement parts. Specify UPC 792363642699 when ordering parts.
Parts List and Diagram
Parts List

Assembly Diagram

Limited 90 Day Warranty
Harbor Freight Tools Co. makes every effort to assure that its products meet high quality and durability standards, and warrants to the original purchaser that this product is free from defects in materials and workmanship for the period of 90 days from the date of purchase. This warranty does not apply to damage due directly or indirectly, to misuse, abuse, negligence or accidents, repairs or alterations outside our facilities, criminal activity, improper installation, normal wear and tear, or to lack of maintenance. We shall in no event be liable for death, injuries to persons or property, or for incidental, contingent, special or consequential damages arising from the use of our product. Some states do not allow the exclusion or limitation of incidental or consequential damages, so the above limitation of exclusion may not apply to you. THIS WARRANTY IS EXPRESSLY IN LIEU OF ALL OTHER WARRANTIES, EXPRESS OR IMPLIED, INCLUDING THE WARRANTIES OF MERCHANTABILITY AND FITNESS.
To take advantage of this warranty, the product or part must be returned to us with transportation charges prepaid. Proof of purchase date and an explanation of the complaint must accompany the merchandise. If our inspection verifies the defect, we will either repair or replace the product at our election or we may elect to refund the purchase price if we cannot readily and quickly provide you with a replacement. We will return repaired products at our expense, but if we determine there is no defect, or that the defect resulted from causes not within the scope of our warranty, then you must bear the cost of returning the product.
This warranty gives you specific legal rights and you may also have other rights which vary from state to state.

26541 Agoura road · Calabasas, ca 91302 · 1-888-866-5797
Use safety equipment.
Always wear hearing protection when using the tool.















