REMOTE CONTROLLED
ELECTRIC HOIST
60344
60345
60346
60347
Owner’s Manual & Safety Instructions
Save This Manual Keep this manual for the safety warnings and precautions, assembly, operating, inspection, maintenance, and cleaning procedures. Write the product’s serial number in the back of the manual near the assembly diagram (or month and year of purchase if the product has no number).
Keep this manual and the receipt in a safe and dry place for future reference.
21e
Visit our website at: http://www.harborfreight.com
Email our technical support at: [email protected]
When unpacking, make sure that the product is intact and undamaged. If any parts are missing or broken, please call 1-888-866-5797 as soon as possible.
©Copyright 2020 by Harbor Freight Tools®. All rights reserved.
No portion of this manual or any artwork contained herein may be reproduced in any shape or form without the express written consent of Harbor Freight Tools.
Diagrams within this manual may not be drawn proportionally. Due to continuing improvements, the actual product may differ slightly from the product described herein.
Tools required for assembly and service may not be included.
WARNING
Read this material before using this product.
Failure to do so can result in serious injury.
SAVE THIS MANUAL.
SAFETY
| WARNING SYMBOLS AND DEFINITIONS | |
| This is the safety alert symbol. It is used to alert you to potential personal injury hazards. Obey all safety messages that follow this symbol to avoid possible injury or death. | |
| Indicates a hazardous situation that, if not avoided, will result in death or serious injury. | |
| Indicates a hazardous situation that, if not avoided, could result in death or serious injury. | |
| Indicates a hazardous situation that, if not avoided, could result in minor or moderate injury. | |
| NOTICE CAUTION | Addresses practices not related to personal injury. |
IMPORTANT SAFETY INFORMATION
DANGER
TO PREVENT SERIOUS INJURY AND DEATH:
Basic Safety Information
- To Reduce the Risk of Electric Shock or Injury, Use Indoors Only.
- Do not lift more than the rated load. Be aware of dynamic loading! The sudden load movement may briefly create excess load causing product failure.
- Do not operate when the load is not centered underneath.
- Do not operate hoist with twisted, kinked, or damaged wire rope.
Inspect wire rope carefully before every use. - Do not operate a damaged or malfunctioning hoist. Inspect the hoist carefully and test operation before every use.
- Do not lift people or lift loads over people.
Falling loads can injure or kill people. - Do not operate with a rope not centered in its groove.
- Do not remove or cover warning labels and/ or tags. These carry important safety information.
If unreadable or missing, contact Harbor Freight Tools for a replacement. - The warnings, precautions, and instructions discussed in this instruction manual cannot cover all possible conditions and situations that may occur. It must be Understood by the operator that common sense and caution are factors that cannot be built into this product but must be supplied by the operator.
Installation Specific Safety Information
- The supporting structure the hoist is mounted to (including trolley, monorail, or crane) must be designed to withstand the loads and forces imposed by the hoist for the rated load.
- Install in a location that allows the operator to move and stay clear of the load.
- Locate pendant controls at a convenient level above the operating floor.
- Do not install where the load hook can be lowered beyond the rated hook travel under normal operating conditions.
Table A: RECOMMENDED MINIMUM WIRE GAUGE FOR EXTENSION CORD (120 VOLT) NAMEPLATE AMPERES(at full load) EXTENSION CORD LENGTH 25′ 50′ 100′ 150′ 0 — 6 18 16 16 14 6.1 — 10 18 16 14 12 10.1 — 12 16 16 14 12 12.1 — 16 14 12 Do not use. - USE PROPER EXTENSION CORD.
Make sure your extension cord is in good condition.
When using an extension cord, be sure to use one heavy enough to carry the current your product will draw. An undersized cord will cause a drop in line voltage resulting in loss of power and overheating. Table A shows the correct size to use depending on cord length and nameplate ampere rating. If in doubt, use the next heavier gauge. The smaller the gauge number, the heavier the cord. - Inspect the hoist as explained in Frequent Inspection on page 8 after installation but before use.
Inspection, Testing, and Maintenance Specific Safety Information
- Perform a “Frequent Inspection” at least monthly, see page 8.
- Perform a “Periodic (Thorough) Inspection” at least yearly, see page 8.
- More frequent inspections are needed for hoists that are used heavily.
- Raise test loads only to the minimum extent needed and stay well clear of load at all times during testing.
Operation Specific Safety Information
- Wear ANSI-approved safety goggles, ANSI-approved hard hats, and steel-toed work boots during setup and use.
- This product is not a toy.
Do not allow children to play with or near this item. - Use as intended only.
• Do not use to handle molten material.
• Do not use for aircraft purposes.
• Do not use to link towed vehicles. - Keep hands clear of moving parts.
- People with pacemakers should consult their physician(s) before use. Electromagnetic fields in close proximity to the heart pacemakers could cause pacemaker interference or pacemaker failure. In addition, people with pacemakers should:
• Avoid operating alone.
• Properly maintain and inspect to avoid electrical shock.
• Properly ground power cord. Ground Fault Circuit Interrupter (GFCI) should also be implemented
– it prevents sustained electrical shock.
SAVE THESE INSTRUCTIONS.
For technical questions, please call 1-888-866-5797.
Grounding Instructions
WARNING
TO PREVENT ELECTRIC SHOCK AND DEATH FROM INCORRECT GROUNDING WIRE CONNECTION
READ AND FOLLOW THESE INSTRUCTIONS:
- In the event of a malfunction or breakdown, grounding provides a path of least resistance for electric current to reduce the risk of electric shock.
This hoist is equipped with an electric cord having an equipment-grounding conductor and a grounding plug. The plug must be plugged into a matching outlet that is properly installed and grounded in accordance with all local codes and ordinances. - Do not modify the plug provided – if it will not fit the outlet, have the proper outlet installed by a qualified electrician.
- Improper connection of the equipment-grounding conductor can result in a risk of electric shock.
The conductor with insulation having an outer surface that is green with or without yellow stripes is the equipment-grounding conductor.
If repair or replacement of the electric cord or plug is necessary, do not connect the equipment grounding conductor to a live terminal. - Check with a qualified electrician or service personnel if the grounding instructions are not completely understood, or if in doubt as to whether the hoist is properly grounded.
- Use only 3-wire extension cords that have 3-prong grounding plugs and 3-pole receptacles that accept the hoist’s plug.
- Repair or replace damaged or worn cord immediately.

- This hoist is intended for use on a circuit that has an outlet that looks like the one illustrated above in the 125 VAC 3-Prong Plug and Outlet. The hoist has a grounding plug that looks like the plug illustrated above in the 125 VAC 3-Prong Plug and Outlet.
- The outlet must be properly installed and grounded in accordance with all codes and ordinances.
- Do not use an adapter to connect this hoist to a different outlet.
Specifications
| Model | 60346 | 60347 | 60345 | 60344 |
| Electrical Rating | 120VAC /60Hz / 3.9A | 120VAC /60Hz / 7.1A | 120VAC /60Hz / 8.5A | 120VAC / 60Hz/ 9.85A |
| Rated Capacity | 440 lb. double line 220 lb. single line | 880 lb. double line 440 lb. single line | 1100 lb. double line 550 lb. single line | 1300 lb. double line 650 lb. single line |
| Lifting Speed | 33 FPM (single); 16.5 FPM (double) | |||
| Cable Length | 39′ | 39′ | 40′ | 48′ |
| Cable Diameter | 1/8″ | 9/64″ | 11/64″ | 3/16″ |
| Duty Cycle | 25%* | 20%* | ||
*This Hoist has a 20% or 25% duty cycle. This means that the Hoist may only be run up to 2 minutes at a time (2 minutes, 30 seconds in use for 60346/60347), and then it must be allowed to rest for at least 8 minutes (7 minutes, 30 seconds off for 60346/60347) before further use.
INSTALLATION
Installation Instructions
Read the ENTIRE IMPORTANT SAFETY INFORMATION section at the beginning of this manual including all text under subheadings therein before set up or use of this product.
Note: For additional information regarding the parts listed in the following pages, refer to Parts Lists and Diagrams on page 10.
- The supporting structure the hoist is mounted to (including trolley, monorail, or crane) must be designed to withstand the loads and forces imposed by the hoist for the rated load.
- Place the two Hanging Clamps over the supporting structure where the hoist will be mounted.
- Have an assistant hold the Hoist in place and attach the Hanging Clamps to the Housing using the Bolts, Lock Washers, Washers, and Nuts supplied.
- Once the Hoist is in position, tighten the nuts firmly.
Operation Instructions
Read the ENTIRE IMPORTANT SAFETY INFORMATION section at the beginning of this manual including all text under subheadings therein before set up or use of this product.
WARNING
TO PREVENT SERIOUS INJURY: Operation of a vertical hoist involves more than depressing the UP or DOWN control. The use of vertical hoists is subject to certain hazards that cannot be met by mechanical means, but only by the exercise of intelligence, care, common sense, and experience in anticipating the motions that will occur as a result of operating the controls.
Before Operating Hoist
- Familiarize yourself with all operating controls of the hoist and with the operation(s) to be performed. Instructions include the warnings on the hoist, and the safety and operating instructions portion of this manual.
WARNING! TO PREVENT SERIOUS INJURY FROM HOIST FAILURE:
Do not use damaged equipment.
If adjustments or repairs are necessary, or any defects are known, have the problem corrected before further use.- Do not operate a hoist with an out-of-order sign.
- Only a qualified technician should perform maintenance to the hoist.
- Do not use the wire rope as a ground for welding.
Do not touch a welding electrode to the wire rope. - Designate a work area that is clean and well-lit.
The work area must not allow access by children or pets to prevent distraction and injury. - Route the power cord along a safe route to reach the work area without creating a tripping hazard or exposing the power cord to possible damage. The power cord must reach the work area with enough extra length to allow free movement while working.
- There must not be objects, such as utility lines, nearby that will present a hazard while working.
- Inspect the hoist as explained in Frequent Inspection on page 8 after installation but before use.
Operating Controls


This Hoist has a 20% or 25% duty cycle. This means that it may only be run up to 2 minutes at a time (2 minutes, 30 seconds in use for 60346/60347), and then it must be allowed to rest for at least 8 minutes (7 minutes, 30 seconds off for 60346/60347) before further use.
Applying the Load
- Do not wrap the hoist wire rope around the load.
- Attach the load to the load hook securely by properly rated, suitable means, such as chains, shackles, hooks, lifting slings, etc. Load must be attached to prevent accidental disconnection.

- Properly seat the sling or other device in the base (bowl or saddle) of the hook (see the left side diagram on Figure A). Do not allow the hook hitch to support any part of the load.
- Do not apply the load to the point of the hook (shown in Figure A on the right-side diagram).
- Before moving the load, make sure wire rope is not kinked or twisted or that multiple part wire ropes are not twisted around each other.
- Do not operate the hoist unless wire rope is seated properly on the drum, pulleys, or sprockets.
- Do not operate the hoist unless the hoist unit is centered over the load.
- Do not pick up a load in excess of the rated load appearing on the hoist or load block, except during properly authorized tests.
Do not use a hoist overload limiting device to measure the maximum load to be lifted. - Give specific attention to load balancing and hitching or slinging to prevent load slipping.
Moving the Load
- Do not engage in any activity which will divert the operator’s attention while operating the hoist.
- Respond to signals from a designated person only.
However, always obey a stop signal, no matter who gives it. - Do not lift or lower a load with the hoist until the operator and all other personnel are clear of the load.
- Make sure the load and hoist will clear all obstacles before moving or rotating the load.
- Inch hoists slowly into engagement with a load, but avoid unnecessarily inching and quick reversals of direction.
- Do not lift a load more than a few inches until it is well balanced in the sling or lifting device.
- Each time a load approaching rated capacity is handled, check hoist brake action by lifting the load just clear of supports and continuing only after verifying that the brake system is operating properly.
- Do not lower the load below the point where less than two wraps of rope remain on each anchorage of the hoist drum unless a lower limit device is provided, in which case no less than one wrap may remain on each anchorage of the hoist drum.
- WARNING! Do not carry any load over any person.
- WARNING! TO PREVENT SERIOUS INJURY: Do not carry personnel on the hook or the load.
- Avoid swinging the load or load hook when traveling the hoist.
- On trolley mounted hoists, avoid contact between trolleys and between trolleys and stops.
- Do not use the upper limit device as a normal means of stopping the hoist.
These are emergency devices only.
Parking the Load
- Do not leave a suspended load unattended unless specific precautions have been instituted and are in place.
- Position the load block above head level for storage when the hoist is not in use.
- Exercise care when removing a sling from under a landed and blocked load.
INSPECTION
Inspection, Testing, and Maintenance
Procedures are not specifically explained in this manual must be performed only by a qualified technician.
WARNING
TO PREVENT SERIOUS INJURY FROM ACCIDENTAL OPERATION:
Remove any load, release the operating controls, and detach the power cord before performing any inspection, maintenance, or cleaning procedures.
TO PREVENT SERIOUS INJURY FROM TOOL FAILURE: Do not use damaged equipment.
If abnormal noise or vibration occurs, have the problem corrected before further use.
Frequent Inspection
Perform the procedures in this section BEFORE INITIAL USE and AT LEAST MONTHLY. Inspections are needed more often for heavily used hoists.
- Check operating mechanisms for proper operation, proper adjustment, and unusual sounds such as, but not limited to, binding noise of the wire rope and bearing squeal.
- Check hoist upper limit device without a load on the hook at the beginning of each shift. Exercise care.
Run the load block into its limit device at a slow speed. - Frequent Braking System Inspection
a. The braking system must automatically stop and hold up to the rated load if the operating controls are released and in the event of complete power failure.
b. Braking systems must limit the speed of load during lowering, with or without power, to prevent uncontrolled or rapid lowering. - Frequent Hook Inspection Check hooks for the following problems:
a. distortion, such as bending, twisting, or increased throat opening;
b. wear;
c. cracks, nicks, or gouges;
d. latch engagement (if equipped);
e. damaged or malfunctioning latch (if equipped);
f. hook attachment and securing means. - Frequent Hoist Rope Inspection All ropes should be visually inspected by the operator or other designated person at the start of each shift. These visual observations should be concerned with discovering gross damage, such as listed below, which may be an immediate hazard:
a. distortion of the rope such as kinking, crushing, unstranding, bird caging, main strand displacement, or core protrusion;
b. general corrosion;
c. broken or cut strands;
d. number, distribution, and type of visible broken wires:
1) in running ropes, 12 randomly distributed broken wires in one lay or four broken wires in one strand in one lay;
2) one outer wire is broken at the contact point with the core of the rope which has worked its way out of the rope structure and protrudes or loops out from the rope structure.
If such damage is discovered, either remove the rope from service or arrange for a qualified technician to give it a periodic (thorough) inspection. - Check wire rope reeving.
WARNING! TO PREVENT SERIOUS INJURY FROM HOIST FAILURE: Do not use damaged equipment.
If any defect or damage is noted, have the problem corrected before further use.
Periodic (Thorough) Inspection
A qualified technician should perform the procedures in this section AT LEAST YEARLY. Inspection is needed more often for heavily used hoists.
Remove or open access covers to allow inspection of components.
- First, follow all Frequent Inspection procedures. Additionally:
- Check fasteners for evidence of loosening.
- Check load blocks, suspension housings, clevises, yokes, suspension bolts, shafts, gears, bearings, pins, rollers, and locking and clamping devices for evidence of wear, corrosion, cracks, and distortion.
- Check hook retaining nuts or collars, and pins, welds, or rivets used to secure the retaining members for evidence of damage.
- Check load sprockets, idler sprockets, drums, and pulleys for evidence of damage and wear.
- Check the motor brake and load brake for evidence of wear.
- Check electrical apparatus for evidence of pitting or deterioration of controller contacts.
- Check supporting structure or trolley, if used, for evidence of damage.
- Check the warning label for legibility and replacement.
- Check end connections of wire ropes for evidence of wear, corrosion, cracks, damage, and distortion.
- Periodic (Thorough) Hoist Rope Inspection Check the entire length of rope hoist rope as follows:
Inspect the individual outer wires in the strands of the rope. Keep a record of any deterioration resulting in appreciable loss of original strength, such as described below, and have a qualified technician determine whether further use of the rope would constitute a hazard:
a. Checkpoints listed in Frequent Hoist Rope Inspection on page 8.
b. Check for reduction of rope diameter below nominal diameter due to loss of core support, internal or external corrosion, or wear of outside wires.
c. Check for severely corroded or broken wires at end connections.
d. Check for severely corroded, cracked, bent, worn, or improperly applied end connections.
e. Inspect with special care the following sections of rapid deterioration:
1) sections in contact with saddles, equalizer pulleys, or other pulleys where rope travel is limited;
2) sections of the rope at or near terminal ends where corroded or broken wires may protrude;
3) sections subject to reverse bends;
4) sections of rope that are normally hidden during a visual inspection, such as parts passing over pulleys. - Check function labels on pendant control(s) for legibility.
- Check the hoist and hoist mounting for evidence of missing parts.
WARNING! TO PREVENT SERIOUS INJURY FROM HOIST FAILURE: Do not use damaged equipment.
If any defect or damage is noted, have the problem corrected before further use.
Storage Inspection
- A hoist that has been idle for a period of a month or more, but less than a year, must be inspected before being used according to the Frequent Inspection requirements.
- A hoist that has been idle for a period of a year or more, must be inspected according to the Periodic Inspection requirements and then tested according to the procedure in the Testing section below before being used.
Maintenance
- Repair or replacement of hoist components must be performed only by a qualified technician using only identical replacement parts with the same rating.
- Operating mechanisms, limit switches, control systems, and brakes may require adjustment.
- Note the following regarding specific components:
a. Replace damaged or worn hooks.
Do not repair them by welding or reshaping.
b. Replace or repair all critical parts that are cracked, broken, bent, excessively worn, or missing.
c. Replace missing or illegible warning labels.
d. Replace pitted or burned electrical contacts as complete sets.
e. Keep controller function labels on pendant control stations and master switch legible. - Do not repair load-sustaining members by welding.
Replace them as needed. - Lubricate all moving parts regularly using grease.
- After maintenance work is completed and before restoring the hoist to normal operation:
a. reinstall guards;
b. reactivate safety devices;
c. remove replaced parts and loose material;
d. remove maintenance equipment.
Testing
- Before use, test repaired hoists and hoists that have not been used for a year or more.
- Check all functions of the hoist, including lifting and lowering, with the hoist unloaded first.
- After testing in the unloaded state, attach a 200 Ib. load and retest to check proper load control and to check brake operation.
- Test the trip-setting of limit devices under no-load conditions. Test first by hand, if practical, and then under the slowest speed. Test with increasing speeds up to maximum speed. Check that actuating mechanism are located so that they will trip the switches or limiting devices insufficient time to stop motion without causing damage to any part of the hoist.
Parts Lists and Diagrams
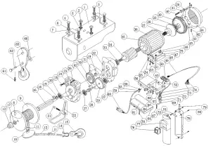
60344, 60345 & 60347 Parts List and Diagram
| Part | Description | Qty | Part | Description | Qty | Part | Description | Qty |
| 1 | Housing | 1 | 28 | Idler Gear | 1 | 56 | Grommet | 1 |
| 2 | Cap Screw M10*30 | 2 | 29 | Primary Gear | 1 | 57 | Grommet | 1 |
| 3 | Hanging Clamp | 2 | 30 | Secondary Gear | 1 | 58 | Terminal | 1 |
| 4 | Bolt M10*26 | 4 | 31 | Gasket | 1 | 59 | Cross Head Bolt M4*8 | 1 |
| 5 | Lock Washer – Teeth Ø10 | 2 | 32 | Gearbox | 1 | 60 | Power Cord | 1 |
| 6 | Washer Ø10 | 4 | 33 | Bearing (6202-2RS) | 2 | 61 | Split Pin 25*30 | 1 |
| 7 | Washer Ø10 | 4 | 34 | Rotor | 1 | 62 | Pin | 1 |
| 8 | Rope Wedge | 1 | 35 | Stator | 1 | 63 | Junction Box | 1 |
| 9 | Rope Drum | 1 | 36 | Motor Housing | 1 | 64 | Junction Box Cover | 1 |
| 10 | Rope Block | 1 | 37 | Spring | 1 | 65 | Pulley | 1 |
| 11 | Rope Crimp | 2 | 38 | Brake Drum | 1 | 66 | Washer Ø10 | 1 |
| 12 | Wire Rope | 1 | 39 | Gear Cover | 1 | 67 | Cross Head Bolt M4*20 | 1 |
| 13 | Cradle | 1 | 40 | Bolt M5*175 | 4 | 68 | Cross Head Bolt M4*25 | 2 |
| 14 | Rope Thimble | 1 | 41 | Plain Washer Ø5 | 4 | 69 | Stop Switch Spring | 1 |
| 15 | Hook | 2 | 42 | Plain Washer Ø3 | 4 | 70 | Screw ST3.5*14 | 4 |
| 16 | Drum Shaft | 1 | 43 | Cross Head Bolt M3*6 | 4 | 71 | Stop Switch Cover | 1 |
| 17 | Washer | 1 | 44 | Fan Hood | 1 | 72 | Stop Switch | 1 |
| 18 | Key M5*16 | 1 | 45 | Fan Blade | 1 | 73 | Terminal | 6 |
| 19 | Retaining Ring Ø17 | 2 | 46 | Hex Socket Screw | 1 | 74 | Terminal Sleeve | 6 |
| 20 | Bearing (6203-2RS) | 1 | 47 | Upper Junction Box | 1 | 75 | Insulation Ø6*50 | 3 |
| 21 | Cap Screw M8*45 | 1 | 48 | Nut M4 | 1 | 76 | Switch | 1 |
| 22 | Stop Bracket | 1 | 49 | Cable | 1 | 77 | Controller Cover | 1 |
| 23 | Cross Head Bolt M5*16 | 2 | 50 | Terminal Block | 1 | 78 | Controller Housing | 1 |
| 24 | Front Cover | 1 | 51 | Cord Clamp | 4 | 79 | Cord Protector | 1 |
| 25 | Bolt M5*17 | 6 | 52 | Screw ST3*16 | 2 | 80 | Screw ST3.5*20 | 3 |
| 26 | Spring Washer Ø5 | 10 | 53 | Screw ST3.9*13 | 8 | 81 | Capacitor | 2 |
| 27 | Bearing (6201) | 2 | 54 | Cross Head Bolt M4*10 | 4 | 82 | Key M5*12 | 1 |
| 55 | Washer Ø4 | 8 | ||||||
Note: Parts may not be interchangeable.
When ordering replacement parts, reference your specific model number.
When ordering replacement parts, reference your specific model number.

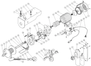
60346 Parts List and Diagram
| Part | Description | Qty | Part | Description | Qty | Part | Description | Qty |
| 2 | Cap Screw (M8*20) | 2 | 49 | Cable | 1 | 107 | Rotor | 1 |
| 3 | Hanging Clamp | 2 | 56 | Grommet | 1 | 108 | Stator | 1 |
| 4 | Bolt (M8*22) | 4 | 57 | Grommet | 1 | 109 | Motor Housing | 1 |
| 5 | Lock WasherTeeth (Ф8) | 6 | 60 | Power Cord | 1 | 110 | Spring | 1 |
| 7 | Plain Washer (Ф8) | 4 | 62 | Pin | 1 | 111 | Brake Drum | 1 |
| 10 | Rope Block | 1 | 65 | Pulley | 1 | 112 | Bearing (6201-2RS) | 1 |
| 11 | Rope Crimp | 2 | 76 | Switch | 1 | 113 | Motor Cover | 1 |
| 12 | Wire Rope | 1 | 77 | Controller Cover | 1 | 114 | Bolt | 4 |
| 13 | Cradle | 1 | 78 | Controller Housing | 1 | 115 | Fan Hood | 1 |
| 14 | Rope Thimble | 1 | 79 | Cord Protector | 1 | 116 | Fan Blade | 1 |
| 15 | Hook | 1 | 80 | Screw (ST3.5*18) | 3 | 117 | Terminal Block | 1 |
| 17 | Washer | 4 | 85 | Retaining Ring (Ф6) | 1 | 118 | Upper Junction Box | 1 |
| 18 | Key (5*10) | 1 | 86 | Stop Switch Shaft | 1 | 119 | Junction Box Cover | 1 |
| 20 | Bearing (6202-2RS) | 2 | 100 | Housing | 1 | 120 | Stop Switch | 1 |
| 21 | Cap Screw (M8*45) | 1 | 101 | Rope Wedge | 1 | 121 | Primary Gear | 1 |
| 25 | Bolt (M5*14) | 6 | 102 | Rope Drum | 1 | 122 | Idler Gear | 1 |
| 27 | Bearing (6200) | 2 | 103 | Stop Bracket | 1 | 123 | Capacitor | 1 |
| 31 | Gasket | 1 | 104 | Drum Shaft | 1 | 124 | Hook | 1 |
| 32 | Front Cover | 1 | 105 | Gearbox | 1 | 125 | Bolt (M5*28) | 2 |
| 0 | 106 | Secondary Gear | 1 | 126 | Spring | 1 | ||
Note: Parts may not be interchangeable. When ordering replacement parts, reference your specific model number.

PLEASE READ THE FOLLOWING CAREFULLY
THE MANUFACTURER AND/OR DISTRIBUTOR HAS PROVIDED THE PARTS LIST AND ASSEMBLY DIAGRAM N THIS MANUAL AS A REFERENCE TOOL ONLY. NEITHER THE MANUFACTURER NOR DISTRIBUTOR MAKES ANY REPRESENTATION OR WARRANTY OF ANY KIND TO THE BUYER THAT HE OR SHE IS QUALIFIED TO MAKE ANY REPAIRS TO THE PRODUCT, OR THAT HE OR SHE IS QUALIFIED TO REPLACE ANY PARTS OF THE PRODUCT. IN FACT, THE MANUFACTURER AND/OR DISTRIBUTOR EXPRESSLY STATES THAT ALL REPAIRS AND PARTS REPLACEMENTS SHOULD BE UNDERTAKEN BY CERTIFIED AND LICENSED TECHNICIANS, AND NOT BY THE BUYER. THE BUYER ASSUMES ALL RISK AND LIABILITY ARISING OUT OF HIS OR HER REPAIRS TO THE ORIGINAL PRODUCT OR REPLACEMENT PARTS THERETO OR ARISING OUT OF HIS OR HER INSTALLATION OF REPLACEMENT PARTS THERETO.
Record Product’s Serial Number Here:
Note: If the product has no serial number, record the month and year of purchase instead.
Note: Some parts are listed and shown for illustration purposes only, and are not available individually as replacement parts. Parts may not be interchangeable. Specify UPC number when ordering:
1,300 lb. (60344): 792363603447
1,100 lb. (60345): 792363603454
440 lb. (60346): 792363603461
880 lb. (60347): 792363603478
Limited 90 Day Warranty
Harbor Freight Tools Co. makes every effort to assure that its products meet high quality and durability standards, and warrants to the original purchaser that this product is free from defects in materials and workmanship for the period of 90 days from the date of purchase. This warranty does not apply to damage due directly or indirectly, to misuse, abuse, negligence or accidents, repairs or alterations outside our facilities, criminal activity, improper installation, normal wear and tear, or to lack of maintenance. We shall in no event be liable for death, injuries to persons or property, or for incidental, contingent, special or consequential damages arising from the use of our product. Some states do not allow the exclusion or limitation of incidental or consequential damages, so the above limitation of exclusion may not apply to you. THIS WARRANTY IS EXPRESSLY IN LIEU OF ALL OTHER WARRANTIES, EXPRESS OR IMPLIED, INCLUDING THE WARRANTIES OF MERCHANTABILITY AND FITNESS. To take advantage of this warranty, the product or part must be returned to us with transportation charges prepaid. Proof of purchase date and an explanation of the complaint must accompany the merchandise.
If our inspection verifies the defect, we will either repair or replace the product at our election or we may elect to refund the purchase price if we cannot readily and quickly provide you with a replacement. We will return repaired products at our expense, but if we determine there is no defect, or that the defect resulted from causes not within the scope of our warranty, then you must bear the cost of returning the product.
This warranty gives you specific legal rights and you may also have other rights which vary from state to state.
26541 Agoura Road
Calabasas, CA 91302
1-888-866-5797



















