BEKA BA374E Timer or Clock

DESCRIPTION
- The BA374E is a field mounting intrinsically safe, instrument with a separate terminal compartment which can be configured as a Timer or as a Clock. As a Timer the BA374E can measure and display the elapsed time between external events, or control external events via two control outputs. When configured as a Clock the BA374E displays local time and the control outputs can turn on and off twice in each 24 hour period.
- This abbreviated instruction sheet is intended to assist with installation, a comprehensive instruction manual describing safety certification, system design and configuration may be downloaded from the BEKA website or may be requested from the BEKA sales office.
- The BA374E Timer or Clock has IECEx, ATEX and UKEX intrinsic safety certification for use in flammable gas atmospheres, plus ETL and cETL gas and dust certification. The certification information label, which is located on the top of the instrument enclosure, shows the certification numbers and codes. Other certifications may be shown. Copies of certificates may be downloaded from the BEKA website.

INSTALLATION
- The BA374E Timer or Clock has has a robust IP66 GRP enclosure with a separate terminal compartment incorporating an armoured glass window & stainless steel fittings. It is suitable for exterior surface mounting in most industrial environments, or pipe mounting using an accessory kit.
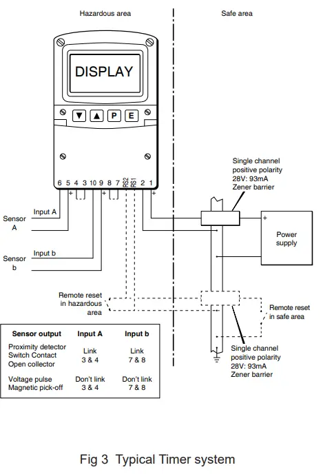
- If the enclosure is not bolted to an earthed post or structure, the earth terminal should be connected to local earthed metalwork or to the plant’s potential equalising conductor.


EMC
For specified immunity all wiring should be in screened twisted pairs with screens earthed at one point within the safe area.

Units of measurement and tag number
- The BA374E is fitted with a blank escutcheon around the liquid crystal display. This can be supplied printed with any units of measurement and tag information specified at the time of ordering. Alternatively, the information may be added on-site via an embossed strip, dry transfer or a permanent marker.
- To gain access to the escutcheon remove the terminal cover by unscrewing the two ‘A’ screws which will reveal two concealed ‘D’ screws. Remove the push buttons by unscrewing the two ‘C’ screws and un-plug the five way connector. Finally, unscrew all four ‘D’ screws and carefully lift off the front of the instrument. The location of all the screws is shown in Fig 1.
OPERATION
The BA374E is controlled and configured via four front panel push buttons. When configured as a Timer the push button functions are:
- When local control is enabled starts the Timer
- When local control is enabled stops the Timer
- Shows the grand total (run time) in hours and tenths of an hour irrespective of Timer configuration. If buttons are held for longer than ten seconds the grand total may be reset to zero if the grand total reset sub-function Glr gtot is enabled in the LoC r5Et configuration function.
To reset the grand total to zero from the display mode press the
buttons for ten seconds until CLr. no is displayed. Using the
button change the display to CLr. YE5 and press 
- Resets the Timer to zero or to the set time 5Et t depending on whether the Timer is configured to time-up or time-down when the two buttons are operated simultaneously for more than three seconds. This is a configurable function.
- When enabled in the configuration menu, operating these two buttons simultaneously provides direct access from the display mode to the set time 5Et t and, if the repeat timing cycle is enabled, to the restart delay r5t dela.
- Shows in succession, firmware version number, instrument function elap5e or cloc and output accessories which are always fitted.

See full instruction manual for description of use when configured as a Clock.
CONFIGURATION
BA374E Timer or Clocks are supplied configured as requested at time of ordering. If not specified default Timer configuration will be supplied but can easily be changed on-site. Fig 4 shows the location of each function within the Timer configuration menu with a brief summary of the function. Please refer to the full instruction manual for detailed configuration information. Access to the configuration menu is obtained by pressing the
buttons simultaneously. If the Timer or Clock’s security code is set to default 0000 the first parameter function will be displayed. If the instrument is protected by a security code, code will be displayed. The four digit code must be entered to gain access to the menu.

The BA374E is CE marked to show compliance with the European Explosive Atmospheres Directive 2014/34/EU and the European EMC Directive 2014/30/EU.
It is also UKCA marked to show compliance with UK statutory requirements Equipment and Protective Systems Intended for Use in Potentially Explosive Atmospheres Regulations UKSI 2016:1107 (as amended) and with the Electromagnetic Compatibility Regulations UKSI 2016:1091 (as amended).
























