ES2216-U1 Wet-Dry Rechargeable Shaver
Owner’s Manual
Wet/Dry Rechargeable Shaver
ES2216-U1
ES2218-U1
SPECIFICATIONS
| Model | ES2216 | ES2218 |
| Power source | AC120V 60Hz | AC 100-120V 50-60Hz |
| Motor voltage | 1.2V DC | |
| Charging time | 12 hours | 8 hours |
| Weight (main unit) | 165g | 162g |
WARNING This service information is designed for experienced repair technicians only and is not designed for use by the general public. It does not contain warnings or cautions to advise non-technical individuals of potential dangers in attempting to service a product. Products powered by electricity should be serviced or repaired only by experienced professional technicians. Any attempt to service or repair the product or products dealt with in this service information by anyone else could result in serious injury or death.
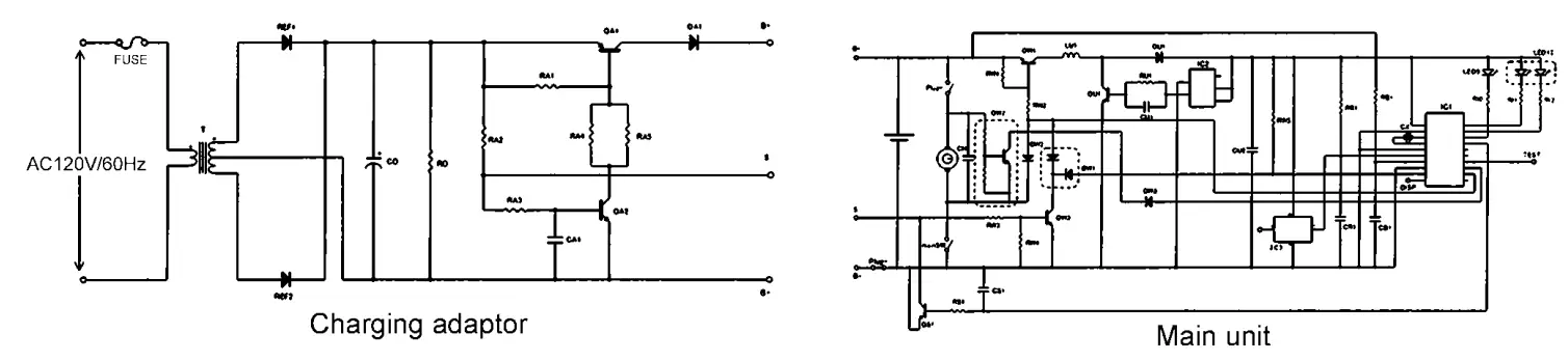
SCHEMATIC DIAGRAM
1.1. ES2216
1.2. ES2218 
EXPLODED VIEW & REPLACEMENT PARTS LIST
2.1. ES2216
NOTE:
*A=available as an optional accessory
*B=only available as set
*C=available individually
| Ref. No. | Part No. | Part Name & Description | Remarks | Per Unit | ||
| 1 | WES2219C7158 | PROTECTIVE CAP | (BG) | 1 | ||
| 2 | WES9755P | OUTER FOIL | 1ST | |||
| 3 | WES9754P | INNER BLADE | 1ST | |||
| 4 | WES2216P0048 | FOIL FRAME | (BG) | 1 | ||
| 5 | WES2216P3558 | 3-POSITION BIKINI COMB | (BG) | 1 | ||
| 6 | WES2216V7658 | CHARGING ADAPTOR | (BG) | 1 | ||
| 7 | WES208W7008 | SOFT CASE | (BG) | 1 | ||
| – | WES2216P8108 | OPERATING INSTRUCTIONS | (BG) | 1 | ||
2.2. ES2218 
NOTE:
*A=available as an optional accessory
*B=only available as set
*C=available individually
| Ref. No. | Part No. | Part Name & Description | Remarks | Per Unit | ||
| 1 | WES2208V7158 | PROTECTIVE CAP | (BG) | 1 | ||
| 2 | WES9755P | OUTER FOIL | 1ST | |||
| 3 | WES9754P | INNER BLADE | 1ST | |||
| 4 | WES2208V0048 | FOIL FRAME | (BG) | 1 | ||
| 5 | WES2218V3558 | 3-POSITION BIKINI COMB | (BG) | 1 | ||
| 6 | WES2208V7658 | CHARGING ADAPTOR | (BG) | 1 | ||
| 7 | WES208W7008 | SOFT CASE | (BG) | 1 | ||
| – | WES2218V8108 | OPERATING INSTRUCTIONS | (BG) | 1 | ||
© 2005 Matsushita Electric Works, Ltd.
All rights reserved. Unauthorized copying and distribution is a violation of law.


















