POTTER PSW-22 3 8 inch Plunger Switch with Flange Owner's Manual

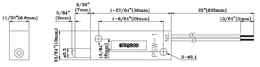
PSW-1
The PSW-1 is a SPST N.O. Plunger Switch for closed circuit loop. The plungers 7mm overall stroke allows for only 3mm operating stroke. This device can be utilized as a tamper switch. It comes with #22 lead wires that are 25″ long. PSW-1H -adapter housing for PSW-1
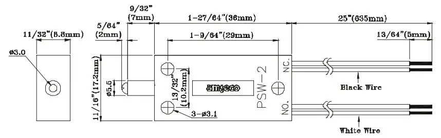
PSW-2
The PSW-2 normally closed and normally open SPST dual switches allow the PSW-2 to be used as SPDT transfer circuit. The plunger has a 7mm overall stroke and the lead wires are #22 and 25″ long.
PSW-21
The PSW-21 is a SPST plunger switch for a closed circuit loop. It will fit into a 3/8″ drilled hole for recessed mounting. The lead wires are #22 and 25″ long.![]()
PSW-22
The PSW-22 is a SPST N.O. type for a closed circuit system. It will fit into a 3/8″ drilled hole for recessed mounting. The lead wires are #22 and 25″ long.


Potter Electric Signal Co., LLC · St. Louis, MO · Cust Service: 866-240-1870 · Tech Support:866-956-1211· Canada 888-882-1833 · www.pottersignal.com
PRINTED IN USA



















