Honeywell Humidity Controllers H46C-F User Guide

THESE HUMIDITY CONTROLLERS PRO- VIDE AUTOMATIC CONTROL OF A HU- MIDIFIER OR A DEHUMIDIFIER FOR DE- HUMIDIFICATION AND MILDEW CON- TROL IN AIR CONDITIONING SYSTEMS. ALL MODELS ARE SUPPLIED WITH COV- ER AND CONTROL KNOB FOR WALL MOUNTING.
- Cover of impact-resistant, molded
- Sensing element of thin, moisture sensi- tive nylon ribbon provides reliable opera- tion even when ambient temperature con- ditions
- Fully enclosed, dust-free, spst, snap
- Large, easy-to-read on face of
- Positive ON and OFF setting positions permit manual operation of the controlled

IMPORANT
THE SPECIFICATIONS GIVEN IN THIS PUBLICATION DO NOT INCLUDE NORMAL MANUFACTURING TOLERANCES. THEREFORE, THIS UNIT MAY NOT MATCH THE LISTED SPECIFICATIONS EXACTLY. ALSO, THIS PRODUCT TESTED AND CALIBRATED UNDER CLOSELY CONTROLLED CONDITIONS, AND SOME MINOR DIFFERENCES IN PERFORMANCE CAN BE EXPECTED IF THOSE CONDITIONS ARE CHANGED.
TRADELINE MODELS
TRADELINE models are selected and packaged to provide ease of stocking, ease of handling, and maximum replacement value. TRADELINE model specifications are the same as those of standard models except as noted below:
TRADELINE MODELS AVAILABLE ADDITIONAL FEATURES:
- H46E includes interrupter
- l TRADELINE pack; with cross reference label and special instruction sheet.
STANDARD MODELS
|
MODELS | SYSTEM CONTROL | SCALE RANGE (RH) | TYPE OF TERMINAL CONNECTION | |||
| DEHUMIDIFIER (makes at set point) | HUMIDIFIER (makes at set point less differential) |
20-80% |
10-60% | LEADWIRE OR TRIC CORD | SCREW TYPE | |
| x | — | x | — | x | — | |
| — | x | — | x | x | — | |
| x | — | x | — | Note b | — | |
| — | x | . | x | Note b | — | |
adapter plate for vertical switch box mounting. 6 ft [1.8 m] electric cord. have interrupter
ORDERING INFORMATION
WHEN PURCHASING REPLACEMENT AND MODERNIZATION PRODUCTS FROM YOUR TRADELINE
WHOLESALER OR YOUR DISTRIBUTOR, REFER TO THE TRADELINE CATALOG OR PRICE SHEETS FOR
COMPLETE ORDERING NUMBER, OR SPECIFY—
- Order number, TRADELINE if desired.
IF YOU HAVE ADDITIONAL QUESTIONS, NEED FURTHER INFORMATION, OR WOULD LIKE TO COMMENT ON OUR PRODUCTS OR SERVICES, PLEASE WRITE OR PHONE - YOUR LOCAL HONEYWELL RESIDENTIAL SALES OFFICE (CHECK WHITE PAGES OF YOUR PHONE DIRECTORY).
- RESIDENTIAL DIVISION CUSTOMER SERVICE HONEYWELL INC., 1885 DOUGLAS DRIVE NORTH MINNEAPOLIS, MINNESOTA 55422-4386 (61 2) 542-7500
IN CANADA—HONEYWELL LIMITED/HONEYWELL LIMITEE, 740 ELLESMERE ROAD, SCARBOROUGH, ONTARIO
Ml P 2V9. INTERNATIONAL SALES AND SERVICE OFFICES IN ALL PRINCIPAL CITIES OF THE WORLD.
ELECTRICAL RATING (A at 50 or 60 Hz): H46C,E—
| 120 Vac | H46D 240 Vac | |
| Full Load | 4.4 | 2.2 |
| Locked Rotor | 26.4 | 13.2 |
| Resistive | 12.0 | 6.0 |
| Pilot Duty | 50 VA at 24 | |
aH46F model available with 8 or 12 A resistive rating at 120 Vat
SET POINT ADJUSTMENT: Control knob on face of controller.
SWITCHING: Enclosed, dust-proof, snap-acting, spst switch.
SENSING ELEMENT: Nylon ribbon.
DIFFERENTIAL Nonadjustable, 5 1 percent RH. MAXIMUM AM BlENT TEMPERATURE: 125° F [52° C]. MOUNTING MEANS:
on vertical switch box with adapter plate. H46E,F—Mounts directly on wall with two screws through keyhole slots in back of case.
COVER DIMENSIONS: See Figs. 1 and 2.
COVER FINISH: Silver bronze. COVER MATERIAL Molded plastic.
UNDERWRITERS LABORATORIES, INC., LISTED: File No. E4436; Guide No. XAPX.
CANADIAN STANDARDS ASSOCIATION LISTED: File No. 1620; Guide No. 400E0.

INFORMATION
WHEN INSTALLING THIS PRODUCT. . .
- Read these instructions carefully. Failure to follow them could damage the product or cause a hazardous
- Check the ratings given in the instructions and on the product to make sure the product is suitable for your
- Installer must be a trained, experienced service
- After installation is complete, check out product operation as provided in these
MOUNTING
Follow manufacturer’s instructions, if available. Other- wise proceed as follows. The H46C,D,E,F mount on a wall at a location that will best sense the relative humidity of the room. The H46C and D models must be mounted with the adapter plate on a vertical switch box. H46E and F models mount with two screws in keyhole slots in back of case.
WIRING
All wiring must comply with local codes and ordinances.
FOR MILDEW CONTROL AND DEHUMIDIFICATION
Vacation homes that are unoccupied during the hot, humid Florida summer are an invitation to mildew. The
common cure is to simply select a moderate thermostat setting and let the air conditioner run. By applying either a low voltage thermostat in combination with an H46C Dehumidistat or a W884E Comfort Center, mildew can be reliably prevented and air conditioning energy use can be optimized. The dehumidistat and thermostat should be wired in parallel such that by leaving the
system switch in COOL and selecting appropriate set points for example, 85° F [29° C] and 50 percent RH, either device will be able to control the air conditioning equipment. This independent operation will allow the higher temperature set point and still prevent mildew by controlling humidity. For wiring diagrams See Figs. 3 and 4. –
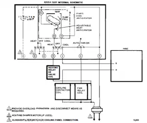
FIG. 3—TYPICAL PARALLEL WIRING DIAGRAM OF H46C WITH T67F/Q539A COMBINATION FOR DEHUMIDIFICATION
AND MILDEW CONTROL.

—.— —–—.—
FIG. 4—TYPICAL SERIES WIRING DIAGRAM OF H46C WITH T67F/Q539A COMBINATION FOR DEHUMIDIFICATION AND MILDEW CONTROL





H46C & E DEHUMIDIFY CONTROLLERS
The H46C and E switches make contact on a relative humidity rise to the set point to start the dehumidifier. A decrease in relative humidity to the set point minus the differential breaks the switch contact to stop the dehumidifier. Turn the control knob clockwise m to the setting stop to put the dehumidifier in the ON position. Set to the OFF position by turning the control knob counterclockwise n to the stop.
H46D & F HUMIDITY CONTROLLERS
The H46D and F switches make contact on a humidity fall to the set point minus the differential. In most humidifier systems, the furnace fan must be operating before the humidifier starts. An increase in humidity to the set point breaks the switch contacts.
Turn control knob clockwise n to the stop for ON position. Set to the OFF position by turning the control knob counterclockwise n to the stop.
CHECKOUT
Place the system in operation and observe through at least one complete cycle to make certain that all components are functioning properly.





















