
Assembly&Use Manual
2-Cycle Chain Saw 6220G /5820G

Introduction
Operator’s manual
READ ALL INSTRUCTIONS BEFORE OPERATING
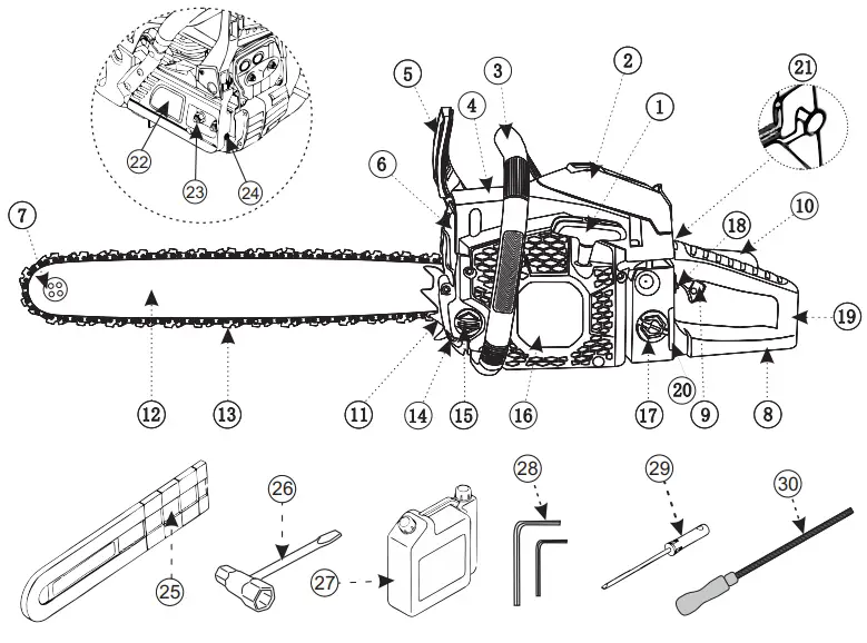
Product overview

- Starter handle
- Air filter cover
- Front handle
- Cylinder cover
- Chain brake
- Muffler
- Bar nose sprocket
- Right handguard
- Trigger
- Trigger lockout
- Pumper spike
- Guide bar
- Saw chain
- Pumper spike screw
- Chain oil tank
- Starter cover
- Fuel tank
- Switch button
- Rear handle
- Visible fuel tank
- Choke control
- Clutch cover
- Guide-bar nuts
- Chain tensioning screw
- Guide-bar cover
- Combination tool
- Fuel mixture container
- Hex wrench(big/small)
- Idle Screwdriver
- Round file diameter
Assembly
WARNING: Read and understand the safety chapter before you assemble the product.
To assemble the guide bar and saw chain
- Install bumper spike Pull the chain brake back off

- Remove the guide bar nuts and the Clutch cover. Remove the bolt protection

- Put the guide bar above the bar bolts.
Steer the guide bar to under clutch position.
- Put on protective chainsaw gloves.

- Lift the saw chain above the drive sprocket
Engage chain in the groove on the guide bar. Start on the top edge of the guide bar.
- Make sure that the edges of the cutting links are turned forward on the top edge of the guide bar.

- Assemble the clutch cover and steer the chain adjuster pin to the hole in the guide bar.

- Make sure that the drive links of the saw chain fit correctly on the drive sprocket.
Also, make sure that the saw chain is correctly engaged in the groove in the guide bar. - Tighten the guide bar nuts with your fingers.

- Tighten the saw chain by turning the chain tensioning screw clockwise with the combination wrench

. Tighten the saw chain until it does not sag from below the guide bar, but you can turn

- Hold up the end of the guide bar and tighten the bar nuts with the combination wrench.

- Examine the chain tension frequently after you assemble a new saw chain and until the saw chain has been run in.
- Examine the chain tension regularly.
Correct chain tension results in good cutting performance and long life.
ADJUSTING THE CHAIN TENSION
CAUTION: The chain must be tensioned whenever the flats on the drive links hang out of the bar groove.
Check for proper chain tension before starting the unit and periodically during operation.
- Stop the engine.
- Sightly loosen the guide bar nuts.

- Tighten /loosen the saw chain by tensioning the screw turning the chain with the combination wrench.

- lift the tip of the guide bar up to check for proper tension
- Hold the tip of the guide bar up securely tighten the guide bar nuts.
NOTE: A new chain tends to stretch. Check the chain tension frequently and tighten as required.
Operation
![]() | WARNING: Read and understand the safety chapter before you operate the product. |
![]() | CAUTION: For proper engine operation and maximum reliability, pay strict attention to the oil and fuel mixing instructions on the 2-cycle oil container. Using improperly mixed fuel can severely damage the engine. |
![]() | WARNING: Gasoline is extremely flammable. Ignited vapors may explode. Always stop the engine and allow it to cool before filling the fuel tank. Do not smoke while filling the tank. Keep sparks and openflames at a distance from the area. |
![]() | WARNING: Remove the fuel cap slowly to avoid injury from fuel spray. Never operate the unit without the fuel cap securely in place. |
![]() | WARNING: Add fuel in a clean, well-ventilated outdoor area. Wipe up any spilled fuel immediately. Avoid creating a source of ignition for spilled fuel. Do not start the engine until fuel vapors dissipate. |


To use fuel
Fuel mixture ratio
The fuel mixture ratio for the gasoline and two-cycle engine oil is 25:1
To make the fuel mixture
- Determine the correct quantity of gasoline and engine oil (mixture ratio 25:1). Do not make more than 30 days quantity of fuel mixture.
- Add half of the gasoline quantity to a clean fuel container with an antispill valve.
CAUTION: Do not use gasoline with more than 10% ethanol concentration (E10). This can cause damage to the product.
CAUTION: Do not use gasoline with an octane number less than 90 RON (87 AKI). This can cause damage to the product.
Note: Use gasoline with a higher octane number if you frequently use the product at continuously high engine speed. - Add the full quantity of the two-cycle engine oil to the fuel container.
CAUTION: Always use air-cooled two-cycled engine oil of high quality. Other oils can cause damage to the product. - Shake the fuel mixture to mix the contents.
- Add the remaining gasoline quantity to the fuel container.
- Shake the fuel mixture to mix the contents.
- Fill the fuel tank of the product with the fuel mixture. See To use fuel on page 14.
To fill the fuel tank
1. Make sure that the fuel mixture is correct and that the fuel mixture is in a fuel container with an antispill valve.
2. If fuel is on the container, remove the unwanted fuel and let the container dry.
3. Make sure that the area near the fuel tank cap is clean.
4. Remove the fuel tank cap.
5. Shake the fuel container before you add the fuel mixture to the fuel tank.
6. Put back the fuel tank cap.
To lubricate the saw chain
The product has an automatic lubrication system. The saw chain oil tank and the fuel tank are designed so that the fuel runs out before the saw chain oil. This safety feature
requires that the correct chain oil is used and that the instructions are obeyed.
- Use vegetable-based saw chain oil or standard chain oil.
- Make sure that the area near the cap of the saw chain oil tank is clean.
- Remove the cap of the saw chain oil tank.
- Fill the saw chain oil tank with the recommended saw chain oil.
- Put back the cap of the saw chain oil tank.
To start and stop
Before you start the engine
- Examine the product for missing, damaged, loose or worn parts.
- Examine the nuts, screws, and bolts.
- Examine the air filter.
- Examine the trigger lockout and the trigger for correct operation.
- Examine the stop switch for correct operation.
- Examine the product for fuel leaks.
- Examine the saw chain sharpness and tension.
To start a cold engine
- Move the front handguard forward to engage the chain brake.

- Open the switch button(1 open /0 stop).

- Pull the choke control out fully.

- Hold the body of the product on the ground with your left hand.
- Put your right foot through the rear handle.
- Pull the starter rope handle slowly with your right hand until you feel some resistance.
- Pull the starter rope handle with force.

- Continue to pull the starter rope handle until the engine starts or tries to start (pull max 5 times).
- CAUTION:
There is no need to pull the rope briskly There is no harsh resistance when pulling Don’t pull the rope to its limit.
As this may cause the rope to break.
Don’t let the rope snap back.
Hold the handle and let the rope rewind slowly
Note: Do not pull the throttle trigger when you start the engine. - If the engine starts or tries to start, push the choke control back fully position.

- Continue to pull until the engine starts.
- Hold the rear handle with your right hand and the front handle with your left hand.

- Immediately pull the front handguard rearward in the direction of the front handle to disengage the chain brake.
Note: The chain will move. - Run 20-30 seconds at elevated idle speed.
- Pull the throttle trigger slowly but fully for 8-10 seconds, then release.

- Run 10 seconds at normal idle speed.
- Pull the throttle trigger slowly but fully for 5 seconds to check the acceleration, then release.
- Use the product.
To lubricate the cutting equipment
To do a check of the saw chain lubrication
Do a check of the chain saw lubrication each time you refuel.
- Point the nose of the guide bar at a light color surface almost 20 cm (8 in) away.
- After 1 minute of running, a line of oil shows on the light surface.

If you cannot see the line of oil after 1 minute, clean the oil channel in the guide bar. Clean the groove in the edge of the guide bar. Make sure the guide bar nose sprocket turns freely and that there are no blockages in the lubrication hole. Clean and lubricate the tip sprocket.
The engine doesn’t start
- 1. Examine the switch button position(page18)
2. Examine the choke position(step 9 )
3. Examine the muffler and cylinder feel fuel in the smoke hole with you fingers
Cylinder flooded
a. Turn off the switch button.
b. Remove the air filter cover.
c. Remove the air filter.
d. Remove the spark plug.
e. Turn the machine upside down.
f. Pull the starting rope(5-8times) to let the fuel flow out of the cylinder.
g. Put back all the parts.
Note:
Make sure the fuel doesn’t spill on your body.
4. Go back to step 1 start again
When you pull the trigger-it turns off.
- Examine the choke position(fully close).
- Examine the brake. (make sure brake off)
- Examine the saw chain.
Make sure the chain is still in the drive sprocket - Idle adjustment screw (T)
Use Idle screwdriver to turn the idle adjustment screw 1/4 to 1/2 turn anticlockwise. - Start the engine again.
The engine runs but the chain is not running
- Examine the brake pad (brake off).
- Examine the choke position(fully close).
- Examine the saw chain.
Make sure the chain is still in the drive sprocket.
Make sure the chain turns easily by hand.
- Engine runs but clutch cover smokes
- Examine the brake pad (brake off).
The brake spring will melt clutch - Examine the saw chain Make sure the chain is still in the drive sprocket.
The drive sprocket will melt the turbine
Adjusting the automatic oiler
The oiler automatically delivers the proper amount of oil to the guide bar and saw chain.
As the engine speed increases, so does the oil flow.
The amount of oil flowing to the guide bar and saw chain may be changed by turning the adjustment screw with a small standard screwdriver.
Turn the screw clockwise to decrease oil flow or turn the screw counterclockwise to increase oil flow

Note: empty your oil tank when you don’t use If not the oil will keep coming out
To start a warm engine
- Push the chain brake on
- Open the switch button (1open/0stop)

- Push the choke control in fully

- Pull the starter rope handle until the engine starts.

- Pull the brake off

- Pull the throttle trigger
- Use the product.
To stop the engine
- Push the stop switch to stop the engine.
Note: Stop engine (0)
Open engine (1)

TROUBLESHOOTING
CAUSE | SOLUTION |
| THE UNIT WILL NOT START OR STARTS BUT DOES NOT CONTINUE TO RUN | |
| The unit was started incorrectly The carburetor mixture adjustment setting is incorrect The spark plug is fouled The fuel tank is empty | Follow all Starting and Stopping Instructions Contact our Amazon service Clean, gap or replace the spark plug Fill the fuel tank with properly mixed fuel |
| THE UNIT STARTS, BUT THE ENGINE HAS LOW POWER | |
| The fuel filter is plugged The choke is in the wrong position The spark arrestor screen is dirty The air filter is dirty The carburetor mixture adjustment setting is incorrect | Contact our Amazon service Move the choke to fully close Clean the spark arrestor screen Clean the air filter Contact our Amazon service |
| THE ENGINE HESITATES | |
| The carburetor mixture adjustment setting is incorrect The air filter is plugged The fuel is old and/or improperly mixed | Contact our Amazon service Clean or replace the air filter Drain the fuel tank and add fresh, properly mixed fuel |
| THERE IS NO POWER WHEN THE UNIT IS UNDER LOAD | |
| The carburetor mixture adjustment setting is incorrect The fuel is old and/or improperly mixed The air filter is plugged The spark plug is fouled | Contact our Amazon service Drain the fuel tank and add fresh, properly mixed fuel Clean or replace the air filter Clean, gap or replace the spark plug |
| THE ENGINE RUNS ERRATICALLY | |
| The spark plug is incorrectly gapped The spark arrestor screen is plugged The air filter is dirty | Clean, gap or replace the spark plug Clean the spark arrestor screen Clean or replace the air filter |
| THE ENGINE SMOKES EXCESSIVELY | |
| The carburetor mixture adjustment setting is incorrect The fuel mixture is incorrect | Contact our Amazon service Drain the fuel tank and add fresh, properly mixed fuel |
| THE GUIDE BAR AND CHAIN ARE RUNNING HOT AND SMOKING OR STUCK | |
| The chain tension is too tight The chain oil tank is empty The guide bar groove and/or oil passages are dirty The oil flow from the automatic oiler to low | Adjust the chain tension Refill the bar lube reservoir Clean the guide bar groove and oil passages Increase the oil flow from the automatic oiler |
| THE CHAIN DOES NOT ROTATE WHILE THE ENGINE IS RUNNING | |
| The chain tension is too tight The guide bar and chain are assembled incorrectly The guide bar and chain are damaged The drive assembly is damaged The chain brake is engaged | Adjust the chain tension Refer to Removing/Replacing the Guide Bar and Chain Inspect the guide bar and chain for damage Refer to Service Information Disengage the chain brake |
| THE CHAIN ROTATES BUT DOES NOT CUT | |
| The chain is dull The chain is on backward | Sharpen the chain Reverse the direction of the chain |
After sell service: Whatsapp/Skype/Facetime: +86 184 580 185 94 Facebook:





Engage chain in the groove on the guide bar. Start on the top edge of the guide bar.















Note: The chain will move.

Cylinder flooded
Use Idle screwdriver to turn the idle adjustment screw 1/4 to 1/2 turn anticlockwise.




















