EMERSON DLC3010 Fisher 249W Cageless Wafer Style Displacer Sensor

Introduction
Scope of Manual
This instruction manual includes maintenance, and parts ordering information for the 249W cageless wafer style sensor.
Although the sensor is usually shipped with attached controller or transmitter, as shown in figure 1, this manual does not include operation, installation, calibration, maintenance, or parts ordering information for the controller/transmitter or for the complete unit. For this information, refer to the appropriate controller/ transmitter instruction manual.
CAUTION
Do not install, operate, or maintain a 249W sensor and the attached controller or transmitter without being fully trained and qualified in valve, actuator, and accessory installation, operation, and maintenance. To avoid personal injury or property damage, it is important to carefully read, understand, and follow all of the contents of this manual, including all safety cautions and warnings. If you have any questions about these instructions contact your Emerson sales office before proceeding.
Description
The 249W sensor is designed to measure liquid level, interface level, or density/specific gravity inside a process vessel.
A torque tube assembly (figure 2) and displacer provide an indication of liquid level, interface level, or density/specific gravity. The torque tube assembly consists of a hollow torque tube with a shaft welded inside it at one end and protruding from it at the other end.
Figure 2. Typical Cageless Displacer
The unconnected end of the tube is sealed by a gasket and clamped rigidly to the torque tube arm, permitting the protruding end of the shaft to twist and therefore transmit rotary motion. This allows the interior of the torque tube to remain at atmospheric pressure, thus eliminating packing and the disadvantages of packing friction.
The displacer always exerts a downward force on one end of the displacer rod. The other end of the displacer rod rests on the knife‐edge of the driver bearing. A keyed shaft on the bearing end of the displacer fits into a socket on the outside of the welded end of the torque tube assembly.
A change in liquid level, interface level, or density/specific gravity buoys up the displacer by a force equal to the weight of the liquid displaced. Corresponding vertical movement of the displacer results in angular movement of the displacer rod around the knife edge. Since the torque tube assembly is a torsional spring which supports the displacer and determines the amount of movement of the displacer rod for a given displacement change, it will twist a specific amount for each increment of buoyancy change. This rotation is brought through the torque tube arm by the protruding rotary shaft. A controller or transmitter attached to the end of the rotary shaft converts the rotary motion into varying pneumatic or electric signals. Figure 3 shows how the controller or transmitter mounts on the torque tube arm.
Unless otherwise noted, all NACE references are to NACE MR0175-2002.
Figure 3. Torque Tube Arm Exploded View Showing Controller or Transmitter Mounting
Type Number Description
- 249W—NPS 3 or 4, CL150, CL300, or CL600 steel cageless sensor.
The Parts List section shows some 249W constructions and table 1 contains materials of construction. However, 249W parts are available in a wide variety of materials of construction, part dimensions, and other specifications. Contact your Emerson sales office for assistance in selection of specific materials, dimensions, and specifications.
Table 1. Materials of Construction
| Part | Standard Material | Other Materials |
| Wafer Body and Torque Tube Arm | WCC (NACE MR0175 compliant) | 316 Stainless Steel |
| Displacer | 304 Stainless Steel | 316 Stainless Steel, N10276, N04400, Plastic, and Special Alloys |
| Displacer Stem, Driver Bearing, Displacer Rod and Driver | 316 Stainless Steel | N10276, N04400, other Austenitic Stainless Steels, and Special Alloys |
| Torque Tube | N05500(1) | 316 Stainless Steel, N06600, N10276 |
| Bolting | NCF coated steel grade B7 studs or cap screws and grade 2H nuts | Steel Grade B7M or M8M studs and grade 2M nuts |
| Torque Tube Arm Gasket and Torque Tube End Gasket | Graphite/Stainless Steel | N04400/PTFE |
| 1. N05500 is not recommended for spring applications above 232°C (450°F). Contact your Emerson sales office or application engineer if temperatures exceeding this limit are required. | ||
Educational Services
For information on available courses for 249W level sensors, as well as a variety of other products, contact:
Emerson Automation Solutions
Educational Services – Registration
Phone: 1-641-754-3771 or 1-800-338-8158
E-mail: [email protected]
emerson.com/fishervalvetraining
Installation
WARNING
To avoid personal injury or property damage resulting from the sudden release of pressure:
- Always wear protective clothing, gloves, and eyewear when performing any installation operations to avoid personal injury.
- Check with your process or safety engineer for any additional measures that must be taken to protect against process media.
- If installing into an existing application, also refer to the WARNING at the beginning of the Maintenance section of this instruction manual.
The 249W sensor can be installed directly on the vessel as shown in figure 4. It also can be installed in a user fabricated cage mounted on the side of the vessel as shown in figure 5. The sensor mounts on the top of the vessel or in the displacer cage using an NPS 3 raised face flange with the NPS 3 249W wafer body, or an NPS 4 raised‐face flange with the NPS 4 249W wafer body.
Figure 4. Fisher 249W Sensor Top Mounted on Vessel
NOTE:
1STILLWELL REQUIRED AROUND DISPLACER IF THE FLUID IS IN A STATE OF CONTINUOUS AGITATION
Figure 5. Fisher 249W Sensor Cage‐Mounted on Side of Vessel
Installation on Top of Vessel
Note
If a stillwell is used, install it plumb so that the displacer does not touch the wall of the stillwell. If the displacer touches the wall, the unit will transmit an erroneous output signal.
Because the displacer hangs inside the vessel, provide a stillwell around the displacer if the fluid is in a state of continuous agitation to avoid excessive turbulence around the displacer.
To attach the sensor body to the vessel requires a flanged connection on the vessel as shown in figure 4. For interface or fluid level applications, install a gauge glass on the vessel.
Installation with Displacer Cage on Side of Vessel
Note
Install the cage so that it is plumb; the displacer must not touch the cage wall. If the displacer touches the cage wall, the unit will transmit an erroneous output signal.
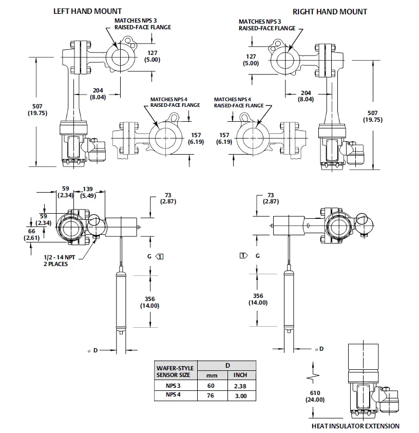
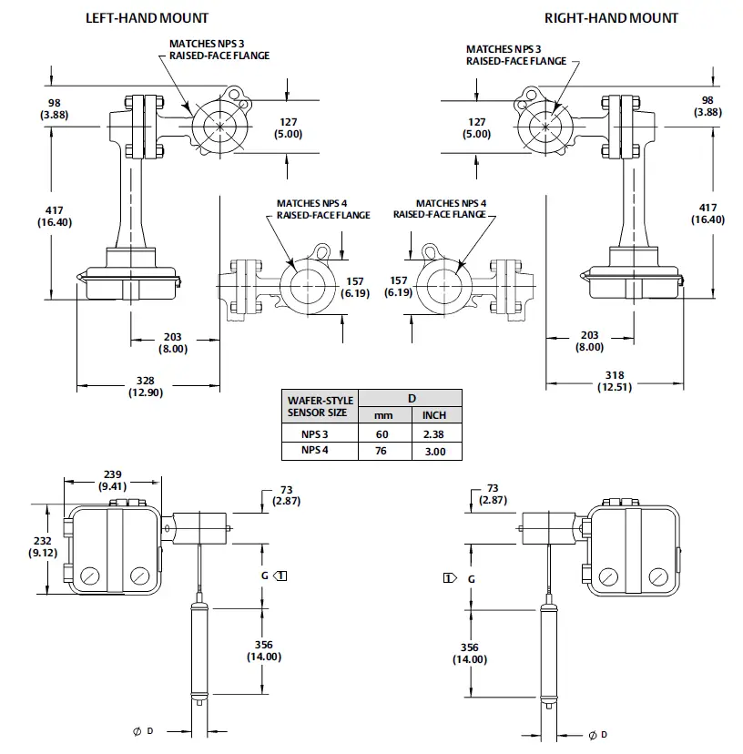
Figure 5 shows the 249W sensor mounted on the side of a vessel using a displacer cage. Figure 6 provides the 249W dimensions required to fabricate a cage. Figure 7 provides overall envelope dimensions for a 249W sensor and DLC3010/DLC3020f controller, and figure 8 provides overall envelope dimensions for a 249W and 2500 controller or transmitter.
Figure 6. Typical Cage Connections
NOTES:
- DIMENSION G IS CUSTOMER SPECIFIED
- VESSEL CONNECTIONS ARE EITHER NPS 1‐1/2 OR 2 CL150, CL300 OR CL600 FLANGES. (VESSEL ENDS CAN BE ALSO SCREWED OR SOCKET WELDED CONNECTIONS)
- DISPLACER LENGTH ILLUSTRATED IS 14‐INCHES
- CONNECTIONS SHOWN ILLUSTRATE THE DLC3010/DLC3020f. CONNECTIONS ARE ALSO APPLICABLE TO THE 2500
Figure 7. Overall Envelope Dimensions for Fisher 249W / DLC3010 or DLC3020f for Mounting on Customer Supplied Cage
| WAFER‐STYLE SENSOR SIZE | D | |
| mm | INCH | |
| NPS 3 | 60 | 2.38 |
| NPS 4 | 76 | 3.00 |
NOTES:
- DIMENSION G IS CUSTOMER SPECIFIED
- DISPLACER LENGTH ILLUSTRATED IS 14‐INCHES
Figure 8. Overall Envelope dimensions for Fisher 249W / 2500 for Mounting on Customer Supplied Cage
| WAFER‐STYLE SENSOR SIZE | D | |
| mm | INCH | |
| NPS 3 | 60 | 2.38 |
| NPS 4 | 76 | 3.00 |
NOTES:
- DIMENSION G IS CUSTOMER SPECIFIED
- DISPLACER LENGTH ILLUSTRATED IS 14‐INCHES
When fabricating the cage, maintain a minimum clearance of 1/4‐inch between the displacer and the cage wall. Dirty or viscous fluids may require a larger clearance. Provide sufficient cage length below the displacer to ensure that the displacer does not hit the bottom of the cage. The A dimension should be sufficient to permit adequate clearance for installation and to allow access to isolation valves, etc. When installing the cage, it must be vertically plumb so that the displacer does not strike the side of the cage.
As shown in figure 5, mount the cage by running equalizing lines between the cage connections and the vessel. A shutoff or hand valve with a 1‐1/2 inch diameter or larger port should be installed in each of the equalizing lines. Also install a drain between the cage and shutoff or hand valve whenever the bottom cage line has a fluid‐trapping low point. On fluid or interface level applications, position the displacer cage so that the cage center is as close as possible to the center of the fluid level or interface level range being measured. Also consider installing a gauge glass on the vessel, or on the displacer cage.
Mounting the Sensor on the Process Vessel or Displacer Cage
NOTICE
If inserting the displacer into the vessel or displacer cage before attaching to the displacer rod, provide a means of supporting the displacer to prevent it from dropping into the vessel or cage and suffering damage.
Installation
Install the sensor wafer body on the vessel or displacer cage using the following procedure.
You may attach the displacer to the displacer rod before installing the sensor on the cage or vessel. If so, attach the displacer to the displacer rod as described in step 1. If the displacer diameter is small enough, you may install a long or sectionalized displacer through the wafer body after it is positioned on the connecting flange. In this case, install the
displacer in step 4.
- Place the seal on the connecting flange. To install the displacer, insert the displacer in the vessel or cage. Hold the wafer body above the connecting flange. Connect the displacer as shown in figure 9, locking the assembly with the cotter springs provided. If a stem extension is used between the displacer spud and the stem end piece, make sure the nuts are tight at each end of the stem.
- To position the wafer body on the connecting flange, insert a stud, with nut, through the connecting flange and one of the eyelets on the wafer body, as shown in figure 10. Screw a second nut onto the top of the stud to hold the wafer body in place. This second nut may be removed after the top flange is installed.
- If you installed the displacer in step 1, go to step 5, otherwise continue with step 4.
- If installing a long or sectionalized displacer:
- a. Remove the torque tube arm assembly and displacer rod from the wafer body.
- b. Insert the displacer through the wafer body into the vessel or cage.
- c. Reassemble the torque tube arm assembly and displacer rod to the wafer body.
- d. Connect the displacer as shown in figure 9, locking the assembly with the cotter springs provided. If a stem extension is used between the displacer spud and the stem end piece, make sure the nuts are tight at each end of the stem.
Figure 9. Displacer and Displacer Rod Connections
Figure 10. Positioning Fisher 249W Wafer Body on the Connecting Flange
Note
In the next step, if mounting the wafer body on a displacer cage and a flange adaptor is required, install the flange adaptor instead of the blind flange.
- Refer to figure 11. Place a second seal on top of the wafer body. Place a blind flange on the wafer body so that the holes in the blind flange align with the holes in the connecting flange.
- Refer to figure 12. Secure the wafer body between the blind flange and connecting flange by inserting the remaining studs and nuts. Tighten the nuts just enough to hold the wafer body in place.
- Remove the nut from the stud that was used in step 2. Reinsert the stud so it passes through the holes in the blind flange and connecting flange. Thread the nut back onto the stud.
- Tighten all nuts in a crisscross fashion to the torque recommended in tables 2 or 3.
Figure 11. Blind Flange Installation
Figure 12. Fisher 249W Installation Complete
Table 2. Recommended Bolt Torque for Typical Lubricants (NPS 3 Flanges)
| Bolt and Nut Material |
Bolt Size | Mating Flange Pressure Rating | Lubricant | |||
| Fisher NCF2(1) Coating | Molykote® 321R | ® Lubriplate Mag‐1 | ® Never‐Seez Nickel Special | |||
| Torque, N•m (lbf•ft) | ||||||
| 5/8 ‐ 11 | CL150 | 431±62 (97±14) | 431±62 (97±14) | 556±84 (125±19) | 534±80 (120±18) | |
| SA193‐B7 | 3/4 ‐ 10 | CL300 | 667±98 (150±22) | 667±98 (150±22) | 845±124 (190 ±28) | 801±133 (180±30) |
| 3/4 ‐ 10 | CL600 | 667±98 (150±22) | 667±98 (150±22) | 845±124 (190±28) | 801±133 (180±30) | |
| 5/8 ‐ 11 | CL150 | 431±44 (97±10) | 431±44 (97±10) | 556±58 (125±13) | 534±53 (120±12 | |
| SA193‐B7M | 3/4 ‐ 10 | CL300 | 689±71 (155±16) | 689±71 (155±16) | 890±89 (200±20) | 845±84 (190±19) |
| 3/4 ‐ 10 | CL600 | 689±71 (155±16) | 689±71 (155 ±16) | 890±89 (200±20) | 845±84 (190±19) | |
| 5/8 ‐ 11 | CL150 | 418±62 (94±14) | 534±80 (120±18) | 511±67 (115±15) | ||
| SA193‐B8M CL2 | 3/4 ‐ 10 | CL300 | Not applicable | 689±102 (155±23) | 890±133 (200±30) | 845±124 (190±28) |
| 3/4 ‐ 10 | CL600 | 689±102 (155±23) | 890±133 (200±30) | 845±124 (190±28) | ||
| 1. Torque values for NCF2 without additional lubricant are equal to Molykote 321R | ||||||
Table 3. Recommended Bolt Torque for Typical Lubricants (NPS 4 Flanges)
| Bolt and Nut Material |
Bolt Size | Mating Flange Pressure Rating | Lubricant | |||
| Fisher NCF2(1) Coating | Molykote 321R | Lubriplate Mag‐1 | Never‐Seez Nickel Special | |||
| Torque, N•m (lbf•ft) | ||||||
| 5/8 ‐ 11 | CL150 | 431±62 (97±14) | 431±62 (97±14) | 556±84 (125±19) | 534±80 (120±18) | |
| SA193‐B7 | 3/4 ‐ 10 | CL300 | 667±98 (150±22) | 667±98 (150±22) | 845±124 (190 ±28) | 801±133 (180±30) |
| 7/8 ‐ 9 | CL600 | 1022±102 (230±23) | 1022±102 (230±23) | 1289±129 (290±29) | 1222±122 (275±28) | |
| 5/8 ‐ 11 | CL150 | 431±44 (97±10) | 431±44 (97±10) | 556±58 (125±13) | 534±53 (120±12 | |
| SA193‐B7M | 3/4 ‐ 10 | CL300 | 689±71 (155±16) | 689±71 (155±16) | 890±89 (200±20) | 845±84 (190±19) |
| 7/8 ‐ 9 | CL600 | 1022±102 (230±23) | 1022±102 (230±23) | 1289±129 (290±29) | 1222±122 (275±28) | |
| 5/8 ‐ 11 | CL150 | 418±62 (94±14) | 534±80 (120±18) | 511±67 (115±15) | ||
| SA193‐B8M CL2 | 3/4 ‐ 10 | CL300 | Not applicable | 689±102 (155±23) | 890±133 (200±30) | 845±124 (190±28) |
| 7/8 ‐ 9 | CL600 | 956±96 (255±96) | 1133±114 (255±26) | 1111±111 (250±25) | ||
| 1. Torque values for NCF2 without additional lubricant are equal to Molykote 321R | ||||||
| Bolt and Nut Material |
Bolt Size | Mating Flange Pressure Rating | Lubricant | |||
| Fisher NCF2(1) Coating | Molykote 321R | Lubriplate Mag‐1 | Never‐Seez Nickel Special | |||
| Torque, N•m (lbf•ft) | ||||||
| 5/8 ‐ 11 | CL150 | 431±62 (97±14) | 431±62 (97±14) | 556±84 (125±19) | 534±80 (120±18) | |
| SA193‐B7 | 3/4 ‐ 10 | CL300 | 667±98 (150±22) | 667±98 (150±22) | 845±124 (190 ±28) | 801±133 (180±30) |
| 7/8 ‐ 9 | CL600 | 1022±102 (230±23) | 1022±102 (230±23) | 1289±129 (290±29) | 1222±122 (275±28) | |
| 5/8 ‐ 11 | CL150 | 431±44 (97±10) | 431±44 (97±10) | 556±58 (125±13) | 534±53 (120±12 | |
| SA193‐B7M | 3/4 ‐ 10 | CL300 | 689±71 (155±16) | 689±71 (155±16) | 890±89 (200±20) | 845±84 (190±19) |
| 7/8 ‐ 9 | CL600 | 1022±102 (230±23) | 1022±102 (230±23) | 1289±129 (290±29) | 1222±122 (275±28) | |
| 5/8 ‐ 11 | CL150 | 418±62 (94±14) | 534±80 (120±18) | 511±67 (115±15) | ||
| SA193‐B8M CL2 | 3/4 ‐ 10 | CL300 | Not applicable | 689±102 (155±23) | 890±133 (200±30) | 845±124 (190±28) |
| 7/8 ‐ 9 | CL600 | 956±96 (255±96) | 1133±114 (255±26) | 1111±111 (250±25) | ||
| 1. Torque values for NCF2 without additional lubricant are equal to Molykote 321R | ||||||
| Bolt and Nut Material |
Bolt Size | Mating Flange Pressure Rating | Lubricant | |||
| Fisher NCF2(1) Coating | Molykote 321R | Lubriplate Mag‐1 | Never‐Seez Nickel Special | |||
| Torque, N•m (lbf•ft) | ||||||
| 5/8 ‐ 11 | CL150 | 431±62 (97±14) | 431±62 (97±14) | 556±84 (125±19) | 534±80 (120±18) | |
| SA193‐B7 | 3/4 ‐ 10 | CL300 | 667±98 (150±22) | 667±98 (150±22) | 845±124 (190 ±28) | 801±133 (180±30) |
| 7/8 ‐ 9 | CL600 | 1022±102 (230±23) | 1022±102 (230±23) | 1289±129 (290±29) | 1222±122 (275±28) | |
| 5/8 ‐ 11 | CL150 | 431±44 (97±10) | 431±44 (97±10) | 556±58 (125±13) | 534±53 (120±12 | |
| SA193‐B7M | 3/4 ‐ 10 | CL300 | 689±71 (155±16) | 689±71 (155±16) | 890±89 (200±20) | 845±84 (190±19) |
| 7/8 ‐ 9 | CL600 | 1022±102 (230±23) | 1022±102 (230±23) | 1289±129 (290±29) | 1222±122 (275±28) | |
| 5/8 ‐ 11 | CL150 | 418±62 (94±14) | 534±80 (120±18) | 511±67 (115±15) | ||
| SA193‐B8M CL2 | 3/4 ‐ 10 | CL300 | Not applicable | 689±102 (155±23) | 890±133 (200±30) | 845±124 (190±28) |
| 7/8 ‐ 9 | CL600 | 956±96 (255±96) | 1133±114 (255±26) | 1111±111 (250±25) | ||
| 1. Torque values for NCF2 without additional lubricant are equal to Molykote 321R | ||||||
| Bolt and Nut Material |
Bolt Size | Mating Flange Pressure Rating | Lubricant | |||
| Fisher NCF2(1) Coating | Molykote 321R | Lubriplate Mag‐1 | Never‐Seez Nickel Special | |||
| Torque, N•m (lbf•ft) | ||||||
| 5/8 ‐ 11 | CL150 | 431±62 (97±14) | 431±62 (97±14) | 556±84 (125±19) | 534±80 (120±18) | |
| SA193‐B7 | 3/4 ‐ 10 | CL300 | 667±98 (150±22) | 667±98 (150±22) | 845±124 (190 ±28) | 801±133 (180±30) |
| 7/8 ‐ 9 | CL600 | 1022±102 (230±23) | 1022±102 (230±23) | 1289±129 (290±29) | 1222±122 (275±28) | |
| 5/8 ‐ 11 | CL150 | 431±44 (97±10) | 431±44 (97±10) | 556±58 (125±13) | 534±53 (120±12 | |
| SA193‐B7M | 3/4 ‐ 10 | CL300 | 689±71 (155±16) | 689±71 (155±16) | 890±89 (200±20) | 845±84 (190±19) |
| 7/8 ‐ 9 | CL600 | 1022±102 (230±23) | 1022±102 (230±23) | 1289±129 (290±29) | 1222±122 (275±28) | |
| 5/8 ‐ 11 | CL150 | 418±62 (94±14) | 534±80 (120±18) | 511±67 (115±15) | ||
| SA193‐B8M CL2 | 3/4 ‐ 10 | CL300 | Not applicable | 689±102 (155±23) | 890±133 (200±30) | 845±124 (190±28) |
| 7/8 ‐ 9 | CL600 | 956±96 (255±96) | 1133±114 (255±26) | 1111±111 (250±25) | ||
| 1. Torque values for NCF2 without additional lubricant are equal to Molykote 321R | ||||||
Maintenance
Sensor parts are subject to normal wear and must be inspected and replaced as necessary. The frequency of inspection and replacement depends upon the severity of service conditions.
WARNING
Avoid personal injury or property damage resulting from the sudden release of pressure. Before performing any maintenance procedure:
- Always wear protective clothing, gloves, and eyewear.
- Relieve any process pressure in the process vessel where the 249W sensor is installed.
- Drain the process liquid from the process vessel.
- Shut off any electrical or pneumatic input to the controller or transmitter attached to the 249W sensor and vent any pneumatic supply pressure.
- Use caution when loosening flange bolting or pipe plugs.
- Remove the controller or transmitter from the torque tube arm (key 2).
Before performing any maintenance procedure requiring the handling of the displacer, inspect the displacer (key 4) to make sure process pressure or liquids have not penetrated the displacer.
The displacer in this unit is a sealed container. If penetrated by process pressure or liquid, the displacer may hold pressure or hazardous liquid for an extended period. A displacer that has been penetrated by process pressure or liquid may contain:
- pressure as a result of being in a pressurized vessel.
- liquid that becomes pressurized due to a change in temperature.
- liquid that is flammable, hazardous, or corrosive.
Sudden release of pressure, contact with hazardous liquid, fire, or explosion, which might result in personal injury or property damage, can occur if a displacer that is retaining pressure or process liquid is punctured, subjected to heat, or repaired.
Handle the displacer with care. Consider the characteristics of the specific process liquid in use.
Check with your process or safety engineer for any additional measures that must be taken to protect against process media.
Note
Except for gaskets (keys 12, 13), trouble symptoms peculiar to specific parts are discussed in the following sections. Each section is specific to these parts. Regardless of location, gasket failure is indicated by leakage in the gasket area. Every time a gasket is removed, replace it with a new one upon reassembly.
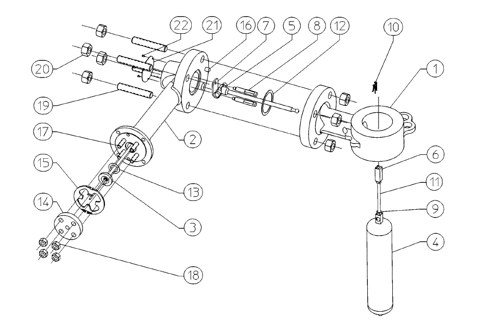
The procedures below apply to the 249W assembly as shown in figure 14. Refer to figure 14 for key number locations.
Removing the Displacer and Stem
WARNING
Refer to the Maintenance WARNING at the beginning of this section.
The displacer (key 4) is a sealed container. If the displacer has been penetrated by process pressure or liquid, it may hold pressure or hazardous liquid for an extended period.
Process residue buildup on the displacer and stem (key 11) may change displacer weight or displacement. A bent stem or a dented or corroded displacer can impair performance.
If the displacer rests against the travel stop, appears to be overweight, or causes output drift or other output inaccuracies, it may have been penetrated by process pressure or liquid. Such a displacer may contain pressure because it was in a pressurized vessel, may contain process liquid that becomes pressurized due to a change in temperature, and may contain process liquid that is flammable or hazardous.
WARNING
Sudden release of pressure, contact with hazardous liquid, fire, or explosion, which may result in personal injury or property damage, can occur if a displacer that is retaining pressure or process liquid is punctured, subjected to heat, or repaired.
Handle the displacer with care.
- Support the sensor body (key 1) and the torque tube arm (key 2). Remove the bolting that holds the wafer body to the process vessel or displacer cage.
NOTICE
When removing the sensor from a process vessel or displacer cage, the displacer may remain attached to the displacer rod and be lifted out with the wafer body (key 1) when the wafer body is removed. If separating the displacer and displacer rod before removing the wafer body, remove the cotter spring (key 10).
Be careful not to let the displacer slip and drop into the bottom of the process vessel or displacer cage, as displacer damage could result. - Carefully remove the sensor. If the displacer comes out with the sensor, be careful not to damage the displacer or bend the stem when setting the sensor down.
- Follow the procedure for replacing the displacer, displacer rod assembly, cotter spring, stem end piece, and displacer spud as necessary.
Replacing the Displacer, Cotter Spring, Stem End Piece, and Displacer Spud
The cotter spring (key 10), the ball on the displacer rod/driver assembly (key 5), and the stem end piece or displacer stem connector (key 6) may be either too worn for a secure connection or so clogged or corroded that the displacer does not pivot properly. Replace these parts, as necessary.
NOTICE
If the displacer is to be disconnected from the displacer rod before being removed from the process vessel or displacer cage, provide a suitable means of supporting the displacer to prevent it from dropping into the vessel or cage and being damaged.
- After following the proper procedure to remove the sensor and the displacer from the process vessel or displacer cage, move the sensor assembly to a suitable maintenance area. Support the assembly to avoid damage to the displacer, displacer stem, displacer rod/driver assembly, and associated parts.
- To help support the displacer, install the stem and stem end piece (or a threaded rod) into the 1/4 inch‐28 UNF threaded hole in the displacer spud or stem connector.
- Reach the cotter spring, displacer spud, ball end of the displacer rod/driver assembly, stem end piece, or displacer stem connector as follows:
Remove the cotter spring to free the displacer or stem end piece from the ball end of the displacer rod/driver assembly. Lift the displacer or stem end piece from the ball. - Replace worn or damaged parts as necessary. Return the displacer or stem end piece to the displacer rod/driver assembly. Install the cotter spring.
- Install the sensor and controller/transmitter. Calibrate the controller/transmitter following the procedures given in the controller/transmitter instruction manual.
Replacing the Displacer Rod/Driver Assembly
The ball on the displacer rod/driver assembly (key 5) may be either too worn for a secure connection or so corroded that the displacer does not pivot properly. Replace the displacer rod/driver assembly, if necessary.
NOTICE
If the displacer is to be disconnected from the displacer rod/driver assembly before being removed from the process vessel or displacer cage, provide a suitable means of supporting the displacer to prevent it from dropping into the vessel or cage and being damaged.
- After following the proper procedure to remove the sensor and the displacer from the process vessel or displacer cage, move the sensor assembly to a suitable maintenance area. Support the assembly to avoid damage to the displacer, displacer stem, displacer rod assembly, and associated parts.
- Remove the controller/transmitter and displacer (key 4). Then, remove the hex nuts (key 20) that hold the torque tube arm (key 2) to the wafer body (key 1). Separate the torque tube arm from the wafer body.
- Remove the nuts (key 18) and retaining flange (key 14) at the end of the torque tube arm.
- Remove the positioning plate (key 15) by freeing its two lugs.
The vertical lug fits into a hole in the flange of the torque tube arm (top of figure 13, left). The horizontal lug (hidden behind the screwdriver at the bottom of figure 13, left) fits into a slot in the outer tube end of the torque tube assembly (the figure 13 exploded view shows this lug to the right of the outer tube end).
Place a screwdriver blade in the slots of the positioning plate and outer tube end as shown in figure 13. Slowly turn the positioning plate to release its lug from the torque tube arm. Then carefully turn the plate back to allow the displacer to come to rest, and slip the other lug of the plate from its slot in the outer tube end. - Pull the torque tube assembly out of the torque tube arm. Remove the tube end gasket (key 13) and discard (a new gasket will be installed in step 9). Clean and inspect the gasket mating surfaces.
- Using the proper tool, loosen and then remove the upper bearing driver bolt (key 8). Lift the displacer rod/driver assembly from the knife edge of the driver bearing (key 7).
- Visually inspect the bearing driver for corrosion or wear. If replacement is necessary, remove the bearing driver by removing the lower bearing driver bolt. Install a new bearing driver and the lower bearing driver bolt.
- Install the new displacer rod/driver assembly on the knife edge of the bearing driver. Install the upper bearing driver bolt (key 8), but do not tighten.
- Insert new tube end gasket into the recess in torque tube arm.
- Insert the torque tube arm assembly and rotate until its socket mates with the displacer rod assembly and so that the outer tube flange rests against the gasket.
- With a thumb on the upper portion of the positioning plate and screwdriver in the slots as shown in figure 13, rotate the plate and press the lug on the plate into the hole in the torque tube arm (this will preload the torque tube).
- Install the retaining flange and secure it with four nuts (key 18), being sure to tighten all nuts evenly.
- Tighten the upper bearing driver bolt (key 8). It will be necessary to put slight pressure on the displacer rod/driver assembly to access the upper bearing driver bolt.
- Install the torque tube arm on the wafer body and secure it with the proper bolting (keys 19 and 20).
- Install the sensor and controller/transmitter. Calibrate the controller/transmitter following the procedures given in the controller/transmitter instruction manual.
Replacing the Torque Tube
Corrosion or leakage through the outer end of the torque tube is evidence of deterioration in the torque tube assembly (key 3) or torque tube end gasket (key 13). Erratic or nonexistent rotary shaft output may occur if the socket on the inner end of the torque tube assembly does not engage the bearing end of the displacer rod/driver assembly (key 5).
Figure 13. Torque Tube and Displacer Rod Assemblies
- After following the proper procedure to remove the sensor and the displacer from the process vessel or displacer cage, move the sensor assembly to a suitable maintenance area. Support the assembly to avoid damage to the displacer, displacer stem, displacer rod assembly, and associated parts.
- Remove the controller/transmitter and displacer (key 4). Then, remove the hex nuts (key 20) that hold the torque tube arm (key 2) to the wafer body (key 1). Separate the torque tube arm from the wafer body.
- Remove the nuts (key 18) and retaining flange (key 14) holding the positioning plate (key 15) at the end of the torque tube arm.
NOTICE
If the displacer is still attached to the displacer rod at this point, be careful not to let the torque tube assembly slip when using the screwdriver leverage procedure in steps 4 and 6. Sudden release of the displacer could cause damage to the displacer or torque tube assembly. - Remove the positioning plate (key 15) by freeing its two lugs.
The vertical lug fits into a hole in the flange of the torque tube arm (figure 13). The horizontal lug (hidden behind the screwdriver in figure 13) fits into a slot in the outer tube end of the torque tube assembly (the figure 13 exploded view shows this lug to the right of the outer tube end).
The positioning plate may be pried away from the torque tube arm and outer tube end if the displacer already has been disconnected from the displacer rod. However, if the displacer is still connected to the displacer rod, place a screwdriver blade in the slots of the positioning plate and outer tube end as shown in figure 13. Slowly turn the positioning plate to release its lug from the torque tube arm. Then, carefully turn the plate back to allow the displacer to come to rest and slip the other lug of the plate from its slot in the outer tube end. - Pull the torque tube assembly and tube end gasket out of the torque tube arm. Remove the tube end gasket (key 13) and discard (a new gasket will be installed in step 6). Clean and inspect the gasket mating surfaces.
- Install a new tube end gasket into recess in torque tube arm.
- Insert the torque tube assembly into the torque tube arm as shown in figure 13. Rotate the torque tube assembly until its socket mates with the driver member on the displacer rod assembly and so the outer tube flange rests against the gasket. With a thumb on the upper portion of the positioning plate and a screwdriver in the slots as shown in figure 13, rotate the plate and press the lug on the plate into the hole in the torque tube arm (this will preload the torque tube).
- Install the retaining flange and secure it with four nuts (key 18), being sure to tighten all nuts evenly.
- Install the torque tube arm on the wafer body and secure it with the proper bolting (keys 19 and 20).
- Install the sensor and controller/transmitter. Calibrate the controller/transmitter following the procedures given in the controller/transmitter instruction manual.
Changing the Mounting from Left‐Hand to Right‐Hand or Vice Versa.
Looseness of the driver bearing (key 7), wear on its knife‐edged surface, or a bent, worn, or corroded displacer rod/driver assembly (key 5) may impair performance. Be especially sure to check the ball on the displacer rod.
NOTICE
Support the sensor assembly to avoid damage to the displacer, displacer stem, displacer rod assembly, and associated parts.
- After following the proper procedure to remove the sensor and the displacer from the process vessel or displacer cage, move the sensor assembly to a suitable maintenance area.
- Remove the controller/transmitter and displacer (key 4). Then, remove the hex nuts (key 20) that hold the torque tube arm (key 2) to the wafer body (key 1). Separate the torque tube arm from the wafer body.
- Follow the proper procedure to remove the torque tube assembly (key 3).
- Remove the driver bearing bolts (key 8), displacer rod/driver assembly (key 5), and driver bearing (key 7).
Note
Be sure to install the driver bearing so its knife edge is pointing up when the torque tube arm is mounted in the desired orientation. Since changing the mounting position of the torque tube arm by 180 will change controller or transmitter action from direct to reverse or vice versa, controller/transmitter action must be reversed from what it was before the mounting method was changed. - Install the driver bearing (key 7), displacer rod/driver assembly (key 5), and bearing bolts (key 8) into the torque tube arm (key 2). Install a new arm gasket (key 12). Install the torque tube arm on the wafer body and secure it with the proper bolting (keys 19 and 20).
- Install the sensor and controller/transmitter. Calibrate the controller/transmitter following the procedures given in the controller/transmitter instruction manual.
Simulation of Process Conditions for Calibration of Fisher Level Controllers and Transmitters
Contact your Emerson sales office for information on obtaining the Supplement to 249 Sensor Instruction Manuals—Simulation of Process Conditions for Calibration of Fisher Level Controllers and Transmitters
(D103066X012).
This section lists other documents containing information related to the 249W level sensor. These documents include:
- Bulletin 34.2:2500—2500‐249 Pneumatic Controllers and Transmitters (D200037X012)
- Bulletin 34.2:249—Fisher 249 Sensor, Level Controller, and Transmitter Dimensions (D200039X012)
- Simulation of Process Conditions for Calibration of Fisher Level Controllers and Transmitters— Supplement to 249 Sensor Instruction Manuals (D103066X012)
- Bolt Torque Information— Supplement to 249 Sensor Instruction Manuals (D103220X012)
- Torque Tube Identification— Supplement to 249 Sensor Instruction Manuals (D103283X012)
All documents are available from your Emerson sales office. Also visit our website at www.Fisher.com.
Parts Ordering
Whenever corresponding with your Emerson sales office about this equipment, always mention the sensor serial number. Each sensor is assigned a serial number which is stamped on a nameplate (key 21) attached to the torque tube arm. This same number also appears on the controller/transmitter nameplate when a complete
controller/transmitter/sensor unit is shipped from the factory.
WARNING
Use only genuine Fisher replacement parts. Components that are not supplied by Emerson should not, under any circumstances, be used in any Fisher instrument. Use of components not supplied by Emerson may void your warranty, might adversely affect the performance of the instrument, and could cause personal injury or property damage.
Determining Displacer Stem Length
When ordering a displacer stem, determine the displacer stem length from the G dimension in figure 6 for cage styles 3 and 4. For cage styles 1 and 2, the G dimension is typically 0, because the displacer is generally suspended from the rod and driver assembly with no displacer stem required.
The stem length will be the G dimension rounded to the nearest 1/2‐inch increment. For example, if dimension G is 12.63 inches, round it to 12.5 inches. Specify a stem length of 12.5 inches. If dimension G is 9.44 inches, round it to 9.5 inches. Specify a stem length of 9.5 inches.
Stem lengths can be adjusted approximately ±0.25 inches for a more exact dimension. Stems are available in 1/2‐inch increments from 2 to 54 inches.
Figure 14. Fisher 249W Sensor Construction
Parts List
Note
Contact your Emerson sales office for Part Ordering information.
- Wafer Body
NPS 3
NPS 4 - Torque Tube Arm
- Torque Tube Assy(1)
Std wall Thin wall Heavy wall - Displacer(1)
- Rod/Driver Assy
- Displacer Stem End Piece
- Driver Bearing
- Driver Bearing Bolt (2 req’d)
- Hex Nut (2 req’d)
- Cotter Spring (2 req’d)
- Displacer Stem
When ordering a replacement displacer stem, specify length and desired material. - Arm Gasket
- Tube End Gasket(1)
- Retaining Flange
- Positioning Plate
- Groove Pin
- Stud Bolt(1) (4 req’d)
- Hex Nut(1) (4 req’d)
- Bolt Stud(1) (4 req’d) NPS 3 Wafer Body NPS 4 Wafer Body
- Hex Nut(1)
NPS 3 Wafer Body (8 req’d) NPS 4 Wafer Body (4 req’d) - Nameplate
- Drive Screw
- B31‐3 Nameplate (not shown)
- NACE Tag (not shown)
- Wire (not shown)
*Recommended spare parts
This part is available in a wide variety of materials of construction, part dimensions, or other specifications. Contact your Emerson sales office for assistance in selection of specific materials, dimensions, or specifications.
Neither Emerson, Emerson Automation Solutions, nor any of their affiliated entities assumes responsibility for the selection, use or maintenance of any product. Responsibility for proper selection, use, and maintenance of any product remains solely with the purchaser and end user.
Fisher and FIELDVUE are marks owned by one of the companies in the Emerson Automation Solutions business unit of Emerson Electric Co. Emerson Automation Solutions, Emerson, and the Emerson logo are trademarks and service marks of Emerson Electric Co. All other marks are the property of their respective owners.
The contents of this publication are presented for informational purposes only, and while every effort has been made to ensure their accuracy, they are not to be construed as warranties or guarantees, express or implied, regarding the products or services described herein or their use or applicability. All sales are governed by our terms and conditions, which are available upon request. We reserve the right to modify or improve the designs or specifications of such products at any time without notice.
Emerson Automation Solutions Marshalltown, Iowa 50158 USA Sorocaba, 18087 Brazil Cernay, 68700 France
Dubai, United Arab Emirates Singapore 128461 Singapore
www.Fisher.com

Figure 10. Positioning Fisher 249W Wafer Body on the Connecting Flange
Figure 12. Fisher 249W Installation Complete



















