Brilliant 21845 Belize 52 Inch DC Ceiling Fan With Remote Control

Congratulations on the purchase of your new quality Brilliant Ceiling Fan. Before first using, it is most important that you read and follow the instructions in this Installation Manual, even if you feel you are quite familiar with this type of product. Find a place and keep this manual handy for future reference.
| Model Name: BELIZE 52″ DC CEILING FAN WITH REMOTE CONTROL | ||
| Code | Colour | Size |
| 21845/05 | Matt White | 52” (1320mm) |
| 21845/06 | Matt Black | 52” (1320mm) |
| 21847/05 | Matt White | 52” (1320mm) |
| 21847/06 | Matt Black | 52” (1320mm) |
IMPORTANT SAFEGUARDS
Read all instructions carefully, even if you feel you are quite familiar with this type of appliance. When using electrical appliances, in order to reduce the risk of fire, electric shock, and/or injury, these basic safety precautions should always be followed:
- This ceiling fan MUST be installed by a Qualified Electrical Contractor in accordance with the local regulations, and all local, state and national electrical codes. Any alterations or additions to building wiring must be completed by a licensed electrical mechanic, or person authorised by legislation to work on the fixed wiring of any electrical installation.
- The ceiling fan must be connected to a 240V AC 50Hz power supply.
- All electrical work must only be undertaken after disconnection of the power by removing fuses or turning off the circuit breaker, to ensure all pole isolation of the electrical supply.
- The fan must be electrically Earthed.
- The fan must be installed that the blades are at least 2.1 metres above the floor.
- The structure that the ceiling fan is connected to must be capable of supporting a weight of at least 45kg. The fixing must be able to support the moving weight of the fan and must not twist or work loose.
- Make sure that the installation site will not allow the rotating fan blades to come into contact with any object and that there is a minimum clearance of 150mm (6”) from the blade tip to the wall or ceiling. Please note that the bigger this clearance is the better the airflow from your fan will be.
- DO NOT use outdoors unless covered. Refer to Warranty terms for Alfresco use.
- DO NOT connect the fan motor to a dimmer switch. This may damage to the motor. Use ONLY the provided wall controller if applicable.
- This appliance is not intended for use by young children or infirm persons without supervision.
- Young children should be supervised to ensure that they DO NOT play with the appliance.
- It is not recommended that ceiling fans and gas appliances be operated in the same room at the same time.
- The fan must be turned off and stopped completely before reversing the fan direction. This will prevent any damage to the motor of the fan or controller (if installed).
- Do not insert anything into the fan blades whilst they are spinning. This will damage the blades and upset the balance of the fan causing the unit to wobble.
- After the fan is completely installed make sure that all base and fan blade fixings are secured and tightened to prevent any problems.
- Because of the fan’s natural movement, some connections may loosen. Check the support connections, brackets and blade attachments twice a year to make sure they remain secured. If any are loose, tighten.
- A blade balancing kit is included. Ensure blades are balanced immediately after installation to reduce wobble and noise.
- An all-pole disconnection incorporated in the fixed wiring is to be provided, such as an all-pole switch or a supply cord fitted with a plug.
- If a remote control is installed, remove the wall controller.
IMPORTANT NOTE:
The important safeguards and instructions given in this manual are not meant to cover all possible conditions and situations that may occur. It must be understood that common sense, caution and care are factors which cannot be built into any product. The persons caring for and using the unit must supply these factors.
SUGGESTED TOOLS NEEDED
WARNING
- To avoid fire or electric shock, follow all wiring instructions carefully.
- Turning off wall switch is not sufficient. To avoid possible electrical shock, be sure electricity is turn off at the main fuse box before wiring.
- Do not install or use fan if any part is damaged or missing.
- This product is only designed to use only those parts supplied with this product and/or any accessories designated specifically for use with this product by Brilliant Lighting. Substitutions of parts or accessories not designated for use with this product by Brilliant Lighting could result in personal injury or property damage.
UNPACKING
- Unpack your ceiling fan carefully, then remove all parts and components, and lay on a cloth or soft surface to avoid damage. DO NOT lay the motor housing on its side, the housing may get damaged.
- Before commencing installation, check that all parts are included. NB: You may need to remove all foam packaging material to ensure there are no missing components.

CHOOSING A SUITABLE LOCATION:
- Ceiling fans should be installed in the middle of the room, with a safe distance of at least 2.1m from floor, and 150mm from wall. An extension rod may be required for rake ceiling installation
Note: For raked (sloping) ceilings, it is recommended that the mounting bracket be installed with the hanging ball ridge in-line (parallel) with the raked (sloping) ceiling.This will enable the maximum rake for this installation.
INSTALLATION
CAUTION: Before installing the fan, make sure you have turned OFF the electricity supply.
MOUNTING THE HANGING BRACKET
- Secure the hanging bracket to the ceiling joist or suitable structure that is capable of carrying a load of at least 45kg, with the two long fixing screws provided. Ensure that at least 30mm of the screw is threaded into the support.
NB: The fixing screws included are designed for use when ceiling fan is secured onto timber joists. For all other surfaces, additional and suitable fixing screws for that surface will need to be purchased.
Note: For raked (sloping) ceilings, it is recommended that the mounting bracket be installed with the hanging ball ridge in-line (parallel) with the raked (sloping) ceiling. This will enable the maximum rake for this installation.
NOTE: Ensure building cable will enter the canopy close to terminal block.
- Make sure that the position of installation will not allow the blades to come into contact with any object. The fan must be mounted so that the tips of the blades are at least 2.1 metres above the floor.
ELECTRICAL CONNECTIONS
The building cable should enter the canopy about 10-15mm from the terminal block.
Connect the mains supply cable to the terminal block ‘H’ as per marking on it. Ensure connections are firm. For your convenience, and to assist in easy installation, your ceiling fan is connected with Brilliant’s easy connect system. Simply connect the male and female connectors, and then ensure all excess wiring is retained inside the ceiling canopy.
Note: Recommended TPS wire pulled out from ceiling be placed to terminal block closely for more room for receiver and its wiring instead of in the centre of hanging bracket.
RECEIVER WIRING CONNECTION:
Ensure the receiver in connected correctly in accordance with the following wiring diagram
INSTALLATION
ATTACH DOWNROD
- Loosen downrod ball by loosening set screw. Slide downrod ball and remove cotter pin and cross pin.

ATTACH YOKE COVER AND CANOPY
- Route the motor wires through the downrod.
- Align the cross pin holes in the downrod with the holes in the motor coupling or yoke and secure with the cotter pin. The cross pin must go through the holes in the motor coupling and the holes in the downrod. Tighten the jam screws ensure the downrod is secured.
- Insert the yoke cover, canopy and downrod ball onto the downrod.
- Insert the pin back onto the downrod ball and tighten the set screw ensure the downrod is secured.

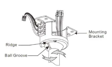
HANGING THE FAN
- Carefully lift the fan, and place the downrod ball assembly into the hanging bracket ensuring that the ball correctly locks into place.
- Rotate the fan assembly so that the groove on the ball aligns with the ridge on the mounting bracket.

ATTACH RECEIVER
IMPORTANT: Receiver is not designed to be used together with a Fan Wall Controller. Wall Controller should be removed and replaced with isolation switch.
For your convenience, and to assist in easy installation & cleaning, your ceiling fan is connected with Brilliant’s easy connect system. Simply connect the male and female couplings, and then ensure remote control receiver and all excess wiring is retained inside the ceiling canopy. Please also read remote controller instruction manual before installation.
- Disconnect mains power before installation.
- Connect the remote control receiver to the bracket and ceiling fan through quick connectors as per diagram to the left.
- The frequency on Receiver and Transmitter units have been preset at factory. If the remotes need programming. Please turn off main power for 10 seconds and turn power back on, After beep sound, press and hold ” button on remote control for 5 seconds. Once beep sound comes up. The remote control is reset successfully.
- Insert the receiver into the drop rod hanging bracket. The canopy is then raised to conceal the receiver and bracket.
- Recommended to have cable tie for excess wires to be placed in the canopy properly.
SECURE CANOPY
- Carefully slide the canopy up to cover the hanging bracket and ball joint, taking care not to damage wires. Once in position, secure the canopy with the screws provided.

ATTACH BLADES
- Attach the blade to motor housing and secure it firmly, using the blade screw and spring washer.
- Tighten all blades screws evenly from bottom side of fan and securely to ensure quiet, wobble free operation of the fan. Do not over-tighten.
- Repeat for all three blades.

- Blade crew with spring washer
ATTACH BOTTOM COVER (21845)
- Attach bottom cover to the shaft of fan. Turning bottom cover in clockwise direction until it is securely. Do not over-turn.

ATTACH LIGHT KIT (21847)
- Unscrew light kit screw and star washer from light kit bracket. Connect light kit to fan with quick connector. Tighten light kit to the fan with light kit screw and star washer. Align groove on diffuser with slot on the light kit and turning it in clockwise direction until it is securely. Do not over-turn.

BALANCING
This fan includes a blade balancing kit. Upon initial installation, the balance kit should be used on the fan blades to reduce wobble. The balance kit includes instructions on how to perform the balancing procedure. Balancing the fan and reducing wobble will result in quieter operation and optimum performance.
REMOTE CONTROL
SETTINGS
After the installation is complete, install the 2xAAA batteries (included) into the remote control. The fan is ready to be use.
Note: Your fan and remote has been factory pre-set and are ready to be operated immediately. If the fan needs to be re-programmed. Follow these instructions below.
- Turn the power OFF and wait for at least 10 seconds.
- Turn the power ON, after beep sound, press and hold the Fan button “ receiver beeps.
- Setup is complete. ” for 5 seconds till the
SETTINGS FOR MULTIPLE FANS
If another fan is required in the house and is to be controlled by a separate remote, then perform the following functions:
- Turn the power OFF to all fans and wait for at least 10 seconds.
- Turn the power ON to ONLY the fan that needs to be re-programmed, after beep sound, press and hold the Fan button “ ” for 3 seconds till the receiver beeps.
- Setup is complete.
OPERATIONS
- LED Indicator
- Fan Forward/Reverse
- Fan Power Button
- Fan Speed Button
- Timer (Fan goes off after 2 hour)
- Natural Wind
- Light Power Button
- Dimmer
MAINTENANCE
CARE & CLEANING
- Periodic cleaning of your ceiling fan is the only maintenance required.
- Use a soft brush or lint free cloth to avoid scratching the finish. Please turn off electricity when you do so.
- Do not use water when cleaning your ceiling fan. It could damage the motor or the wood blades and create the possibility of an electrical shock.
- Do not use abrasive cleaning agents as they may damage the finish.
- The motor has a permanently lubricated ball bearing, and as such is maintenance free.
NOISE
The manufacturer warranty covers actual faults that may develop, but NOT minor complaints, e.g. hearing slight noise from motor in operation – ALL ELECTRIC MOTORS ARE AUDIBLE TO SOME EXTENT, more so, when the fan is operating at low speeds.
WOBBLE
- Ceiling fans are mounted very securely on steel brackets with rubber cushioning or with ball joints to allow free movement.
- Ceiling fans are designed to move during operation because they are not generally rigidly mounted
- if they were, they could generate excessive ceiling vibration and stress on their mountings.
- Movement of a couple of centimetres is quite OK and does not suggest the fan will fall down.
- Please note that all ceiling fans are not the same, even in the same model – some may move more or less than others.
NORMAL WEAR AND TEAR:
Threaded components working slighting loose or blade carriers even slightly bent due to vigorous cleaning or bumping can cause extra wobble and noise. THIS IS NOT COVERED UNDER WARRANTY but a little care and maintenance can reduce or prevent this problem.
RIPPLE CONTROL FILTER:
In parts of Australia (NSW and QLD), the power company superimposes a signal voltage onto the mains household voltage. This signal voltage is used to remotely control consumer’s electric hot water heaters and other devices throughout the surrounding area.
Unfortunately this signal can appear at the ceiling fan as a loud intermittent “hum”. If this noise is apparent please contact your local Electricity service provider on how they can assist to provide rectification, usually in the form of a mains supply ripple filter to filter out this signal.
LIGHT FLICKERING or FLASHING:
Fluctuation in AC power grid could make LED light flickering or flashing. Please consult with electricity distributor in your local area or licensed electrician for advice.
TROUBLESHOOTING
| TROUBLE | PROBABLE CAUSE | SUGGESTED REMEDY |
|
Fan/Light will not start | A Fuse or circuit breaker has blown. | A Check main and branch circuit breakers |
| B Loose wire connections to the fan. | B Check line wire connections to the fan. | |
| C Speed controller not in the correct position. | C Check speed controller’s position. | |
|
Fan wobbles | A Fan blades are not horizontal to the ceiling. | A Re-tighten all screws on blades. Do not make any adjustments by applying pressure up or down on blades. |
| B Blade screws are loose. | B Make sure all screws are tightened. | |
| C Fan not balanced. | C Balance fan blade with balance kit. | |
|
Fan sounds noisy | A Loose fan blades. | A Retighten all screws on fan. |
| B Ceiling fan not secured against ceiling. | B Retighten all screws in the hanging bracket. | |
| C Incorrect speed controller. | C Change speed controller to the one supplied with the unit. | |
|
Mechnical noise | A Fan has not settled in fully. | A Allow at least 8 hours settling in period. |
| B Blades not balance. | B Balance the blades. | |
| C Hanging bracket or canopy screws are loose. | C Tighten all screws. |
TECHNICAL DATA
| MODEL NUMBER | SIZE | RATED VOLTAGE | RATED POWER FOR MOTOR | Light | WEIGHT |
| 21845 | 52 INCH | 220-240VAC | 35W | n/a | 6.6kg |
| 21847 | 52 INCH | 220-240VAC | 35W | 24W | 6.8kg |
| ACCESSORIES |
| 900mm Extension Rod with 3 Loom Kit |
| 18627/05 18627/06 |
| SPARE PARTS | |||
| Remote Kit | 24W Light Kit | Blade | Glass diffuser |
| 21845SP001 21847SP001 | 21847SP002 | 21845SP052 21845SP062 | 21847SP003 |
WARRANTY
Please note, this warranty voids any other warranties supplied with this product and complies with the new consumer guarantee requirements. The benefits conferred by this warranty are in addition to all implied warranties, other rights and remedies in respect of the product, which the consumer has under Australian Consumer Law. The original purchaser of this Brilliant Ceiling Fan is provided with the following warranty subject to the Brilliant Warranty terms and conditions as found on the Brilliant website and the following conditions. Brilliant Lighting (Aust) Pty Ltd warrants this ceiling fans motor for a period of 6 years from the date of purchase, the first 3 years are covered by an In-home warranty. All parts deemed defective in workmanship or materials will be replaced free of charge. Remote controllers, Wall controllers and Light fittings are subject to Limited warranty status.
| PRODUCT | TOTAL WARRANTY PERIOD | IN-HOME SERVICE PERIOD |
| Ceiling Fan Motor | 6 YEARS | 3 YEARS |
| Wall Controller | 2 YEARS | 2 YEARS |
| Remote Controller Set | 2 YEARS | 2 YEARS |
| Light Fittings | 2 YEARS | 2 YEARS |
- Consumable items such as Batteries and Light Globes will not be covered by this warranty.
- This warranty is in addition to any other rights and remedies of the customer under any law. In applications not intended for household, personal or domestic use, liability is limited to replacement or reimbursement of product only.
- The warranted use of fans outdoors are limited to Enclosed Alfresco like areas where conditions are similar to indoor installations.
- The warranty conditions for fans installed in Enclosed Alfresco areas are as follows:
- Fan must be shielded from wind and rain (enclosed area, min. 1.5m from edge of eave/roof).
- The warranty will cover open circuit motor faults, and remote control faults if not related to outdoor exposure.
- The Warranty will not cover outdoor related issues such as rusting, or failure clearly caused by water, moisture or wind.
- The Warranty will not cover external appearance or finish of any part of the ceiling fan.
- The Warranty will not cover wooden blades. These are recommended only to be used indoors.
The warranty does not cover Ripple Control noise/interference (identified by a periodic or intermittent hum). This must be addressed with your energy service provider.
The warranty does not cover noises or faults due to poor installation or failure to balance fans as per instructions. Our goods come with guarantees that cannot be excluded under the Australian Consumer Law. You are entitled to a replacement or refund for a major failure and compensation for any other reasonably foreseeable loss or damage. You are also entitled to have the goods repaired or replaced if goods fail to be of acceptable quality and the failure does not amount to a major failure. Any claim under this warranty must be made within the warranty period of the date of purchase of the product. To make a warranty claim please refer to the Warranty Claim Form on the Brilliant Website:
- www.brilliantlighting.com.au
- This warranty is given by:
- Brilliant Lighting (Aust) Pty. Ltd.
- ABN 37 006 203 694
- 956 Stud Road Rowville, VIC 3178 Phone: 03 9765 2555
- Email: [email protected] MADE IN CHINA





























