MCS MASTER CLIMATE SOLUTIONS DH 721 P Dehumidifier

TECHNICAL DATA

PLEASE TAKE TIME TO READ THIS MANUAL CAREFULLY BEFORE USE AND SAVE IT FOR FUTURE REFERENCE.
HOW IT WORKS
This product is a dehumidifier. It controls relative humidity by passing the air through the unit, forcing the excess moisture to condensate over the cooling elements. Contact with this cold surface causes the moisture in the air to condense. This condensed water then drains safely into the water tank. The dried air then passes through the condenser where it is slightly warmed and re-enters the room at a slightly elevated temperature.
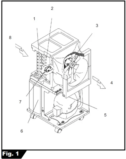
FIG. 1

- Cold refrigerant coil
- Warmed coil
- Fan
- Dry warmer air
- Compressor
- Water tank
- Microswitch
- Moist saturated air
WHERE TO POSITION
Excess moisture will travel throughout your home, in the same way that cooking smells waft to every room in the house. For this reason, the dehumidifier should be positioned, so that it can draw this moist air towards it from all over the home.
Alternatively, if you have a serious problem in one area you can begin by positioning the dehumidifier close to this area and later moving it to a more central point.
When positioning the dehumidifier, ensure that it is placed on a level surface and that there is a minimum of 10 cm (4″) of space on either side of the unit to allow for efficient airflow.
This dehumidifier is fitted with castors for extra mobility, if you move the unit, it should first be switched off and the water tank emptied.
We do not recommend the use of an extension lead, so please try to ensure that the unit is sufficiently close to a fixed mains socket. If it is necessary to use am extension lead, please ensure the diameter of the wires of the cable is at least 1 mm2
When the dehumidifier is in operation, outside doors and windows should be closed when necessary for most efficient use .
BEFORE USE
CAUTION!

These symbols on your device mean:
- This appliance is filled with Propane gas R290. Follow strictly the manufacturer’s instruction concerning use and repairs!
- Before using the machine, read carefully the entire instruction manual.
- Do not install, operate or store the device in a room smaller than 4m2 .
GENERAL CAUTIONS
FOR INDOOR USE ONLY.
- Do not use in cabinet, closet, boats, caravans or similar locations.
- Do not use the unit in swimming pools, washrooms or similar wet areas.
- Leave the unit to stand for 12hours before connecting to the mains supply after transport or when it has been titled (ex. During cleaning).
- Only use the unit in the upright position on a flat level surface (even during transport!) and at least 50cm from any objects.
- Do not use the unit in a potentially explosive environment containing combustible liquids, gases or dusts.
- Do not use the appliance in the vicin ity of flammable or explosive substances or fuels. Never use any paint, cleaning sprays, anti-insect sprays or similar near the unit; this could deform the plastic or cause electrical damage.
- Ensure that there is at least 50cm between the sides of the appliance and any flammable, heating materials.
- Do not place objects on the unit or restrict air inlet/outlet.
- Avoid the unit from splash.
- Closely supervise any chi ldren and pets when the unit Is In use.
- CHILDREN SHALL NOT PLAY WITH APPLIANCE.
- Cleaning and user maintenance shall not be made by children without supervision.
Switch off and unplug the unit when not in use. - Never leave a functioning device unsupervised.
- Do not pull the unit along by the cord.
- Avoid over-twisting, -coiling, -pulling the power cord, never use nylon or iron wire to tide the power cord.
- Make sure that the plug and socket remain visible and accessible at all the time.
- Do not use extension cords.
- Never reach to retrieve the unit if it has fallen in water.
In such case, immediately pull the plug. Have the unit checked before using it again. - The appliance shall be installed in accordance with national wiring regulations.
- Do not exceed the recommended room size for max. efficiency.
- Close the doors and windows.
- Keep curtains or blinds closed during the sunniest hours of the day.
- Keep filters clean.
- Once room has reached the desired conditions, reduce the setting for temperature and ventilation.
- Do not turn on the appliance if you have discovered damage to the appliance, cord or plug, if the appliance is malfunctioning or if there are signs of any other defect. Return the complete product to the vendor or to a certified electrician for inspection and/or repair. Always ask for original parts. The appliance (incl. cord and plug) may only be opened and/or repaired by properly authorized and qualified persons.
- Suggest to send the unit for professional maintenance periodically.
- ONLY A LICENSED PROFESSIONAL IS ALLOWED TO DISMANTLE OR MODIFY THE APPLIANCE.
- THE MACHINE IS TO BE USED ONLY FOR ITS PRESCRIBED PURPOSE. ANY OTHER USE IS DEEMED TO BE A CASE OF MISUSE. TIHE USER/OPERATOR, NOT THE MANUFACTUER WILL BE LIABLE FOR ANY DAMAGE OR INJURIES OF ANY KIND CAUSED AS A RESULT OF THIS.
- Always keep the unit in vertical position.
- Keep all foreign objects away from the air intake or output openings.
- The mains supply must conform to the specification shown on the rating plate at the back of the unit.
- If the supply cord is damaged, it must be replaced by an approved service representative or a similar qualified person in order to avoid a hazard.
- Never use the plug to start and stop the unit. Always use switch on the control panel.
- Before moving the unit, first switch off, then unplug and empty the water tank.
- Don’t use bug sprays or other flammable cleaners on the unit.
- Never pour or spray water over the unit.
- THIS APPLIANCE IS NOT INTENDED FOR USE BY PERSONS (INCLUDING CHILDREN) WITH REDUCED PHYSICAL , SENSORY OR MENTAL CAPABILITIES, OR LACK OF EXPERIENCE AND KNOWLEDGE, UNLESS THEY HAVE BEEN GIVEN SUPERVISION OR INSTRUCTION CONCERNING USE OF THE APPLIANCE BY A PERSON RESPONSIBLE FOR THEIR SAFETY. CHILDREN SHOULD BE SUPERVISED TO ENSURE THAT THEY DO NOT PLAY WITH APPLIANCE.
SAFETY RELATING TO REFRIGERANT R290
- Read these warnings carefully.
- This appliance contains the refrigerant R290. R290 is a refrigerant that complies with the relevant European Directives. Never perforate the refrigerant circuit. R290 isl flammable (GWP3)!
- Do not use means to accelerate the defrosting process or to clean, other than those recommended by the manufacturer.
- The appliance shall be stored in a room without continuously operating ignition sources (for example: open flames, an operating gas appliance or an operating electric heater).
- Do not pierce or burn any of the components of the cooling circuit of the unit. Do not set light to the unit.
- The appliance shall be stored so as to prevent mechanical damage from occurring.
- Appliance should be installed, operated and stored in a room with a floor area larger than 4m2.
- Be aware that the refrigerants may not contain an odour, which means you cannot smell leaks.
- Compliance with national gas regulations shall be observed.
- Keep ventilation openings clear of obstruction.
- A warning that the appliance shall be stored in a wellventilated area where the room size corresponds to the room area as specified for operation.
- Any person who is involved with working on or breaking into a refrigerant circuit should hold a current valid certificate from an industry-accredited assessment authority, which authorizes their competence to handle refrigerants safely in accordance with an industry recognized assessment specification.
- Servicing shall only be performed on the grounds as recommended by the equipment manufacturer. Maintenance and repair requiring the assistance of other skilled personnel shall be carried out under the supervision of the person competent in the use of flammable refrigerants.
IMPORTANT!
Do not use this unit at ambient temperatures below 5°C, to prevent the possibility of a heavily ice up evaporating coil.
PARTS
► Front FIG. 2

1. Front plate
2. Control panel
3. Air outlet
4. Handle
► Rear FIG. 3

5. Castor
6. Water tank
7. Air inlet
8. Filters
OPERATION
► Control panel FIG. 4

- ON/OFF (power) button
- Humidity down button
- Humidity up button
- Speed/Ventilation button
- TIMER button
- Temperature display button
- Power indicator
- “Full Water” indicator
- Timer operation indicator
- Low ventilation indicator
- High ventilation indicator
- Humidity/Temperature display
Operation
- Plug the unit into a correct mains socket. (Please refer to the rating label at the rear of the unit for correct voltage/ frequency.)
- Press ON/OFF button to turn on the unit. The compressor will start to work.
- Press humidity setting button to set the working model you need: continuous working, humidity 40%~80°/o; the display window will show humidity setting percentage (if setting from 40%~80%, the humidity range will be up or down 5% on each single setting).
- Press speed/ventilation button to set the ventilation speed, high or low. The relative indicator will light on.
- Press the TIMER button to set the operating hour you need (1~24 hours). The display window will show the hour(s) you set as you press the TIMER button, after releasing it for 8 seconds around, the display window will return to the room humidity. As the set time has been reached, the compressor will stop working automatically.
- By pressing the “TEMP” button, the display window will show the room temperature, after releasing the button for 8 seconds around, the ,display window will return to the room humidity.
- To turn off the unit, press ON/OFF button again.
- Pre-setting function By pressing TIMER button but without turning on the other functions (including ON/OFF button), you can PRE-SET the time for the machine to work. For example, if you press the timer to ‘2’, the unit will work automatically after 2 hours
DRAINAGE
While the water tank is full, the compressor will stop for self-protection and the water full indicator will turn into red.
To move the water tank, pull it out squarely from the unit.
After empting the water tank, place the water tank into space.
Make sure it is properly positioned, in order for the ‘water full’ sign to go out and your dehumidifier is operating. Please note, in case, the water tank has not been positioned well, the water full indicator will turn into red.
CONTINUOUS DRAINAGE
When the dehumidifier is operated at very high humidity levels, the water tank will require more frequent drainage. In this situation, it may be more convenient to set the unit up for continuous drainage with the following procedures:
- Remove the water tank (FIG. 5).
- Position the spout as shown in the diagram.
* The unit will not operate without the water tank, unless the spout is properly positioned. - Place one end of an appropriately sized drain pipe over the spout.
- Place the other end of the pipe in a drain, ensuring it is not kinked or coiled.
- Ensure the water will always drain away freely and the hose will remain in place.
- In very cold weather, precautions must be taken to prevent the drain pipe from ‘Water full’ cutout.
FIG.5

- ‘Spout for Continuous drainage
- Water full’ cutout switch depressed when spout for continuous drainage is fitted.
MAINTENANCE
Always unplug the unit from the mains before carrying out any maintenance or cleaning of the unit.
CLEANING THE BODY
Use soft cloth to wipe the unit clean.
Don’t ever use volatile chemicals, gasoline, detergents, chemically treated clothes, or other cleansing solutions.
These all could possibly hurt the cabinet.
CLEANING THE FILTER
ANTI-DUST FILTER
Use a vacuum cleaner or tap the filter lightly for easy cleaning.
If the filter is particularly dirty, use warm water with a small amount of a small amount of medium strength detergent.
Make sure the filter is completely dry before replacing.
Do not expose the filter to sunlight.
STORAGE
If not use the unit for an extended period of time. Please:
Turing the unit off, unplug and tidy AC cord.
- Completely empty the water tank and wipe it clean.
- Cover the unit and store where it will not receive direct sunlight.
TROUBLE SHOOTING
THE UNIT DOES NOT OPERATE:
- Is the unit plugged in?
- Is the house electricity on?
- Is the room temperature below 5°C or above 35°C? If so, then it is out of the working range of the unit.
- Ensure the humidistat (or ON/OFF switch) is turned on.
- Check the water tank is positioned properly in the unit and it is not full.
- Make sure the air inlet and outlet are not obstructed.
THE UNIT SEEMS TO DO NOTHING:
- Is the filter dusty, contaminated ?
- Is the air intake or outlet blocked up?
- Is the room humidity already quite low?
THE UNIT SEEMS TO DO LITTLE:
- Are too many windows or doors open?
- Is there something in the room producing lots of humidity?
THE UNIT IS TOO NOISY:
- Check whether the unit is sitting on a level surface.
THE UNIT IS LEAKING:
- Make sure the unit is in good shape.
- If you are not using continuous drainage, make sure the rubber plug (at the bottom of the unit) is in its position.
Error codes on display | ||
| Code | Cause | Solution |
| E1 | The room temperature sen- sor (with resin head) is open or short circuit fault | Checking if the room tern- perature sensor is plugged in properly on the PCB. |
| Replace the room tern- perature sensor of room temp. | ||
| Replace main PC board. | ||
| The humidity level is be- low RH40% | ||
| E2 | The system sensor (with copper head} is open or short circuit fault | Checking if the system sensor is plugged in pro- perly on the PCB. |
| Replace the system sen- sor | ||
| Replace main PC board. | ||
| E3 | The Temperature Control (TC) sensor wire is loosen or breaks down. The machine will beep for 3 sounds, the E3 code will flash on every one second. The compressor and fan mo- tor will stop. | Pis check and replace it. |
| E5 | When the TC sensor wire senses the temperature is > or = 130oC more than 5 se- conds, the E5 code will flash on every second, the machi- ne will beep for 3 sounds. The compressor and fan mo- tor stop. | When it happens, pis press ON/OFF button on and off again to check if E5 signal still exists, if yes, that means the compres- sor system is abnormal. Pis check it and get rid of the mal-function. |
![]() |
CE CONFORMITY CERTIFICATE Dantherm Sp. z o.o. – ul. Magazynowa 5a, 62-023 Gc1dki, Poland Product – |
![]() |
| We declare that it is corr-pliant with: 2014/30/EU, 2014/35/EU, 2011/65/EU EN 60335-1 :2012+A 11 :2014+A 13:2017+A 1 :2019+A2:2019+A 14:2019 Gqdki, 30.04.2020 |
Disposal of your old product
- You product is designed and manufactured with high quality materials and components, which can be recycled and reused.
- When this crossed-out wheeled bin symbol is attached to a product it means the product is covered by the European Directive 2002/96/EC.
- Please inform yourself about the local separate collection system for electrical and electronic products.
- Please act according to your local rules and do not dispose of your oldproduct with your normal household waste. The correct disposal of your old product will help prevent potential negative consequences for the environment and human health.





















