scs sentinel PMP0006 Interior Videophone Screen Monitor

Compatible with outdoor stations 4 wires 2, 3 and 4 buttons

SAFETY INSTRUCTIONS
This manual is an integral part of your product.
These instructions are provided for your safety. Read this manual carefully before installing and keep it in a safe place for future reference. Select a suitable location. Make sure you can easily insert screws and wallplugs into the wall. Do not connect your electrical appliance until your equipment is totally installed and controlled. The installation, electric connections and settings must be made using best practices by a specialized and qualified person. The power supply must be installed in a dry place. Check the product is only used for its intended purpose.
DESCRIPTION
Content/ Dimensions

Components

WIRING/ INSTALLING
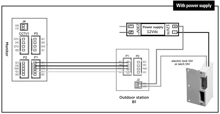
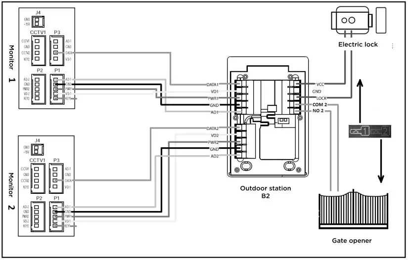
Wiring diagram

Specific connections to outdoor station models 81 (281, 381)
Connection for gate opener

Connection for latch/ electric lock (2 possibilities):


Specific connections to outdoor station models B2 (4B2)

Installing
- Refer to relevant wiring diagram for the system you have chosen and ensure you have the correct cable.
- Determine the monitor installation position:
– suggest to install at 1.5-1.6 Meters; - Ensure no power supply connection before installation finished
- Install the bracket on the wall
- Connect cables as per the wiring diagram indicated.
- Fix the monitor onto the bracket.
- Connect power when doorbell is installed.
Indoor monitor

USING
Incoming call answer
When a visitor presses doorbell, all the indoor monitors in this house will chime simultaneously, the LCD will show “INCOMING CALL”. Press
to talk with the visitor. The monitor will return to standby state if no one answers after chime time ends. At ringing and answering state, Press
button to unlock the door for the visitor, and the LCD will show “DOOR UNLOCKED”. If there is another incoming call when talking with Door 1, the LCD will show “SOMEONE IS VISITING AT DOOR 2”, then press
can switch the display image to Door 2 and talk with another visitor.
Note: At the state of answering or intercom between monitors, long press
button, the microphone will be mute, and the LCD will show “MUTE”, long press[‘§] button again the microphone return to normal, and the LCD will show “PLEASE TALK”.
Monitor doorbells
At standby status, press
button to monitor Doorbell 1, press
again, change the viewing screen to another video channel. When monitoring Door bell channel, press
can talk with people in front of the door bell, and press
can open the door.
Broadcast function
This function allows you to broadcast information for all monitors in your house.
At standby state, Long press
button , the display will show BROADCAST REQUEST, the monitor in other rooms will show BROADCASTING . Now you can make a broadcast
Talking volume/ brightness/ color/ contrast adjust
At the state of monitoring, ringing, talking, making intercom, broadcasting, press
to adjust the talking volume, press
can switch to BRIGHT/CONT/COLOR interface, press
to adjust as the user wants. Please refer to Page 3 to find the places of each knob.
Do not disturb function
You can use SYSTEM SITTINGS menu to turn “DO NOT DISTURB” function on or off.
Monitor listening
At standby state, long press
button to start the monitor listening function. If you have more than 2 indoor monitors ,there would be option rooms for choosing on screen, press
to choose the target indoor intercom and press
to confirm.
Note:
a: When monitoring, the user can hear the sound from the being monitored room, but the people at the be-monitored intercom room can not hear the voice from monitoring intercom room.
b: When there are more than 2 monitors in the system, monitor listening function is available only when Monitor listening function is turn on. Please check the system setting menu to see how to turn on the monitor listening function.
System settings
In standby status, short press
button to enter system setting menu

TECHNICAL FEATURES
Monitor
- Power supply 15V DC 1A (with adapter)
- Power consumption 7W(Max). 0.7W (Standby mode)
- Operation temperature 0° a +40°
- Operation humidity 0% – 95%
- LCD size Screen 7″ TFT LCD
- LCD resolution 800 x 480 pixels
- Intercom mode Free hand
- Connection 4wire
- Monitor dimensions 210x 116×25 mm
- Weight 430 g
Adapter
- Model identifier: SOY-15001 OOEU-219
- Input voltage: 110-240V AC
- Input AC frequency: 50/60Hz
- Output current: 1A
- Output power: 15W
- Average active efficiency: 86.89%
- Efficiency at low load (10%): 79.17%
- No-load power consumption: 0.085W
WARRANTY
Garantie 2 ans
The invoice will be required as proof of purchase date. Please keep it during the warranty period.
Carefully keep the barcode and the proof of purchase, that will be necessary to claim warranty.
WARNINGS
- Maintain a minimum distance of 10 cm around the device for sufficient ventilation.
- Be sure that the device is not blocked by paper, tablecloth, curtain or other items that would impede airflow.
- Keep matches, candles and flames away from the device.
- Product functionality can be influenced by a strong electromagnetic interference.
- This equipment is intended for private consumer use only.
- The appliance should not be exposed to dripping or splashing water; no objects filled with liquids, such as vases,should be placed near the appliance.
- Do not use in a tropical climate.
- The mains plug is used as disconnect device and shall remain readily operable during intended use.
- The monitor and the adapter must only be used indoors.
- Connect all the parts before switching on the power.
- Only connect your appliance using the provided adapter.
- Do not cause any impact on the elements as their electronics are fragile.
- Do not block the microphone.
- When installing the product, keep the packaging out of reach of children and animals. It is a source of potential danger.
- This appliance is not a toy. It is not designed to be used by children.
- Disconnect the appliance from the main power supply before service. Do not clean the product with solvent, \.118 abrasive or corrosive substances. Only use a soft cloth. Do not spray anything on the appliance.
- Make sure that your appliance is properly maintained and regularly checked in order to detect any sign of wear.
- Do not use it if a repair or adjustment is needed. Always call on qualified personnel.
- Don’t throw out of order products with the household waste (garbage). The dangerous substances that they are likely to include may harm health or the environment. Make your retailer take back these products or use the selective collect of garbage proposed by your city.
- =-= Direct current
- Alternating current
- Model class II
- The monitor is for indoor use only
Toutes les infos sur :
www.scs-sentinel.com

sentinel
110, rue Pierre-Gilles de Gennes 49300 Chalet – France



















