NORTHSTAR M157304S Cold Water Pressure Washer Owner's Manual
Thank you for purchasing a NorthStar pressure washer. Your machine is designed for long life, dependability, and the top performance you demand! Take time now to read through this manual so you better understand the machine’s operation, maintenance and safety precautions. Everyone who operates this machine must read and understand this manual. The time you take now will prolong your machine’s life and prepare you for its safe operation. Enjoy the exceptional performance of your NorthStar pressure washer, the industry leader! The manufacturer reserves the right to make improvements in design and/or changes in specifications at any time without incurring any obligation to install them on units previously sold.
WARNING: SPECIAL HAZARDS
- Injection Injury: High-pressure spray can pierce skin and underlying tissues, leading to serious injury and possible amputation. Such an injection injury can result in blood poisoning and/or severe tissue damage.
- Flying Debris: High-pressure spray can cause flying debris and possible surface damage.
- Electric shock: Operating equipment in wet conditions or near water can cause electric shock.
- Chemical Exposure: Cleaning chemical vapors or contact with skin may be hazardous.
Equipment Protection Quick Facts
Inspection Upon Delivery: STOP! Closely inspect to make sure no components are missing or damaged. For missing or damaged components please contact Product Support at 1-800-270-0810.
Water Flow Requirements: Make sure your water flow is 20% higher than the pressure washer’s flow rate. Make sure your water is clean and particle free. Maximum inlet water temp. 140F (60C)
Storage: Do not allow water to freeze in the pump, hose, or spray gun. Spraying Chemicals: Use any North Star brand or equivalent pressure washer chemicals. Adjust soap adjustment knob to regulate cleaning power.
Belt Drive: The belt requires periodic inspection and servicing to keep pressure washer functioning efficiently. See ” Maintenance Instructions” for frequency of servicing.
Any Questions, Comments, Problems or Parts Orders
Call NorthStar Product Support 1-800-270-0810
About Your Pressure Washer
Thank you for purchasing a NorthStar Pressure Washer! It is designed for long life, dependability, and top performance.
Intended Use. Produce a high-pressure water spray. Incorporate cleaning chemicals into a low-pressure water spray.
Note: Do not use for other purposes, as unforeseen hazards or equipment damage may result.
Power Source. The pressure washer is powered by electricity.
Supplies Required. Normal operation will require you to supply:
- Pressure Washer pump oil
- Personal Protection Equipment
See “Specifications” section of this manual for more detail.
Site Location. Intended for indoor use only.
Personal Protection. Wear safety apparel during operation, including safety glasses with side and top protection. Ear protection is also recommended. Other safety apparel includes waterproof insulated gloves, and non-slip protective footwear. Cleaning chemicals may require the use of respiration mask; refer to chemical label for further instruction.
Adult control only. Only trained adults should set up and operate the pressure washer. Do not let children operate.
Under The Influence. Never operate, or let anyone else operate, the pressure washer while fatigued or under the influence of alcohol, drugs, or medication.
Keep this manual for reference and review.
ATTENTION: Rental Companies and Private Owners who loan this equipment to others!
All persons to whom you rent/loan this pressure washer to must have access to and read this manual. Keep this owner’s manual with the pressure washer at all times and advise all persons who will operate the machine to read it. You must also provide personal instruction on how to safely set-up and operate the pressure washer and remain available to answer any questions a renter/borrower might have. Owner’s Manuals are available from NorthStar at 1-800-270-0810.
Specifications

Component Identification

- Inlet Filter: Filter that will prevent particles and debris from entering the pump. Clean regularly.
- On/Off Switch: Toggle switches that will power or shut down unit.
- High Pressure Outlet: Connect your high pressure hose.
- Trigger: Actuate to allow pressurized water to flow out of spray gun.
- Unloader: Pressure Adjustment valve that regulates pressure and directs flow into bypass when trigger is closed.
- Electric Motor: Powered by electricity.
- Pump: A device that moves fluid through a combination of suction and displacement.
- Spray Gun: Always use two hands for safe operation.
- Chemical Strainer: Must be fully submerged in cleaning chemical to draw fluid.
- Chemical Hose: Submerge in cleaning solution.
- Pressure Hose: Attach to gun and water outlet.
- Hose Hook: Attaches on nozzle bracket or another surface suitable for storing the pressure hose.
- Nozzle Bracket: Storage for nozzles. Attach onto a wall or other suitable surface.
Special Equipment Safety Features
This unit is equipped with the following safety features:
High Pressure Relief Valve
Acts as a backup safety feature. If the Pressure Control Valve (Unloader) malfunctions, this separate high-pressure relief valve will open and relieve excess system pressure. Repair is required.
WARNING: Relief valve failure
If the high-pressure relief valve ever discharges water, turn the unit off and do not use the machine. Call Product Support at 1-800-270-0810.
Pump Thermal Relief Valve
This valve, on the Unloader bypass port, protects the pump from overheating. The pump continues to work in bypass mode when you are not spraying. If high temperatures are developed during bypass mode, the Thermal Relief Valve will open and discharge hot water onto the ground, protecting the pump from overheating.
Spray Gun Safety Latch
Has a built-in trigger safety latch to guard against accidental trigger actuation.
Safety
Hazard Signal Word Definitions
![]()
This is the safety alert symbol. It is used to alert you to potential personal injury hazards. Obey all safety messages that follow this symbol to avoid possible injury or death.
DANGER DANGER (red) indicates a hazardous situation, which if not avoided, will result in death or serious injury.
WARNING WARNING (orange) indicates a hazardous situation, which if not avoided, could result in death or serious injury.
CAUTION CAUTION (yellow), used with the safety alert symbol, indicates a hazardous situation, which if not avoided, could result in minor or moderate injury.
CAUTION CAUTION (yellow), without the safety alert symbol, is used to address practices not related to personal injury.
NOTICE NOTICE is used to address practices not related to personal injury.
Important Safety Information
WARNING -Risk of Injection or Injury to Persons
– Do Not Direct Discharge Stream at Persons.
– Do not use a hose if exterior damage is evident.
-Risk of explosion.
– Do not spray flammable liquids.
– Do not operate in a flammable environment.
CAUTION -Gun kicks back. Hold with both hands.
-To reduce the risk of injury, read operating instructions carefully before use.
WARNING – When using this product basic precautions should always be followed, including the following:
- 1.) Read all the instructions before using the product.
- 2.) To reduce the risk of injury, close supervision is necessary when the product is used near children. Do not allow irresponsible use by children. Always stop the product and bleed pressures before leaving unattended, disconnecting hoses, or servicing the pump.
- 3.) Know how to stop the product and bleed pressures quickly. Be thoroughly familiar with the controls.
- 4.) Stay alert – watch what you are doing.
- 5.) Do not operate the product when fatigued or under the influence of alcohol or drugs. Never smoke while operating this machine.
- 6.) Keep operating area clear of all persons.
- 7.) Do not overreach or stand on unstable support. Keep good footing and balance at all times. Wear footwear capable of maintaining a good grip on wet surfaces – Do not place the machine on soft or unstable ground.
- 8.) Follow the maintenance instructions specified in all manuals. Do not run machine without sufficient lubrication or sufficient water to cool the pump.
- 9.) Wear safety glasses, gloves, face protection and appropriate clothing when operating the machine.
- 10.) Do not operate this machine with broken or missing parts. – Never alter the manufacturer’s original design or deactivate any safety device on the machine.
- 11.) Risk of exposure to dangerous chemicals. Wear protective gloves when handling and cleaning with chemicals. Follow the chemical manufacturer’s directions. Understand all safety hazards and first aid for all chemicals being used. Check whether dangerous chemicals have been used and take any precautions that may have been recommended by the supplier of these chemicals when cleaning filters. Do not pump highly abrasive fluids or use with incompatible chemicals or solvents.
- 12.)Know the pressure and temperature limits of your machine. Be sure all high pressure accessories meet or exceed your machine’s limits. Do not set the pressure relief valve above the machine’s limit.
- 13.) Do not move this machine by pulling on the hose. Do not use the pump to support other items of equipment that impose unacceptable loads on the pump. Do not attempt to use this machine as a prop.
- 14.)To reduce risk of injury, do not secure the spray gun open. Your spray gun is equipped with a built-in trigger safety latch to guard against accidental trigger release and potentially dangerous high pressure spray. Rotate the safety latch to the locked position when not spraying.
- 15.)Do not clean this machine with its own spray. Cleaning should be done with a damp sponge with the electrical power turned OFF.
- 16.) Keep a fire extinguisher rated “ABC” nearby.
Grounding Instructions
This product must be connected to a grounded, metal, permanent wiring system; or an equipment-grounding conductor must be run with the circuit conductors and connected to the equipment-grounding terminal or lead on the product.
SAVE THESE INSTRUCTIONS
Safety Labeling
Safety Decal Locations
WARNING:
ALWAYS make sure safety labels are in place and in good condition. If a safety label is missing or not legible, order new labels from NorthStar Product Support at 1-800-270-0810.


Unpacking Instructions
I.) Inspect & Unpack
- Remove box around unit.
- Unbolt roof from unit to access components packaged internally.
- Separate and identify all components. Use the assembly instructions in this manual for assembly. Note: Unit is bolted to pallet, remove before placing unit in stationary location. For missing or damaged components please contact Product Support at 1-800-270-0810.

Hardware Bag
– Separate and identify all components. Use the assembly instructions in this manual for assembly.

II.) Assembly Instructions
- To spray chemical, insert the chemical injector into the quick connect outlet of the pressure washer as shown.
- Connect the clear hose to the chemical strainer and to the inlet of the chemical injector. The chemical injector can remain installed at all times. Have hose exit base as shown below.
- Install the pressure hose onto the chemical injector as shown.
- Connect the other end of the pressure hose to the spray gun as shown.
- Connect the lance extension to the spray gun and insert the proper nozzle into the lance end.
- Make sure all plumbing connections are tight.

- Install four rubber feet onto base with four 1/4″ x 3/4″ flange bolts and four flange nuts. Use the same bolts to install cross members when installing the rubber feet.
- The hose reel hook can be bolted to the nozzle bracket. Once affixed, use the lag bolts provided to attach to a supportive surface suitable for nozzle and pressure hose storage.

III.) Verify Electrical Connection
Grounding
Product must be grounded. If you use a supply cord, this plug must be plugged into an outlet that is properly installed and grounded in accordance with all local codes and ordinances. However its recommended that unit is hard wired into your electrical system.
Ground Fault Circuit Interrupter Protection
Connecting the pressure washer through some type of ground fault circuit interrupter (GFCI) protector is required to comply with the National Electric Code (NFPA 70) and to provide additional protection from the risk of electric shock.
Note: Before use, your GFCI should be tested at either built-in or receptacle base.
- For a product rated at 125 volts or less, the GFCI is build into the power cord plug.
• This GFCI device provides additional protection from the risk of electric shock. If replacement of the plug or cord is needed, use only identical replacement parts. - For a product rated at more than 125 volts, a receptacle based GFCI is required.
DANGER: Electrocution hazard
Improper connection of the equipment or grounding conductor can result in a risk of electrocution. Check with a qualified electrician or service personnel if you are in doubt as to whether an outlet is properly grounded. Do not modify the plug provided with the product. If it will not fit the outlet, have a proper outlet installed by a qualified electrician. Do not use any type adapter with this product.
IV.) Wiring Instructions
This pressure washer is shipped without a power cord and is intended to be hard wired into your electrical system. The following instructions will help you to hard wire this unit.
Electrical Requirements:
Item Number
157304
Circuit Rating
230V/30A
WARNING: Make sure to use a dedicated circuit that includes a GFCI. Consult local electrical code for connection requirements.
Step 1: Using a 3/8″ wrench, remove the roof and the top of the electrical housing. (Front panel not shown for clarity.)

Step 2: Feed power cord through the strain relief nut on the bottom of the unit into the electrical housing.

Step 3: Locate terminal block inside the electrical housing and attach wires (like colors should be across from each other).

Step 4: Clamp cord in strain relief nut (thru the bottom of the panel) by turning nut clockwise.
Step 5: Re-attach the top of the electrical housing and the roof.
Operation Instructions
I.) Pre-Operation
- A.) Position the machine for easy access to all controls.
- B.) Position the machine on a solid surface, with less than a three degree slope, and so it is protected from external damage.
- C.) Make sure ambient lighting is sufficient for the surface you are cleaning to be seen with ease. Use artificial light if needed.
- D.) Check hoses, fittings, wand, trigger gun and electrical cords for signs of wear, cracks and looseness, and replace as required.
- E.) Check and clean the nozzle orifice.
- F.) Check and clean the water inlet screen and filter.
- G.) Read entire manual, especially the important safety instructions listed on page 2.
- H.) Check and maintain proper oil levels in the pump.
II.) Check Your Water Supply
- A.) Make sure the water supply is clean. Debris can cause excess pump wear and reduce performance. The maximum inlet water temperature is 140F (60C).
- B.) An insufficient water supply will damage your pump. Make sure the water supply is steady and is 20% over the rated flow of your pump. Use a stopwatch to time how long it takes to fill a 5 gallon bucket with your garden hose.
Example:
If the rated flow is = 3gpm
Then required flow = 3 x 1.20 = 3.6gpm
5gallons / 3.6gpm = 1.39 minutes
1.39min x 60sec/min = 83 seconds
Therefore, you must be able to fill a
5 gallon bucket in 83 seconds or faster. - C.) The water supply garden hose must have an inside diameter of at least 5/8″. If the hose is more than 100 ft. long, the diameter must be at least 3/4″.
- D.) Never use a reservoir tank as a water source. This pressure washer is designed for a pressurized water source such as a city water faucet. Sucking water out of a tank may cause pump cavitation and damage to your pump. However, the inlet pressure of the pump must not exceed 115 psi (8 bar)
- E.) Always use a flexible rubber hose for your water supply. Do not use rigid piping.
- F.) Do not pump flammable liquids or liquids containing incompatible chemicals or solvents.
III.) Before Starting
WARNING: Check hoses, fittings, wand, gun and cords daily for signs of wear, cracks and looseness, and replace as required.
- Connect water supply hose to the garden hose connector located on the side of the unit.
- Connect high-pressure hose to quick connect outlet on front of the machine.
- Connect spray gun to high-pressure hose.
- If detergents will be used, only use detergents intended for pressure washers. Follow instructions on the detergent container.
IV.) To Start
DANGER: Do not point the spray wand at yourself or at any person. Bodily injury may result from water under high pressure.
Warning: Wear eye, ear, hand, foot and skin protection at all times while operating this pressure washer.
IMPORTANT: The water must be turned on before starting. Running the pump dry will cause damage and void warranty.
- Turn water supply ON.
- Squeeze the trigger to allow air to purge from the system. (this step goes faster with the pressure nozzle removed)
V.) Attach Nozzle

Your pressure washer is equipped with five nozzles. To install a nozzle simply pull back the collar and push the nozzle into the coupler. Once the connection is made, pull on the nozzle to assure a tight connection.
WARNING: Make sure the nozzle is correctly inserted. The nozzle may become a projectile if not inserted correctly. Do not attempt to use different types of nozzles that may not fit the coupler.
VI.) Turn the pump switch ON.
1. Make sure the hose is not kinked. A kinked hose will provide insufficient water supply to the pump and will reduce its life.
To Clean
WARNING: Wear eye, ear, hand, foot and skin protection at all times while operating this pressure washer.
DANGER: Do not point the spray wand at yourself or at any person. Bodily injury may result from water under high pressure.
IMPORTANT: Your spray gun is equipped with a built-in trigger safety latch to guard against accidental trigger actuation and potentially dangerous high pressure spray. Rotate the safety latch to the locked position when not spraying.
NOTE: Your pressure washer is equipped with a low pressure chemical injector. You do not need to use chemicals for every job, however, the proper chemical used for the proper application can speed up cleaning jobs tremendously.
WARNING: Only use North Star pressure washer chemicals or chemicals specifically formulated for pressure washers. Follow the chemical manufacturer’s recommendations. Understand all safety precautions and first aid for all chemicals.
- Insert chemical suction line and strainer into a container of detergent.
- Completely open the chemical control knob located on the chemical injector.
- Insert the chemical application nozzle (Black).
- Turn the chemical control knob to adjust the chemical concentration. Spray detergent onto the surface and allow it to soak. Chemicals need time (dwell time) to work properly. Follow the chemical manufacturer’s recommendations for dwell time.
- Change back to high pressure by inserting the nozzle with the desired spray angle.
- Hold the lance with two hands, have a sturdy stance.
- Point lance at dirty surface and squeeze trigger.
- Wash from the bottom to the top, using side to side motions. This washes away heavy dirt and allows the detergent to soak as you work toward the top.
- Use the width of the spray pattern to wash in a wide path. Overlap spray paths for complete coverage.
- The nozzle should be 12″ to 24″ from the work, closer for tough areas. Max Chemical Ratio is 13:1 Caution: Be careful on painted or delicate surfaces, the pressure may damage the surface if the nozzle is too close.
- Small parts should be washed in a basket so the pressure does not push them away. Larger, light weight parts should be clamped down.
- The pressure washer is set to the maximum rated pressure when it leaves the factory. To change your pressure, turn the unloader knob found inside the machine counter clockwise.
WARNING: Do not alter the unloader valve’s maximum pressure. Excess pressures could cause serious injury and/or pump damage. Any alteration other than turning the adjustment knob will void your warranty.
To Stop
- If detergents were used, draw clean water through the detergent inlet line to purge detergent. Failure to do so may clog the chemical injector.
- Turn the pump switch OFF.
- Turn OFF the water supply.
- Squeeze the trigger to relieve the system pressure.
Maintenance Instructions
WARNING: Unauthorized machine modification or use of non-approved replacement parts may cause personal injury and/or property damage and will void the manufacturer warranty.
All mechanical equipment, no matter how well designed, will need repairs. A North Star pressure washer is no exception. At times, a North Star pressure washer may be inoperable because repairs are required. North Star Customer Service will assist in these repairs as needed, but if an inoperable pressure washer creates a major expense to your business then we strongly recommend the following:
- Have someone on staff who is trained in the operation of the pressure washer and is capable of making minor repairs and performing all preventative maintenance procedures as outlined in the provided manuals.
- Keep a stock of recommended service parts for maintenance and minor repairs.
Recommended Service Parts List
Following is a list of the service parts we recommend

Maintenance Mode
Before performing any maintenance on the pressure washer, it must be placed in maintenance mode.
A.) Turn off water supply
B.) Bleed water from system
C.) Disconnect power by unplugging power cord and/or flipping circuit breaker OFF.
Maintenance Schedule

Cleaning The Inlet Filter
WARNING: Check whether dangerous chemicals have been used, and take precautions when handling filters.
A.) Unscrew inlet filter cap
B.) Remove Inlet filter
C.) Run water though to clean filter
Checking the Hoses
WARNING: Do not use a finger or skin to check for leaks. Escaping fluid under pressure has sufficient force to penetrate the skin, causing serious injury. Do not operate the pressure washer if the hose is cracked, worn, or leaking.
A.) Check all hoses for leaks
B.) Check all hoses of worn areas

Changing The Pump Oil
Change oil after first 50 hours, then every 3 months or 500 hours
- Remove oil drain plug
- Drain pump oil
- Replace oil drain plug
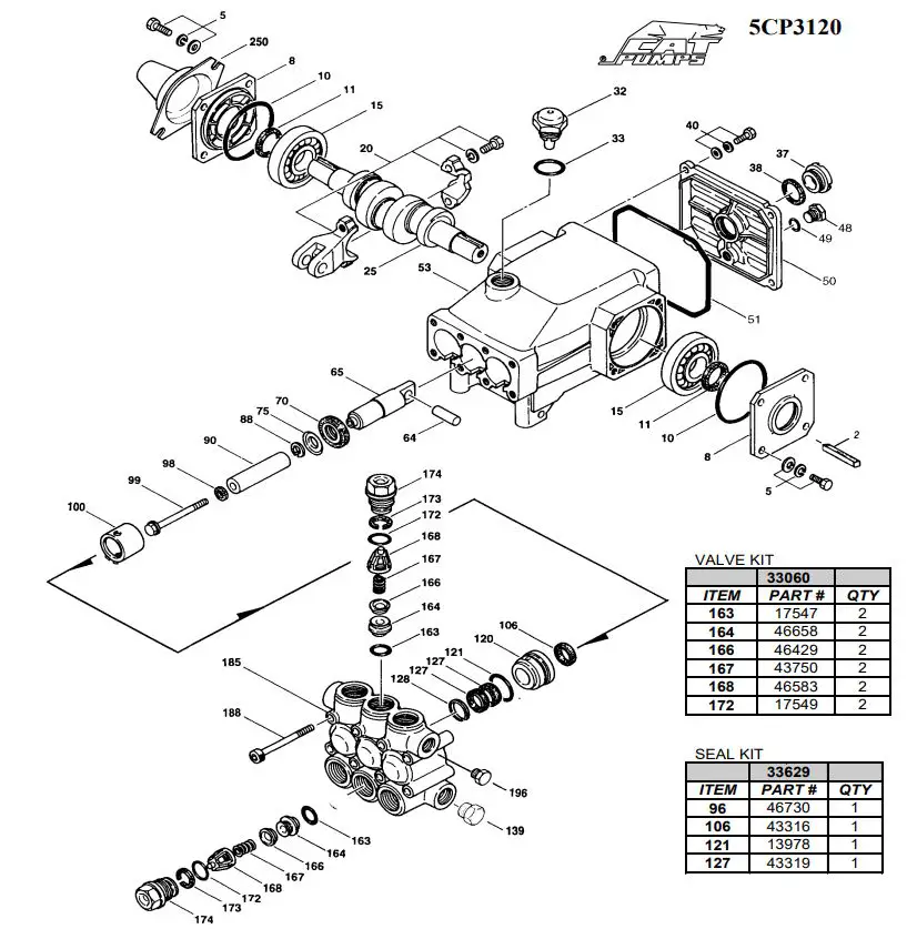
- Fill pump with Cat Item# 22158 pump oil.
- Fill half way up the sight glass.

Pump
CAT 5CP3120
Type of Fluid
QTY Oil
QTY
17.0oz (0.41L)
**Non-Detergent Oil (order Cat Item# 22158 pump oil.)
Drive Belt Maintenance
Check drive belt tension after first 24 hours of running and then routinely with each oil change. Tighten or replace belts as needed. Always tighten belts if slipping.
WARNING: Filter Disposal
Belt slippage can cause static electricity build-up, which may result in sparking. Fire ignition can result.
Instructions:
- Make sure motor is off.
- Inspect belts for wear/damage. Replace as needed. When replacing belts, always replace all don’t mix old and new belts.
- Tighten tension bolt to achieve the recommended belt tension specified below. (Tightening the tension bolt pulls the pump away from the engine, tightening all two belts simultaneously.)

Note: Some general rules of belt tension are:
- The ideal tension is the lowest tension without belt slippage
- Over tightening decreases belt and bearing life.
- Keep belts clean and free of foreign material that may cause slippage
- Do not apply belt dressing, which can cause damage and early belt failure.
4) Ensure all belts are the same tension.
5) Re-tighten pump mounting bolts. Torque to 29.4 ft-lbs.
6) Replace belt guard.
WARNING: Entanglement
Do not operate unless belt guard is in place to prevent access to rotating parts. Clothing or hair can become rapidly entangled in unguarded rotating parts, resulting in serious injury or death.
Long Term Storage
Follow these instructions to prevent the pump from freezing during storage.
Storage:
Before you store the pressure washer, make sure you do the following:
1.) Disconnect high pressure and garden hose.
Winter Storage:
Items needed: 12″ piece of garden hose or equivalent, funnel and RV antifreeze (approximately 6 oz.)
- Follow the storage instructions listed above.
- Attach the garden hose with funnel to the pump inlet (see illustration).
- Pour RV antifreeze into the funnel, turn on the motor until antifreeze comes out the pump outlet.
- Drain all water from the high pressure hose. Depress trigger on gun and drain all water out of gun/lance.
Troubleshooting Guide


Any Questions, Comments, Problems or Parts Orders
Call NorthStar Product Support 1-800-270-0810
Parts Breakdown-Rev S


Pump Breakdown-Rev S


Wiring Diagram- Rev S

Limited Warranty
Dear Valued Customer: The NorthStar Product you just purchased is built with the finest material and craftsmanship. Use this product properly and enjoy the benefits from its high performance. By purchasing a NorthStar product, you show a desire for quality and durability. Like all mechanical equipment this unit requires a due amount of care. Treat this unit like the high quality piece of machinery it is. Neglect and improper handling may impair its performance. Please thoroughly read the instructions and understand the operation before using your product. Always contact NorthStar Product Support at 1-800-270-0810 prior to having any service or warranty work performed, as some services performed by parties other than NorthStar approved service centers may void this warranty. This warranty is in lieu of any other warranty expressed or implied and NorthStar assumes no other responsibility or liability outside that expressed within this warranty.
Limited Warranty
NorthStar shall warranty any piece of equipment manufactured, or parts of equipment manufactured, to be free from defects in material or workmanship for a period of:

“Consumer use” means personal residential household use by a consumer. “Commercial use” means all other uses, including use for commercial, income producing or rental purposes or when purchased by a business. This warranty applies to the original purchaser of the equipment (verification of purchase, in the form of a receipt, is the responsibility of the buyer), is non-transferable, and covers parts and labor. Parts will be replaced or repaired at no charge, except when the equipment has failed due to lack of proper maintenance. If a part is no longer available, the part may be replaced with a similar part of equal function. Any misuse, abuse, alteration or improper installation or operations will void warranty. Determining whether a part is to be replaced or repaired is the sole decision of NorthStar. NorthStar will not provide for replacement of complete products due to defective parts. Any costs incurred due to replacement or repair of items outside of a NorthStar approved facility is the responsibility of the buyer and not covered under warranty. Transportation costs to and from service center is the responsibility of the customer.
In addition to the normal warranty, NorthStar shall warrant any normal wear item from defects in material or workmanship for a period of 90 days from the date of purchase by user. Normal wear items include, but are not limited to, nozzles, quick connect fittings, valves, high and low pressure water seals/packing, high and low pressure hoses, O-rings, unloader valves and filter elements.
This warranty specifically excludes the following; failure of parts due to damage caused by accident, fire, flood, windstorm, acts of God, applications not approved by NorthStar in writing, corrosion caused by chemicals, use of replacement parts which do not conform to manufacturer’s specifications, damage related to rodent and/or insect infestation and damage caused by vandalism. Additional exclusions: loss of running time, inconvenience, loss of income, or loss of use, including any implied warranty of merchantability of fitness for a specific use. Also, Power Equipment needs periodic parts and service to perform well, and this warranty does not cover instances when normal use has exhausted the life of a component or the engine.
This warranty does not cover any personal injury or damage to surrounding property caused by failure of any part. Repair or replacement of parts does not extend the warranty period.
Please fill in the following information and have it on hand when you call in on a warranty claim.
Customer Number: ______________________________________________________________
Date of Purchase: _______________________________________________________________
NorthStar Serial Number: _________________________________________________________
Item Number: __________________________________________________________________
California Proposition 65 Information
WARNING: This product can expose you to soot’s, tars, and
mineral oils (untreated and mildly treated oils and used engine oils), which are known to the State of California to cause cancer. For more information go to www.P65Warnings.ca.gov.

Manufactured by
Northern Tool + Equipment Co.,
2800 South Cross Drive West
P.O. Box 1499 Burnsville, MN 55337-0499

Safety
Troubleshooting Guide











