RPS-SD Fine Dust Sensor
Instruction Manual
RPS-SD Fine Dust Sensor
Operating Instructions, Mounting & Installation
Fine dust sensor ⁄ particulate sensor, multifunctional room sensor and measuring transducer for humidity, temperature, fine dust (PM) and CO2 content, calibratable, with active ⁄ switching output
| RPS – SD RFTM – PS – CO2 – W | RFTM – PS – CO2 – W with display |
![]() | ![]() |
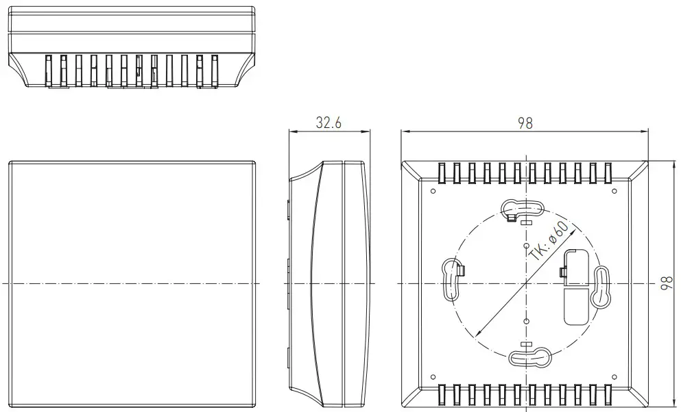
Dimensional drawing
Maintenance-free room sensor AERASGARD® RPS – SD with active output, in an elegant plastic housing with snap-on lid, base with 4-hole attach- ment, for detecting the fine dust content (0…500 µg/m³ ). The measuring transducer converts the measurand into a standard signal of 0 -10 V (fixed).
Maintenance-free, multifunctional room sensor AERASGARD® RFTM – PS – CO2 – W with active/switching output, automatic calibration, in an elegant plastic housing with snap-on lid, base with 4-hole attachment, optionally with/without display, for detection of measurands air humidity (0…100 % r.H.), temperature (0…+50°C), fine dust (PM) (0…50 / 100 / 300 / 500 µg/m³) and CO2 content (0…2000 / 5000 ppm).
The measuring transducer converts the measurand into a standard signal of 0 -10 V or 4…20 mA (switchable). Use just one device to monitor and control the entire indoor climate effectively. This enables energy-saving room ventilation on an as-needed basis, thereby reducing operating costs and improving well-being. It is used in offices, hotels, convention centres, apartments, shops, etc. One sensor for every 30 m² of room area is recommended.
A long-term stable, digital humidity and temperature sensor guarantees exact measurement results. The CO2 content of the air is measured using an optical NDIR sensor (non-dispersive infra-red technology). An optical fine dust sensor precisely detects particulate (PM) of the size category 0.3 to 10 micrometres. The sensor is factory-calibrated; an environmental precision adjustment by an expert is possible (except for particulate sensor).
TECHNICAL DATA
| Power supply: | 24 V AC ⁄ DC (± 10 %) | |
| Power consumption: | RPS – SD RFTM – PS – CO2 – W | typically < 1.5 W ⁄ 24 V DC; < 2.9 VA ⁄ 24 V AC typically < 4.4 W ⁄ 24 V DC; < 6.4 VA ⁄ 24 V AC; peak current 200 mA |
| Output: | RPS – SD RFTM – PS – CO2 – W | 0 -10 V (fixed) 0 -10 V or 4…20 mA, working resistance < 800 Ω (selectable via DIP switches, selected version applies uniformly to all outputs), with offset potentiometer (± 10 % of measuring range) |
| Relay output: | RPS – SD RFTM – PS – CO2 – W | without changeover contact with potential-free changeover contact (24 V / 1 A) (assignment selectable via DIP switches, switch point can be set) |
HUMIDITY
| Sensor (RH / °C): | digital humidity sensor with integrated temperature sensor, low hysteresis, high long-term stability |
| Measuring range (RH): | 0…100 % r. H. |
| Output (RH): | 0 -10 V or 4…20 mA (selectable via DIP switches) |
| Deviation (RH): | typically ± 2.0 % (20…80 % r. H.) at +25 °C, otherwise ± 3.0 % |
TEMPERATURE
| Measuring range (°C): | 0…+ 50 °C |
| Output (°C): | 0 -10 V or 4…20 mA (selectable via DIP switches) |
| Deviation (°C): | typically ± 0.2 K at +25 °C |
FINE DUST (PM)
| Sensor (PM): | optical particulate sensor (PM = particulate matter), fine-dust sensor with laser- and soiling-resistant technology |
| Measuring range (PM): | multi-range switching (selectable via DIP switches) 0…50, 0…100, 0…300 or 0…500 µg/m³ |
| Output (PM): | RPS – SD 0 -10 V (fixed) RFTM – PS – CO2 – W 0 -10 V or 4…20 mA (selectable via DIP switches) |
| Particle size (PM): | PM 2.5 (0.3…2.5 µm); PM 10 (0.3…10 µm) |
| Measuring accuracy (PM): | typically ± 10 µg/m³ (± 10 % of measured value) at PM 2.5 typically ± 25 µg/m³ (± 25 % of measured value) at PM 10 |
| Long-term stability (PM): | ± 1.25 µg/m³ (± 1.25 % of measured value/year) |
| Service life (PM): | > 10 years |
CARBON DIOXIDE (CO2)
| Sensor (CO2): | Optical NDIR sensor (non-dispersive infra-red technology), with manual calibration (via zero button), with automatic calibration (can be deactivated via DIP switches) |
| Measuring range (CO2): | 0…2000 ppm or 0…5000 ppm (selectable via DIP switches) |
| Output (CO2): | 0 -10 V or 4…20 mA (selectable via DIP switches) |
| Measuring accuracy (CO2): | typically ± 30 ppm (± 3 % of measured value) |
| Temperature dependence (CO2): | ± 5 ppm ⁄ °C or ± 0.5 % of measured value ⁄ °C (whichever is greater) |
| Pressure dependence (CO2): | ± 0.13 % ⁄ mm Hg |
| Long-term stability (CO2): | < 2 % in 15 years |
| Gas exchange (CO2): | Diffusion |
| Ambient temperature: | 0…+ 50 °C |
| Permitted humidity: | 0…95 % r. H. (non-precipitating air) |
| Warm up time: | approx. 1 hour |
| Response time: | < 2 minutes |
| Electrical connection: | 0.14 – 1.5 mm², via screw terminals |
| Housing: | plastic, material ABS, colour pure white (similar to RAL 9010) |
| Dimensions: | 98 x 98 x 33 mm (Baldur 2) |
| Mounting: | wall mounting or on in-wall flush box, Ø 55 mm, base with 4 holes, for attachment to vertically or horizontally installed in-wall flush boxes for rear cable entry, with predetermined breaking point for top/bottom cable entry for surface-mounted installation |
| Protection class: | III (according to EN 60 730) |
| IP rating: | IP 30 (according to EN 60 529) |
| Standards: | CE conformity, electromagnetic compatibility according to EN 61 326, EMC Directive 2014 ⁄ 30 ⁄ EU, Low Voltage Directive 2014 ⁄ 35 ⁄ EU |
| Optional: | Display with illumination, 2-line, cutout approx. 36 x 15 mm (W x H), to display the actual humidity, actual temperature, of the fine-dust and CO2 content as well as for switch point display |
AERASGARD® RPS – SD
Room sensor for fine dust (PM), Standard
RFTM – PS – W
Multifunctional room sensor for humidity, temperature and fine dust (PM), Premium
RFTM – PS – CO2 – W
Multifunctional room sensor for humidity, temperature, fine dust (PM) and CO2 content, Deluxe
| Type/WG02 | Measuring Range | Equipment | Item No. | |||
| Humidity | Temperature | PM | CO2 | Display | ||
| RPS-SD | (switchable) | |||||
| RPS-SD | 0…50 pg/m3 | 1501-2110-1001-000 | ||||
| 0…100 pg/m3 | ||||||
| 0…300 pg/m3 | ||||||
| 0…500 pg/m3 | ||||||
| RFTM-PS-W | (switchable) | (switchable) | ||||
| RFTM-PS-W | 0…100% r.H. | 0…+50°C | 0…50pg/m3 | W | 1501-2116-7301-000 | |
| 0…100 pg/m3 | ||||||
| 0…300 pg/m3 | ||||||
| 0…500 pg/m3 | ||||||
| RFTM-PS-W LCD | 0…100% r.H. | 0…+50°C | (4x as above) | W | 1501-2116-7321-000 | |
| RFTM-PS-0O2-W | ||||||
| RFTM-PS-0O2-W | 0…100% r.H. | 0…+50°C | 0… 50pg/m3 | 0…2000 ppm | W | 1501-2113-7301-000 |
| 0…100 pg/m3 | 0…5000 ppm | |||||
| 0…300 pg/m3 | ||||||
| 0…500 pg/m3 | ||||||
| R FTM-PS-CO 2-W LCD | 0…100% r.H. | 0…~50°C | (4x as above) | 0…2000 ppm | W | 1501-2113-7321-000 |
| 0…5000 ppm | ||||||
Outputs: 0 -10 V or 4…20 mA (selectable via DIP switches, selected variant applies for all outputs) – Standard room sensor RPS – SD with fixed output 0 -10 V!
Equipment: W = changeover contact – Standard room sensor RPS – SD without changeover contact !
Note: These units must not be used as safety-relevant devices!
| DIP switch | RFTM – PS – xx | |
| Fine dust (PM) Measuring range | DIP 1 | DIP 2 |
| 0…50 µg/m3 | OFF | OFF |
| 0…100 µg/m3 (default) | ON | OFF |
| 0…300 µg/m3 | OFF | ON |
| 0…500 µg/m3 | ON | ON |
| Fine dust (PM) Particle size | DIP 3 | |
| PM 2.5 (default) | ON | |
| PM 10 | OFF | |
| CO2 content | DIP 4 | |
| 0…2000 ppm (default) | OFF | |
| 0…5000 ppm | ON | |
| CO2 autom. calibration | DIP 6 | |
| deactivated | OFF | |
| activated (default) | ON | |
| Relay assignment | DIP 7 | DIP 8 |
| CO2 (default) 600…1900 ppm / 900…4700 ppm | OFF | OFF |
| Fine dust 10 %…95 % of measuring range | ON | OFF |
| Temperature +5…+48 °C | OFF | ON |
| Humidity 10…95 % r.H. | ON | ON |
| Output | DIP 9 | |
| Voltage 0 -10 V (default) | OFF | |
| Current 4…20 mA | ON | |
| Note: DIP 5 is not assigned ! | ||
| DIP switch | RPS – SD | |
| Fine dust (PM) Measuring range | DIP 1 | DIP 2 |
| 0…50 µg/m3 | OFF | OFF |
| 0…100 µg/m3 (default) | O N | OFF |
| 0…300 µg/m3 | OFF | O N |
| 0…500 µg/m3 | O N | O N |
| Fine dust (PM) Particle size | DIP 3 | |
| PM 2.5 (default) | O N | |
| PM 10 | OFF | |
ATTENTION!
The minimum CO2 concentration of outdoor air amounts to approx. 350 ppm (output voltage = 1.75 V at MR = 0…2000 ppm or 0.7 V at MR = 0…5000 ppm) in leafy, hardly industrialised areas. Gas inter-exchange in the sensor element happens by diffusion. Depending on the changes to the concentration and the flow velocity of the air surrounding the sensor, the reaction of the device to the change of concentration may take place with a delay. It is essential to choose an installation location for the device in which the air stream flows around the sensor. Otherwise the gas exchange may be considerably delayed or prevented.
Commissioning
After the device is switched on, a self-test and temperature equalisation are performed. Depending on the ambient conditions, this process takes 30-50 minutes (as an option, manual calibration can now be performed). If commissioning with automatic calibration, proceed as follows:
- Open all windows or set the air conditioning system to use outdoor air
- Switch on the device and move away from the device. If possible, all persons should leave the room.
- The device is ready to use after 50 minutes.
Automatic calibration of the CO2 measurement
The regular exchange of fresh air is all that is required for the self-calibration technology in the sensor (CO2 concentrations: 350-500 ppm). The device detects this condition and performs the calibration automatically. It is sufficient to open the windows or set the air conditioning system to use outdoor air at regular intervals and to stop all CO2-producing processes that influence the ambient air. Proceed as follows:
Open all windows fully or set the air conditioning system to use outdoor air 1x weekly for 15-20 minutes.
If possible, all persons should leave the room during this time.
Regular ventilation of the rooms and flushing of the duct with fresh air will increase the measuring accuracy of the sensor.
Manual calibration of CO2 measurement
Manual calibration can be carried out independently of automatic calibration. Sufficient fresh air must be provided before and during the calibration procedure (CO2 concentration: 350-500 ppm). Also make sure that no CO2-producing processes influence the ambient air. Proceed as follows to perform manual calibration:
- Preparation: Remove the housing cover and open all windows or set the air conditioning system to use outdoor air.
- Press and hold the “ZERO CO2” button until the flashing LED row changes to a steady light after 5 seconds. Devices with a display indicate “AUTO 0” and change the countdown from 5 to 600.
The calibration process has started. Keep the windows open or the air conditioning system set to use outdoor air. - If possible, all persons should now leave the room.
- After 10 minutes, the calibration is complete (status LED has gone out, the countdown is complete) and the device should indicate or transmit a CO2 concentration of between 350-500 ppm.
Switching point setting
A potential-free changeover contact is available as a switch output.
A switching point between 10 % and 95 % of the measuring range can be selected using the SET potentiometer. The 10 % value is added to the fresh air limit of 400 ppm for CO2.
(600…1900 ppm with MR = 0…2000 ppm or 900…4700 ppm with MR = 0…5000 ppm).
With other measurands, the corresponding lower limit is used directly as a basis.
(PM: 10 %…95 % of measuring range µg / m³, Temperature: +5…+48 °C, Humidity: 10…95 % r.H.)
The assignment of the switch output to measurand is done via DIP switch (DIP 7 and DIP 8).
Offset
Each measuring channel (except for particulate sensor) has a separate offset potentiometer for subsequadjustment of the measurement. The adjusting range is ± 10 % of the measuring range.
Display
In the first line, the measurements with the corresponding units ( CO2 in ppm, fine dust in µg ⁄ m³, temperature in °C, relative humidity in % r.H.) are displayed in a cyclical series.
In the second line, the switching status of the relay is shown on the left as a circuit (full ● = relay energised; empty ○ = relay de-energised) followed by the corresponding indicator ( C for CO2; P for particle; T for temperature; H for relative humidity in % r.H.) and the switchpoint value is shown on the right.
SUPPLY VOLTAGE :
For operating voltage reverse polarity protection, a one-way rectifier or reverse polarity protection diode is integrated in this device variant.
This internal one-way rectifier on AC supply voltage.
The output signal is to be tapped by a measuring instrument. The output signal is measured her against zero potential (O V) of the input voltage!
When this device is operated on DC supply voltage, the operating voltage input UB+ is to be used for 15…36 V DC supply and UB – or GND for ground wire!
When several devices are supplied by one 24 V AC voltage supply, it is to be ensured that all ”positive“ operating voltage input terminals (+) of the field devices are connected with each other and all ”negative“ operating voltage input terminals (–) (= reference potential) are connected together (in-phase connection of field devices).
All outputs of field devices must be referenced to the same potential!
In case of reversed polarity at one field device, a supply voltage shortcircuit would be caused by that device. The consequential short-circuit current flowing through this field device may cause damage to it.
Therefore, pay attention to correct wiring!
Humidity table
MR: 0…100 % r. H.
| % r.H. | UA in V | IA in mA |
| 0 | 0 | 4.0 |
| 5 | 0.5 | 4.8 |
| 10 | 1.0 | 5.6 |
| 15 | 1.5 | 6.4 |
| 20 | 2.0 | 7.2 |
| 25 | 2.5 | 8.0 |
| 30 | 3.0 | 8.8 |
| 35 | 3.5 | 9.6 |
| 40 | 4.0 | 10.4 |
| 45 | 4.5 | 11.2 |
| 50 | 5.0 | 12.0 |
| 55 | 5.5 | 12.8 |
| 60 | 6.0 | 13.6 |
| 65 | 6.5 | 14.4 |
| 70 | 7.0 | 15.2 |
| 75 | 7.5 | 16.0 |
| 80 | 8.0 | 16.8 |
| 85 | 8.5 | 17.6 |
| 90 | 9.0 | 18.4 |
| 95 | 9.5 | 19.2 |
| 100 | 10.0 | 20.0 |
Temperature table
MR: 0…+50 °C
| °C | UA in V | IA in mA |
| 0 | 0 | 4.0 |
| 5 | 1.0 | 5.6 |
| 10 | 2.0 | 7.2 |
| 15 | 3.0 | 8.8 |
| 20 | 4.0 | 10.4 |
| 25 | 5.0 | 12.0 |
| 30 | 6.0 | 13.6 |
| 35 | 7.0 | 15.2 |
| 40 | 8.0 | 16.8 |
| 45 | 9.0 | 18.4 |
| 50 | 10.0 | 20.0 |
General notes
- This device may only be used in non-precipitating air without above-atmospheric or below-atmospheric pressure at the sensor element.
- The CO2 sensor is shock-sensitive. Due to the mechanism’s design, the measuring result may vary if shaken.
- Dust and pollution falsify measurement results and are to be avoided. Slight pollution and dust sediments can be removed by using compressed air.
- Touching the humidity element is under any circumstances to be avoided, as that would result in considerable mismeasurements.
- In case of pollution, we recommend cleaning and recalibration in the factory.
- In any case, the sensor must not get in contact with chemicals or other cleaning agents.
- The device operating range covers 10…95 % relative humidity respectively 0…+50 °C.
- When several sensors are connected to one voltage supply of 24 V AC, correct polarity must be regarded as otherwise the alternating voltage source may be short-circuited. Outside of that range, mismeasurements or increased deviations will occur.
- The outputs are short-circuit proof. Applying overvoltage or voltage supply to the output will destroy the device.
- If the automatic system (automatic balancing of CO2 measurand) is activated, a cyclical fresh air supply must be provided, as otherwise incorrect measurements can occur.
- The device must be permanently energized to measure the CO2 concentration correctly.
- If this device is operated beyond the specified range, all warranty claims are forfeited.
Our “General Terms and Conditions for Business“ together with the “General Conditions for the Supply of Products and Services of the Electrical and Electronics Industry“ (ZVEI conditions) including supplementary clause “Extended Retention of Title“ apply as the exclusive terms and conditions. In addition, the following points are to be observed:
- These instructions must be read before installation and putting in operation and all notes provided therein are to be regarded!
- Devices must only be connected to safety extra-low voltage and under dead-voltage condition. To avoid damages and errors at the device (e.g. by voltage induction) shielded cables are to be used, laying parallel with current-carrying lines is to be avoided, and EMC directives are to be observed.
- This device shall only be used for its intended purpose. Respective safety regulations issued by the VDE, the states, their control authorities, the TÜV and the local energy supply company must be observed. The purchaser has to adhere to the building and safety regulations and has to prevent perils of any kind.
- No warranties or liabilities will be assumed for defects and damages arising from improper use of this device.
- Consequential damages caused by a fault in this device are excluded from warranty or liability.
- These devices must be installed and commissioned by authorised specialists.
- The technical data and connecting conditions of the mounting and operating instructions delivered together with the device are exclusively valid. Deviations from the catalogue representation are not explicitly mentioned and are possible in terms of technical progress and continuous improvement of our products.
- In case of any modifications made by the user, all warranty claims are forfeited.
- This device must not be installed close to heat sources (e.g. radiators) or be exposed to their heat flow.
Direct sun irradiation or heat irradiation by similar sources (powerful lamps, halogen spotlights) must absolutely be avoided. - Operating this device close to other devices that do not comply with EMC directives may influence functionality.
- This device must not be used for monitoring applications, which serve the purpose of protecting persons against hazards or injury, or as an EMERGENCY STOP switch for systems or machinery, or for any other similar safety-relevant purposes.
- Dimensions of housings or housing accessories may show slight tolerances on the specifications provided in these instructions.
- Modifications of these records are not permitted.
- In case of a complaint, only complete devices returned in original packing will be accepted.
Notes on commissioning:
This device was calibrated, adjusted and tested under standardised conditions. When operating under deviating conditions, we recommend performing an initial manual adjustment on-site during commissioning and subsequently at regular intervals.
Commissioning is mandatory and may only be performed by qualified personnel!
These instructions must be read before installation and commissioning and all notes provided therein are to be regarded!
Notes regarding mechanical mounting and attachment:
Mounting shall take place while observing all relevant regulations and standards applicable for the place of measurement (e.g. such as welding instructions, etc.). Particularly the following shall be regarded:
- VDE ⁄ VDI directive technical temperature measurements, measurement set – up for temperature measurements.
- The EMC directives must be adhered to.
- It is imperative to avoid parallel laying of current-carrying lines.
We recommend to use shielded cables with the shielding being attached at one side to the DDC ⁄ PLC.
Before mounting, make sure that the measuring device technical parameters comply with the actual conditions at the place of utilization, in particular in respect of:
- Measuring range
- Permissible maximum temperature and humidity
- Protection type and Protection class
- Oscillations, vibrations, shocks are to be avoided (< 0.5 g)
© Copyright by S+S Regeltechnik GmbH
Reprint in full or in parts requires permission from S+S Regeltechnik GmbH.
Subject to errors and technical changes. All statements and data herein represent our best knowledge at date of publication. They are only meant to inform about our products and their application potential, but do not imply any warranty as to certain product characteristics. Since the devices are used under a wide range of different conditions and loads beyond our control, their particular suitability must be verified by each customer and/or end user themselves. Existing property rights must be observed. We warrant the faultless quality of our products as stated in our General Terms and Conditions.
S+S REGELTECHNIK GMBH
THURN-UND-TAXIS-STR. 22
90411 NÜRNBERG ⁄ GERMANY
FON +49 (0) 911 ⁄ 5 19 47-0
[email protected]
www.SplusS.de




















