
Refrigerated Open Display
Stainless Steel with Curtain – 8.8 Cubic Ft.
User’s manual
Customer Service
US: 1-800-245-6682 
Please read this user manual thoroughly before using.
Keep this manual handy for further reference. For questions, please contact NEXEL® Customer Service at 1-800-245-6682 or visit www.nexelwire.com
WARNING
- Make sure all packaging is removed before operation.
- Do not lean unit more than 45° while transporting, operating or servicing. Keep refrigerator in upright position for 2 hours before initial power-on.
- The refrigerator should be installed in an area with good ventilation, that is cool and dry and without corrosive gases. It should not be installed close to heat sources or under direct sunlight. Leave a minimum of 4” between the wall and all sides of the freezer.
- Install refrigerator on a flat and secure floor.
- Do not place or store heavy items on the top of the refrigerator.
- Do not use an extension cord and never let the refrigerator share a common socket with other appliances.
- Never store flammable, explosive or corrosive products in the refrigerator, and keep the refrigerator away from
such materials. - If power is cut off, wait at least 5 minutes before turning on again to avoid damage to the compressor.
- Do not use if power cord is broken or damaged. Alway remove power cord by pulling from the plug and not the cable.
- Do not submerge in water. Periodically wipe the inside and all surfaces of the refrigerator with a soft cloth with neutral soap or detergent.
- Do not store medicine in this refrigerator.
Attention: To ensure safety, the power plug must be pulled out before cleaning or servicing. All safety precautions must be followed. Dispose of properly in accordance with Federal or local regulations. Risk of fire or explosion due to puncture of refrigerant tubing. Follow handling instructions carefully.
DANGER: Risk of fire or explosion. Flammable refrigerant R290 used. To be repaired only by trained service personnel. Do not use mechanical devices to defrost refrigerator. Do not puncture refrigerant tubing.
Refrigerated Open Display
Structure and Parts

Use and Caution
- Before use:
Plug the refrigerator on a 110-120V— exclusive socket. Allow the refrigerator to run for several minutes, then test the air suction using your hand to confirm the unit is sufficiently cold. Then load the refrigerator with food/beverages. This appliance is not intended for use by persons (including children)with reduced physical, sensory or mental capabilities, or lack of experience and knowledge, unless they have been given supervision or instruction concerning use of the appliance by a person responsible for their safety. Children should be supervised to ensure that they do not play with the appliance.
Digital Temperature controller:

Functions
- It is a mini-sized and integrated intelligent controller and applicable to the compressor of one Hp.
- The main functions are: Temperature Display/ Temperature controVManual, automatic defrost by burning oftfIllumination ControlNalue Storing/self Testing/parameter Locking.
Front Panel Operation
- Set temperature
PressSETbutton, the set temperature is displayed. - Press
or
button to modify and store the displayed value,
PressSETbutton to exit the adjustment and display the cold-room temperature. - If no more button is pressed within 10 seconds, the cold-room temperature will be displayed.
- Illumination: Press
button,it lights; Press again,it stops. Manual start/stop defrost: Pres
button and hold for 6 seconds to defrost or stop defrost. - Refrigerant LED: During refrigeration,the LED is on; When the cold room temp.is constant, the LED is off; During the delay start, the LED flashes.
- Defrost LED: during defrosting, the LED is on; When is stops defrosting, the LED is off, During the delay display of defrost, the LED flashes.
- Digital controller reset When display shows “Disorder”, press ”
” button for 2s until buzzer rings, quickly press ”
” button for 6s until buzzer rings again, the display will flash for 3s and it restores factory setting.
3. Cautions
If the supply cord is damaged, it must be replaced by the manufacturer, its service agent or similarly qualified persons in order to avoid a hazard. Never block the air suction and outlet. Keep air circulation and refrigeration capability. Do not make food congested as it will influence the cooling effect. Adjust the rack height for proper food storage. Cool the hot food down to room temperature before you put it into the refrigerator. Try to pull down the curtain and keep refrigerator inside cold in case the power is cut off. Never touch compressor. Do not store explosive substances such as aerosol cans with a flammable propellant in this appliance. During normal operation, the emission noise level does not exceed 70dB(A). The maximum loading of the Shelf does not exceed 40 lbs. The climatic class of the appliance is 6, to be used in a suggested ambient temperature of 60° to 80°F (16° to 27°C). To avoid damages or other problems, this product can not be put or stored with any corrosive food .
Maintenance
- Cabinet Cleaning: The cabinet should be cleaned once a week with the power supply disconnected. Wipe the inside and all surfaces of the refrigerator with a soft cloth with neutral and non-corrosive soap or detergent. Do not submerge or wash this unit directly with a water supply/faucet.
- Check for Leaks. Observe all connections and welding joints for oil stains. If found, this would require patching, contact a licensed professional for help.
- Frequently observe the operation of the product. If an abnormal noise, smell or smog is noticed, disconnect the power supplier immediately and contact a licensed professional for assistance. Do not attempt to restart the unit until cleared by certified personnel.
Trouble Shooting
| Number | Troubles | Causes | Solutions |
| 1 | Strange noise under the bottom shelf | I an blade br oken. | Power off and fix the blade. |
| 2 | Non-refrigerating in spite of normal operation | 1 .Unit off. 2.Melting process 3.Refrigerant leaking 4.Unit failure. | 1.Power on. 2.Stop melting. 3.Patch the leak and refill refrigerant 4.Call for professionals. |
| 3 | Weak air from air curtain, and higher cabinet temperature | 1.Evaporator blocked by frost. 2.Inside fan damaged. 3.Too low set point of temperature controller. 4.Vent blocked by storage | 1.Increase melting frequency. 2.Replace the fan. 3.Adjust the set point. 4.Remove the storage. |
| 4 | Normal air curtain, but higher cabinet temperture | l.Insufficient refrigerant. 2.Too high set point of temperature controllers. 3.The wind curtain disturbed by strong air flow. 4.Ambient temperature or humidity beyond standards. | 1.Refill the refrigerant. 2.Adjust the set point for the temperature controller. 3.Removing the disturbing factors. 4.Improve the conditions. |
| 5 | Melting water overflown | I .Heating pipe for melting water damaged 2.Water-level controller failure. 3.Ambient temperature or humidity beyond standards. | 1.Replace the heating pipe. 2.Replace the water-level controller. 3.Improve the conditions. |
| 6 | Normal air curtain,but Periodical fluctuation of cabinet temperature | 1.Condenser contaminated. 2.Poor venting of the unit. 3.Heat protection of compressor failure 4.Capillary is blocked by ice 5.Temperature controller failure. | 1.Clean the condenser. 2.Improve the venting conditions. 3.Replace the heat protection. 4.Replace the drying filter. 5. Replace the temperature controller |
Note
The murmur of water is heard when the refrigerator is operating. This is a normal phenomenon as the coolant is circulating in the system.
Condensation might be found on the outside of the refrigerator. This is caused by high humidity and is normal. Simply use a cloth to wipe it clean.
Principle of Refrigeration System
The principle of compression refrigeration consists of “compression”, “condensation”, “throttling”and”vaporization”. The compression is undertaken by compressor,the condensation is completed by condenser, The throttling is executed by capillary and the vaporization is implemented by evaporator. When the coolant is circulating in the closed refrigeration system, the compressor sucks coolant, which has absorbs heat in evaporator, the coolant becomes a high pressure and high temperature gas. In condenser, it dissipates heat in air, while the coolant is re-liquefied and throttled in capillary and then enters into evaporator with low pressure. the liquefied coolant quickly boils and vaporizes into gas when the pressure suddenly drops. Meanwhile, it absorbs heat inside the refrigerator. And the compressor sucks the low pressure and low temperature gaseous coolant. It is circulating in this way up to realization of intended refrigeration.
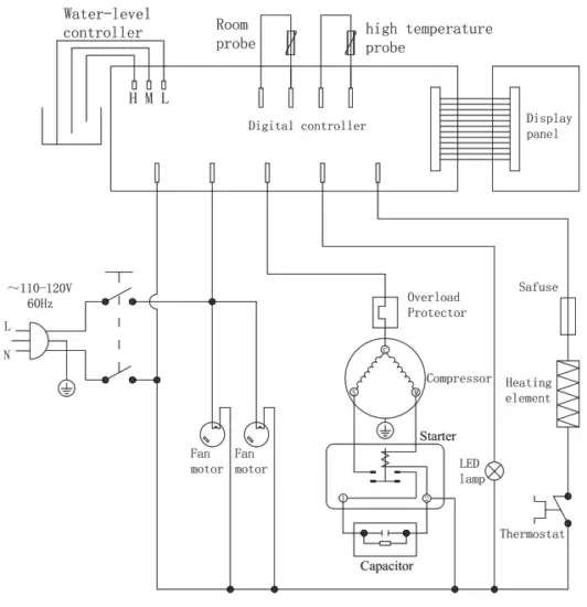
Circuit diagram
Specifications
| Coolant and injection quantity(g) | R290(148) |
| General Rated input power(W) | 1220 |
| Power running of electrical heating element(W) | 450 |
| Max.ambient temp./RH | <80°F(27°C)/70% |
| Refrigeration temperature | 35°-50°F (2°-10°C) |
| Rated voltage(V) | 110-120— |
| Rated Frequency(Hz) | 60 |
| Rated Current(A) | 12. |
| Type of Climate | 6 |
| Net weight | 220.5 lbs. |
| Total effective volume | 8.8 cubic ft. |
| Overall dimension (LxWxH) | 24″ x 29.7″ x 67.1″ |
Do not dispose of electrical appliances as unsorted municipal waste, use separate collection facilities. Contact you local government for information regarding the collection systems available. If electrical appliances are disposed of in landfills or dumps, hazardous substances can leak into the groundwater and get into the food chain, damaging your health and well-being. When replacing old appliances with new ones, the retailer is legally obligated to take back your old appliance for disposals at least free of charge.




















