JOCEL JF107 Refrigerator

Product Information
Product Model: JF107
Dimensions:
- Width: 549mm
- Depth: 557mm
- Height: 845mm
Features:
- Freezer Door (Porta do Congelador)
- Thermostat and Light (Termostato e luz)
- Fridge Shelf (Prateleira do Frigorifico)
- Fresh Fruits and Vegetables Compartment (Compartimento dos Legumes e Frutas Frescas)
SAFETY
WARNING! It is hazardous for anyone other than authorized service personnel to carry out servicing or repairs which involves the removal of covers. To avoid the risk of an electric shock do not attempt to repair this appliance yourself.
WARNING! Risk of fire / flammable materials.
SAFETY TIPS
- Do not use electrical appliances such as a hair dryer or heater to defrost your Fridge/Freezer.
- Containers with flammable gases or liquids can leak at low temperatures.
- Do not store any containers with flammable materials, such as spray cans, fire extinguisher refill cartridges etc. in the Fridge/Freezer.
- Do not place carbonated or fizzy drinks in the Freezer compartment. Ice lollies can cause “Frost/Freeze burns”. If consumed straight from the Fridge/Freezer.
- Do not remove items from the Fridge/Freezer compartment if your hands are damp/wet, as this could cause skin abrasions or “Frost/Freezer burns”. Bottles and cans must not be placed in the Freezer compartment as they can burst when the contents freeze.
- The manufacturer’s recommended storage times should be adhered to. Refer to relevant instructions.
- Do not allow children to tamper with the controls or play with the Fridge/Freezer. The Fridge/Freezer is heavy. Care should be taken when moving it. It is dangerous to alter the specification or attempt to modify this product in any way.
- Do not store inflammable gases or liquids inside your Fridge/Freezer.
- If the power cable is damaged, it must be replaced by the manufacturer, its service agent or similarly qualified persons in order to avoid a hazard.
- This appliance can be used by children aged from 8 years and above and persons with reduced physical, sensory or mental capabilities or lack of experience and knowledge if they have been given supervision or instruction concerning use of the appliance in a safe way and understand the hazards involved. Children shall not play with the appliance. Cleaning and user maintenance shall not be made by children without supervision.
- This refrigerating appliance is not intended to be used as a built-in appliance.
- This appliance is intended to be used in household and similar applications such as
- staff kitchen areas in shops, offices and other working environments;
- farm houses and by clients in hotels, motels and other residential type environments;
- bed and breakfast type environments;
- catering and similar non-retail applications.
- Keep ventilation openings, in the appliance enclosure or in the built-in structure, clear of obstruction.
- Do not use mechanical devices or other means to accelerate the defrosting process, other than those recommended by the manufacturer.
- Do not damage the refrigerant circuit.
- Do not use electrical appliances inside the food storage compartments of the appliance, unless they are of type recommended by the manufacturer.
- Do not store explosive substances such as aerosol cans with a flammable propellant in this appliance.
- This appliance is not intended for use by persons (including children) with reduced physical, sensory or mental capabilities, or lack of experience and knowledge, unless they have been given supervision or instruction concerning use of the appliance by a person responsible for their safety. Children should be supervised to ensure that they do not play with the appliance.
- WARNING: Keep ventilation openings, in the appliance enclosure or in the built-in structure, clear of obstruction.
- Do not use mechanical devices or other means to accelerate the defrosting process, other than those recommended by the manufacturer.
- Do not damage the refrigerant circuit.
- Do not use electrical appliances inside the food storage compartments of the appliance, unless they are of the type recommended by the manufacturer.
- Refrigerating appliances – in particular a refrigerator-freezer Type I – might not operate consistently (possibility of defrosting of contents or temperature becoming too warm in the frozen food compartment) when sited for an extended period of time below the cold end of the range of temperatures for which the refrigerating appliance is designed;
- WARNING: The necessity that, for doors or lids fitted with locks and keys, the keys be kept out of the reach of children and not in the vicinity of the refrigerating appliance, in order to prevent children from being locked inside.
- WARNING: The refrigerant used in your appliance and insulation materials requires special disposal procedures.
- WARNING: When positioning the appliance, ensure the supply cord is not trapped or damaged.
- WARNING: Do not locate multiple portable socket-outlets or portable power supplies at the rear of the appliance
- Children aged from 3 to 8 years are allowed to load and unload refrigerating appliances.
- To avoid contamination of food, please respect the following instructions:
- Opening the door for long periods can cause a significant increase of the temperature in the compartments of the appliance.
- Clean regularly surfaces that can come in contact with food and accessible drainage systems.
- Clean water tanks if they have not been used for 48 h; flush the water system connected to a water supply if water has not been drawn for 5 days.
- Store raw meat and fish in suitable containers in the refrigerator, so that it is not in contact with or drip onto other food.
- Two- star frozen-food compartments are suitable for storing pre-frozen food, storing or making ice-cream and making ice cubes.
- One-, two- and three-star compartments are not suitable for the freezing of fresh food.
- If the refrigerating appliance is left empty for long periods, switch off, defrost, clean, dry, and leave the door open to prevent mold developing within the appliance.
Product Usage Instructions
- To install the refrigerator door:
- Remove the screw that secures the lower hinge pin sleeve and set aside the door, screw, and removed sleeves.
- Install the manual door latch that was removed on the right side.
- Install the upper and lower hinge pin sleeves and the small door on the left side.
- Remove the screw that secures the door stopper to the lower right part of the refrigerator door, then remove the door stopper and install it in the lower left corner.
- Install the refrigerator door.
- Move the door bushing from the upper right side of the door to the upper left side.
- To adjust the refrigerator feet:
- Adjust the adjustable feet of the refrigerator to ensure stability.
- Place the refrigerator away from the wall to allow proper ventilation.
- To store food:
- Avoid putting hot food in the refrigerator when the temperature is too high.
- Check and close the door properly.
- Keep a distance between food and the door seal.
- Dispose of spoiled food.
- Package strongly flavored foods.
- To clean the refrigerator:
- Remove strong-smelling food.
- Clean the refrigerator compartment.
- Adjust to the appropriate temperature.
ELECTRICAL CONNECTION
WARNING
- This appliance is equipped with an electrical cable compatible with standard wall sockets in order to minimize the possibility of electric shock.
- For your safety, this appliance must be connected to an earthed socket.
- This appliance requires a standard 220-240V AC 50Hz electrical outlet with grounding
- This refrigerator appliance is not designed to be used with an inverter.
- The cord should be secured behind the appliance and not left exposed or dangling to prevent accidental injury.
- Never unplug the refrigerator by pulling the power cord. Always grip the plug firmly and pull straight out from the receptacle.
- Do not use an extension cord with this appliance. If the power cord is too short, have a qualified electrician or service technician install an outlet near the appliance. Use of an extension cord can negatively affect the performance of the unit.
- Improper use of the grounded plug can result in the risk of electrical shock. If the power cord is damaged, have it replaced by an authorized service center.
CLIMATE RANGE
Information about the device’s climate class is provided on the Rating Label on the back of the appliance. Each class indicates the ambient temperature (room temperature) at which the appliance should operate for an optimal performance.
| Climate range | Permissible ambient temperature |
| SN | from +10°C to +32°C |
| N | from +16°C to +32°C |
| ST | from +16°C to +38°C |
| T | from +16°C to +43°C |
NOTE: Given the limit values of the ambient temperature range for the climate classes for which the refrigerating appliance is designed and the fact that the internal temperatures could be affected by such factors as location of the refrigerating appliance, ambient temperature and the frequency of door opening, the setting of any temperature control device might have to be varied to allow for these factors, if appropriate.
NOTE: When operating in an environment other than the specified climate type of the appliance (i.e., beyond the rated ambient temperature range), the appliance may not be able to maintain the desirable compartment temperatures.
FREON-FREE
The freon-free refrigerant (R600a) and the foaming insulation material (cyclopentane) that is environmentally friendly are used for the refrigerator, causing no damage to the ozone layer and having a very small impact on the global warming. R600a is flammable, and sealed in a refrigeration system, without leakage during normal use. But, in case of refrigerant leakage due to the refrigerant circuit being damaged, be sure to keep the appliance away from open flames and open the windows for ventilation as quickly as possible.
PRODUCT FEATURES

Due to technological innovations, the product descriptions in this manual may not be completely consistent with your refrigerator. Detailed information is in accordance with the final product.
PREPARATIONS FOR USE
INSTALLATION LOCATION:
- VENTILATION CONDITION
The position you select for the refrigerator installation should be well-ventilated and has less hot air. Do not locate the refrigerator near a heat source such as cooker, boiler, and avoid it from direct sunlight, thus guaranteeing the refrigeration effect while saving energy consumption. Do not locate the refrigerator in the damp place, so as to prevent the refrigerator from rusting and leaking electricity. The result of the refrigerant charge amount of the refrigerator being divided by the total space of the room in which the refrigerator is installed shall be less than 8g / m³.
NOTE: The amount of refrigerant charged for the refrigerator can be found on the nameplate. - HEAT DISSIPATION SPACE
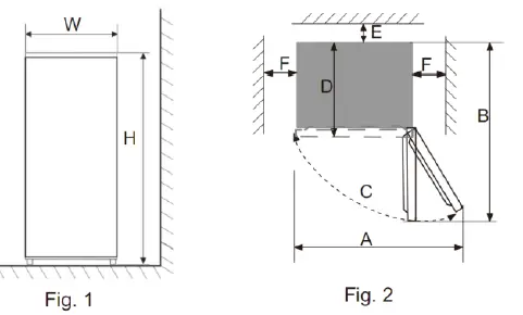
When working, the refrigerator gives off heat to surroundings. Therefore, at least 30mm of free space should be spared at the top side, more than 100mm on both sides, and above 50mm at the back side of the refrigerator.
Dimensions in mm:W D H A B C(°) E F 549 557 845 915 1058 125±5 50 100
NOTE: Figure 1, Figure 2 only illustrate the space demand of the product. - LEVEL GROUND
Place the refrigerator on the solid and flat ground (floor) to keep it stable, or else, it will give rise to vibration and noise. When the refrigerator is placed on such flooring materials as carpet, straw mat, polyvinyl chloride, the solid backing plates should be applied underneath the refrigerator, so as to prevent color change due to heat dissipation.
Unobstructed ventilation shall be maintained around the appliance or in an embedded structure.
PREPARATIONS FOR USE
- STANDING TIME
After the refrigerator is properly installed and well cleaned, do not switch it on immediately. Make sure to energize the refrigerator after more than 4 hour’s standing, so as to ensure its normal operation. - CLEANING
Confirm the accessory parts inside the refrigerator and wipe the inside with a soft cloth. - POWER-ON
Insert the plug into the solid socket to start the compressor. After 1 hour, open the refrigerator door, if the temperature inside the refrigerator compartment drops obviously, it indicates the refrigeration system is working normally. - STORAGE OF FOOD
After the refrigerator runs for a period of time, the internal temperature of the refrigerator will be automatically controlled according to the user’s temperature setting. After the refrigerator is fully cooled, put in foods, which usually need 2~3 hours to be fully cooled. In summer, when the temperature is high, it takes more than 4 hours for the foods to be fully cooled (Try to open the refrigerator door as less as possible before the internal temperature cools down).
Warning: If the refrigerator is installed in the moisture place, make sure to check whether the ground wire and leakage circuit breaker are normal. If vibration noises are produced due to the refrigerator contacting the wall or if the wall gets blackened by air convection around the compressor, move the refrigerator away from the wall. Setting up the refrigerator may cause jamming noise or image chaos to the mobile phone, fixed-line telephone, radio receiver, television surrounding it, so try to keep the refrigerator as far away as possible in such case.
FUNCTIONS
The temperature of the appliance can be adjusted by turning the thermostat dial.
- The thermostat can be set between 1 and 7.
- 1 is the warmest setting.
- 7 is the coldest setting.
- Set the dial to OFF to turn off the cooling function.
- Under the normal operating condition (in spring and autumn), it is recommended to set the temperature at 4.
- In summer when the ambient temperature is high, it is recommended to set temperature at 3-4, so as to guarantee the fridge and freezer temperatures and reduce the refrigerator continuous running time; and in winter when the ambient temperature is low, it is recommended to set temperature at 5-6 to avoid frequent start/stop of the refrigerator.
NOTES: The temperatures may vary with respect to setting’s ones due to compressor cycles and outside conditions.
NOTES: The thermostat setting of ‘6’ or ‘7’ is suitable when ambient temperature is under 16 °C, but it may lead to ice formation if the refrigerator keeps running at such setting for a long time under the normal ambient temperature, which belongs to normal phenomenon. In such case, it is recommended to adjust back the thermostat setting appropriately.
INSTRUCTIONS FOR FOOD STORAGE
PRECAUTIONS FOR USE
- The appliance might not operate consistently (there is possibility of defrosting or temperature becoming too warm in the frozen food compartment) when sited for an extended period of time below the cold limit of the temperature range for which the refrigerating appliance is designed
- The information of climate type of the appliance is provided on the rating plate.
- The internal temperature could be affected by such factors as the location of refrigerating appliance, ambient temperature, and frequency of door open, etc., and if appropriate, a warning that setting of any temperature control device might have to be varied to allow for these factors should be made.
- Effervescent drinks should not be stored in the freezer compartment or the low-temperature compartment, and some products such as water ices should not be consumed too cold.
FOOD STORAGE LOCATION
Due to the cold air circulation in the refrigerator, the temperature of each area in the refrigerator is different, so different kinds of food should be placed in different areas. The fresh food compartment is suitable for the storage of such foods as need not to be frozen, the cooked food, beer, eggs, some condiments that need cold preservation, milk, fruit juice, etc. The crisper box is suitable for the preservation of vegetables, fruits, etc. The freezer compartment is suitable for the storage of ice cream, frozen food and the foods to be preserved for a long time.
USE OF THE FRESH FOOD COMPARTMENT
Store the foods that are intended for short-term storage, or to be eaten at any time in the fresh food compartment.
Fridge shelf: When removing the shelf, lift it up first, and then pull it out; and when installing the shelf, place it into position before putting it down. (For the two-section shelf, push the first section to the rear end, and then pull the second section out). Keep the shelf rear flange upward, to prevent foods from contact the liner wall. When taking out or putting in the shelf, hold it firmly, and handle with care to avoid damage.
Crisper box: Pull out the crisper box for access to food. After using or cleaning the cover plate of the crisper box, be sure to put it back onto the crisper, so that the internal temperature of the crisper box will not be affected.
TIPS FOR SHOPPING THE FROZEN FOODS
- When you are buying frozen food, look at the Storage Guidelines on the packaging. You will be able to store each item of frozen food for the period shown against the star rating. This is usually the period stated as “Best to use them before×”, found on the front of the packaging.
- Check the temperature of the frozen food cabinet in the shop where you buy the frozen foods.
- Make sure the frozen food package is in perfect condition.
- Always buy frozen products last on your shopping trip or visit to the supermarket.
- Try to keep frozen food together whilst shopping and on the journey home, as this will help to keep the food cooler.
- Don’t buy frozen food unless you can freeze it straight away. Special insulated bags can be bought from most supermarkets and hardware shops. These keep the frozen foods cold longer.
- For some foods, thawing before cooking is unnecessary. Vegetables and pasta can be added directly to boiling water or steam cooked. Frozen sauces and soups can be put into a saucepan and heated gently until thawed.
- Use quality food and handle it as little as possible. When foods are frozen in small quantities, it will take less than for them to freeze up and thaw.
- Estimate the amount of foods to be frozen up. When freezing large amounts of fresh food, adjust the temperature control knob to the low mode, with the freezer temperature lowered. So, foods can be frozen up in fast manner, with the food freshness well kept.
CAUTIONS FOR FOOD STORAGE
You’d better clean the foods and wipe them dry before storing them inside the refrigerator. Before foods are put in the refrigerator, it is advisable to seal them up, so as to prevent water evaporation to keep fresh fruits and vegetables on one hand, and prevent taint of odor on the other hand. Do not put too many or too weight foods inside the refrigerator. Keep enough space between foods; if too close, the cold air flow will be blocked, thus affecting the refrigeration effect. Do not store excessive or overweight foods, to avoid the shelf from being crushed. When storing the foods, keep a distance away from the inner wall; and do not place the water-rich foods too close to the fridge rear wall, lest they get frozen on the inner wall. Categorized storage of foods: Foods should be stored by category, with the foods you eat every day placed in front of the shelf, so that the door open duration can be shortened and food spoilage due to expiration can be avoid. Energy-saving tips: Allow the hot food cool down to the room temperature before putting it in the refrigerator. Put the frozen food in the fresh food compartment to thaw, using the low temperature of the frozen food to cool the fresh food, thus saving energy.
STORAGE OF FRUITS AND VEGETABLES
In the case of refrigerating appliances with chill compartment, a statement to the effect that some types of fresh vegetables and fruits are sensitive to cold and therefore are not suitable for storage in this kind of compartment should be made.
TIPS FOR SPECIAL NEEDS
MOVING THE REFRIGERATOR/FREEZER
LOCATION
Do not place your refrigerator/freezer near a heat source, e.g. cooker, boiler or radiator. Avoid it from direct sunlight in out-buildings or sun lounges.
LEVELING
Make sure to level your refrigerator/freezer using the front leveling feet. If not level, the refrigerator/freezer door gasket sealing performance will be affected, or even it may lead to the operating failure of your refrigerator/freezer. After locating the refrigerator/freezer in position, wait for 4 hours before using it, so as to allow the refrigerant to settle.
INSTALLATION
Do not cover or block the vents or grilles of your appliance.
When you are out for a long time
- If the appliance will not be used for several months, turn it off first, and then unplug the plug from the wall outlet.
- Take out all foods.
- Clean and dry the interior thoroughly. To prevent odor and mold growth, leave the door ajar: block it open or have the door removed if necessary.
- Keep the cleaned appliance in a dry, ventilated place and away from the heat source, place the appliance smoothly, and do not place heavy objects on top of it.
- The unit should not be accessible to child’s play.
MAINTENANCE AND CLEANING
Before cleaning, unplug the power plug first; Do not plug in or plug out the plug with wet hand, because there is a risk of electric shock and injury. Do not spill water directly on the refrigerator, to avoid rust, electricity leakage and accidents. Do not stretch your hands into the bottom of the refrigerator, since you might be scratched by sharp metal corners.
INTERNAL CLEANING AND EXTERNAL CLEANING
The food residuals in the refrigerator are liable to produce bad odor, so the refrigerator must be cleaned regularly. The fresh food compartment is usually cleaned once a month. Remove all shelves, crisper box, bottle racks, cover board, and drawers etc., and clean them with a soft towel or sponge dipped in warm water or neutral detergent. Clear off the dusts accumulated on the rear panel and side plates of the refrigerator often. After using detergent, be sure to rinse it with clean water, and then wipe it dry.
WARNING: Do not use bristle brush, steel wire brush, detergent, soap powder, alkaline detergent, benzene, gasoline, acid, hot water and other corrosive or soluble items to cleanse the cabinet surface, door gasket, plastic decorative parts, etc., so as to avoid damage.
Carefully wipe dry the door gasket, clean the groove using a wooden chopstick wrapped with cotton string. After the cleaning, fix the four corners of the door gasket first, and then embed it segment by segment into the door groove.
Interruption of power supply or failure of the refrigerating system
- Take care of the frozen foods in the event of an extended non-running of the refrigerating appliance (such as interruption of power supply or failure of the refrigerating system).
- Try to open the refrigerator door as less as possible, in this way can food safely and freshly kept for hours even in hot summer.
- If you get the power outage notice in advance:
- Adjust the thermostat knob to the high mode an hour in advance, so that foods get fully frozen (Do not store new food during this time!). Restore the temperature mode to the original setting when power supply becomes normal in a timely manner.
- You can also make ice with a watertight container, and put it in the upper part of the freezer, so as to extend the time for fresh food to be stored.
NOTE: Once the refrigerator is used, you’d better use it continuously; and under normal circumstance, do not stop its use, so as not to affect the service life
CHANGING THE LAMP
The LED lamp is used by the refrigerator for lighting, which features low energy consumption and long service life. In case of any abnormality, please contact the after-sales personnel for visiting service. The LED lamps can only be replaced by the after-sales personnel.
- Lamp type: LED light.
- Energy efficiency level: G
SAFETY-CHECK AFTER MAINTENANCE
- Is the power cord broken or damaged?
- Is the power plug firmly inserted into the socket?
- Is the power plug abnormally overheated?
NOTE: Electric shock and fire accident may be caused in case the power cord and plug is damaged or stained by dust. If any abnormality, please unplug the power plug and get in contact with the vendor
HOW TO DISASSEMBLE THE PARTS
SHELF:
Hold one end of the shelf, and lift it up while pulling it outward.
WARNING: During use of the refrigerator, do not close the door when the freezer door is opened, to avoid damaging booth doors!
IMPLE FAULT ANALYSIS AND ELIMINATION
With regard to the following small faults, not every failure needs to be fixed by the technical service personnel; you can try to solve the problem.
| Case | Inspection | Solutions |
| Complet ely non- refrigerat ion | · Is power plug off? · Are breakers and fuses broken? · No electricity or line trip? · Where is the refrigerator installed? Is it placed in balconies, garages, storage rooms and other places where the ambient temperature is below 10℃? | · Re-plug · Opening the door and checking whether the lamp is lit. · Power outage or line tripping? · Install refrigerator in a location that is protected and the ambient temperature is above 10 ℃.If your refrigerator is installed in to o low temperature,the internal coolin g system may not work correctly. |
| Abnorma l noise | · Is refrigerator stable? · Does refrigerator reach the wall? | · Adjusting refrigerator’s adjustable feet. · Off the wall. |
| Poor refrigerat ing efficiency | · Do you put hot food or too much food? · Do you open the door frequently? · Do you clip food bag to the seal of door? · Direct sunlight or near a furnace or stove? · Is it well-ventilated? · Temperature setting in too high? | · Putting food into refrigerator when hot food becomes cool. · Checking and closing the door. · Removing the refrigerator from the heat source. · Emptying the distance to maintain good ventilation. · Setting to the appropriate temperature. |
| Peculiar smell in refrigerat or | · Any spoiled food? · Do you need to clean refrigerator? · Do you pack food of strong flavors? | · Throwing away spoiled food. · Cleaning refrigerator. · Packing food of strong flavors. |
NOTE: If the above descriptions are inapplicable to troubleshooting, do not disassemble and repair it yourself. Repairs carried out by inexperienced persons may cause injury or serious malfunctioning. Contact the local store where your purchase was made. This product should be serviced by an authorized engineer and only genuine spare parts should be used. When the appliance is not in use for long periods, disconnect from the electricity supply, empty all foods and clean the appliance, leaving the door ajar to prevent unpleasant smells.
CERTIFICATIONS
ELECTRICAL INFORMATION
This electrical appliance must be grounded. This product is equipped with a plug, which is suitable for all houses equipped with sockets meeting the current specifications If the fitted plug is not suitable for your socket outlets, it should be cut off and carefully disposed of. To avoid a possible shock hazard, do not insert the discarded plug into a socket. This product complies the EEC directives.
SAFE RECOVERY INSTRUCTIONS
DISPOSAL
Old appliances still have some surplus value. An environmentally friendly approach will ensure that valuable raw materials are recycled. The refrigerants used in your equipment and insulation materials require special handling procedures. Make sure there is no pipe damage on the back of the equipment before handling. Up-to-date information on the options for disposing of old equipment and packaging from old equipment can be obtained from the local municipal office.
| Correct Disposal of this product | |
|
| This marking indicates that this product should not be disposed with other household wastes throughout the EU. To prevent possible harm to the environment or human health from uncontrolled waste disposal, recycle it responsibly to promote the sustainable reuse of material resources. To return your used device, please use the return and collection systems or contact the retailer where the product was purchased. They can take this product for environmentally safe recycling. |
WARNINGS FOR DISPOSAL
- Refrigerant and cyclopentane foaming material used for the refrigerator are flammable. Therefore, when the refrigerator is scrapped, it shall be kept away from any fire source and be recovered by a special recovering company with corresponding qualification other than be disposed by combustion, so as to prevent damage to the environment or any other harm.
- When the refrigerator is scrapped, disassemble the doors, and remove gasket of door and shelves; put the doors and shelves in a proper place, so as to prevent trapping of any child.
REVERSING THE DOOR SWING
- Make sure that your refrigerator is unplugged.
- Pry hole covers and screws, then pry the top cover up and remove the three screws that secure the upper hinge to the door, then remove the hinge.

- Remove the refrigerator compartment door from the cabinet.
- Remove the screws that secure the lower hinge to the right side of the cabinet, then remove the hinge.

- Remove the washer and nut that secure the pin shaft to the right hole on the lower hinge, then remove the shaft

- Insert the pin shaft into the left hole on the lower hinge, then secure the shaft with the washer and nut.

- Install the lower hinge on the left side of the cabinet.
- Dismantle the small freezer door
A. Unscrew the screw fixing the lower shaft sleeve of the door, and put away the door, screw, lower and upper shaft sleeves that are removed.
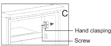
B. Unscrew the screw securing the door hand clasping to remove the hand clasping.
C. Install the door hand clasping that is removed on the right side.
D. Install the lower and upper door shaft sleeves and the small door on the left side. - Remove the screw that secures the door stop from the bottom right of the refrigerator compartment door, then remove the door stop and install to the bottom left side.

- Install the refrigerator compartment door.
- Move the door bushing from the top right side of the refrigerator door to the top left side of the door. And move the left hole cover to the right side.

- Secure the upper hinge to the top left side of the cabinet with the three screws you removed previously. Before you tighten the upper hinge screws, make sure that the top of the door is level with the cabinet and that the rubber gasket makes a good seal.
- Install the top cover over the cabinet

GENERAL WARRANTY TERMS
- The warranty is valid only on presentation of invoice of purchase.
- This WARRANTY is limited exclusively to parts substitution ineffective due to faulty manufacture, made in our workshops.
- The elimination of several faults of the scope of the guarantee is made for repair or replacement of defective parts, according to the discretion of our technical services. Defective parts are our property.
- Are not covered under warranty damage caused by transportation, neglect or poor use, improper assembly or installation, as well as external influences such as: lightning strikes or power, flooding, humidity, etc.
- Lose warranty, all appliances that are not being used according to the instructions, or connected to FEEDING NETWORKS not guarantee a constant voltage of 220/240V.
- The warranty does not cover damages for personal injury or damage caused directly or indirectly in any capacity whatsoever.
- This warranty terminates when it is found to have been undergoing repairs, alterations or interventions by any person not authorized by Jocel.
THE WARRANTY EXPIRES
- If the appliance has not been installed by an Accredited Technician.
- Exceeded the current legal period, for home appliances and for industrial appliances, warranty expires and assistance will be made by charging the costs of labor hand, according to current fees
- With the modification or disappearance of the nameplate of the appliance.
NOTE: GLASSES AND LAMPS ARE NOT COVERED BY WARRANTY.
TECHNICAL ASSISTANCE
For technical assistance request, our services are available through the following contacts. If you have any further questions or issues, please contact our customer support:
Telephone: 00 351 252 910 351
Email: [email protected]
Website: http://www.jocel.pt

NOTE: Figure 1, Figure 2 only illustrate the space demand of the product.




C. Install the door hand clasping that is removed on the right side.















