

GARDENCHEF
HERB AND MICROGREEN GROWING CABINET
Model GC52 GC52
FEATURES AND SPECIFICATIONS
The GardenChef provides a self-contained environment that is ideal for growing herbs and micro greens. The lights produce the proper spectrum and an irrigation system delivers water to the plants. The automated system provides everything the plants need to grow year round and right in the kitchen. It is preprogrammed for the growing needs for common herbs and microgreens. You can customize the growing conditions for other plants as needed.

| Model Number | Number of Growing Zones | Capacity 10”x20” Trays | Overall Dimensions | Caster Size | Leg Height | Shipping Weight | ||
Height | Depth | Width | ||||||
| GC52 | 10 | 20 | 79” (2007 mm) | 28-1/4” (718 mm) | 66-3/4 (1695 mm) | 3” (76 mm) | 4” (102 mm) | 550 (249 kg) |
CONSTRUCTION…Welded & riveted double wall, non-insulated cabinet construction.
CABINET MATERIAL… 430 series stainless steel exterior; 301 series interior with reflective finish
BASE FRAME… 12 gauge stainless steel full depth bolsters.
CASTERS… 3” diameter polyurethane casters. All swivel; front casters fitted with brakes.
LEGS…4” Adjustable legs for leveling
DOORS…Single panel tempered glass doors set in extruded aluminum frame. Magnetic gasket. Full length integrated door handles.
HINGES… Adjustable edge mount hinges with chrome plate finish.
GROWING DRAWERS… Removable growing drawers, equally spaced with 7” growing height. Stainless steel construc- tion with drainage holes in rear for ebb and flow irrigation. Each drawer will accommodate two standard 10” x 20” flats with 5” greenhouse domes for sprouting. Includes one set of growing trays and 5” domes.
CONTROLS…Touchscreen programmable digital controls with automated lighting, watering, temperature and humidity control. Pre-programmed default settings to grow most seeds. Settings are programmable for a variety of other seeds. Fixed lockout code.
Default Programs:
Watering Cycle: Once every 4 days
Watering Time: 5 Minutes
Daylength: 18 Hours (lights on each day)
ENVIRONMENT… Digital controls for automatic light, watering schedule and humidity levels for growing. Temperature based on ambient room temperature. WATERING SYSTEM… Automatic watering on an hourly basis. Cabinet must be connected to pressurized water line and have a dedicated drain tile or open drain line. Cabinet comes with pump to eject excess water after/during watering. Watering is programmable for each pair of drawers in 5 zones.
RESERVOIR: Waste water collection only. 3/8” NPT fill and drain connections. Drain ejector pump activated via touchscreen control.
GROWING LIGHTS… Equipped with 18” T5 high output fluorescent light fixtures. Each fixture includes an integrated electronic ballast, 6400°K lamp with a nanotech reflector for maximum reflection. Lights imitate the suns’ rays for optimum growing. Removable opaque polycarbonate shields. Fully programmable light cycles for the left and right sides.
ELECTRICAL CHARACTERISTICS… GC52 operates on 120 volts, 4.5 amps, 60 Hz, single phase. 6’ rubber cord with 3 prong grounding plug. NEMA 5-15P. ACCESSORIES/OPTIONS…
- Starter kit: includes growing trays, mats, domes, sifter, hydrogen peroxide, 20 gallon plastic tub, measuring syringe
- 230 volt, 2.3A, 50/60 Hz CE operation

UNPACKING AND INSPECTION
This appliance should be thoroughly cleaned prior to use.
See the CLEANING INSTRUCTIONS in this manual.
NOTE: DO NOT discard the carton or other packing materials until you have inspected the appliance for hidden damage and checked it for proper operation.
- Refer to SHIPPING DAMAGE CLAIM PROCEDURE on bottom of this page.
- Remove the cabinet from shipping carton, ensuring that all packing materials and protective plastic has been removed from the unit.
- Inspect all components for completeness and condition.
- If any freight damage is present, a freight claim must be filed immediately with the shipping company.
- Freight damage is not covered under warranty.
- Check to insure all components are included: cabinet, anchoring straps, instruction packet and additional accessories.
- Read operation instructions completely.
- Appliance should be thoroughly cleaned before use. See CLEANING INSTRUCTIONS in this manual.
WARNING: Tipping hazard
Anchor straps must be used to secure unit to a wall. Unit must be anchored, using straps along with the anchor points located in the upper corners of the back of the unit to structural supports in the wall behind the unit. See installation instructions, pages 5-6.
CAUTION: Health and safety regulations vary by jurisdiction. Prior to installation, operator must be aware and must adhere to all local and state codes, including proper installation, plumbing and electrical hook up, as well as any health certificates that may be required when growing food in your establishment. Carter-Hoffmann assumes no responsibility for improper installation or use of this product or failure to adhere to local regulations.
NOTE: This unit is to be installed with adequate backflow protection to comply with all applicable federal, state and local codes.
FREIGHT DAMAGE PROCEDURE NOTE: For your protection, please note that equipment in this shipment was carefully inspected and packaged by skilled personnel before leaving the factory. Upon acceptance of this shipment, the transportation company assumes full responsibility for its safe delivery.
IF SHIPMENT ARRIVES DAMAGED:
- VISIBLE LOSS OR DAMAGE: Be certain that any visible loss or damage is noted on the freight bill or express receipt, and that the note of loss or damage is signed by the delivery person.
- FILE CLAIM FOR DAMAGE IMMEDIATELY: Regardless of the extent of damage. Contact your dealer immediately.
- CONCEALED DAMAGE: If damage is unnoticed until the merchandise is unpacked, notify the transportation company or carrier immediately, and then file a “CONCEALED DAMAGE” claim with them. This should be done within fifteen (15) days from the date the delivery was made to you. Be sure to retain the container for inspection. Carter-Hoffmann cannot assume liability for damage or loss incurred in transit, freight damage is not covered under warranty. We will, however, at your request, supply you with the necessary documents to support your claim.
SAFETY PRECAUTIONS
WARNING: ELECTRIC SHOCK HAZARD
All service requiring access to non-insulated components must be performed by qualified service personnel. Failure to heed this warning may result in severe electric shock.
CAUTION: ELECTRIC SHOCK HAZARD Disconnect this appliance from electrical power before performing any maintenance or service.
IMPORTANT SAFETY INSTRUCTIONS
For your safety and the proper operation of this appliance, please follow these safety guidelines. This manual should remain with the GardenChef so that new owners and users learn about the product and relevant safety precautions. Carefully read through this manual before installing and using the GardenChef.
- Do not let children operate this appliance. It is designed to be operated by adults. Make sure all users have read this manual thoroughly.
- The water from your GardenChef is not potable and not suitable for drinking.
- Keep your seeds, nutrients and growing media in a safe, clean, dry storage area.
When using electrical appliances basic safety precautions should be followed, including the following:
- Be familiar with the appliance use, limitations and associated restrictions. Operating instructions must be read and understood by all persons using or installing this appliance.
- This appliance must be grounded. Connect only to properly grounded outlet.
- Use this appliance only for its intended purpose as described in the manual.
- Cleanliness of this appliance and its accessories is essential to good sanitation.
- DO NOT submerge this appliance in water. This appliance is not jet stream approved. DO NOT direct water jet or steam jet at this appliance, or at any control panel or wiring. DO NOT splash or pour water on, in or over any controls, control panel or wiring. DO NOT use corrosive chemicals or vapors in this appliance.
- DO NOT store this appliance outdoors. DO NOT use this product near water – for example, near a kitchen sink, in a wet basement, or near a swimming pool, and similar areas.
- DO NOT operate this appliance if it has a damaged cord or plug, if it is not working properly, or if it has been damaged or dropped. Do not immerse cord or plug in water, keep cord away from heated surfaces, and do not let cord hang over edge of table or counter.
- DO NOT cover or block any openings on the appliance.
- Only qualified service personnel should service this appliance.
Safety Precautions During Operation
- Do not allow contaminated items and/or garbage inside the appliance.
- The door should remain closed when not working with the GardenChef.
- Do not remove the growing drawers when the appliance is watering. Refer to instructions for controlling the watering and lighting schedules.
- Do not sit or stand on the open door or growing drawers. Doing so will damage the drawers and slides & is a tipping hazard.
- Unplug the power cord from the outlet and disconnect the water supply when the appliance is not in use. Place the cap with storage solution on the pH sensor when it is not in use. It must not be allowed to dry out or it will not function properly.
- Use genuine OEM parts when servicing and repairing the appliance. Any attempts to repair the GardenChef without an authorized professional can be dangerous, cause damage to the cabinet and void your warranty.
- Do not place anything on top of the GardenChef.
- Take care when removing the grow drawers as they are heavy when fully loaded with plants, soil and water. It is advised to remove the flats of plants before removing the drawers.
- Before moving your GardenChef, make sure there is no water in the reservoir. Water adds weight and may cause level issues if left in the unit. It may also slosh out of the reservoir creating a slip hazard.
CAUTION: Purchase supplies and seeds from reputable suppliers and follow instructions for proper safety and growing. CarterHoffmann assumes no liability for conditions
resulting from improper growing, maintenance and safety. Follow all safe food handling practices when growing and harvesting.
GROUNDING INSTRUCTIONS
This appliance is equipped with a cord having a grounding wire with a grounding plug which must be plugged into an outlet that is properly installed and grounded. In the event of an electrical short circuit, grounding reduces the risk of electric shock by providing an escape wire for the electric current.
WARNING—Improper use of the grounding can result in a risk of electric shock. Consult a qualified electrician or service agent if the grounding instructions are not completely understood, or if doubt exists as to whether the appliance is properly grounded.
INSTALLATION
WARNING:
Risk of personal injury
Installation procedures must be performed by a qualified technician withfull knowledge of all applicable electrical and plumbing codes. Failure could result in personal injury and property damage.
WARNING:
Tipping hazard
Anchor straps must be used to secure unit to a wall. Unit must be anchored, using straps along with the anchor points located in the upper corners of the back of the unit to structural supports in the wall behind the unit.
IMPORTANT:
Power cord is 10′ long If necessary, contact a licensed electrician to install an appropriate 15 amp electrical circuit with correct NEMA receptacle. Ensure that the plug is accessible after installation.
DO NOT use an extension cord.
CAUTION:
Electrical Shock Hazard
The ground prong of the power cord is part of a system designed to protect you from electric shock in the event of internal damage.
DO NOT cut off the large round ground prong or twist a blade to fit an existing receptacle.
IMPORTANT:
Not under warranty
Damage to unit due to being connected to the wrong voltage or phase is NOT covered by warranty.
IMPORTANT:
FILTERED WATER REQUIRED
Due to varying water quality in different municipalities, make sure that your facility water is filtered of sediment and chemicals before hooking up the fill lines. Sediment from hard and soft water may eventually clog up the pumps and filters.
LOCATION
- Place the cabinet on level ground so that the inside water flows evenly. Lock the front wheel caster brakes. Adjust the leveling legs so that they are on the floor. If your floor is not level, adjust the legs so that the unit is level. NOTE: Unit must be level in order to function properly.
- Leave at least 36 inches (914 mm) at the front of the cabinet, so there is ample space for opening the doors and pulling the drawers out.
- Allow at least a two to six inch ventilation gap between the top of the unit and the ceiling. Allow at least 2” of space for ventilation at the rear of the cabinet.
- Install the anti-tip straps, included with the cabinet.
IMPORTANT: THIS PROCEDURE MUST BE DONE BEFORE GOING ANY FURTHER WITH INSTALLATION OR OPERATION OF THE CABINET.
INSTALLATION OF THE ANTI-TIP STRAPS
Before you operate the cabinet it must be installed, using anchors and straps, to prevent tipping.
- Verify that you have these 4 items included with your Garden Chef: (2) ¼-20 X ¾” long screw, (2) washers, (2) 8’ long straps, (4) mounting brackets. (Fig. 1)
- Using screws, washers, and the mounting plate, mount the bracket to the back of the cabinet as shown in Figure 2
- On the wall adjacent to the back of the cabinet, install wall anchors (acquired by other supplier) at equal height for the type of wall being used (i.e. wood, drywall, cement block, poured cement)
- Install the mounting plate on the wall anchors with a screw and washer (acquired by other supplier) matching the wall anchor.
- Thread the loose end of the strap as shown in Figure 3 and then through your wall mounted anchor
- As shown in Figure 4, thread the loose end of the strap through the buckle

WARNING:
Risk of personal injury
Installation procedures must be performed by a qualified technician with full knowledge of all applicable electrical and plumbing codes. Failure could result in personal injury and property damage.
WARNING:
Tipping hazard
Anchor straps must be used to secure unit to a wall. Unit must be anchored, using straps along with the anchor points located in the upper corners of the back of the unit to structural supports in the wall behind the unit.
IMPORTANT:
Power cord is 10′ long
If necessary, contact a licensed electrician to install an appropriate 15 amp electrical circuit with correct NEMA receptacle. Ensure that the plug is accessible after installation.DO NOT use an extension cord.
CAUTION:
Electrical Shock Hazard
The ground prong of the power cord is part of a system designed to protect you from electric shock in the event of internal damage.
DO NOT cut off the large round ground prong or twist a blade to fit an existing receptacle.
IMPORTANT:
Not under warranty
Damage to unit due to being connected to the wrong voltage or phase is NOT covered by warranty.
IMPORTANT:
FILTERED WATER REQUIRED
Due to varying water quality in different municipalities, make sure that your facility water is filtered of sediment and chemicals before hooking up the fill lines. Sediment from hard and soft water may eventually clog up the pumps and filters.
**IT IS VERY IMPORTANT THAT THIS NEXT STEP IS COMPLETED CORRECTLY** - Pull both ends of the strap as show in Figure 5, make sure that the strap does not slide through easily

- Pull the strap tight and tie up the rest of the strap neatly as shown in Figure 6
Connect city water supply and city drain to the 3/8” NPT female fittings at the back of the unit (Fig. 7). Access to the connections will be at the back of the cabinet. NOTE: This unit is to be installed with adequate backflow protection to comply with all applicable federal, state and local codes.
City water connection must not be further than 10 feet from the cabinet and no higher than 6 feet from the connections. A minimum of 35 PSI is required to feed the cabinet.
Install the lights and diffuser panels (instructions on page 23)
The 120V electrical outlet should be within 6 feet of the cabinet. Do not use an extension cord. Connect to a properly grounded outlet according the electrical specifications for the cabinet. See page 2 for specifications.
Pipes that have not been in regular use should be cleaned an flushed with running water prior to connecting to cabinet.
Make sure the water inlet hose and drain hose are not twisted, crushed, entangled or leaking. Do not use connection hoses that have been used previously for other appliances.
If the unit is built into a wall or structure, make sure that it can be easily moved for access to the back and side panels for service and maintenance.
START-UP
The cabinet must be plugged in and plumbed by a professional technician to all applicable local and state codes. When you plug the unit in and flip the toggle switch located at the rear of the cabinet, it will turn on and you will see the STARTUP screen. The unit will run diagnostics and start-up functions while this screen is visible. You do not need to do anything while the STARTUP screen is showing. The unit will automatically go to the HOME screen following the STARTUP screen. To unlock the HOME screen, touch any button and a number pad will appear. Enter “1551” then “
“. NOTE: when the cabinet sits for long periods of time or it is turned off and then on again, it will automatically revert to locked mode. You will have to use the unlock code any time this happens. Follow these steps to set up your GardenChef for the first time:
PRIMING THE EJECTION PUMP
IMPORTANT: The ejection pump is a critical component for draining wastewater from the reservoir during and after watering. If not primed correctly, the cabinet will not drain properly and may overflow during watering. Priming MUST be completed. DO NOT SKIP THIS STEP.

Access the reservoir by removing the bottom right stainless steel drawer (Fig. 1)
To fill the reservoir:
- On the HOME screen, press the SETUP button
- On the SETUP screen, press the SET WATER button
- On the SET WATERING screen, find the option for zone 5 and press the water droplet button on the right side
- Water until the reservoir is half full
- Turn off watering by pressing the same water droplet button for zone 5 on the right side
- Press DONE to return to the HOME screen

- Access the setup page again by pressing SETUP on the HOME screen.
- Press SET RESERVOIR
- Confirm that the drain line is connected or leads to an outside reservoir
- On the RESERVOIR screen press DRAIN and confirm that the pump is turning by feeling for vibration or listening for a vibrating sound
- Find the gray ball valve inside the reservoir; turn it to the OPEN position (Fig. 2)
- Wait until a steady stream of water is ejecting from the open valve
- Close the valve (Fig. 3) and CANCEL drain The pump is now primed to drain the reservoir between watering.

ZONE PRESSURE TESTING
Adequate water pressure is needed for the irrigation system to function properly. Follow this procedure to test the flow of the water to the growing zones.
- On the HOME screen, press the SETUP button
- On the SETUP screen, press the SET WATER button
- On the SET WATERING screen, find the option for zone 1 or 2 and press the water droplet button on the right side
- Observe water flow into each drawer
- The pressure is adequate if the water hits the drawer 4-5 inches from the outlet of the tube
- To stop watering, press the same water droplet button again
- Press DONE to return to the SET UP screen
- Press the HOME button to return to the HOME screen

PROGRAMMING
The cabinet must be plugged in and plumbed by a professional technician. Follow start-up procedures for the cabinet before programming and growing (see pages 7-9).
Follow these steps to set up your GardenChef and begin growing.

SETTING THE DATE AND TIME
- On the home screen, press the date/ time in the upper right hand corner.
This will take you to the TIME AND DATE SCREEN. - Using the UP and DOWN arrows, set the date and time.
- Press DONE when you are finished.
The date and time are now set so you can accurately program and monitor the growing cycles.

SETTING TEMPERATURE AND HUMIDITY
Temperature and humidity in the cabinet are provided by ambient as well as cabinet lights and water reservoir. If either value goes above the set value, fans will turn on to reduce the cabinet temperature and/or humidity. Temperature and humidity may be set for each side of the cabinet. ZONE 1: left side; ZONE 2: right side.
- On the HOME screen, press the SETUP button
- On the SETUP screen, press the SET fans button
- On the SET TEMPERATURE screen, you will see a temperature and humidity button for each zone.
Press the + and – buttons to set the values for the temperature and humidity for each zone. - Press DONE to return to the HOME screen

SETTING UP LIGHTING
Lighting can be programmed for the 2 zones on the left and right side of the cabinet.
- From the HOME screen, press SETUP
- On the SET LIGHTING screen, select ZONE1 (left side) or ZONE 2 (right side) for which you want to change the lighting.
- Press CHANGE to select from the lighting options. They are: OFF: lights are off
12/DAY: lights are on
12 hours per day
16/DAY: lights are on
16 hours per day
18/DAY: lights are on
18 hours per day
20/DAY: lights are on
20 hours per day
ON: lights are on continuously
The default is 18 hours per day. We do not recommend lights on continually. Plants need darkness to rest and perform other vital growth functions. - When your selection is complete, press DONE

SETTING UP YOUR WATERING CYCLES

- On the HOME screen, press SETUP
- On the SETUP screen, press SET WATER
- On the SET WATERING screen, choose a zone and select the GEAR symbol for that zone. There are 5 zones. Each zone comprises of 2 drawers (up to 4 flats of plants).
- On the next screen, select the frequency and duration of the watering cycle for that zone:
The choices for watering frequency are (use arrow buttons to scroll through options):
OFF: no watering cycle
1X DAY: once each day
2X DAY: twice each day
1-2 DAY: once every other day
1-3 DAY: once every 3 days
1-4 DAY: once every 4 days (default for most cycles; soil germination)
1-5 DAY: once every 5 days
The choices for watering duration are one to ten minutes in 1 minute increments (use + and – buttons) - Press DONE to finishTo water manually, press the water drop button on the right side of the SET WATERING screen.
NOTE:you can water only one zone at a time.

EDITING PLANT NAMES
The seed list for your GardenChef has space for up to 39 different seeds and comes preprogrammed for many of the most popular microgreens. Each seed name can be changed, if you want to add, delete or modify them. There are a few blank spaces at the end of the list, where you can add names as well.

- On the HOME screen, press SETUP
- On the SETUP screen, press EDIT PLANTS
- On the SEED LIST screen, select the seed that you want to edit
- On the EDIT PLANT screen, press PLANT NAME
- A keyboard will appear. Type in the new plant name. When you are finished, press DONE to return to the seed list.
- Press the HOME button to return to the HOME screen
DRAINING THE RESERVOIR-MANUAL BYPASS
The cabinet is designed to drain automatically as needed. Should a manual drain be needed, follow this procedure.

- On the HOME screen, press SETUP
- On the SETUP screen, press SET RESERVOIR
- On the RESERVOIR SCREEN, press DRAIN
- An ARE YOU SURE screen will appear. This screen gives you a chance to check that the drain connection is secure and that water will flow into the drain line or a receptacle. If you are not sure, you have the option to cancel the drain by pressing NO.
- If you are sure, press YES
- The DRAINING screen will appear and the cabinet will drain. Draining will take 20 minutes and the screen will count down. Press CANCEL to stop draining at any time.
SETTING UP YOUR GROWING CYCLES
The cabinet must be plugged in and plumbed by a professional technician. Follow these steps to program your growing cycles. It has 10 growing zones and the home screen has a button for each zone.
NOTE: The GC52 GardenChef cabinet is intended for growing in media that contains an adequate amount of nutrients for growing a single cycle. The best media would be potting soil. Since the cabinet is directly plumbed to the building water supply, nutrients cannot be added, so it is not intended for growing in hydroponic media, which contains no nutrients.

SELECTING PLANTS FOR EACH GROWING DRAWER
On the HOME screen you will see 10 buttons, one for each drawer, which can hold two garden flats with 5” propagation domes. There is space for 20 flats in the cabinet. The cabinet comes pre-programmed with a list of plants, plus a few empty spots where you can put in additional plants. To set your seed selection, follow this procedure for each zone.
- Select a zone on the HOME screen (1-10)
- Select CHANGE SEED on the ZONE screen
- Choose your seed from the list on the SEED LIST.
NOTE: there are 4 screens for the list and you can scroll by pressing the NEXT button to advance to the next screen. Once you select a seed, the screen will revert to the ZONE screen. - Press RESTART CYCLE
- Press the HOME button to return to the home screen
- Repeat this procedure for each zone where there will be plants. Otherwise, keep/set them for NONE.

LETS GROW!
TO START A GROWING CYCLE
- On the HOME screen, select a zone for the seed you have just planted and you will be taken to the ZONE screen
NOTE: If you need to select a different seed, press the CHANGE SEED button to access the FAVORITES SEED LIST to select a different one. - On the ZONE screen press RESTART CYCLE button and a cycle will begin. The day counter in the upper right corner of the screen will say 00. It will count up the number of days from the start of the cycle.
- Then press the HOME button to return to the HOME screen.
- Repeat for each zone that you have planted. Different zones can be started on different days. Not all have to be active at the same time and you can stagger growing cycles. You can view the day counter for each seed by selecting the seed on the HOME screen to view the ZONE screen.
Note: You cannot change the lighting, temperature and humidity settings for your seeds from the ZONE screen. See pages 10-12 for instructions on how to change the lighting and watering cycles, and temperature and humidity settings for each zone.

OTHER FUNCTIONS IN THE ZONE SCREEN
If you plant something different or move trays from one zone to another, you can change to the cycle for a different seed by pressing CHANGE SEED on the ZONE screen. This will take you to your FAVORITES menu and you can select from your favorites.
PLANTING & GROWING
Planting and growing is easy in the GardenChef. Follow these simple instructions. See the growing guide for specific plants on the next page.
- Please refer to the Growing Guide and Growing Tips for successful growing and harvesting of specific plants.
- See Sanitation and Safety Guidelines on the page 24 for safe growing and harvesting.
Materials Needed (planting using soil)*:
Potting Soil (sterile) Seeds Shake 10” x 20” planting trays** Misting bottle
Screen/Mat 1 – 20 gallon plastic tub (unsifted soil); smaller tub (sifted soil) Shaker Humidity domes Sifter Measuring cups & spoons (for measuring seed quantities)
*Hydroponic growing is not recommended as this cabinet does not have a way to introduce nutrients to the water.
**You may also use 10” x 10” planting trays; 2 will fit in the same space as a 10” x 20”
- PLACE SOIL INTO ONE OF THE TUBS
- USING SIFTER, SIFT SOIL INTO THE SECOND TUB; YOU WILL NEED ABOUT ONE TO 1.5 CUPS OF SIFTED SOIL PER TRAY TO BE PLANTED ADD MORE SOIL TO THE FIRST TUB, ENOUGH TO FILL PLANTING TRAYS 1/2 TO 3/4 FULL
- AND MOISTEN SOIL ENOUGH TO MAKE IT DAMP AND CRUMBLY—NOT WET AND MUDDY; STIR WHEN ADDING WATER; DO NOT ADD WATER TO THE TUB OF SIFTED SOIL
- INSERT MATS INTO PLANTING TRAY(S)
- PUT UNSIFTED SOIL IN TRAY(S), FILL TO 1/2 TO 3/4 FULL, AND SMOOTH

- MEASURE OUT SEED QUANTITY AND SEED EVENLY WITH SHAKER (see amounts in Growing Guide, p. 18). SPRINKLE JUST ENOUGH SIFTED SOIL OVER SEEDS TO COVER THEM. IF THE TOP LAYER OF SIFTED SOIL IS DRY, MIST LIGHTLY TO MOISTEN (do not soak the top layer).

- PLACE THE PROPAGATION DOME ON THE TRAY. MAKE SURE VENTS ARE CLOSED
- PLACE THE TRAYS INTO THE GROWING DRAWERS IN YOUR GardenChef

- SET PROGRAM FORLIGHT AND WATERING SCHEDULE ACCORDING TO THE GROWING GUIDE

- LEAVE DOME(S) ON UNTIL THE SEEDS SPROUT.
- REMOVE THE DOME(S) FOR THE REMAINDER OF THE GROWING CYCLE
- HARVEST! Harvest all greensOr thin out greens and use as they grow

GROWING GUIDE
- HARVEST!
Harvest all greens Or thin out greens and use as they grow
- HARVEST!
Harvest all greens Or thin out greens and use as they grow
GROWING GUIDE
Seed | Sowing Amount / 10”x20” tray Grams I Ounces | Germination Days (domes on) | Days to Harvest | Watering Schedule¹ (potting soil) | Flavor Profile | |
| Amaranth | 17 | 0.6 | 2-3 days | 7 – 16 days | 1 every 4 days | Beet, grassy |
| Aniseed | 28 | 1 | 2 days | 7 – 8 days | 1 every 4 days | Licorice |
| Arugula | 28 | 1 | 3 days | 7-16 days | 1 every 4 days | Nutty, peppery |
| Basil (Sweet, Genovese, Thai) | 20 | 0.7 | 2-3 days | 10-21 days | 1 every 5 days | Slightly sweet, herby |
| Beets, Bulls Blood | 28 | 1 | 3-6 days | 10-20 days | 1 every 4 days | Beet, earthy |
| Broccoli | 28 | 1 | 1-3 days | 7-15 days | 1 every 4 days | Mild broccoli, slightly bitter |
| Buckwheat | 113 | 4 | 2-4 days | 7-14 days | 1 every 3 days | Lettuce, tangy |
| Cabbage, Red | 28 | 1 | 2-5 days | 10-15 days | 1 every 4 days | Mild, cabbage |
| Carrot Tops | 37 | 1.3 | 2-4 days | 8-14 days | 1 every 4 days | Mild, earthy |
| Celery | 28 | 1 | 5-7 days | 13-16 days | 1 every 4 days | Mild celery taste |
| Chervil | 28 | 1 | 4-6 days | 16-22 days | 1 every 4 days | Mild parsley and licorice |
| Chia | 28 | 1 | 2-5 days | 10-12 days | 1 every 4 days | Slightly bitter, minty, tangy |
| Chives | 28 | 1 | 6-9 days | 14-24 days | 1 every 4 days | Mild garlic, onion |
| Cilantro (Coriander) | 37 | 1.3 | 4-10 days | 14-20 days | 1 every 4 days | Strong celery, cilantro |
| Cress (Cressida/Pepper) | 28 | 1 | 3-4 days | 8-14 days | 1 every 4 days | Peppery |
| Dill | 28 | 1 | 3-7 days | 12-15 days | 1 every 4 days | Dill |
| Fenugreek | 17 | 0.6 | 2-5 days | 10-14 days | 1 every 4 days | Mildly spicy, nutty, pungent, bitter |
| Flax | 28 | 1 | 2-4 days | 8-12 days | 1 every 4 days | Mildly spicy, nutty |
| Kale, Red Russian | 35 | 1.25 | 2-4 days | 10-15 days | 1 every 4 days | Subtle broccoli flavor |
| Kholrabi | 28 | 1 | 2-4 days | 7-14 days | 1 every 4 days | Mild, sweet |
| Komatsuna | 28 | 1 | 2-4 days | 10-14 days | 1 every 4 days | Cabbage, mustard, mildly sweet |
| Lemon Balm | 34 | 1.2 | 3-5 days | 14+ days | 1 every 4 days | Lemony |
| Lemongrass | 14 | 0.5 | 2-3 days | 14+ days | 1 every 4 days | Strong lemon, sweet |
| Lettuce (various) | 28 | 1 | 2-4 days | 10-16 days | 1 every 4 days | Lettuce, depends on variety |
| Marjoram | 14 | 0.5 | 2-4 days | 10-14 days | 1 every 4 days | Similar to oregano but milder and sweeter |
| Marigold | 28 | 1 | 2-4 days | 8-18 days | 1 every 4 days | Citrus, mildly spicy |
| Mint | 14 | 0.5 | 2-3 days | 10-14 days | 1 every 4 days | Mint |
| Mizuna (Japanese Mustard) | 28 | 1 | 2-4 days | 8-14 days | 1 every 4 days | Mild pepper |
| Mustard | 28 | 1 | 3-4 days | 7-15 days | 1 every 4 days | Slightly spicy, sweet mustard |
| Nasturtium, Dwarf | 56 | 2 | 3-6 days | 10-21 days | 1 every 4 days | Pepper, mustard |
| Oregano | 28 | 1 | 5-7 days | 16-22 days | 1 every 5 days | Pungent, oregano |
| Pak Choi | 28 | 1 | 1-3 days | 8-12 days | 1 every 4 days | Mildly sweet, earthy |
| Parsley | 28 | 1 | 5-7 days | 18-30 days | 1 every 4 days | Mild parsley |
| Pea Shoots | 142 | 5 | 2-5 days | 8-15 days | 1 every 4 days | Sweet pea, nutty |
| Popcorn Shoots | 28 | 1 | 2-3 days | 6-8 days | 1 every 4 days | Sweet corn |
| Purslane, Red Gruner | 28 | 1 | 3-5 days | 10-14 days | 1 every 4 days | Tangy, spinach |
| Radish | 42 | 1.5 | 1-3 days | 8-10 days | 1 every 4 days | Strong spicy, peppery |
| Sage | 28 | 1 | 7-10 days | 18-25 days | 1 every 4 days | Strong sage |
*Figures in this table are estimates. Germination & harvest times may vary depending on seed variety, quality & growing conditions. Consult instructions from your seed supplier.
¹For soil-free (hydroponic) growing, watering cycle frequency and duration are dependent on type of media that is used. See Growing Tips on page 16.
Seed | Sowing Amount / 10”x20” tray Grams I Ounces | Germination Days (domes on) | Days to Harvest | Watering Schedule¹ (potting soil) | Flavor Profile | |
| Shiso | 28 | 1 | 3-5 days | 12-21 days | 1 every 4 days | Licorice |
| Sorrell, Ruby-Veined | 28 | 1 | 3-7 days | 12-20 days | 1 every 4 days | Tangy, lemon, mildly sour |
| Sunflower | 170-226 | 6-8 | 2-3 days | 8-12 days | 1 every 4 days | Nutty |
| Swiss Chard | 56 | 2 | 2-5 days | 8-12 days | 1 every 4 days | Sweet, earthy |
| Tangerine Gem (marigold) | 56 | 2 | 7-14 days | 20-30 days | 1 every 4 days | Citrus, tangerine, mild pepper |
| Tatsoi | 28 | 1 | 2-4 days | 8-12 days | 1 every 4 days | Mild mustard |
| Thyme (various) | 17 | 0.6 | 5-8 days | 25-35 days | 1 every 5 days | Thyme, some have lemon, cinnamon tones |
| Watercress | 17 | 0.6 | 3-8 days | 10-12 days | 1 every 3 days | Spicy, peppery |
| Wheatgrass | 28-56 | 1 to 2 | 2-3 days | 7-12 days | 1 every 4 days | Mild grassy, slightly bitter |
*Figures in this table are estimates. Germination & harvest times may vary depending on seed variety, quality & growing conditions. Consult instructions from your seed supplier.
¹For soil-free (hydroponic) growing, watering cycle frequency and duration are dependent on type of media that is used. See Growing Tips below.
GROWING TIPS
Sowing Your Seeds
The amounts in the table are estimates. A good rule of thumb is a density of 1/8” to 1/4” spacing in the tray. Consult the directions from your seed supplier. As you use your GardenChef®, keep track of germination and density of growing plants. If they seem a bit sparse, add a little more seed to your trays in the next growing cycle. Conversely, if they seem too thick, dial it back. There are numerous resources on the internet that can be helpful to develop your farmer instincts. In addition to planting tips, you can find
information on the pros and cons of various types of growing media.
Purchase Seeds from Reputable Suppliers
There are many suppliers online. Make sure they are reputable and follow safe practices for producing seed.
Growing in Potting Soil
The Growing Chart is a good starting point for growing in soil. We recommend beginners start with growing in soil as it is easier and plants take naturally to growing in soil! Use commercially produced potting soil. Do not use garden soil or dirt from outdoors.
Hydroponic Growing Media
The GC52 is not recommended for hydroponic growing.
About Nutrients
Potting Soil: Enough nutrients are present in potting soil for about 2-3 weeks, which is adequate for a single growing cycle.
Monitor Your Plants
The best way to learn is to check your plants daily and observe their growth and health. You can nip potential problems in the bud, learn how your plants grow and when to harvest for your particular needs.
Regular Cleaning
A healthy environment makes healthy plants. Clean your cabinet and growing supplies regularly to reduce the chance of contamination. See cleaning instructions on page 20-22 and sanitation guidelines on page 24.
Disease Prevention
In addition to regular cleaning, monitor your watering cycles, temperature and humidity levels. Overwatering, or too much humidity can cause mold to grow. Adjust them as needed.
CLEANING AND MAINTENANCE
CLEANING THE RESERVOIR
- Make sure cabinet is connected to city drain and water. If you are not hooked up to a drain and city water you will need to manually drain the cabinet; if this is the case, connect the drain fitting to a hose that runs to a drain or sink. Do not activate the DRAIN function until you have a place to drain the water with a hose to a sink or drain. Observe all municipal codes. Used water from the GardenChef is not potable. This procedure should take about an hour to complete.
- Remove the bottom drawer(s)
- From the HOME screen, press SETUP
- In the SETUP screen, press SET RESERVOIR
- On the MAIN RESERVOIR SCREEN, press DRAIN. The next screen that appears will ask if you are sure. Double check that the cabinet is hooked up to a drain. Otherwise it will drain onto your floor! If you are not sure, press NO and double check. If you are sure, press YES.
- The cabinet will start to drain the reservoir. This may take up to 20 minutes. When the draining is complete, press CANCEL to return to the home screen. Once the reservoir has been drained, wipe off any dirt with a clean rag. Clean the reservoir with a cleaning solution, i.e. hydrogen peroxide mixture. Follow the guidelines on the label of the agent. H2O2 concentration should be 5 tsp per one gallon of water. See note regarding cleaning agents on the next page (page 21).
- Refill the reservoir with fresh water: on the HOME screen, press the SETUP button
- On the SETUP screen, press the SET WATER button
- On the SET WATERING screen, find the option for zone 5 and press the water droplet button on the right side
- Allow the reservoir to fill completely. Turn off watering by pressing the same water droplet button for zone 5 on the right side
- Press DONE to return to the HOME screen
- Repeat steps 3 through 6 to drain the reservoir again to remove all residual cleaning solution.

CLEANING THE GROWING DRAWERS
Clean your grow drawers between each harvest.
However, keep a close eye on the environment and immediately clean any mold or organic matter.
Do not use any chemically damaging or toxic cleaning products such as bleach. Do not use stainless steel cleaner on the interior of the cabinet. Using chemical cleaning products can be toxic and also damage the stainless steel drawers and cabinet. You can use 30% hydrogen peroxide to clean the reservoir and water lines (5 teaspoons per gallon of water). Read all warning labels on the hydrogen peroxide or other cleaning products.
Keep your growing environment clean.
Clean the reservoir, reservoir filter and grow drawers every month.
GENERAL STAINLESS STEEL CLEANING
Clean the exterior of your cabinet when fingerprints and large amounts of dust appear on the outer surfaces. Using Stainless Steel cleaner from your local hardware store, spray on and wipe down with a cloth going with the grain (As seen in the pictures). DO NOT USE STAINLESS STEEL CLEANER IN THE RESERVOIR OR IN THE DRAWERS THEMSELVES. Stainless steel cleaner is to only be used on the outer surfaces of your cabinet!

CLEANING CAUTIONS
When you wipe down the reservoir, do not knock the pumps, misalign the pipes or the sensors.
Draining the reservoir sends water down and out from the drain hose. Water from the GardenChef is not for drinking as biological residues may still be present and could be harmful.
Do not use steel wool pads to clean the cabinet as they will damage the steel and its rust-resistant finish. Do not use detergents or solutions that contain chlorides, ammonias, alkalis or abrasive cleaners. Use only environmentally safe, non-toxic solutions in the manufacturers’ recommended concentration. Non-chlorine bleach from an environmentally-friendly company may be used in accordance with the guidelines on the packaging.
DAMAGE TO STAINESS STEEL IS PERMANENT, COSTLY TO REPAIR, AND IS NOT COVERED BY THE WARRANTY
PERIODIC MAINTENANCE PROCEDURE AND TIPS
INSIDE THE RESERVOIR
A. DRAIN, CLEAN AND FLUSH RESERVOIR (Monthly)
SEE INSTRUCTIONS ON PAGE 20
INSIDE THE GROWING ZONES
B. CLEAN DRAWERS (Monthly)
- Remove a drawer from the GardenChef
- Use a clean cloth with hot soapy water or hydrogen peroxide solution to wipe down the grow drawer; make sure the drain holes are cleared of any debris.
- Rinse off the drawer with clean water
- Dry with clean cloth
- Replace in cabinet
- Repeat steps for all drawers
C. CHECK AND CLEAN EJECTOR PUMP CAP (Monthly)
- Remove the small white cap at the bottom of the ejector pump (the pump is the smaller blue cylinder attached to the larger filter canister).
- Rinse the cap.
- Place the cap back onto the pump
* If the water flow to your growing drawers is inadequate during a watering cycle, check the filter cap to see if it needs to be cleaned.

REPLACING THE LIGHTS
Occasionally you may need to replace a light bulb. It is a simple process, similar to changing the bulb on a fish tank hood. For part number, see the list on page 29.

NOTE: T5 growing lights running at the default time of 18 hours per day is considered high use and the efficiency of the bulbs will reduce approximately 10% after 20,000 hours. Bulbs should be replaced every 18-24 months to ensure best performance.
SANITATION AND FOOD SAFETY RECOMMENDATIONS
For your health and safety, please read the information below.
Microgreens are baby plants. They have intense concentrated flavor and more nutrients than full grown plants. They are not sprouts and are safer to grow than sprouts. Starting with Seeds
Make sure that all seeds you buy have been tested and grown as a food crop and are free from contamination. Do not use seeds from crops that have been fertilized with animal waste. Reputable seed suppliers test all lots of seed for contamination. Make sure that each seed package is labeled with the name of the seed producer or distributor, the lot number and the country of origin. Keep records of all seed lots in case of recall.
Sanitation
Use clean seed and growing media from reputable suppliers. Do not use garden soil or dirt from outside. Regularly clean and sanitize all growing drawers, cabinet and reservoir. Monitor the growing zones daily and clean at the first sign of mold or contamination. Adjust your watering cycles, humidity and temperature so that the fans operate regularly. Clean the cabinet between growing cycles.
Don’t let greens or seeds come into contact with contaminated surfaces, manure or other contaminated organic material.
Your growing space, hands and equipment must be kept clean at all times for handling microgreens. We recommend use of food handling gloves during plant- ing and harvesting. Use clean, potable water in the reservoir.
Clean Seed
You may choose to clean and sanitize your seed prior to growing. It is not necessary with microgreens and reputable suppliers test their seed for contamination. But, if you want to take extra precautions, use this method: Add 5 ounces of 5% hydrogen peroxide and one ounce distilled vinegar to one quart of room temperature water. Pour the solution over the seed and let stand for 5 minutes, making sure that all of the seed is in contact with the solution. Drain and rinse the seeds in clean water several times to make sure the solution has been removed. Plant as usual.
Growing Conditions
Microgreens are not sprouts and are not grown in the same manner. Commercial sprouts are generally grown in large tanks of water. If one seed is contaminated, it will contaminate all of the sprouts in the tank. Microgreens are not grown in this way. We recommend growing them in sterile soil or other sterile media which acts as a filter to remove contamination.
Harvesting
Microgreens are newly germinated, small plants and are usually harvested at the stage where the first true leaves appear. They should be harvested with clean hands, or using food handling gloves, clipped at least 2” away from the root system and soil, using clean disinfected scissors. Make sure your harvesting space and containers are clean. Roots or clinging soil, should be removed and your micros should cleaned thoroughly before consumption.
Refrigerate cut microgreens. Treat them and any foods containing them as food. Note: basil is sensitive to the cold and should not be refrigerated. Use immediately or place in a clean container at room temperature and use within a day.
FREQUENTLY ASKED QUESTIONS & TROUBLESHOOTING
– You should fill each tray 1/2 to 3/4 full with sterile potting soil.
– Make sure the soil is well moistened, but not overly muddy or soupy.
– See Resources page 24 for some brands we have found to be high quality soils.
– For seeds with a shorter life cycle like pea shoots, radishes, wheatgrass (1-2 weeks), 1/2 full is adequate.
– For seeds with longer life cycles such as basil, oregano, arugula, etc., fill trays 2/3 to 3/4 full.
– Most seeds like a little darkness while they emerge from their shells.
– For the best results, sprinkle them with a fine layer of sifted soil, just enough to cover the seeds.
– Usually 1 to 1-1/2 cups of sifted soil works.
– The sifted soil spreads easily and provides a nice blanket over the seeds for germination so that more seeds sprout and at the same rate.
– I ran out of mats and I need to plant now. Is there anything I can do? In a pinch, place a thick paper towel in the growing flat, and then add the potting soil.
– The paper towel will keep most dirt and debris from flowing into the reservoir, while allowing the tray to drain.
– Two paper towels fit nicely into a 10” x 20” garden flat.
– If you are growing in potting soil, nutrients are not necessary for the first 2-3 weeks—usually the duration of a single growing cycle.
– The GC52 is not recommended for hydroponic growing as the media is sterile and there is no way to add nutrients.
– Yes, the GardenChef is pre-programmed for many seeds with a default for soil growing.
– There are a few empty positions open in the menu for adding more seeds and you can erase and replace items in the seed menu.
– You can also designate your favorite seeds for frequently used cycles.
– All of the seed programs are adjustable for light and watering schedules.
– The cabinet requires frequent monitoring and care. It should be inspected thoroughly and cleaned at least once a month.
– The filter needs to be changed regularly. Maintenance may vary with your degree of usage.
– Please refer to maintenance and cleaning procedures in this manual.
– Always clean the cabinet if it will be taken out of service.
– Yes. Your GardenChef has been plumbed and hooked up to municipal water supply and it is pre-programmed to add water and top off as needed.
– You can also drain and fill the reservoir when needed. Follow instructions in this manual.
– Check to ensure that the connection on your city water and drain is open and free of blockage.
– Check for kinks in the tubing.
– The pump may need to be primed. See instructions in this manual for priming the pump.
– Make sure not more than two zones are being watered at a time.
– Only two zones can be watered at one time, so watering schedules for each zone will be staggered an hour apart, if they are programmed to water at the same time.
– Check the programmed schedule to ensure it is not programmed to be OFF. If still no watering, access the reservoir and insure that the pump is on and primed.
– It’s likely that the screen over the filter is clogged with debris and needs to be cleaned or the filter needs to be replaced.
– See maintenance and cleaning instructions on page 19.
– Check the drain holes at the back of the drawers and clear them if they are blocked.
MICROGREEN PROBLEMS
WHITE MOLD

| Identification Rem | Remedy |
| White mold looks like a spider web crawling across the surface of the growing media. It starts out in one area in a small, wispy ball and then expands quickly over the growing media. Note: take a close look. The root systems of some microgreens are fine filaments and resemble mold. Learn to recognize the difference. | ·Make sure your trays are CLEAN before you plant ·Decrease the humidity by increasing air circulation ·Decrease the seed density of your future plantings, especially for mucilaginous seeds ·Try using some grapefruit seed extract mixed with water as an organic solution |
SLOW GERMINATION

| Identification Rem | Remedy |
| Most micro green seeds germinate in 2-4 days, but some may take a bit longer. If you’re seeing germination times that are longer than what is outlined in the table on page 18-19, something is wrong. | ·Increase moisture in the tray by misting or running an unscheduled watering cycle ·Do a germination test on a paper towel to see if the seed is bad. Place a paper towel in a growing tray, moisten it by misting with a mister and sprinkle the seeds on top. Cover with a propagation dome and see if they sprout. |
CLUMPY MICROGREENS

| Identification Rem | Remedy |
| When you’re spreading your seed out in trays, it can be difficult to get an even spread. If you plant too densely, they will clump together, especially if they’re mucilaginous*. When theysprout, a few of the seedlings will push the rest of them up into the air, suspending the roots and possibly bringing dirt along with them. It makes harvesting difficult. | · Decrease total seed volume planted in each tray · Spread seeds more evenly throughout the tray |

FAILURE TO THRIVEIdentification Rem Remedy The greens look weak and pale. This is an all encompassing condition that could result from a number of factors. It is difficult to troubleshoot this condition if all of the other conditions above have been addressed.
The weakness could be due to a lack of moisture control—either too dry
or too wet. In some cases the seed is not properly planted, or the propagation dome is removed at the wrong time.·Make sure to read the seed growing instructions on the seed packaging
· Stick to a regular watering schedule
·Make sure you leave the propagation domes on for an adequate amount of time
·If growing hydroponically, check your nutrient concentration and TDS levels; make sure nutrients are mixed according to the manufacturer’s directions
*Mucilaginous seeds: seeds whose hull forms a gel sack consisting of proteins and polysaccharides when exposed to water. The purpose of this sack is to retain moisture around the seed during germination. It also assists the seed in holding onto the soil, so as not to be washed away while establishing a root to anchor the plant. Examples: brown mustard, arugula, basil, cress.
RESOURCES
The GardenChef comes with a starter set of domes, mats and trays. An optional starter kit is available and includes growing trays, domes, mats, sifter, hydrogen peroxide and 20 gallon plastic tub (for mixing/sifting soil)
Many supplies, including seeds and growing media, can be found at local greenhouses and urban garden supply sellers. The internet is a great resource for finding everything you need for your GardenChef. A list of some resources is on the next page.

List of brands for supplies*

* This is not a compete list or an endorsement of these products. Brands are trademarked and not affiliated with Carter-Hoffmann
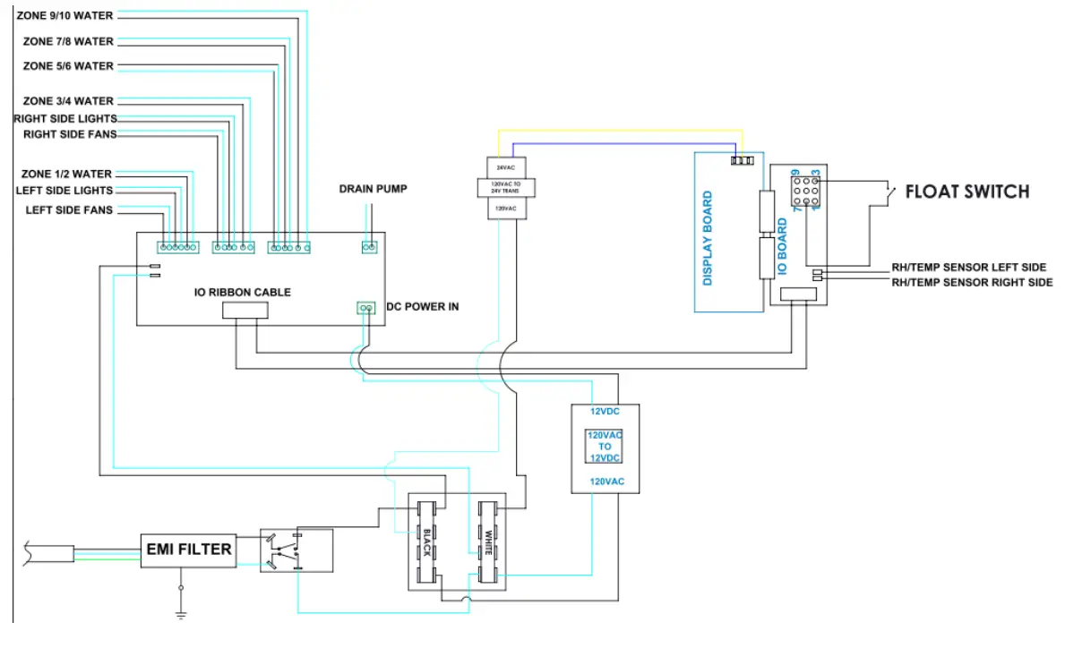
REPLACEMENT PARTS & WIRING DIAGRAM
GARDENCHEF COMPONENTS 120V, 4.5 A
| Part Number | 3” swivel poly caster with brake |
| 18301-2649 | 4” adjustable S.S. leveling leg |
| 18309-0048 | drawer |
| 16090-4182 | 22” drawer slide |
| 18310-0209 | tempered glass door |
| 29038-5152 | chrome hinge |
| 18304-0033 | polymatte light diffuser panel |
| 29038-3259 | T5 growing light fixture and bulb |
| 18616-0415 | muffin fan 115V |
| 18614-0314 | muffin fan cord 40” 4C552 |
| 18614-0316 | 3/8” female NPT tube fitting |
| 18615-0172 | water level float switch |
| 18602-0002 | 16/3 HSJO Cord w/ 5-15 plug |
| 18605-0010 | 9 pin universal Mate-N-Lok |
| 18606-0101 | terminal board 8X CH03265 |
| 18607-0017 | wire butt connector |
| 18607-0201 | 20-14AWG pin Mate-N-Lok |
| 18607-0251 | 3/8” tube tee |
| 18615-0161 | 3/8” 90 deg. tube fitting |
| 18615-0162 | 3/8” tube bulkhead fitting |
| 18615-0166 | 3/8” polyurethane tubing |
| 18615-0167 | ball valve 3/8” tube |
| 18615-0168 | STRT fitting 3/8 x 3/8 femaie NPT |
| 18615-0179 | humidity noise filter |
| 18616-0058 | temperature/RH sensor w/housing |
| 18616-0423 | power supply, 12 VDC, 120VAC |
| 18616-0451 | LRE2B 3.3 display mod 733 |
| 18616-0463 | relay board |
| 18616-0464 | transformer, |
| 18616-0482 | 120/208/240-24V40VA |
| 18614-0115 | water pump 12VDC |
| 18614-0035 | solenoid valve 120 HD |
| 18602-0029 | ON/OFF switch, 15A, 277V |
| 18602-0031 | rubber switch boot |
| 18602-0256 | 3’ DIN rail, standard size |
| 18312-0696 | overlay & display |
| 18603-0045 | relay board ribbon cable |
| 18603-0050 | wire harness 120/240 |
| 18602-0009 | EMI filter |

PLUMBING DIAGRAM
CAUTION: Use only (OEM) original equipment manufacturer replacement parts. Using unauthorized parts may cause serious injury or damage to the cabinet. Replacement parts should be installed by a qualified service technician.
Contact Carter-Hoffmann with your model and serial number for replacement parts.
Call: 800-323-9793 or email: [email protected]
WARRANTY
Carter-Hoffmann Warranty: Carter-Hoffmann (“CARTER-HOFFMANN”) warrants to the initial purchaser of its standard Carter Line Products that CARTER-HOFFMANN will, at its option, repair or replace, during the warranty period set forth below, any part of such products made necessary due to a defect in material or workmanship which is present when the product leaves its factory and which manifests itself during the warranty period under normal use and service.
This warranty applies only to original equipment owned and possessed by the initial purchaser and the warranty period begins on the date of original shipment from the CARTER-HOFFMANN factory and extends as follows: to component parts and labor for 12 months; to refrigeration compressor unit for one year (limited to replacement only – not to include labor for removal, repair or replacement). Repair or replacements under this warranty will be performed, unless otherwise authorized in writing by CARTER-HOFFMANN, at its factory. All parts or components to be repaired or replaced under this warranty are to be shipped prepaid to CARTER-HOFFMANN, with reimbursement credit for such part or component to be given if found by CARTER-HOFFMANN to be defective.
CARTER-HOFFMANN neither makes nor assumes and does not authorize any other person to make or assume any obligation or liability in connection with its products other than that covered in this warranty. This warranty applies only within the continental United States and Canada. In Alaska and Hawaii, this warranty applies only to and is limited to the supply of replacement parts.
Warranty Exclusions and Limitations:
Any implied warranty of merchantability or fitness for a particular purpose is hereby specifically disclaimed by CARTER-HOFFMANN. There are no warranties, expressed or implied, which extend beyond the description on the face hereof. This warranty does not cover and CARTER-HOFFMANN shall not under any circumstances be liable for any incidental, consequential or other damages (such as injury to persons or property, loss of time, inconvenience, loss of business or profits, or other matters not specifically covered) arising in connection with the use of, inability to use, or failure of these products.
Specifications subject to change through product improvement and innovation.


Carter-Hoffmann
1551 McCormick Ave.
Mundelein, Illinois, 60060 USA
Phone: 847-362-5500 Toll free: 800-323-9793 Fax: 847-367-8981
Sales and Marketing E-mail: [email protected]
Service E-mail: [email protected]
Company Website: www.carter-hoffmann.com MANUFACTURED BY:
CARTER-HOFFMANN
1551 McCormick Avenue
Mundelein, IL 60060 U.S.A.
Phone: 847-362-5500
Fax: 847-367-8981
Toll Free: 800-323-9793
Email: [email protected]US Patent No. D858,148


Connect city water supply and city drain to the 3/8” NPT female fittings at the back of the unit (Fig. 7). Access to the connections will be at the back of the cabinet. NOTE: This unit is to be installed with adequate backflow protection to comply with all applicable federal, state and local codes.


















