AUX-700 Auxiliary Battery Kit
Instruction Manual
The purpose of this kit is to add an auxiliary battery under the driver’s seat of 1983 to 1991 Vanagon Westfalia full campers. We offer a Lithium Iron Phosphate (LiFePo) battery, as well as a traditional Lead Acid battery. This kit will also re-wire the sink, 12V outlet on the dashboard, radio, interior lights, and clock to the auxiliary battery. After installation, any of those items can be used until the auxiliary battery is exhausted without discharging the primary (starting) battery located under the passenger’s seat. Both batteries will charge with the engine running, but the two will be isolated when the engine is not running. The refrigerator will retain its stock function, powered on 12V only when the engine is running. Any additional accessories wired to the second battery must be connected only to the second battery and must be fused appropriately.
Important Note: This kit has been designed for easy installation. However, it does involve cutting and splicing into factory wiring. Installation of this kit is not within everyone’s ability.
Read through these instructions carefully and decide if installing it is for you. If not, please take your Westy to an automotive electrician. Wiring errors can be troublesome and hazardous. A battery can produce 1200 amps of current—enough to turn a 12ga wire red hot in a few seconds. Throughout the installation, be VERY careful not to short the battery. Cross out any sections that do not apply to the year of your Westy and check off each step as you complete it.
Note: The charging circuit of the second battery is limited to 50 amps. With the engine running, do not draw more than 50 amps from the second battery or the circuit breaker will trip. Very large loads should be connected directly to the primary (starting) battery, which can receive the full output of the alternator (85 amps}. Care should be taken to avoid the discharge of the primary battery. The engine should be running if the primary battery is heavily loaded. This kit will not allow starting of the engine if the primary battery is discharged. If this happens you can use jumper cables {follow jumper cable manufacturer instructions).
| Tools Required | |
| • I Omm & 13mm Combination Wrenches | • Self-Tapping Screws |
| • Drill with 2″ or Longer #2 Phillips Bit | • Fused Power Wire |
| • Phillips Head Screwdriver | • Battery Brocket(s) |
| • Wire Stripper/Crimper | • Rubber Grommet |
| • Electrical Tape | • Wago Lever Nut |
| • Sand Paper | • Circuit Broker |
| • Pliers | • Solenoid |
NOTE: For best results, please watch our installation video before attempting to install your new auxiliary battery system.
Prepare for Installation
- Begin by disconnecting the negative terminal of the primary battery.
- Remove the driver’s seat. Slide the seat all the way forward, lift release, and continue sliding the seat off the track. Set the seat aside. Watch out for sharp edges and pinch points. This is most easily accomplished with a helper.
- If you have a swivel seat, rotate the seat swivel platform 180 degrees or completely remove the four 8mm nuts securing the platform. Open the lid of the compartment behind the seat. It can be extremely helpful to tape this lid open.
Install the Solenoid and Circuit Breaker
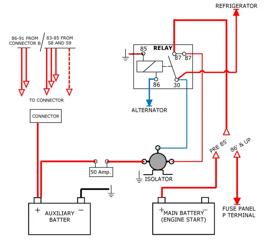
- Remove the stock relay underneath the driver’s seat. Leave the wires connected.

- Place the battery where you’d like to install it. The purpose of placing your battery in its resting place is to determine where you have room to mount your solenoid and circuit breaker. If you plan to install your battery underneath the driver’s seat, we recommend installing the hold-down bracket to determine its true resting place {skip ahead to the Secure the Battery section for more information). Once you have determined the battery mounting location, install your solenoid and circuit breaker using the included self-tapping screws.
NOTE: When fastening the solenoid to the sheet metal, make sure to sand the paint down where the solenoid contacts the body to create an adequate ground. - Remove the #87 center pin wire from the relay. This is the power wire for the sink pump. Cut the stock connector and crimp the included ring terminal onto this wire. This ing will be screwed into the new aux battery positive terminal when you install the battery.

- Install the red wire from the non-circuit breaker side of the solenoid into the stock relay center pin (#87) you just removed.

- Remove the red wire from pin #30 (fridge wire) and replace it with the blue wire from the solenoid with the piggyback connector. Connect the fridge wire you removed from the pin to the piggyback connector. Now your solenoid and the original pin #30 wire will both share the pin.

Connect to the Fusebox: 1986-1991 Only
If you have an earlier Vanagon model, please skip ahead to the next section.
- Send the long fused red wire up under the pedestal. Make sure to install the grommet through the hole to prevent fraying. This wire will be connected to the positive terminal of your battery once it is installed.

- Remove the fuse panel from the front. Remove the wiring block “B” and cut the wires from locations B11 and B12 about 1” away from the fuse panel to prevent shorts. 1986 and 1987 Westfalias will have two red wires coming from location B12, and one from location B11. 1988-1991 Westfalias will have one wire from each. Cover the snipped ends with a piece of tape.

- Strip and insert the wires you clipped into the included lever nut. Insert the long fused line you ran up to the fusebox from underneath the pedestal. Only insert one wire per port. This step connects the radio, interior lights, and 12V dash outlet to your auxiliary battery.

- Reconnect connector B and reinstall the fuse box and cover, making sure no wires are pinched.

Connect to the Fusebox: 1983-1985 Only
If you have a later Vanagon model, please skip ahead to the next section.
- Remove the fuse box cover and detach the fuse box mount from the body.

- Find the connection at the back of fuse 8. The top end of the fuse will have 2 or 3 red wires in two connectors, and one red wire has a yellow stripe. Do nothing fo the wires at the bottom end of the fuse. The top of the fuse is the end that is closest to the steering wheel when the fuse panel is installed. The top will be closest to you when the panel is pivoted down for access to the rear.

- Cut all of the plain red wires from the top of the fuse $8 (but DO NOT cut the red and yellow striped wire} about 1” away from the fuse panel. Unplug and discard the connector that has had all its wires cut, and tape the end of each remaining wire coming from the fuse panel.

- Locate the red and white striped wire at the top of fuse 9 (fuse 9 is next to fuse 8 on the inboard side}. Cut the red and white wire and plug it into the connector. Do not cut the plain red wire on fuse 9.

- On the back of the headlight switch, there are two PIN 30s. Depending on the year of your vehicle, there will be either one large red or large red/yellow wire at one PIN 30 and one or two smaller red wires at the other PIN 30. Cut only the small red wire(s). Tape the end(s} coming from the switch and route the other end(s) down to the fuse panel.
NOTE: We have encountered some vehicles that do not have the small red wire(s}, one of which powers the clock. If this happens, simply move on. Ensure that the clock is powered by the auxiliary battery after completion. If it is not, you will need to trace the wire back from the clock to find its source. - Connect the long red wire from the battery to the wires you just cut using the 5-port lever nut connector supplied in the kit. Do this by stripping 1 /2″ of insulation from the end of each wire. Straighten their ends and press into the ports, using pliers to get a good grip on the wires. Only one wire per Inspect the connector from the clear side to make sure all the wires have been captured.

- Reinstall the fuse box and cover, making sure no wires are pinched.

Secure the Battery: Non-Swivel Driver’s Seat
FOR 1161 SLA BATTERIES:
- Slide the driver’s seat all the way forward and tape the box lid open
- Place the battery into the box on its side with the terminals on top and facing the front of the van.
- Poke out the backing sticker for the bolt hole.
- From under the van insert the included M8 bolt with washer through the hole, then set the bracket on followed by a washer, split washer, and finally, the included M8 nut.
- Tighten everything down, give the battery a shake and tighten one last time.

FOR LIFEPO4 BATTERIES:
- Slide the driver’s seat all the way forward and tape the box lid open
- Use the included sheet metal screw to attach the “L” bracket into the grove at the bottom of the battery box. Locate the sheet metal screw between the two spot welds as shown. Make sure the underside is clear before drilling.

- Place the battery into the box on its side with the terminals on top and facing the front of the van. Make sure the “L” bracket is snug on the battery, adjust if necessary.
- Poke out the backing sticker for the bolt hole.

- From under the van insert the included M8 bolt with washer through the hole, then set the bracket on followed by a washer, lock washer, and finally the included M8 nut.
- Tighten everything down, give the battery a shake and tighten one last time.
Secure the Battery: Swivel Driver’s Seat
- If you want to install the battery under your swiveling driver’s seat, first Remove the (4) 8mm nuts from the seat pedestal and set the seat aside.
- Remove the wire clip at the back of the battery box. This wire loom can simply rest on top of the battery when the installation is finished.
- Insert the battery on its side with the terminals at the top front of the battery box as shown in the photos.
- a. For LifePO4 Batteries: Install the brackets as shown for the right.
b. For SLA 1161 Batters: Install the brackets stacked on top of each other as shown in diagram “B“. - Install the split washer and the flat washer onto the bolt and use it to tighten both brackets.
Be sure to give the battery a good shake and tighten the bolt one last time. - Make your wiring connections re-install the swivel seat and you are good to go!

Alternate Installation Locations
If you choose to install multiple batteries, some ideal locations are beneath the rear bench and in the cabinet of your camper. If you choose to install your batteries in this way, you will be responsible for securing and procuring any additional wiring that may be needed. If you install two batteries, make sure to connect them in parallel to maintain proper voltage in your camper.
Connect the Battery!
- Install the solenoid, stock fridge, and front fuse panel wires to the positive terminal of your battery using the 6mm bolt and washer included in your battery. Orient the wires so they are neat and cannot contact the compartment cover.

- Using the remaining self-tapping screw, affix the small end of the ground wire to the metal near the post. Make sure to sand off the paint to expose bare metal where the terminal ring will sit.

- Close the battery compartment cover, reinstall the seat, and reconnect the negative terminal on the primary battery. Your sink, interior lights, radio, and 12v dash outlet are now powered by your auxiliary battery. The refrigerator retains its stock function of running on DC only when the engine is running.
WIRING DIAGRAM

Tips for a Happy Battery
All lead-acid batteries operate on the same basic principles of battery chemistry. Energy is stored in the form of a chemical reaction, which creates an electric current. The electrical current a battery produces is what powers whatever device is connected to it. The process can be reversed by feeding current into the battery, either with a vehicle charging system, a plug-in charger, or solar panels. This cycle can only be repeated so many times before the materials that make up the battery break down, reducing capacity and eventually leading to failure.
Our LiFePo4 batteries don’t require the careful maintenance described below. They’re designed for many more charge/discharge cycles than lead acid batteries and have integrated management systems to prevent excessive discharge.
There are a few things to keep in mind to make sure your lead-acid battery stays happy and healthy:
- The less a lead-acid battery is discharged between charges, the longer it will last. Charge as often as is practical. The battery in your vehicle is nothing like a cordless drill battery, which is typically a nickel-cadmium (“ni-cad”) battery. Completely discharging a lead acid battery does no good and is actually harmful—the exact opposite of a ni-cad battery.
- Whenever the voltage level of a lead-acid battery drops below 10.5 volts, irreversible damage is being done. A good rule of thumb is this: If light bulbs start getting noticeably dim, stop using that battery until it can be charged back up. Most inverters will automatically shut off around 10.5 volts to prevent battery damage.
- A lead-acid battery should always be stored fully charged. The lifespan of the battery will be reduced if stored uncharged—the lower the charge, the greater the damage that will result. A lead-acid battery should never be stored if its voltage is below about 11.5 volts. Batteries also self-discharge, so any battery that is stored should be charged every 6 months or so to prevent it from falling below 11.5 Charging it more often will extend battery life, but do not leave it charging continuously unless the charger is fully automatic. Even “trickle chargers” can overcharge a battery if they aren’t automatic. The charger GoWesty sells is fully automatic, and will never overcharge your battery, which is why they cost a little more than your typical garden variety Sears Roebuck trickle charger.
- The faster energy is pulled out of a battery, the less energy available will be. This means that if a 5-amp load lasts for 10 hours, a 10-amp load will not last 5 hours, but in fact less. Taken further, a 50-amp load will not last for 1 hour, but actually much less. Keep this in mind when using high-load accessories. Watts divided by 12 (volts) = This means a device that is rated at 500 watts draws about 42 amps at 12 volts.
- Inverters are not 100% efficient. The actual number is more like 85%. This means that if a device rated at 500 watts is plugged into an inverter, the inverter will actually draw about 590 watts or about 50 amps at 12 volts. Do not try to charge a battery by plugging a battery charger into an inverter that is connected to the same battery you are trying to charge. It will not work, as the inverter will draw more from the battery than the charger replaces. If this did work, we could all retire as billionaires, and tell the oil companies to get stuffed.
Battery capacity naturally decreases over time and use. If the capacity has dropped significantly (goes dead much quicker than it used to) it may be close to total failure. If this is the case, have the battery tested and replace it if necessary. Usually, a battery is still considered “good” if it has at least 80% of the capacity it had when new.
GoWesty Camper Products
1119 Los Olivos Ave, Los Osos CA
93402 888-469-3789
www.gowesty.com

NOTE: When fastening the solenoid to the sheet metal, make sure to sand the paint down where the solenoid contacts the body to create an adequate ground.





































