HILTI X-CC U CEILING CLIP with Nail Submission Folder User Manual

Ceiling hanger X-CC
APPLICATIONS Ceiling suspensions on concrete and steel

Product data
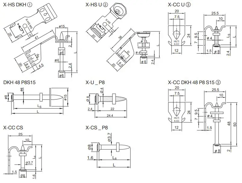
Dimensions
Material specifications
Carbon steel shank: HRC 58 X-HS M _ DKH, X-HS M/W_U, X-CC_U
HRC 56 X-CC_CS
X-HS: Zinc coating: 10 μm
X-CC U: Zinc coating: 2.5 μm
X-CC CS : Zinc coating: ≥ 5 μm
X-U / DKH Nail: Zinc coating: 5–20 μm
X-CS Nail: Zinc coating: 5–20 μm
Recommended fastening tools DX 6 F8, DX 5 F8, DX 460-F8, DX 351-F8, DX 36, DX 2, DX E72
· See system recommendation in the next pages.
Technical Information
Approvals and certificates
Lloyds Register: ICC, UL, FM:
X-HS X-HS W6/10
Not all information presented in this product data sheet might be subject to approval / certificate content. Please refer to approval/certificate for further information.
Applications
Examples

Performance data
Recommended resistance under tension and shear load
Concrete (DX-Kwik with pre-drilling) or stee


Application recommendation
Base material thickness

Fastener positioning
Minimum spacing and edge distances: See corresponding nail data sheet of X-U and X-DKH.
Application limits
Fastening to steel X-HS U19 with DX351

Application limit may increase in case of specific applications, like the fastening of wire mesh to steel, which is connected with X-CC U16 P8 fasteners. That wire mesh acts as reinforcement for fire protective sprayed coating. In such cases also different fastener stand-offs apply. Inquire at Hilti related with the use of X-CC U16 P8 in that specific application.
Corrosion information
- These zinc-coated fasteners are not suitable for long-term service outdoors or in otherwise corrosive environments.
- For more details, please refer to following technical document: Hilti Corrosion Handbook.
System recommendation
- For more details, please refer to the chapter Accessories and consumables compatibility in the Direct Fastening Technology Manual (DFTM).
Technical information

Cartridge recommendation for fastening on concrete

Cartridge recommendation for fastening on steel

- Tool power level adjustment by setting tests on site.
- Start tool energy selection with lowest recommended tool power level.
- Correct according requirement from chapter quality assurance.
Quality assurance
Installation

Setting depth control

These are abbreviated instructions which may vary by application.
ALWAYS review/follow the instructions accompanying the product.
Fastener program
Item no. and description

Setting Instructions

Material Safety Dara Sheet
SECTION 1: Identification
1.1. GHS Product identifier
Product form Article
Trade name DX-Cartridge
UN-No. (ADR) 0323
Product code BU Direct Fastening
1.2. Other means of identification
No additional information available
1.3. Recommended use of the chemical and restrictions on use
Use of the substance/mixture CARTRIDGES FOR TOOLS, BLANK
Recommended uses and restrictions For professional use only
1.4. Supplier’s details
Supplier
Hilti (Hong Kong) Ltd.
701-704, 7/F, Tower A, Manulife Financial Centre
223 Wai Yip Street, Kwun Tong
Kowloon – Hong Kong
T +852 27734 700
Department issuing data specification sheet
Hilti Entwicklungsgesellschaft mbH
Hiltistraße 6
86916 Kaufering – Deutschland
T +49 8191 906876
1.5. Emergency phone number
Emergency number
Schweizerisches Toxikologisches Informationszentrum 24h Service +41 44 251 51 51 (international) +852 27734 700
SECTION 2: Hazard identification
The dismantling of the article is prohibited!,This article contains hazardous substances or preparations not intended to be released under normal or reasonably foreseeable conditions of use.
2.1. Classification of the substance or mixture
Classification according to the United Nations GHS Explosives, Division 1.4
Full text of H-statements: see section 16
H204
Expert judgment
2.2. GHS Label elements, including precautionary statements

Precautionary statements (GHS UN)
P210 – Keep away from heat, hot surfaces, sparks, open flames and other ignition sources. No smoking. P250 – Do not subject to shock, friction, grinding. P280 – Wear eye protection. P372 – Explosion risk. P370+P380+P375 – In case of fire: Evacuate area. Fight fire remotely due to the risk of explosion. P401 – Store in accordance with local regulations on explosives.
2.3. Other hazards which do not result in classification
Other hazards not contributing to the classification
This article contains hazardous substances or preparations not intended to be released under normal or reasonably foreseeable conditions of use., The dismantling of the article is prohibited!, Keep away from ignition sources (including static discharges)
SECTION 3: Composition/information on ingredients
3.1. Substances Not applicable
3.2. Mixtures


SECTION 4: First-aid measures
4.1. Description of necessary first-aid measures
First-aid measures general
In all cases of doubt, or when symptoms persist, seek medical attention.
First-aid measures after inhalation
Allow affected person to breathe fresh air. Allow the victim to rest.
First-aid measures after skin contact
Remove affected clothing and wash all exposed skin area with mild soap and water, followed by warm water rinse.
First-aid measures after eye contact
Rinse immediately with plenty of water. Obtain medical attention if pain, blinking or redness persists.
First-aid measures after ingestion
Rinse mouth. Do NOT induce vomiting. Obtain emergency medical attention.
4.2. Most important symptoms/effects, acute and delayed
Symptoms/effects
Not expected to present a significant hazard under anticipated conditions of normal use.
Potential adverse human health effects and symptoms
No additional information available. No harmful effects are to be expected if used properly. The contained ingredients can be harmful, but they are hermetically enclosed in the article and can not be released. The dismantling of the article is prohibited.
4.3. Indication of immediate medical attention and special treatment needed, if necessary No additional information available
SECTION 5: Fire-fighting measures
5.1. Suitable extinguishing media Suitable extinguishing media Unsuitable extinguishing media
Dry powder. Water spray. Do not use a heavy water stream.
5.2. Specific hazards arising from the chemical
Hazardous decomposition products in case of fire
Carbon monoxide. Carbon dioxide (CO2). Nitrous gasses.
X-CC U Ceiling Clip with Nail
5.3. Special protective actions for fire-fighters
Firefighting instructions
Use water spray or fog for cooling exposed containers. Exercise caution when fighting any chemical fire. Prevent fire fighting water from entering the environment.
Protection during firefighting
Do not enter fire area without proper protective equipment, including respiratory protection.
SECTION 6: Accidental release measures
6.1. Personal precautions, protective equipment and emergency procedures
General measures
Remove ignition sources. Use special care to avoid static electric charges. No open flames. No smoking.
6.1.1. For non-emergency personnel Emergency procedures
Evacuate unnecessary personnel.
6.1.2. For emergency responders Protective equipment Emergency procedures
Equip cleanup crew with proper protection. Ventilate area.
6.2. Environmental precautions Prevent entry to sewers and public waters. Notify authorities if liquid enters sewers or public waters.
6.3. Methods and materials for containment and cleaning up
Methods for cleaning up
Pick up loose cartridges only by hand. Exposed ingredients must be swept up carefully and phlegmatized in a water container, labelled according the regulations, wipe down with water the contamined area. Store away from other materials.
SECTION 7: Handling and storage
7.1. Precautions for safe handling Precautions for safe handling
Hygiene measures Additional hazards when processed
Do not subject to grinding,shock, friction. Take precautionary measures against static discharge. Wash hands and other exposed areas with mild soap and water before eating, drinking or smoking and when leaving work.
Do not eat, drink or smoke when using this product. Always wash hands after handling the product.
Hazardous waste due to potential risk of explosion.
7.2. Conditions for safe storage, including any incompatibilities
Storage conditions
Keep only in the original container in a cool, well ventilated place away from : Direct sunlight, Heat sources. Store in a dry place.
Storage area
Store away from heat.
Incompatible products
Strong bases. Strong acids.
Information on mixed storage
Keep away from : Ignition sources. Do not store with: Store according to local legislation.
Storage temperature
5 25 °C
SECTION 8: Exposure controls/personal protection
8.1. Control parameters No additional information available
8.2. Appropriate engineering controls Other information
Do not eat, drink or smoke during use.
8.3. Individual protection measures, such as personal protective equipment (PPE)
Eye protection
Safety glasses
Skin and body protection
When using cartridge operated tools, sufficient ear protection must be worn.
Personal protective equipment symbol(s)
8.4. Exposure limit values for the other components No additional information available
SECTION 9: Physical and chemical properties
9.1. Basic physical and chemical properties

9.2. Data relevant with regard to physical hazard classes (supplemental)
Additional information
Not applicable
Article
SECTION 10: Stability and reactivity
10.1. Reactivity No additional information available
10.2. Chemical stability Stable under normal conditions.
10.3. Possibility of hazardous reactions Not established.
10.4. Conditions to avoid Direct sunlight. Extremely high or low temperatures. Heat. Sparks. Open flame. Overheating.
10.5. Incompatible materials Strong acids. Strong bases.
10.6. Hazardous decomposition products Carbon monoxide. Carbon dioxide. Nitrogen oxides. Metal oxides. Thermal decomposition can lead to the release of irritating gases and vapours.
SECTION 11: Toxicological information
11.1. Information on toxicological effects
Acute toxicity (oral) Not classified
Acute toxicity (dermal) Not classified
Acute toxicity (inhalation) Not classified


SECTION 12: Ecological information
12.1. Toxicity
Ecology – general No harmful effects are to be expected if used properly.
The contained ingredients can be harmful, but they are hermetically enclosed in the article
and can not be released.
The dismantling of the article is prohibited.
Hazardous to the aquatic environment, shortterm (acute)
Not classified
Hazardous to the aquatic environment, long-term
(chronic)
Not classified



12.3. Bioaccumulative potential

12.4. Mobility in soil


12.5. Other adverse effects
Ozone Not classified
Other adverse effects No additional information available
Other information Avoid release to the environment.
SECTION 13: Disposal considerations
13.1. Disposal methods Product/Packaging disposal recommendations
Ecology – waste materials Additional information
Dispose in a safe manner in accordance with local/national regulations. Refer to manufacturer/supplier for information on recovery/recycling.
Avoid release to the environment.
Cartridge strips with unused cartridges: Hazardous waste due to risk of explosion. European waste catalogue: 16 04 01* – waste ammunition. If possible use up the cartridges or store them for your next project. If not possible to use up the cartridges – The strip is mixed municipal waste and the cartridge itself is “waste ammunition” and has to be disposed of by an authorized/certified company. If cartridges are used up: European waste catalogue: 20 03 01 – mixed municipal waste . The product (cartridges and strip) can be disposed of as household or factory waste.
SECTION 14: Transport information
In accordance with ADR / IMDG / IATA / RID


14.6. Special precautions for user

14.7. Maritime transport in bulk according to IMO instruments
Not applicable
SECTION 15: Regulatory information
15.1. Safety, health and environmental regulations specific for the product in question No additional information available
SECTION 16: Other information




SDS_UN_Hilti This information is based on our current knowledge and is intended to describe the product for the purposes of health, safety and environmental requirements only. It should not therefore be construed as guaranteeing any specific property of the product.
Letters Country of Origin
Attn. : To whom it may concern
Date : 28 June 2022
Ref. : 050/FP/RY/22
Subject : Country of Origin- Hilti Ceiling clip X-CC
Dear Sir / Madam,
Enclosed please find the information of Hilti Ceiling clip X-CC
Brand Name : Hilti
Model Name : Hilti Ceiling clip X-CC
Manufacturer : Hilti Corporation
Address of Manufacturer : FL-9494, Principality of Liechtenstein.
Manufacturer Contact Person : Ricky Yau
Supplier : Hilti (Hong Kong) Ltd
Address of Supplier : 701-704, 7/F, Tower A, Manulife Financial Centre,
223 Wai Yip Street, Kwun Tong, Kowloon, Hong Kong
Supplier Contact Person : Ricky Yau (+852 9317 6203)
Country of Origin : Austria
Should you have further questions, please do not hesitate to contact our Technical Representatives, Customer Service Hotline at 8228-8118, or email us at [email protected].
Yours faithfully,
Ricky Yau Head of Product Leadership Strategy Hilti (Hong Kong) Ltd.
Job Reference
Hilti X-CC U Ceiling Clip with Nail Job Reference


















