ROBOT CAR KIT
Robot03

GENERAL INFORMATION
Dear customer,
thank you very much for choosing our product.
In the following, we will introduce you to what to observe while starting up and using this product.
Should you encounter any unexpected problems during use, please do not hesitate to contact us.
The Robot Car Kit (article no.: Robot03) is a kit that can be used as a basic framework for a car/robot. You have to add further components yourself, such as a power supply (accumulator, batteries) and a controller, e.g. an Arduino with a motor controller. We recommend the use of JOY-iT accessories.
The base plate already contains the holes for mounting an Arduino.
The motors are designed for a voltage of 3-9 V DC (4.5V recommended).
NOTE: All illustrations are exemplary and do not have to be identical to the items delivered.
| Voltage DC V | 4,5 | 6 | 7,2 | 9 |
| Idle current mA | 190 | 160 | 180 | 200 |
| Idle rpm +- 10% | 90 | 190 | 230 | 300 |
| Torque gf/cm min. | 800 | 800 | 1000 | 1200 |
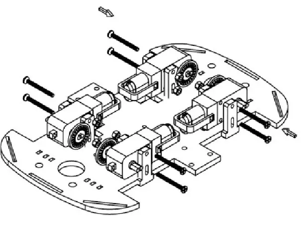
OVERVIEW

ASSEMBLY
Attention! We recommend installing the supply lines for the motors before mounting the car.
Remove the protective film from all components and insert the motor holders into the base plate.
The axle hole of the perforated wheel has a wide and narrow side. The wide side should point towards the engine.
Place the perforated disc on the motor and position the motors on the base plate (the connections/cables must point outwards).
Fasten the motors with the 3×30 screws and nuts.
Press the tires onto the axles, holding them against the engine.
Now mount the spacers and screw the second base plate with the 3×8 screws.
SAFETY NOTICES
The device must not be unattended during operation. Disconnect the power supply or remove the power source ( e.g. batteries) when not in use. The device is not a toy, it contains swallowable small parts and is not suitable for children.
Acrylic sheets can break under overload. The motors must not be blocked or overloaded, this can lead to strong heat development. The motors can generate heat during operation, let the motors cool down before touching them. The kit is intended for use in dry rooms, it must not get wet or damp. Strong sunlight should be avoided. Please also heed the safety There is a particular risk of burns when soldering.
EU-DECLARATION OF CONFORMITY
As a manufacturer we, Simac GmbH, declare that our product Robot03 fulfills the basic requirements of the following guidelines
when used as intended:
RED Directive 2014/53/EU RoHS Directive 2011/65/EU
You can request the detailed declaration of conformity from us at the following address:
Simac GmbH, Pascal. 8, 47506 Neukirchen-Vluyn
23.05.2017 Xu Lu chief executive officer
Attention, this declaration of conformity only applies to the kit components supplied by us, the motors supplied by us comply with the regulations of the EMC directive when operated with the specified voltage. By adding your own components, you yourself become the manufacturer and must therefore also ensure that the resulting device complies with the regulations.
ADDITIONAL INFORMATION
Our information and take-back obligations according to the Electrical and Electronic Equipment Act (ElektroG)
Symbol on electrical and electronic equipment:
This crossed-out dustbin means that electrical and electronic appliances do not belong in the household waste. You must return the old appliances to a collection point. Before handing over waste batteries and accumulators that are not enclosed by waste equipment must be separated from it.
Return options: As an end-user, you can return your old device (which essentially fulfills the same function as the new device purchased from us) free of charge for disposal when you purchase a new device. Small appliances with no external dimensions greater than 25 cm can be disposed of in normal household quantities independently of the purchase of a new appliance. Possibility of return at our company location during opening hours: SIMAC Electronics GmbH, Pascalstr. 8, D-47506 Neukirchen-Vluyn, Germany Possibility of return in your area: We will send you a parcel stamp with which you can return the device to us free of charge. Please contact us by email at [email protected] or by telephone.
Information on packaging: If you do not have suitable packaging material or do not wish to use your own, please contact us and we will send you suitable packaging.
SUPPORT
If there are still any issues pending or problems arising after your purchase, we will support you by e-mail, telephone, and with our ticket support system.
Email: [email protected]
Ticket system: http://support.joy-it.net
Telephone: +49 (0)2845 98469-66 (10-17 o‘clock)
For further information please visit our website: www.joy-it.net
www.joy-it.net
SIMAC Electronics GmbH
Pascalstr. 8 47506 Neukirchen-Vluyn


















