Huzhou Haidemu Intelligent Technology HDM-H16 8-Buttons System Instructions
Remote Control Functions

| Combined button function | |
| Combination Button | Function |
| When the control box is in the code matching state, hold them for 3 seconds, the buzzer will beep, and the remote is paired with the control box successfully. | |
| Hold 3 seconds, the buzzer will beep, the current position will be preset as TV position. | |
| Hold 3 seconds, the buzzer will beep, the current position will be preset as ZG position. | |
| Hold 3 seconds, the buzzer will beep, the current position will be preset as ANTI-SNORE position. | |
Detailed description
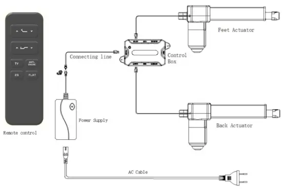
Connection and startup
- Connect the plug of control box into the actuator according to the drawing.
- Connect the control box with the SMPS with the connecting cable, and then the SMPS is powered At this time, the control box detects and automatically runs the head and feet to the flat position, then the buzzer beep and the ambient light flashes. At this time, the control box is in the code matching state.
- The code matching state of the control box lasts about 10 seconds. During this time, operate the remote control for pairing. When the buzzer beep and the ambient light goes out, it indicates that the pairing is successful; If code match is not required, the ambient light will be off after 10 seconds, indicating that the control box enters the standby state.
- When the remote control is successfully paired with the control box, it can be used normally.
Buttons description
:Click the button, the Head and Foot actuators will start up and keep running until arriving to the Memory position preset by user. Running can be stopped by clicking any button.
:Hold the button, the Head actuator will go up. Stop when released.
:Hold the button, the Head actuator will go down. Stop when released.
:Hold the button, the Foot actuator will go up. Stop when released.
:Hold the button, the Foot actuator will go down. Stop when released.
:Click the button, the Head and Foot actuators will start up and keep running until arriving to the FLAT position. Running can be stopped by clicking any button.
Other instructions
- When you press any button on the remote, the backlight of the remote will turn on for about 3 seconds and then turn off automatically.
- The control box is designed with overload protection function, and the overload protection current is 4.5A.
- Operation method of one remote controlling two beds at the same time:
- Operate the control box of the first bed according to steps 1-2 in “connection and startup”. When the control box is in the code matching state, hold the
buttons on the remote for about 3 seconds. When the buzzer beep and the ambient light goes out, it means that it is correctly paired with the control box of the first - Operate the control box of the second bed according to steps 1-2 in “connection and startup”. When the control box is in the code matching state, hold the
buttons on the remote for about 3 seconds. When the buzzer beep and the ambient light goes out, it means that it is correctly paired with the control box of the second bed.
- Operate the control box of the first bed according to steps 1-2 in “connection and startup”. When the control box is in the code matching state, hold the
- Operation method of decoupling the remote and control box:
- Release the pairing of one bed controlled by one remote:Follow steps 1-2 in “connection and startup”. When the control box is in the code matching state, hold the
button on the remote for about 3 seconds. When the buzzer beep and the ambient light goes out, the remote successfully cancels the pairing relationship with the control box. - Release the pairing of two beds controlled by one remote:Operate the control box of the first bed according to steps 1-2 in “connection and startup”. When the control box is in the code matching state, hold the
button on the remote for about 3 seconds. When the buzzer beep and the ambient light goes out, the remote control successfully cancels the pairing relationship with the two beds.
- Release the pairing of one bed controlled by one remote:Follow steps 1-2 in “connection and startup”. When the control box is in the code matching state, hold the
System connection diagram

FCC Statement
This equipment has been tested and found to comply with the limits for a Class B digital device, pursuant to part 15 of the FCC Rules. These limits are designed to provide reasonable protection against harmful interference in a residential installation. This equipment generates, uses and can radiate radio frequency energy and, if not installed and used in accordance with the instructions, may cause harmful interference to radio communications. However, there is no guarantee that interference will not occur in a particular installation. If this equipment does cause harmful interference to radio or television reception, which can be determined by turning the equipment off and on, the user is encouraged to try to correct the interference by one or more of the following measures:
- Reorient or relocate the receivingantenna.
- Increase the separation between the equipment and receiver.
- Connect the equipment into an outlet on a circuit different from that to which the receiver is connected. Consult the dealer or an experienced radio/TV technician for help.
Caution: Any changes or modifications to this device not explicitly approved by manufacturer could void your authority to operate this equipment.
This device complies with part 15 of the FCC Rules. Operation is subject to the following two conditions: (1) This device may not cause harmful interference, and (2) this device must accept any interference received, including interference that may cause undesired operation.
The device has been evaluated to meet general RF exposure requirement.
The device can be used in portable exposure condition, compliance with exposure requirements.



















