AGM1110P Angle Grinder
Instruction Manual
AGM1110P Angle Grinder


ANGLE GRINDER
AGM1110P 710W 100mm
AGM1111P 850W 100mm
AGM1112P 710W 115mm
AGM1113P 850W 115mm
AGM1114P 710W 125mm
AGM1115P 850W 125mm
Thank you for buying this FERM product. By doing so you now have an excellent product, delivered by one of Europe’s leading suppliers.
All products delivered to you by Ferm are manufactured according to the highest standards of performance and safety. As part of our philosophy we also provide an excellent customer service, backed by our comprehensive warranty.
We hope you will enjoy using this product for many years to come.
SAFETY INSTRUCTIONS
Read the enclosed safety warnings, the additional safety warnings and the instructions. Failure to follow the safety warnings and the instructions may result in electric shock, fire and/or serious injury. Save the safety warnings and the instructions for future reference.
The following symbols are used in the user manual or on the product:
| Read the user manual. | |
![]() | Denotes risk of personal injury, loss of life or damage to the tool in case of nonobservance of the instructions in this manual. |
![]() | Risk of electric shock |
| Immediately remove the mains plug from the mains if the mains cable becomes damaged and during cleaning and maintenance. | |
| Risk of flying objects. Keep bystanders away from the work area. | |
| Always wear eye protection! Wear hearing protection. | |
| Wear safety gloves. | |
| Do not press the spindle lock button while the motor is running. | |
![]() | Risk of fire. |
| Do not dispose of the product in unsuitable containers. | |
![]() | The product is in accordance with the applicable safety standards in the European directives. |
Safety Warnings Common for Grinding or Abrasive Cutting-Off Operations:
a) This power tool is intended to function as a grinder tool. Read all safety warnings, instructions, illustrations and specifications provided with this power tool. Failure to follow all instructions listed below may result in electric shock, fire and/or serious injury.
b) Operations such as sanding, wire brushing, polishing are not recommended to be performed with this power tool. Operations for which the power tool was not designed may create a hazard and cause personal injury.
c) Do not use accessories which are not specifically designed and recommended by the tool manufacturer. Just because the accessory can be attached to your power tool, it does not assure safe operation.
d) The rated speed of the accessory must be at least equal to the maximum speed marked on the power tool. Accessories running faster than their rated speed can break and fly apart.
e) The outside diameter and the thickness of your accessory must be within the capacity rating of your power tool. Incorrectly sized accessories cannot be adequately guarded or controlled.
f) Threaded mounting of accessories must match the grinder spindle thread. For accessories mounted by flanges, the arbour hole of the accessory must fit the locating diameter of the flange. Accessories that do not match the mounting hardware of the power tool will run out of balance, vibrate excessively and may cause loss of control.
g) Do not use a damaged accessory. Before each use inspect the accessory such as abrasive wheels for chips and cracks, backing pad for cracks, tear or excess wear, wire brush for loose or cracked wires. If power tool or accessory is dropped, inspect for damage or install an undamaged accessory. After inspecting and installing an accessory, position yourself and bystanders away from the plane of the rotating accessory and run the power tool at maximum no-load speed for one minute. Damaged accessories will normally break apart during this test time.
h) Wear personal protective equipment. Depending on application, use face shield, safety goggles or safety glasses.
As appropriate, wear dust mask, hearing protectors, gloves and workshop apron capable of stopping small abrasive or workpiece fragments. The eye protection must be capable of stopping flying debris generated by various operations. The dust mask or respirator must be capable of filtratingparticles generated by your operation. Prolonged exposure to high intensity noise may cause hearing loss.
i) Keep bystanders a safe distance away from work area. Anyone entering the work area must wear personal protective equipment.
Fragments of workpiece or of a broken accessory may fly away and cause injury beyond immediate area of operation.
j) Hold the power tool by insulated gripping surfaces only, when performing an operation where the cutting accessory may contact hidden wiring or its own cord.
Cutting accessory contacting a “live” wire may make exposed metal parts of the power tool “live” and could give the operator an electric shock.
k) Position the cord clear of the spinning accessory. If you lose control, the cord may be cut or snagged and your hand or arm may be pulled into the spinning accessory.
l) Never lay the power tool down until the accessory has come to a complete stop.
The spinning accessory may grab the surface and pull the power tool out of your control.
m) Do not run the power tool while carrying it at your side. Accidental contact with the spinning accessory could snag your clothing, pulling the accessory into your body.
n) Regularly clean the power tool’s air vents.
The motor’s fan will draw the dust inside the housing and excessive accumulation of powdered metal may cause electrical hazards.
o) Do not operate the power tool near flammable materials. Sparks could ignite these materials.
p) Do not use accessories that require liquid coolants. Using water or other liquid coolants may result in electrocution or shock.
Kickback and Related Warnings
Kickback is a sudden reaction to a pinched or snagged rotating wheel, backing pad, brush or any other accessory. Pinching or snagging causes rapid stalling of the rotating accessory which in turn causes the uncontrolled power tool to be forced in the direction opposite of the accessory’s rotation at the point of the binding. For example, if an abrasive wheel is snagged or pinched by the workpiece, the edge of the wheel that is entering into the pinch point can dig into the surface of the material causing the wheel to climb out or kick out. The wheel may either jump toward or away from the operator, depending on direction of the wheel’s movement at the point of pinching. Abrasive wheels may also break under these conditions. Kickback is the result of power tool misuse and/or incorrect operating procedures or conditions and can be avoided by taking proper precautions as given below.
a) Maintain a firm grip on the power tool and position your body and arm to allow you to resist kickback forces. Always use auxiliary handle, if provided, for maximum control over kickback or torque reaction during start-up. The operator can control torque reactions or kickback forces, if proper precautions are taken.
b) Never place your hand near the rotating accessory. Accessory may kickback over your hand.
c) Do not position your body in the area wherpower tool will move if kickback occurs.
Kickback will propel the tool in direction opposite to the wheel’s movement at the point of snagging.
d) Use special care when working corners, sharp edges etc. Avoid bouncing and snagging the accessory. Corners, sharp edges or bouncing have a tendency to snag the rotating accessory and cause loss of control or kickback.
e) Do not attach a saw chain woodcarving blade or toothed saw blade. Such blades create frequent kickback and loss of control.
Safety Warnings Specific for Grinding and Abrasive Cutting-Off Operations:
a) Use only wheel types that are recommendedfor your power tool and the specific guard designed for the selected wheel. Wheels for which the power tool was not designed cannot be adequately guarded and are unsafe.
b) The grinding surface of centre depressed wheels must be mounted below the plane of the guard lip. An improperly mounted wheel that projects through the plane of theguard lip cannot be adequately protected.
c) The guard must be securely attached to the power tool and positioned for maximum safety, so the least amount of wheel is exposed towards the operator. The guard helps to protect the operator from broken wheel fragments, accidental contact with wheel and sparks that could ignite clothing.
d) Wheels must be used only for recommended applications. For example: do not grind with the side of cut-off wheel. Abrasive cut-off wheels are intended for peripheral grinding, side forces applied to these wheels may cause them to shatter.
e) Always use undamaged wheel flanges that are of correct size and shape for your selected wheel. Proper wheel flanges support the wheel thus reducing the possibility of wheel breakage. Flanges for cut-off wheels may be different from grinding wheel flanges.
f) Do not use worn down wheels from larger power tools. Wheel intended for larger power tool is not suitable for the higher speed of a smaller tool and may burst.
Additional Safety Warnings Specific for Abrasive Cutting-Off Operations:
Cut-off operations are only suitable with a special protection guard (not included)
a) Do not “jam” the cut-off wheel or apply excessive pressure. Do not attempt to make an excessive depth of cut. Overstressing the wheel increases the loading and susceptibility to twisting or binding of the wheel in the cut and the possibility of kickback or wheel breakage.
b) Do not position your body in line with and behind the rotating wheel. When the wheel, at the point of operation, is moving away from your body, the possible kickback may propel the spinning wheel and the power tool directly at you.
c) When wheel is binding or when interrupting a cut for any reason, switch off the power tool and hold the power tool motionless until the wheel comes to a complete stop.
Never attempt to remove the cut-off wheel from the cut while the wheel is in motion otherwise kickback may occur. Investigate and take corrective action to eliminate the cause of wheel binding.
d) Do not restart the cutting operation in the workpiece. Let the wheel reach full speed and carefully re-enter the cut. The wheel may bind, walk up or kickback if the power tool is restarted in the workpiece.
e) Support panels or any oversized workpiece to minimize the risk of wheel pinching and kickback. Large workpieces tend to sag under their own weight. Supports must be placed under the workpiece near the line of cut and near the edge of the workpiece on both sides of the wheel.
f) Use extra caution when making a “pocket cut” into existing walls or other blind areas.
The protruding wheel may cut gas or water pipes, electrical wiring or objects that can cause kickback.
Electrical safety
When using electric machines always observe the safety regulations applicable in your country to reduce the risk of fire, electric shock and personal injury. Read the following safety instructions and also the enclosed safety instructions.
Always check that the voltage of the power supply corresponds to the voltage on the rating plate label.
Class II machine – Double insulation – You don’t need any earthed plug.
If operating a power tool in a damp location is unavoidable, use a residual current device (RCD) protected supply. Use of an RCD reduces the risk of electric shock.
MACHINE INFORMATION
Intended use
Your angle grinder has been designed for grinding masonry and steel materials without the use of water. For cutting, a special protection guard must be used (not included)
Technical specifications
| Model No | 220-240 V~ |
| Mains voltage | 50/60 Hz |
| Mains frequency | 710 W |
| Power input | N |
| Rated speed | 11.000/min |
Wheel disc for grinding
| Diameter | 100 mm | 115 mm | 125 mm |
| Bore | 16 mm | 22 mm | 22 mm |
| Spindle thread | M10 | M14 | M14 |
| Weight | 1.98 kg | 2 kg | 2.05 kg |
| Sound pressure (LPA) | 86.4 + 3 dB(A) |
| Acoustic power (LWA) | 97.4 + 3 dB(A) |
| Vibration “Surface grinding” a h,AG | 6.334 + 1.5 m/s 2 |
| Model No | AGM1111P AGM1113P AGM1115P |
| Mains voltage | 220-240 V~ |
| Mains frequency | 50/60 Hz |
| Power input | 850 W |
| Rated speed | N011.000/min |
Wheel disc for grinding
| Diameter | 100 mm | 115 mm | 125 mm |
| Bore | 16 mm | 22 mm | 22 mm |
| Spindle thread | M10 | M14 | M14 |
| Weight | 1.98 kg | 2 kg | 2.05 kg |
| Sound pressure (LPA) | 86.4 + 3 dB(A) |
| Acoustic power (LWA) | 97.4 + 3 dB(A) |
| Vibration “Surface grinding” a h,AG | 6.334 + 1.5 m/s2 |
Vibration level
The vibration emission level stated in this instruction manual has been measured in accordance with a standardised test given in EN 60745; it may be used to compare one tool with another and as a preliminary assessment of exposure to vibration when using the tool for the applications mentioned
- using the tool for different applications, or with different or poorly maintained accessories, may significantly increase the exposure level
- the times when the tool is switched off or when it is running but not actually doing the job, may significantly reduce the exposure level.
Protect yourself against the effects of vibration by maintaining the tool and its accessories, keeping your hands warm, and organizing your work patterns.
Description
The numbers in the text refer to the diagrams on pages 2-3
Fig. A
- Spindle lock button
- On/Off switch
- Protection guard
Fig. B - Spindle
- Mounting flange
- Wheel disc (not included)
- Clamping nut
- Spanner
- Side handle
Assembly
Before assembly, always switch off the machine and remove the mains plug from the mains.
Assembling the protection guard (Fig. A and B)
- Place the machine on a table with the spindle (8) facing upwards.
- Place the protection guard (3) over the machine head as shown in Figure B making sure the ridges on the protection guard fall into the notches of the machine head.
- Turn the protection guard counter clockwise and secure the guard by tightening the screw (14).
Never attempt to remove the guard.
Mounting and removing the wheel disc (Fig. B)
- Always use suitable wheel disc for this machine with diameter Ø 100 / 115 / 125 mm and a bore from 16 / 22 / 22 mm the thickness of the wheel disc should be 6 mm for wheel disc for grinding and 3 mm for wheel disc for cutting, the mounting wheel disc may not touch the safety guard.
Mounting
- Place the machine on a table with the protection guard (3) facing upwards.
- Mount the flange (9) onto the spindle (8).
- Place the wheel disc (10) onto the spindle (8).
- Keep the spindle lock button (1) pressed and firmly tighten the clamping nut (11) onto the spindle (8) by using the spanner (12).
Removing
- Place the machine on a table with the protection guard (3) facing upwards.
- Keep the spindle lock button (1) pressed and loosen the clamping nut (11) using the spanner (12).
- Remove the wheel disc (10) from the spindle (8).
- Keep the spindle lock button (1) pressed and firmly tighten the clamping nut (11) using the spanner (12).
OPERATING
Make sure that the work piece is properly supported or fixed and keep the supply cord routing away from the work area.
Switching on and off (Fig. A)
- To switch the machine on, press the On/off switch (2).
- To switch the machine off, release the On/off switch (2).
Hold the machine away from the work piece when turning it on and off because the wheel disc could damage the work piece. - Clamp the work piece firmly or use another method to ensure that it cannot move while working.
- Check the discs regularly. Worn wheel discs have a negative effect on the machine’s efficiency. Change to a new wheel disc in good time.
- Always first turn the machine off after use before removing the plug from the socket.
Deburring (Fig. C)
An angle of inclination of 30º to 40º will give the best results when deburring. Move the machine back and forth using light pressure. This will prevent the work piece from discolouring or becoming too hot and will avoid making groves.
Never use abrasive cutting discs for deburring work!
Cutting (Fig. D)
For cutting, a special protection guard must be used (not included).
Maintain firm contact with the work piece to prevent vibration and do not tilt or apply pressure and when cutting. Use moderate pressure when working, appropriate to the material that is being worked on. Do not slow down wheel discs by applying sideways counter pressure. The direction in which you want to cut is important.
The machine must always work against the direction of the cut; so never move the machine in the other direction! There is the risk that the machine will catch in the cut causing kickback and that you will lose control.
Hints for optimum use
- Clamp the work piece. Use a clamping device for small work pieces.
- Hold the machine with both hands.
- Switch on the machine.
- Wait until the machine has reached full speed.
- Place the wheel disc on the work piece.
- Slowly move the machine along the work piece, firmly pressing the wheel disc against the work piece.
- Do not apply too much pressure on the machine. Let the machine do the work.
- Switch off the machine and wait for the machine to come to a complete standstill before putting the machine down.
MAINTENANCE
Mains plug replacement (UK only)
If the moulded 3-pin plug attached to the unit is damaged and needs replacing, it is important that it is correctly destroyed and replaced by an approved BS 1363/7A fused plug and that the following wiring instructions are followed.
The wires in the mains cable are coloured in accordance with the following code:
- blue neutral
- brown live
As the colours of the wires in the mains cable of the unit may not correspond to the coloured markings identifying the terminals in the plug, proceed as follows:
- The wire which is coloured blue must be connected to the terminal which is marked with the letter N or coloured black.
- The wire which is coloured brown must be connected to the terminal which is marked with the letter L or coloured red.
Before cleaning and maintenance, always switch off the machine and remove the mains plug from the mains.
Clean the machine casings regularly with a soft cloth, preferably after each use. Make sure that the ventilation openings are free of dust and dirt. Remove very persistent dirt using a soft cloth moistened with soapsuds. Do not use any solvents such as gasoline, alcohol, ammonia, etc. Chemicals such as these will damage the synthetic components.
Replace power cords
If the supply cord is damaged, it must be replaced by the manufacturer, its service agent or similarly qualified persons in order to avoid a hazard.
Checking and replacing the carbon brushes
If the carbon brushes are worn, the machine will start to run unevenly.
Carbon brush
If the carbon brushes are worn, the carbon brushes must be replaced by the customer service department of the manufacturer or a similarly qualified person.
Only use the correct orginial type of carbon brushes.
ENVIRONMENT
Faulty and/or discarded electrical or electronic apparatus have to be collected at the appropriate recycling locations.
Only for EC countries
Do not dispose of power tools into domestic waste. According to the European Guideline 2012/19/EC for Waste Electrical and Electronic Equipment and its implementation into national right, power tools that are no longer usable must be collected separately and disposed of in an environmentally friendly way.
WARRANTY
The warranty conditions can be found on the separately enclosed warranty card.
The product and the user manual are subject to change. Specifications can be changed without further notice.
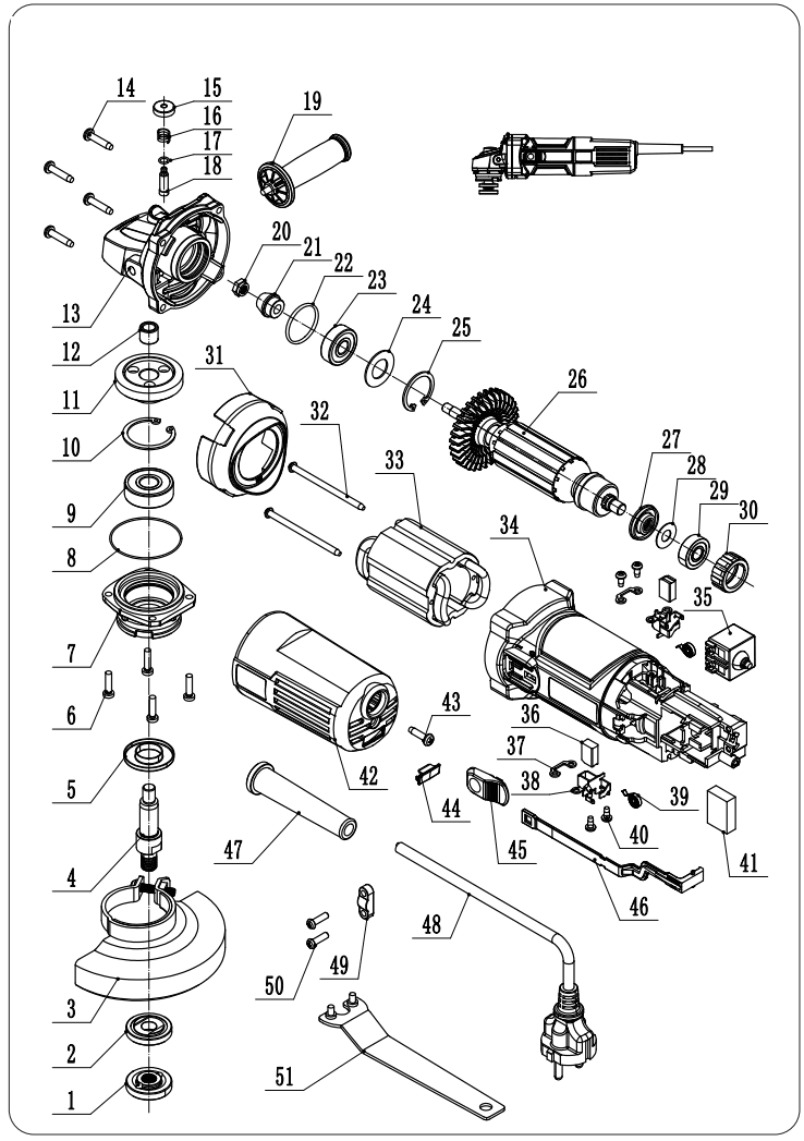
Spare parts list
AGM1110P-1115P
| Position | Description | AGM1110P 1 AGM1111P | AGM1112P I AGM1113P 1 AGM1114P 1 AGM1115P |
| 1 | Outter flange | 480997 | 480905 |
| 2 | Inner flange | 480998 | 480906 |
| 3 | Guard | 480999 | 480907 481000 |
| 4 | Spindle | 481072 | 480908 |
| 5 | Dustproof spacer | 480909 | |
| 6 | Screw M4x16 (4 pcs) | 480910 | |
| 7 | Front cover | 480911 | |
| 8 | 0 ring 46×1 mm | 480912 | |
| 9 | NSK bearing 6201 | 481001 | |
| 10 | Circlip 32mm | 480914 | |
| 11 | Big gear | 480915 | |
| 12 | Needle bearing HK0810 | 480916 | |
| 15 | Spindle lock cap | 480919 | |
| 16 | Spindle lock spring | 480920 | |
| 17 | 0 ring 6x4x1mm | 480921 | |
| 18 | Spindle lock pin | 480922 | |
| 19 | Auxilary handle M8 screw | 481002 | |
| 21 | Pinion gear | 480925 | |
| 23 | NMB Bearing 629 | 481003 | |
| 26 | Rotor | 481004 I 480930 I 481004 I 480930 I 481004 I 480930 | |
| 27 | Dustproof ring | 480931 | |
| 28 | Bearing spacer 18×8.2×0.5mm | 480932 | |
| 29 | NSK bearing 608 | 481005 | |
| 30 | Bearing sleeve 608 | 480934 | |
| 31 | Deflector | 480935 | |
| 33 | Stator | 481006 I 480937 I 481006 I 480937 I 481006 I 480937 | |
| 35 | Switch | 481007 | |
| 36 | Carbon brush (2pcs) | 480940 | |
| 37 | Insulating sheet (2pcs) | 480941 | |
| 38 | Carbon brush holder (2 pcs) | 480942 | |
| 39 | Coil spring (2pcs) | 480943 | |
| 45 | Switch button | 480949 | |
| 46 | Switch bar | 480950 | |
| 51 | Wrench | 480955 | |
Exploded view
AGM1110P/ AGM1111P / AGM1112P / AGM1113P/ AGM1114P/ AGM1115P

DECLARATION OF CONFORMITY
We declare under our sole responsibility that this product is in conformity with directive 2011/65/EU of the European parliament and of the council of 8 June on the restriction of the use of certain hazardous substances in electrical and electronic equipment is in conformity and accordance with the following standards and regulations:
EN 60745-1, EN 60745-2-3, EN 55014-1, EN 55014-2, EN 61000-3-2, EN 61000-3-3,
2006/42/EC, 2011/65/EU, 2012/19/EU, 2014/30/EU
Zwolle, 01-04-2021
H.G.F Rosberg
CEO FERM
2104-23
WWW.FERM-INDUSTRIAL.COM
©2021 FERM





















