THERMAL EDGE NE010 59 Hz Air Conditioner

Title: NE010 & NE015 59 Hz Air Conditioner User & Technical Manual
Department: Engineering
Objective: To provide important information for maintenance, diagnostics and advance operations of the Thermal Edge NE010 & NE015 Series Air Conditioners.
Revision History:
| Rev | Date | Owner | Description of Changes |
| 1.0 | 02-22-17 | B. Slotnick | Initial Release |
| 1.1 | 07-03-17 | B. Slotnick | Changed Outdoor Option to Remote Controller |
| 1.2 | 08-31-17 | B. Slotnick | Updated replacement temperature probe information |
| 1.3 | 10-05-17 | B. Slotnick | Added replacement parts to warranty statement & new label template |
| 1.4 | 05-11-18 | B. Slotnick | Updated warranty & RMA procedure |
| 1.5 | 09-04-18 | B. Slotnick | Revised minimum anti-short cycle delay & updated Remote Controller option description |
| 1.6 | 10-01-18 | B. Slotnick | Updated warranty & unit specifications |
| 1.7 | 02-19-19 | B. Slotnick | Updated mounting instructions, alarm settings & RMA procedure |
| 1.8 | 04-04-19 | B. Slotnick | Added neutral power designation to schematic. |
| 1.9 | 06-19-19 | B. Slotnick | Updated preliminary testing instructions, compressor protection default setting & field serviceable parts |
| 2.0 | 08-16-19 | B. Slotnick | Updated preventative maintenance & warranty information |
| 2.1 | 06-02-20 | B. Slotnick | Updated System Faults, Alarm Signals & Warranty |
| 2.2 | 12-12-22 | L. Biru | Updated electrical schematic |
Statement of Confidentiality
The Manual and other materials contain proprietary information, comprising Thermal Edge Inc.’s trade secrets. Please maintain the confidentiality of all proprietary information during and after the term of the use agreement. Also, please refrain from using this proprietary information in any other manner, including in any other business, without Thermal Edge Inc.’s written approval.
Thermal Edge Inc. reserves the right to revise and otherwise modify the Manual to reflect changes in the requirements, standards, and operating recommendations. The Manual is the sole property of Thermal Edge Inc. It must be returned upon the expiration or the termination of the term of use agreement.
By accepting the Manual you have read and understand the Statement of Confidentiality and will abide by its terms and conditions..
Overview
Thank you for your purchase of the Thermal Edge Special Purpose Air Conditioner. Our air conditioning equipment is carefully designed to cool and dehumidify the air in electronic component enclosures. Thermal Edge has designed air conditioners for all types of electronic equipment enclosures providing capacity from 1,000 to 20,000 BTUH.
This manual will guide you through the installation, maintenance, diagnostics and advance operations of the NE010 & NE015 Series Air Conditioners. This manual contains important information for the end-user who installs, maintains and/or operates the NE010 & NE015 Air Conditioner.
Technical Support
By Phone: 972-580-0200 / 888-580-0202
(Monday – Friday, 7:30 am – 5:00 pm Central Time)
By Email: [email protected]
Our goal is to have continuous improvement for both our equipment and our documentation. We rely and appreciate your feedback to help us achieve our goal. Our technical support team is glad to work with you if you require additional technical information not provided in this manual.
Inspecting the Equipment
Thermal Edge air conditioning equipment is designed, manufactured and packed to prevent damage from normal handling, shock and vibration during shipment. It is necessary to inspect your equipment upon receipt to ensure that there is no visual or hidden damage.
Upon receipt of the equipment, ensure that it is always top side up as indicated by “THIS SIDE UP” labels. This ensures that the compressor oil is not displaced.
Note: If the equipment has been on its side it must be put upright for at least 24 hours before installing or running to ensure the compressor oil has returned to the compressor.
All physical damage to packing or signs of damage to the equipment must be noted on the freight bill of lading. Packages must be opened after receipt and inspected for any internal or concealed damage to the equipment and to verify proper count and order fulfillment. Delivery of without the pallet, not top side up, other freight on top, damaged or wet should be refused.
Unpacking the Air Conditioner
Always keep air conditioner top up as shown by the packaging label and arrows. If the unit is to be transported after initial unpacking, place air conditioner back in original packing to prevent damage.
For shipment by UPS or freight carrier, repack as received and re-band to the pallet.
Note: Shipping without being strapped to the pallet may result in tipping and damage, this will void the warranty.
Read this section completely before running or installing your Thermal Edge air conditioning equipment.
Note: You will need to perform a Preliminary Test before mounting the air conditioner. Refer to the Preliminary Test section in this manual for instructions on how to run this test. You will also need to prepare the enclosure that is to be cooled for mounting in accordance with this manual and the template supplied.
Note: Thermal Edge air conditioning equipment must be mounted vertically with a minimum of 3” air space for condenser air return and supply. If necessary, equipment may be mounted at up to a 5 degree angle (rotary compressors) without damaging the compressor.
If air conditioner is to be shipped or transported at any time; pack in original packaging and strap to pallet to prevent damage. Air conditioner must be kept upright at all times. Air conditioners are not designed to be shipped attached to an equipment enclosure. Air conditioners shipped which have internal damage due to shipping while attached to enclosures are warranty voided.
Unit Label
Each air conditioner has a unit label, be sure to record the data from the label to the template below and keep this information in a safe place for warranty and ordering parts. To prevent damage to equipment, electrical panel and wiring, and to prevent personal injury, assure that the power source is compatible with the equipment before operating. When recharging, refrigeration type and amount must be the same as shown on the unit label or air conditioner will not operate properly or may be damaged and may result in the warranty voided and UL listing voided.
- Voltage:_________________
- Frequency:__________
- Hz Phase:__________
- Current Rating (A): Cooling:___________
- Heat:___________
- Max Fuse:____________
- Min. Circuit Ampacity:________
- Refrigerant:______________
- Ounces:_______________
- Design Pressure: High Side PSI:__________
- Low Side PSI:__________
- NEMA Type:______
- IP:______
- Model:________________________________________
- S/N:__________________________________________
Operation
Thermal Edge air conditioners will lower (or increase as necessary) the temperature inside an enclosure to ensure its proper operational temperature. Our air conditioners, when sized properly, will provide cooling or heating automatically controlled by the temperature digital controller.
Thermal Edge air conditioners operate as a “closed loop” system with no exposure or introduction of outside air. This ensures that the enclosure is separated from and is not contaminated with ambient air, dirt, chemicals, dust, moisture or foreign matter so that sensitive enclosure components are protected and are kept at your required operational temperature.
An air conditioner is designed to dehumidify and extract heat from an area, or provide heat to an area. The cooling is done using a simple refrigeration cycle. A product of this simple refrigeration cycle is excess humidity that condenses to a liquid.
Thermal Edge air conditioners are designed using an advanced refrigeration cycle and are equipped with a Condensate Removal System that changes the excess humidity liquid into a vapor which is then vented to the atmosphere. In the event of excess water vapor where the enclosure door has been left open there is an overflow hole on the bottom of every unit. Please contact Thermal Edge Inc. if you encounter excess water coming from your air conditioner.
Preliminary Testing
Before mounting the air conditioner to the enclosure, test for proper operation. Follow the steps below prior to installation.
WARNINGS
The air conditioner must sit upright for 24 hours to assure the compressor oil has drained down to the compressor. Check the unit label to assure the electric power available to the air conditioner is the proper voltage and phase. Check the electric power source for proper ground wire and neutral wire installation per 2008 NEC. Assure that the electric power is protected by a circuit protection device; refer to the Unit Specification section in this manual for proper circuit protection sizing.
- Connect a power source to the air conditioner and turn on the power switch. The evaporator fan will start and the digital controller will power up. If cooling is called for, the compressor will start in 3 minutes.
- If desired, change the cooling set point. Refer to Digital Temperature Controller Programming section on this manual for details on changing the set point. Factory default settings should be satisfactory; however you may want to adjust heat, cooling and alarm set points for your specific application.
- The condenser fan is controlled by the refrigerant high heat pressure and will turn on later when the operating pressure builds up. This feature allows low ambient operation and reduces current inrush at initial power on.
- Run the air conditioner for 15 minutes; during this time the condenser fan will turn on after the condenser coil warms up. Note: Ambient Temperature must be at least 75°F.
- Turn the unit off if the equipment makes any unexpected or hard mechanical noises or vibrations and refer to the troubleshooting guide in this manual.
- The supply cold air should be at least 10°F colder than the return air entering the unit. If it is not, refer to the troubleshooting guide in this manual;
- When you are satisfied that the unit is operating properly, turn unit off, disconnect the power and mount the unit on the enclosure in accordance with the Mounting the Air Conditioner section in this manual.
Mounting the Air Conditioner
Using the template supplied, determine where the air conditioner is to be mounted and assure that all required cuts and holes will not interfere with or damage the enclosure or its contents. Assure that there is a 3” clearance between walls / obstructions and the air conditioner for the condenser supply air and return air flow so that it is not restricted. Restricted condenser air flow will affect the air conditioner’s performance. Mount the air conditioner high on the enclosure in order to cool the hot air in the top of the enclosure. Position the unit where the cold air can circulate across the width of the enclosure to cool it all the way across.
Once proper mounting placement is determined, turn the enclosure equipment off, if possible, to prevent damage. Drill and cut the holes as indicated on the mounting template. Install insulation gasket as required to ensure an air tight closed loop seal. Be cautious not to let any cutting debris fall into the enclosure.
Hang the air conditioner on the Easy Hang Tabs and from inside the enclosure use the fasteners supplied to attach the air conditioner to the enclosure. Screw all fasteners hand tight. Then torque to 96 in-lbs. These fasteners should be checked periodically to ensure that they have not become loose due to vibration.
The air conditioner is provided with a power cord or a power terminal block. Ensure that the power supplied is compatible with the air conditioner’s power requirements. Properly connect the unit to a power circuit that meets the equipment requirements and provide a circuit protection device based on the Unit Specifications section of this manual. See Appendix A for Phoenix Contact power connector instructions.
After mounting the air conditioner, replace/close the enclosure door and start air conditioner; test for air leaks to assure a proper closed air loop seal and run test the unit to assure proper operation after mounting. If any cold air leaks are found, check for proper mounting and apply silicone-free Lexel seal if leaks persist. Assure that the air conditioner’s condenser inlet air filter is installed properly and cleaned regularly.

CAUTION
If mounting the air conditioner to the enclosure door, confirm with the enclosure manufacturer that the door’s hinges will support the air conditioner’s added weight (see equipment specifications). Ensure that when the door is fully open that the enclosure will not topple over due to the off-center load.
Unit Specifications
The following table provides electrical and refrigeration specifications for the NE010 and NE015 50 Hz Series Air Conditioners.
NE010 50 Hz Series
- Nominal Capacity Rating: 1,000 BTUH
- Standard Maximum Ambient: 125°F
- Unit Weight: 100VAC – 51lbs, 200VAC – 53lbs
|
Model | Operating Voltage Range
(Volts) | Inrush Current (Start Up Current)
(Amps) | Loading Current (Running Current)
(Amps) | SCCR (Short Circuit Current Rating)
(Amps) | Recommended Fuse Selection
(Amps) | KVA Rating | Refrigerant Type | Refrigerant Amount
(ounces) | Low/High Unit Pressures
(psi) |
| NE010105 | 90-110 | 12.1 | 2.3 | *2 | 4 Amp Class CC, CCMR Time Delay * | 0.3 | R134a | 4.0 | 68 / 172 |
| NE010205 | 180-220 | 12.2 | 1.9 | *2 | 3.2 Amp Class CC, CCMR Time Delay * | 0.4 | R134a | 4.0 | 56 / 199 |
* HACR Type Circuit Breakers or Time-delay Fuses with the following electrical characteristics are recommended. Fast-acting fuses are not recommended.
| % of Ampere Rating | Opening Time |
| 110 % | 15min Minimum |
| 125 % | 1hr Maximum |
| 200 % | 12sec Minimum 4min Maximum |
*2 SCCR rating is based on the SCCR rating for the circuit protection device installed in the panel / enclosure per UL50 & UL508a to protect the AC unit. Typically 100KA – 200KA for Time-Delay Fuses.
NE015 50 Hz Series
|
Model | Operating Voltage Range
(Volts) | Inrush Current (Start Up Current)
(Amps) | Loading Current (Running Current)
(Amps) | SCCR (Short Circuit Current Rating)
(Amps) | Recommended Fuse Selection
(Amps) | KVA Rating | Refrigerant Type | Refrigerant Amount
(ounces) | Low/High Unit Pressures
(psi) |
| NE015105 | 90-110 | 12.2 | 2.4 | *2 | 4 Amp Class CC, CCMR Time Delay * | 0.3 | R134a | 7.75 | 76 / 178 |
| NE015205 | 180-220 | 11.6 | 1.9 | *2 | 7 Amp Class CC, CCMR Time Delay * | 0.4 | R134a | 7.75 | 61 / 206 |
- Nominal Capacity Rating: 1,500 BTUH
- Standard Maximum Ambient: 125°F
- Unit Weight: 100VAC – 51lbs, 200VAC – 53lbs
* HACR Type Circuit Breakers or Time-delay Fuses with the following electrical characteristics are recommended. Fast-acting fuses are not recommended.
| % of Ampere Rating | Opening Time |
| 110 % | 15min Minimum |
| 125 % | 1hr Maximum |
| 200 % | 12sec Minimum 4min Maximum |
*2 SCCR rating is based on the SCCR rating for the circuit protection device installed in the panel / enclosure per UL50 & UL508a to protect the AC unit. Typically 100KA – 200KA for Time-Delay Fuses.
Options
The NE010 and NE015 Series Air Conditioners may be ordered with the following options. Review the list below for the specifications and functions of the option(s) that apply to your unit.
Low Ambient
This option consists of circuitry to protect the compressor in a low ambient temperature environment. The low ambient package is designed to provide an optimum constant low current in the compressor motor during the non cooling state. This option provides internal heat to the compressor to protect it from stalls and hard starts during long periods of compressor off state.
Dry Contact
This option provides an early warning capability to your enclosure to aid in the protection of your expensive equipment. The Dry Contact is programmed with an individual dry contact set point to monitor the enclosure temperature limit that you require. When the enclosure temperature has exceeded the maximum limit, the Form C gold plated contact will activate to notify you that there is a problem in achieving your cooling set point.
Default Settings:
- 105°F Dry Contact High Temperature Alarm Set Point
- 2°F Recovery Differential
- 3min Temperature Alarm Delay
At the default settings the Dry Contact initial conditions are normally open and/or normally closed. When the unit is powered on and the temperature exceeds 105°F for a period longer than 3 minutes the Dry Contact will activate. At this time the normally open contact will close and the normally closed contact will open. This state will remain until the temperature has decreased to 103°F.
Note: The dry contact is not a power status indicator, rather a high temperature alarm alerting you that the unit is unable to meet the cooling set point.
Refer to Advanced Digital Temperature Controller Programming section on page 8 for details on changing these parameters.
Celsius Programming
Celsius Programming option allows the user to control the Thermal Edge Air Conditioner in SI units. This feature can be programmed into the digital temperature controller at time of manufacturing.
External Heat Output
This option allows you to add an external heater to be located anywhere in your enclosure. These external heaters are ideal for focusing on individual sections of the enclosure without having a large capacity Built-in Heater.
External Heater capacities available are 100 Watt, 150 Watt, 200 Watt, 250 Watt, 300 Watt,
400 Watt, 550 Watt, 650 Watt & 950 Watt
Default Settings:
- 55°F Heat Set Point
- 3°F Differential
At the default settings the heater output turns on at 52°F and operates until the temperature has reached 55°F. Refer to Advanced Digital Temperature Controller Programming section on this manual for details on changing these parameters.
Special Programming
All Thermal Edge Air Conditioners have a Special Programming option for selecting unique pre in programmed settings for special requirements. Although most parameters are accessible in our digital controller, this option allows you to receive a unit preset to your requirements without the need to manually configure the unit. Refer to Advanced Digital Temperature Controller Programming section for details on all default settings.
High Ambient
Most of our air conditioners have capabilities for high ambient application upgrades from our Standard Maximum Ambient temperature of 125°F. With this option we can optimize the Air Conditioner during manufacturing to achieve improved performance at high ambient conditions.
Open Door Kill Switch
This option provides you with an adjustable and mountable safety switch for your electronics enclosure. This switch will disable power to the air conditioner when your electronics enclosure door is open allowing you to work on your enclosure without the risk of unintentionally powering the unit.
Adjustable Temperature Probe
The adjustable temperature probe provides you with a 12’ temperature probe that can be installed anywhere in your enclosure. This allows you to have the flexibility to monitor and maintain the temperature at any specific location of your enclosure.
Ethernet/IP Controller Output
This option provides the ability to communicate with the Thermal Edge Air Conditioner controller via the Ethernet/IP protocol. You can monitor and control all settings from a remote location with a PLC.
Full specifications will be provided with this option. For full details refer to the Ethernet/IP Option Specifications included with the Air Conditioner.
Remote Controller
When having our Programmable Digital Controller mounted on the face of our Air Conditioner does not fit your application, Thermal Edge offers the Remote Controller option. This option moves the controller into your enclosure using a 10’ cable along with a universal, 16 gauge powder coated steel mounting bracket. The Air Conditioner will have no openings on the face of the unit. Below is a partial schematic showing the Remote Controller option wiring connections to the digital controller.

Note: The Remote Controller option is required for high pressure wash-down applications.
System Faults
If any of the critical control parameters exceed limits, the compressor is turned off and an alarm condition is indicated on the front panel.
There are three main conditions that can shut the AC compressor down:
- The condenser high temperature alarm
- The evaporator coil alarm
- The compressor thermal overload
In the event that the condenser coil overheats, a condenser high temperature alarm, HA2, will flash on the display of the digital temperature controller and the compressor will turn off after a 3 minute time delay.
In the case that the evaporator coil ices up or there is a leak, an evaporator coil alarm, CA, will flash on the display of the digital temperature controller and the compressor will turn off after a 2 minute time delay.
A thermal overload protects the compressor against faults. In the event that the snowflake status LED is on, but is not flashing, and the compressor is not running, an internal fault may have occurred. Refer to the Troubleshooting Guide in this manual.
Digital Temperature Controller Programming
For the end user this section will provide all the necessary information to view and change all functions and parameters available to you.
HOW TO SEE THE SETPOINT……..
- Press and immediately release the SET key. The display will show the setpoint value.
- Press and immediately release the SET key or wait for 15 seconds to display the enclosure temperature again.
HOW TO CHANGE THE SETPOINT……..
- Press the SET key for more than 2 seconds to change the setpoint value.
- The value of the setpoint will be displayed and the “F” LED starts blinking.
- To change the SET value, press the UP or DOWN arrow key within 15 seconds.
- To store the new setpoint value, press the SET key again or wait 15 seconds.
Note: The set value is stored even when the procedure is exited by waiting for the time -out to expire.
HOW TO ACCESS HIDDEN MENU 1……..
- Enter the Programming mode by pressing the SET + DOWN arrow keys simultaneously for 3 seconds. The “F” LED starts blinking.
- Select the required parameter by pressing the UP or DOWN arrow key. Press the SET key to display its value.
- Use the UP or DOWN arrow key to change its value.
- Press SET to store the new value and move to the following parameter.
To exit: Press SET + UP arrow keys or wait 15 seconds without pressing a key.
Note: The set value is stored even when the procedure is exited by waiting for the time-out to expire.
HOW TO ACCESS HIDDEN MENU 2……..
- Enter the Programming mode by pressing the SET + DOWN arrow keys simultaneously for 3 seconds. The “F” LED starts blinking.
- Release the keys, then push the SET + DOWN arrows keys simultaneously, again for more than 7 seconds.
The Pr2 label will be displayed immediately followed by the HY parameter. - Select the required parameter by pressing the UP or DOWN arrow key. Press the SET key to display its value.
- Use the UP or DOWN arrow key to change its value.
- Press SET to store the new value and move to the following parameter.
To exit: Press SET + UP arrow keys or wait 15 seconds without pressing a key.
Note: The set value is stored even when the procedure is exited by waiting for the time -out to expire.
HOW TO LOCK THE KEYPAD……..
- Press and hold the UP and DOWN arrow keys simultaneously for more than 3 seconds.
- The POF message will be displayed and the keyboard will be locked.
At this point, it will be possible only to see the setpoint or the MAX or MIN temperature stored. - If a key is pressed for more than 3 seconds the POF message will be displayed.
HOW TO UNLOCK THE KEYPAD……..
- Press and hold the UP + DOWN arrow keys simultaneously for more than 3 seconds until the Pon message is displayed.
Functions and Parameters
| Function | Operation | Parameter | Menu Location | Factory Default | Operating Range | Unit |
| Cooling Setpoint | Set Desired Cooling Temperature | SET | Main | 90 | 70 – 95 | °F |
| Cooling Differential | Control Hysteresis | Hy | Hidden Menu 1 | 5 | 1 – 45 | °F |
| Compressor Protection | Anti-short cycle delay (Do not set to less than 3 minutes.) | AC | Hidden Menu 2 | 3 | 3 – 50 | min |
|
Probed Displayed | Select Display Probe P1 – Enclosure Temperature P2 – Condenser Temperature |
Lod | Hidden Menu 2 |
P1 |
P1 / P2 |
N/A |
| Auxiliary Setpoint | Setpoint for Dry Contact *1 / Heater | SAA | Hidden Menu 2 | 105 / 55 | -67 – 302 | °F |
| Function | Operation | Parameter | Menu Location | Factory Default | Operating Range | Unit |
| Auxiliary Differential | Heater or Dry Contact Hysteresis *1 | Shy | Hidden Menu 2 | 3 | 1 – 45 | °F |
| Maximum Temperature Alarm | Alerts with “HA” when maximum temperature has been exceeded | ALU | Hidden Menu 2 | 105 | 45 – 302 | °F |
| Minimum Temperature Alarm | Alerts with “LA” when minimum temperature has been exceeded | ALL | Hidden Menu 2 | 45 | -67 – 105 | °F |
Note: When both Heater and Dry Contact options are included, these parameters only control Heater Settings. Dry Contact is controlled by ALU.
Alarms Signals
| Message | Cause | Actions |
| “P1” | Enclosure Probe Failure | Start and stop of the compressor after 15 minute intervals *2 |
| “P2” | Condenser Probe Failure | No Action/Alarm Only *2 |
| “HA” | Maximum Temperature Alarm: P1 > 105 °F for 3 minutes (after initial 30 min. startup delay) | Activate Dry Contact Relay |
| “LA” | Minimum Temperature Alarm: P1 < 45 °F for 3 minutes (after initial 30 min. startup delay) | No Action/Alarm Only *2 |
| “HA2” | Condenser High Temperature Alarm: P2 > 153 °F for 3 minutes | Compressor turned Off by pressure switch if temperature continues to rise *2 |
| “LA2” | Condenser Low Temperature Alarm: P2 < 50 °F for 3 minutes | No Action/Alarm Only *2 |
| “CA” | Evaporator Coil Alarm: Low Pressure for 2 minutes | Compressor Off *2 |
| “noP” | Invalid Probe Selected: Low Evaporator Coil | No Action/Alarm Only |
Note: When both Heater and Dry Contact options are included, Dry Contact (Alarm Contact) Relay is activated.
ALARM RECOVERY……..
If the compressor is turned off due to an alarm, it will be able to restart after the AC anti short-cycle time delay. (Parameter AC = 3 minutes)
Probe alarm P1 is cleared with no time delay after the fault is cleared.
Probe alarm P2 starts and stops with no time delay.
Temperature alarm HA automatically clears as soon as the temperature returns to below 105°F (the ALU setpoint) -2°F = 103°F. Temperature alarm LA automatically clears as soon as the temperature returns to above 45°F (the ALL setpoint) +2°F = 47°F. Temperature alarm HA2 automatically clears as soon as the condenser coils temperature returns to below 153°F. Temperature alarm LA2 automatically clears as soon as the condenser coils temperature returns to above 60°F. Temperature alarm CA automatically clears as soon as the pressure returns to normal.
Preventative Maintenance
Air conditioners require regular cleaning of the condenser air inlet filter. Wash filter often if washable using proper cleaning compound and back flushing the dirt out, or replace if not washable whenever it appears physically dirty. Restriction to the flow of air over the condenser coil will degrade the performance of the equipment, cause it to overheat, reduce cooling and can damage the compressor. The overload switch in the compressor may cause the compressor to cycle if the condensing coil pressure becomes too high due to air restriction. A further safety feature is the refrigerant high pressure cut off switch which will stop the compressor if the condensing pressure becomes too high due restricted condenser air flow or some other cause.
Restricted air flow due to neglecting a dirty filter will cause unit to repeatedly turn off and then turn back on after it cools off. An operation in this safety cycling mode will eventually damage the equipment and void the warranty.
Refer to Field Serviceable Parts section in this manual for details on parts that can be changed to help increase the uninterruptable life of the Air Conditioner.
Air Filter Service
Remove the air conditioner filter and wash if washable or replace if not washable. Dry thoroughly before replacing. THERMAL EDGE Air Filter Treatment Spray in aerosol cans or spray bottle is recommended to enhance air filter efficiency. Replacement filters are readily available from THERMAL EDGE Customer Service. DO NOT operate the air conditioner without the air filter. Such operation will allow the condenser coil to become dirty and lose efficiency, causing overheating and diminished cooling capacity. Periodically remove dust from the components inside the condenser section of the air conditioner with a compressed air blower Very dirty condensing coils must be back-flush cleaned using proper commercial coil cleaning compounds and thorough back-flush rinsing. Refer to directions on the cleaning compounds selected. Acid wash is not recommended as it reduces the life of the coil.
Note: Do not use solvents to clean the programmable thermostat. Wipe with mild soap and water.
Condenser and Evaporator Fans
Thermal Edge air conditioners use high efficiency, long life, sealed ball bearing fans engineered for optimum performance that require no maintenance. Keep fan blades clean for optimal performance. Fans are removable and attached by plug in connections.
Compressor
Thermal Edge uses hermetically factory sealed compressors that are quiet, low vibration and are maintenance free. Thermal overload devices are installed to protect the compressor from damage due to overheat and short cycle faults. If the compressor thermal overload fails, it is recommended to return the unit to Thermal Edge customer service for proper replacement. Note that the rotary compressor runs with compressed refrigerant gas on the outer case and therefore is hot to the touch.
Loss of Refrigerant
Thermal Edge air conditioners are meticulously leak and run tested after assembly. If a leak in the system should develop due to shipping damage or mechanical vibration, the leak must be detected, repaired and the refrigerant charge restored to the system by a qualified refrigeration professional. If pressure gauges are connected to the hermetic system, be prepared to replace lost refrigerant resulting from connection and disconnection. It is recommended to use stubby gauges with low loss fittings to minimize refrigerant loss.
Field Serviceable Parts
Thermal Edge carefully designs and selects components with the maximum life expectancy. Due to OEM manufacturing tolerances, poor unit maintenance or extreme operating conditions, components may fail before their maximum life expectancy. The table below lists parts that are serviceable in the field by an Air Conditioner Technician.
| Part Description | Thermal Edge Part # |
| Digital Controller | 52110-1 for 100VAC 52112-1 for 200VAC 52111-1 for 100VAC w/ both Dry C and Heater 52111-2 for 200VAC w/ both Dry C and Heater |
| Low Pressure Switch | 38151-1-3 |
| High Pressure Switch | 38181-1-3 |
| Condenser Fan Cut-In Pressure Switch | 38006-1-3 |
| Temperature Probe, 0.25m | 52126-1 |
| Temperature Probe, 1.5m | 52126-2-2 |
| Temperature Probe Mounting Clip | 52126-250C |
| Thermal Expansion Value TXV | 32023-1 |
| Compressor | 31511-1 for 100VAC 31512-1 for 200VAC |
| Gasket Installation Kit | 71300-N115 |
| Evaporator Fan | NE010: 41003-1-1 for 100VAC, 41003-2-2 for 200VAC NE015: 41004-1-2 for 100VAC, 41004-2-2 for 200VAC |
| Condenser Fan | 41025-1-1 for 100VAC, 41025-2-1 for 200VAC |
| Filter Media | 44200 (12 pack) |
Safety Information
Unit is carefully designed to restrict access to movable parts to minimize any potential injury. This Air Conditioner has been tested by UL to meet the safety requirements of the UL484 specification. When working with the Thermal Edge Air Conditioner always makes sure shroud is installed. Verify proper voltage is applied to unit as specified in the UL label of the Air Conditioner. In the event of a field service repair, power down unit using the power on/off switch and disconnect power from unit. It is always recommended to use a licensed Air Conditioner Technician for internal diagnostics and repairs issues.
Contact Thermal Edge technical support for further details on opening the unit and troubleshooting tips.
Troubleshooting Guide
The following guide provides a flow chart to identify a problem, determine the root cause and identify the action needed to correct an issue.






Physical Dimensions


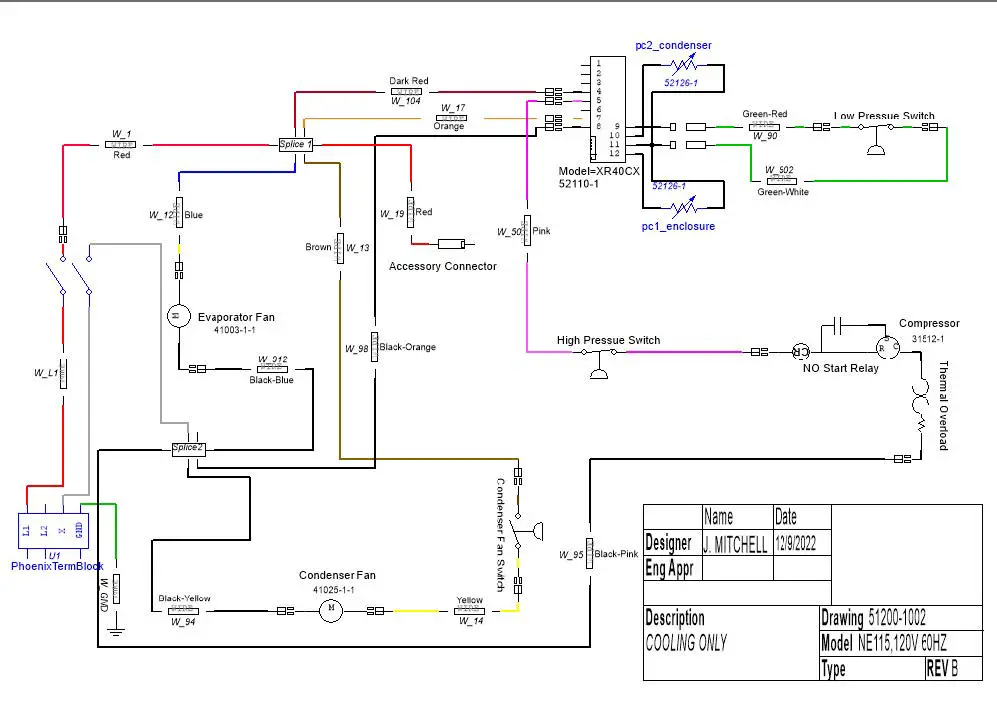
Electrical Schematics
System Schematic

Digital Controller Schematic

Note: Schematics apply to all voltages; optional accessories wiring not provided in this document. If you require electrical schematic with options contact our technical support and provide your model number.
Warranty Information
Thermal Edge products are warranted to be free of defects in workmanship, materials and components. The warrant y period applies from date of shipment for five years. Replacement components have a one year warranty period, except for hermetic system components, which have a 90 day warranty period.
The above warranty applies when the equipment is operated under the following conditions:
- Ambient temperature not in excess of performance rating in normal atmosphere or as stated on product nameplate
- Voltage variation within limits stated in User & Technical Manual
- Frequency variation no greater than ± 3Hz from nameplate rating
- Maximum cooling load no higher than air conditioner nameplate rating
- Waiting five minutes before restarting air conditioner after intentional or accidental shutoff
- Compliance to all other installation, maintenance and operating instructions, as supplied
Thermal Edge cannot assume responsibility for misapplication of its products or the erroneous selection of an inappropriate product by a non-authorized Thermal Edge representative. Our applications engineers will gladly assist in the selection of the proper product provided all required details of the application are furnished.
Thermal Edge assumes no liability beyond the repair or replacement of its own product. This Warranty does not cover:
- Labor or reimbursement of labor for evaluation, removal, installation, repair, or cost of any warranted part, except at the Thermal Edge factory in Dallas, Texas
- Use of equipment for other than its designed purpose or operating conditions
- Operation in harsh, oily, corrosive or other abnormal environmental conditions, without the proper filtration, sealing, protective coatings and/or weather protection, or cosmetic corrosion that does not affect operation
- Damage to hermetic system resulting from continuous operation with dirty or clogged air filters or improper or negligent maintenance
- Use of refrigerant other than designated
- Customer modification or abuse
- Shipping damage or other accident
- Repair or service by unauthorized personnel.
Thermal Edge must be notified of a claim in writing not later than fourteen (14) days from the date when buyer has become aware of such occurrence, or immediately, when the defect is such that it may cause damage.
If air conditioner is to be shipped or transported at any time, it is best to pack in original packaging and strap to pallet to prevent damage. Air conditioner must be kept upright at all times. Air conditioners that have internal damage due to shipping are not covered under the Warranty. Claims for shipping damage are the responsibility of the Consignee. Damage must be noted on Bill of Lading at time of receipt. Timely claims must be filed with the freight carrier.
The purchaser assumes the responsibility of grounding the unit and installing it in accordance with local electrical and safety codes, as well as the 2008 National Electric Code (NEC) and OSHA.
THIS WARRANTY CONSTITUTES THE ENTIRE WARRANTY WITH RESPECT TO THE PRODUCT AND IS IN LIEU OF ALL OTHERS, EXPRESSED OR IMPLIED, INCLUDING ANY WARRANTY OF MERCHANTABILITY AND WARRANTY OF FITNESS FOR A PARTICULAR PURPOSE AND IN NO EVENT IS THERMAL EDGE RESPONSIBLE FOR ANY CONSEQUENTIAL DAMAGES OF ANY NATURE WHATSOEVER.
Return Material Authorization (RMA) Procedure
All returns require a Return Material Authorization (RMA) number for warranty or non-warranty repair, rotation of stock, damage or any other reason.

IMPORTANT
Returns without an RMA number will be refused and returned. Improper packaging may void warranty. Air Conditioners shipped laying down will void the warranty. Collect shipments will be refused. Returns received after 30 days will be refused and RMA will be canceled.
Please be ready to provide:
- Purchase Order Number & Date
- Product Description & Reason for Request
- Model Number & Serial Number
- Customer name and contact info (email, phone number and address)
- Shipping method
Pack unit in a suitable packing for shipment, preferably the original packaging if available.
- Air Conditioners must be returned in an upright position properly secured to a pallet.
- Tip unit to empty water from the evaporator and boil off pans.
- Clearly mark the RMA number on the box.
- Customer will pay all freight charges.
Out of Warranty Repair
If your Thermal Edge air conditioner is out of warranty and requires repair, simply call Thermal Edge Customer Service at (888)-580-0202 for an RMA number. Customer Service will help you determine what repairs or parts are needed and, if possible, an estimate of the cost.
After the unit is received and diagnosed, you will receive a cost estimate on the work and parts needed. The repairs and test process may uncover other issues of which you will be informed and given quotes for the work needed.
Appendix A
Phoenix Contact Power Connector Instructions
Scope: Instructions for connecting power wires to air conditioners equipped with a “Phoenix Contact” power connector.
- Remove cover from chassis using T25 Torx bit.

- Push both orange tabs in to release male connector and pull out for wire connection.
- The top of the male connector is shown with the formed assembly channels facing UP.

- Starting from the left, connect the wires by inserting them into the lower receptacles located on the front of connector in the following order.
NOTE: If using stranded wires, it may be difficult to insert into the receptacles without releasing the spring tension as described below in the removal instructions. The wires can be tinned or pin terminals (as shown above) or pin ferrules may be attached to stranded wires to ease insertion into the receptacles.
- Firmly insert the male connector into chassis receptacle. A light click should sound when secured.

- If wires need to be removed from the male connector, insert a small screwdriver or pick into the hole directly above each wire and push to release it.

1800 Hurd Drive
Irving, Texas 75038
(972) 580-0200
(888) 580-0202
Fax (972) 580-0277
URL: www.thermal-edge.com
Email: [email protected]

























