Clarke CAR158 1/2 Reversible Air Drill

INTRODUCTION
Thank you for purchasing this CLARKE Reversible Air Drill.
Before attempting to use this product, please read this manual thoroughly and follow the instructions carefully. In doing so you will ensure the safety of yourself and that of others around you, and you can look forward to your purchase giving you long and satisfactory service.
Please keep these instructions for future reference.
GUARANTEE
This product is guaranteed against faulty manufacture for a period of 12 months from the date of purchase. Please keep your receipt which will be required as proof of purchase.
This guarantee is invalid if the product is found to have been abused or tampered with in any way, or not used for the purpose for which it was intended.
Faulty goods should be returned to their place of purchase, no product can be returned to us without prior permission.
This guarantee does not effect your statutory rights.
GENERAL SAFETY RULES
CAUTION: FAILURE TO FOLLOW THESE PRECAUTIONS COULD RESULT IN PERSONAL INJURY, AND/OR DAMAGE TO PROPERTY.
WORK ENVIRONMENT
- Keep the work area clean and tidy.
- Dress appropriately – Do not wear loose clothing or jewellery. Tie long hair out of the way.
- Keep children and visitors away – Do not let children handle the drill.
- Do not operate the drill where there are flammable liquids or gases.
USE OF AIR POWERED TOOLS
- Stay alert and use common sense – do not operate the drill when you are tired or under the influence of alcohol, drugs or medication.
- Always wear eye protectors when using the drill – Eye protection must provide protection from flying particles from the front and the side.
- Always wear ear protectors when using the drill.
- Do not overreach – Keep proper footing and balance at all times.
- Never use any type of bottled gas as a source of power for the drill.
- Do not connect the air supply hose with your finger on the trigger.
- Do not exceed the maximum pressure for the drill 90 psi / 6.2 bar.
- Check hoses for leaks or worn condition before use and ensure that all connections are secure.
- Keep the air supply hose away from heat, oil and sharp edges.
- Do not use this drill for any other purpose than that described in this manual.
- Do not fit this drill to any stand or clamping device that may damage it.
- Do not carry out any alterations or modifications to this drill.
- Always disconnect from the air supply when:
• Performing any maintenance
• The drill is not in use.
• The drill will be left unattended.
• Moving to another work area.
• Passing the drill to another person. - Never use the drill if it is defective or operating abnormally.
- The drill should be serviced if required by qualified service personnel.
- Avoid damaging the drill for example by applying excessive force of any kind.
- ALWAYS maintain the drill with care. Keep it clean for the best and safest performance.
- Quick change couplings should not be located at the air tool. They add weight and could fail due to vibration.
- Do not force or misuse the drill. It will do a better and safer job at the rate for which it was designed.
- Do not remove any labels. Damaged labels should be replaced.
- This drill vibrates with use. Vibration may be harmful to your hands or arms. Stop using the drill if discomfort, a tingling feeling or pain occurs. Seek medical advice before resuming use.
TRANSPORTATION
- Never carry the drill by the air supply hose.
- Never carry the drill with your finger on the trigger.
OVERVIEW

| NO | DESCRIPTION | NO | DESCRIPTION |
| 1 | Auxiliary Handle | 4 | Air Exhaust Outlet |
| 2 | Forward/Reverse Switch | 5 | Trigger |
| 3 | 1/4” BSP female air inlet | 6 | Keyless Chuck |
THE COMPRESSED AIR SUPPLY
AIR SUPPLY REQUIREMENTS
WARNING: COMPRESSED AIR CAN BE DANGEROUS. ENSURE THAT YOU ARE FAMILIAR WITH ALL PRECAUTIONS RELATING TO THE USE OF COMPRESSORS AND A COMPRESSED AIR SUPPLY.
- Use only clean, dry, regulated compressed air as a power
- Air compressors used with the tool must comply with the appropriate European Community Safety
- A build-up of moisture or oil in the air compressor will accelerate wear and corrosion in the ensure any moisture is drained from the compressor daily and the inlet filter is kept clean.
- If an unusually long air hose is required, (over 8 metres), the line pressure or the hose inside diameter may need to be
- The air hose must be rated at least 150% of the maximum operating pressure of the air tool

- A typical air line layout is shown above. If an automatic in-line filter/regulator is used, it will keep the air tool in good condition, but should be regularly checked and topped up with oil. SAE 10 oil should be used and the lubricator adjusted to approx 2 drops per minute.
- The minimum hose diameter should be 5/16”(8mm) ID and fittings should have the same internal dimensions.
- Never exceed the maximum operating pressure for the tool. It is recommended that air pressure to this tool does not exceed 90 psi at the tool when running. Higher pressures and unclean air will shorten the life of the tool due to faster wear and is a possible safety hazard.
BEFORE USE
WARNING: COMPRESSED AIR CAN BE DANGEROUS. ENSURE THAT YOU ARE FAMILIAR WITH ALL PRECAUTIONS RELATING TO THE USE OF AIR COMPRESSORS AND A COMPRESSED AIR SUPPLY.
- Remove the protective plug from the air inlet and connect a suitable hose as shown.
- Connect the other end of the hose to the compressed air supply.
- Turn on the air supply and check for air leaks. Rectify any found before proceeding.
- PTFE tape may be useful for sealing threaded connections.
- If required, connect an in-line mini oiler to the drill.
- A mini oiler helps to prolong the life of any air tool.
- If a mini-oiler is not being used, run a few drops of oil through the tool before use. It can be entered through the airline inlet or via the hose at the nearest connection to the air supply.
- A gauze filter is fitted within the air inlet. Ensure this filter is always in place and is kept clean. An air line is connected to the adapter, preferably via a quick release coupling (not supplied).
- Ensure the trigger is NOT depressed when connecting the air line.
- Your drill is now ready for use
- You can fit a whip hose with a quick fit coupling if required(available from your Clarke dealer.)

FITTING THE HANDLE
The drill is supplied with an auxiliary handle. To install it proceed as follows.
- Slide the clamping ring over the body of the drill, ensuring it rests against the flat shoulder
- Twist the handle to tighten the clamping ring around the drill body.
- The handle can be rotated to any position around the drill by loosening the handle and adjusting its position

INSERTING/REMOVING THE DRILL BIT
- Open the chuck jaws by gripping the lower part of the chuck and turning the upper part counter- clockwise by
- The direction of twist is embossed on the upper chuck body.
- Place the drill bit in the jaws of the chuck as far as it will
- Close the chuck jaws and tighten to grip the drill bit by turning the upper chuck clockwise by hand while holding the lower part.
- Make sure that the chuck jaws are fully closed and that the drill bit is held firmly.
Your drill is now ready for use 
OPERATION
OPERATING THE DRILL
- Squeeze the trigger to start the drill.
- Release the trigger to stop the
- To change the direction of rotation move the lever behind the trigger from F to
- Always ensure the drill has stopped before putting it

DISCONNECTING THE AIR SUPPLY
- Do not disconnect the air supply hose until the air supply has been shut down and the compressed air released from the
- Refer to the compressor instruction manual for the procedure to shut down and release the compressed
- Once the pressure has been released, disconnect the air supply hose from the drill.
MAINTENANCE
WARNING: MAKE SURE THAT THE DRILL IS DISCONNECTED FROM THE AIR SUPPLY BEFORE STARTING ANY CLEANING OR MAINTENANCE PROCEDURES.
Please note that factors other than the drills condition may effect its operation and efficiency, such as reduced compressor output, excessive drain on the airline, moisture or restrictions in the air-line, or the use of connectors of improper size or poor condition which will reduce air supply.
DAILY
- Before use, drain water from the air-line and
- Lubricate the drill daily for optimum performance. Use a high quality airline oil either via a lubricator in the air supply system or by placing a few drops into the air inlet immediately before use. This should be carried out regardless of whether or not an in-line lubricator is used
CLEANING & OVERHAUL
- Keep the drill clean and free from
- If the drill becomes sluggish and the air supply is of good quality, it may be necessary to replace worn or damaged
- Grit or gum deposits in the mechanism may eventually reduce efficiency. This condition can be corrected by cleaning the air inlet filter and flushing out the drill with gum solvent oil or an equal mixture of SAE No10 oil and paraffin.
- Failing this, the drill should be disassembled, thoroughly cleaned, dried and
You may prefer to take the drill to your CLARKE dealer if internal maintenance is required.

STORAGE
If the drill is to be stored or is idle for longer than 24 hours, run a few drops of Clarke air-line oil into the air inlet and depress the trigger in order to lubricate the internal parts.
When not in use, the drill should be disconnected from the air supply and stored in a dry place out of the reach of children. Avoid storing in a damp environment.
ACCESSORIES
A wide range of accessories is available including filter/regulators, lubricators, high-pressure hoses (5 to 50 metres) etc.
Contact your CLARKE dealer for further information or CLARKE International Service Department on 01992 565333.
**Clarke Air Line Oil (part no. 3050825) is available from your CLARKE dealer.
TROUBLESHOOTING
| SYMPTOM | PROBLEM | SOLUTION |
| Tool runs at normal speed but slows down under any load. | 1. Excessive pressure on drill. 2. Motor parts worn. | 1. Reduce the force applied to the drill. 2. Return to Clarke dealer for repair. 3. Drip air tool lubricating oil into air inlet. Allow oil to soak moving parts before using. |
| 3. Worn or sticking mechanism due to lack of lubricant. | ||
| Tool runs slowly. Air flows weakly from exhaust. | 1. Motor parts jammed with gum/dirt. 2. Regulator in closed position. 3. General airflow blocked by dirt. | 1. Examine inlet air filter for cleanliness. 2. Adjust regulator to open position. 3. Operate tool in short bursts. |
| Tool will not run. Air flows freely from exhaust. | 1. Motor vanes stuck due to buildup of foreign material. | 1. Disconnect air supply and rotate tool assembly manually. 2. Try operating tool in short bursts. 3. Tap motor housing gently with a rubber mallet. 4. Drip a few drops of air tool lubricating oil into air inlet to soak moving parts. |
| Tool will not shut off. | 1. O-rings damaged or ill-fitting in seat. | 1. Return to Clarke dealer for repair. |
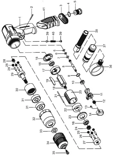
COMPONENT PARTS DIAGRAM

COMPONENT PARTS LIST
| No | Description |
| 1 | Main Housing |
| 2 | Bolt |
| 3 | Muffler Cover |
| 4 | Gasket |
| 5 | Air Inlet |
| 6 | O-ring |
| 7 | O-ring |
| 8 | Valve Stem |
| 9 | O-ring |
| 10 | Screw |
| 11 | Forward/Reverse Lever |
| 12 | Spring |
| 13 | Set Screw |
| 14 | Trigger |
| 15 | Gasket |
| 16 | Bearing |
| 17 | Rear Plate |
| 18 | Rotor |
| 19 | Rotor Blade |
| 20 | Cylinder |
| 21 | Bolt |
| No | Description |
| 22 | Front Plate |
| 23 | Bushing |
| 24 | Middle Gear |
| 25 | Minor Gear |
| 26 | Pin |
| 27 | Gear Carrier |
| 28 | Primary Gear |
| 29 | Spindle |
| 30 | Gear Ring |
| 31 | Bearing |
| 32 | Clamp Nut |
| 33 | Washer |
| 34 | Keyless Chuck |
| 35 | Set Screw |
| 36 | Copper Ring |
| 37 | Soft Grip |
| 38 | Auxiliary Handle |
| 39 | Trigger Nut |
| 40 | Trigger Spring |
| 41 | Handle Grip |
PRODUCT SPECIFICATION
| Model Numbers | CAT158 |
| Part Number | 3120172 |
| Min. Hose Size (ID) | 8 mm (5/16”) |
| Chuck Size | 1.5 – 13 mm |
| Operating Pressure | 90 psi (6.2 bar) |
| Air Consumption | 6.5 cfm (max load) |
| No Load Speed | 700 rpm @ 90psi |
| Air Inlet Size | 1/4“ BSP Female |
| Sound Pressure Level (LpA dB) | 77 dB(A) |
| Sound Power Level (LwA dB) | 88 dB(A) |
| Vibration Levels | 1.36 m/s2 |
| Vibration Uncertainty K | 1.5 |
| Weight | 1.7 kg |
Please note that the details and specifications contained herein are correct at the time of going to print. However CLARKE International reserve the right to change specifications at any time without prior notice.

Parts & Service: 020 8988 7400 / E-mail: [email protected] or [email protected]
Clarke CAR158 1/2 Reversible Air Drill


















