GRAND CANYON GAS LOGS MVKE I KN Battery Electronic with Remote Control

Product Information
The product is a battery electronic control system with remote control for natural or propane gas. It is manufactured by Grand Canyon Gas Logs and is available in two models: MVKE I KN and MVKE I KLP.
It is important to note that the proper fuel gas should be used with this control system. The installation must conform to local codes or, in the absence of local codes, the National Fuel Gas Code (ANSI Z223.1/NFPA 54).
The installation and servicing of this product should be done by professionals who are certified as NFI Gas Specialists by the National Fireplace Institute (NFI).
When operating the gas burner system, a fireplace screen must be in place unless other provisions for combustion air are provided. If glass fireplace enclosures (doors) are used, the burner system should be operated with the doors fully open.
This appliance may be installed in a manufactured (mobile) home if not prohibited by local codes. The installation must conform to the Manufactured Home Construction and Safety Standard in the U.S. or applicable standards in Canada.
If any part of the appliance has been underwater, it should not be used. A qualified service technician should be called to inspect and replace any submerged parts of the control system and gas control.
To prevent valve damage and failure, it is critical to correctly place the heat shield over the valve/control module battery pack prior to operation.
Product Usage Instructions
- Ensure that the proper fuel gas is being used with the control system.
- Follow local codes or the National Fuel Gas Code for installation, including provisions for combustion and ventilation air.
- Disconnect the component and its individual shutoff valve from the gas-supply piping system when testing at pressures exceeding 1/2 psig.
- Install a fireplace screen when operating the gas burner system, unless other provisions for combustion air are provided.
- If using glass fireplace enclosures (doors), operate the burner system with the doors fully open.
- Ensure compliance with local codes and standards when installing in a manufactured (mobile) home.
- Do not use the appliance if any part has been underwater. Call a qualified service technician for inspection and replacement of submerged parts.
- Properly place the heat shield over the valve/control module battery pack prior to operation to prevent valve damage and failure.
BATTERY ELECTRONIC WITH REMOTE CONTROL
For Natural or Propane Gas
MODELS: MVKE I KN MVKE I KLP

Features:
- Intermittent Pilot Ignition
- Non-standing flame-sensing pilot
- Remote Included Burner capability
- 2 Burner – 2BRNST
- 3 Burner – 3BRNST
- Kiva • Glass
- Jumbo/Jumbo Slim/Jumbo ST
WARNING
WARNING: If the information in this manual is not followed exactly, a fire or explosion may result causing property damage, personal injury, or loss of life.
FOR YOUR SAFETY: Do not store or use gasoline or other flammable vapors and liquids in the vicinity of this or any other appliance.
WHAT TO DO IF YOU SMELL GAS
- Do not try to light any appliance.
- Do not touch any electrical switch; do not use any phone in your building.
- Immediately call your gas supplier from a neighbor’s phone. Follow the gas supplier’s instructions.
- If you cannot reach your gas supplier, call the fire department.
- Installation and service must be performed by a qualified installer, service agency, or the gas supplier.
Installer: Leave this manual with appliance. Leave this manual with appliance.
CONSUMER: Retain this manual for future reference. Retain this manual for future reference.
Grand Canyon Gas Logs burner system is to be installed only in a solid-fuel-burning fireplace with a working flue constructed of noncombustible material. Solid fuels shall not be burned in a fireplace where the unit is installed. The installation, including provisions for combustion, ventilation air, and required minimum permanent vent opening, must conform with the National Fuel Gas Code (ANSI Z223.1/NFPA 54)\ and applicable local building codes. In Canada, the installation must conform with the Natural Gas and Propane Storage and Handling Installation Code (CSA-B-149.1). A damper stop clamp is included to maintain the minimum permanent vent opening and to prevent full closure of the damper blade. The chimney damper must be fixed fully opened when burning the unit. The burner system is designed to burn with yellow flames; thus, adequate ventilation is absolutely necessary. If any of these parameters are not met, the warranty could be voided.
We recommend that our gas hearth products be installed and serviced by professionals who are certified in the U.S. by the National Fireplace Institute (NFI) as NFI Gas Specialists.
IMPORTANT INFORMATION
CHECK TO BE SURE THAT THE PROPER FUEL GAS IS BEING
USED WITH THIS CONTROL SYSTEM.
The installation, including provisions for combustion and ventilation air, must conform with local codes, or in the absence of local codes, with the National Fuel Gas Code (ANSI Z223.1/NFPA 54).
This component and its individual shutoff valve must be disconnected from the gas-supply piping system when testing at pressures that exceed 1/2 psig. This is accomplished by closing the gas-supply line valve.
A fireplace screen must be in place when the gas burner system is in operation.
Unless other provisions for combustion air are provided, the screen shall have an opening(s) for introduction of combustion air.
WHEN GLASS FIREPLACE ENCLOSURES (DOORS) ARE USED, OPERATE THE BURNER SYSTEM WITH THE GLASS DOORS FULLY OPEN; BOTH SIDES IF THE FIREPLACE IS A SEE-THROUGH TYPE.
This appliance may be installed in an aftermarket, permanently located, manufactured (mobile) home where not prohibited by local codes. Installation of appliances designed for manufactured homes or mobile homes must conform with Manufactured Home Construction and Safety Standard, Title 24 CFR, Part 3280in the U.S.; or with CAN/CSA Z240 MH in Canada; or with ANSI/NCSBCS A225.1/NFPA 501A, Manufactured Home Installations Standard when such as standard is not applicable.
Do not use this appliance if any part has been underwater. Immediately call a qualified service technician to inspect the appliance and to replace any part of the control system and any gas control that has been underwater.
TO PREVENT VALVE DAMAGE AND FAILURE:
IT IS CRITICAL THAT THE HEAT SHIELD BE PLACED CORRECTLY OVER THE VALVE/CONTROL MODULET BATTERY PACK PRIOR TO OPERATION.
KEEP LAVA, VERMICULITE, EMBERS/GLASS AND ALL FOREIGN OBJECTS AWAY FROM THE PILOT ASSEMBLY, VALVE ASSEMBLY, AND HEAT SHIELD DURING MEDIA PLACEMENT AND AT ALL TIMES
SPECIFICATIONS
Refer to the burner owner’s manual for minimum firebox dimensions.

MAX BTU OUTPUT

BILL OF MATERIALS

| # | Model # | Description | Qty |
| 1 | 3V-BAT | 3V DEXEN BATTERY PACK (2 D-CELL BATTERIES INCLUDED) | 1 |
| 2 | 3V-PIL-24 | 24″ NATURAL GAS 3V PILOT ASSEMBLY | 1 |
| 3 | 6003V | 6003-NAT 3.5″ W.C., 3/8″ X 3/8″ STRAIGHT THRU: W/1/4″ PILOT FITTING | 1 |
| 4 | LP-VAL* | LP Pressure Regulator For 6003V 3V Valve 10″ W.C. | 1 |
| 5 | LP-PIL* | 3V Dexen Propane Pilot Orifice | 1 |
| 6 | 6K-WIR | GM6K TO 6003V WIRE HARNESS (12″ VAL WIR, 84″ SWITCH/BAT WIR) | 1 |
| 7 | GM6KA | 6K MODULE FOR 3V ING MODULE | 1 |
| 8 | HEAT-BAT | Battery Electronic Battery/Receiver Heat Shield w/Insulation | 1 |
| 9 | HEAT-VAL | Battery Electronic Valve/Module Heat Shield w/Insulation | 1 |
| 10 | 49-86 | 49 SERIES 3/8 X 1/2 90* ELBOW | 2 |
| 11 | T200-9898-10 | WHISTLE FREE FLEX 1/2 X 10 | 1 |
| 12 | GAS-GCRK | Grand Canyon Remote Kit | 1 |
| 13 | GRD | Ground Wire |
*Propane Models ONLY
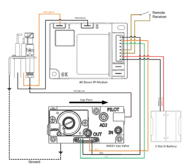
WIRE DIAGRAM – BATTERY POWERED

STEP BY STEP INSTALLATION
This Battery Electronic Control must be installed by a qualified professional service technician. Instructions must be followed carefully when installing to ensure proper performance.
These instructions must be used as a supplement to the instructions supplied with the Grand Canyon Gas Logs burner system. Follow the burner system instructions and make adjustments as appropriate for the addition of a battery electronic system. Use gas pipe sealing compound that is resistant to all gasses (or Teflon tape) and apply to all male pipe connections. DO NOT apply pipe sealing compound to any flare connections. Make sure that all connections are tight.
This Battery Electronic control system must be installed by a qualified gas professional. These instructions MUST be followed to ensure proper performance and safety. Failure to do so could result in serious injury or death.
Battery electronic valve system is shipped pre-assembled with fittings and heat shields already attached.
For systems ordered “Assembled” the valve system is pre-assembled and tested at the factory before shipping. Perform the installation with extreme care ensuring not to damage the valve, module or wiring harness connections. It is also recommended that the valve assemble is performed outside of the fireplace.
Pre-Installation –
For assembly of control system to an existing gas log system, ensure that all the media has been removed and the burner is clear of all dust and debris. Check to ensure that the valve system and burner are labeled for the gas type supplied to the fireplace (Natural Gas or Propane). Also check to ensure that the proper gas pressure is supplied to appliance (Minimum 5″ W.C Natural Gas, Minimum 10″ W.C Propane).
Installation –
Remove all burner components for the burner kit and the valve control system parts. Locate the silver gas control valve, (2) 3/8″ FIP x ½” Flare brass elbows, Velcro & green control module. Using pipe sealing compound insert each of the brass fittings into the valve tightly, with the connections facing the bottom of the valve, Fig.1. Attach the green control module to the valve as shown in the picture.
NOTE: Orient the valve so that the gas inlet is on the right and the gas outlet is on the left. The gas outlet is on the same side as the pilot assembly connection.

INSTALLATION
Locate the 7-wire wiring harness. Follow Fig. 1, by inserting the wiring harness long terminal block into the green control module and the short terminal block into the top of the valve. Using the screws provided, connect the (2) black wires to the valve & the green ground pilot wire. Ensure connections are tight for ground contact.

On the end of the 7-wire wiring harness, locate the (2) brown wires as well as the red & black wires. The (2) brown wires are your switch wires that will connect to your remote and the red & black wires are your power in connection to the battery pack. Next locate the (2) black wires connected to the terminal block of the receiver box. Using the provided spade connections, connect one black wire to one of the brown wires and the other black wire to the last brown wire. Next connect the red/black wire from the battery pack to the red/black wires on the 7-wire wiring harness. Red to red and black to black.
NOTE: This is also a good time to insert the (4) AA batteries into the receiver and the (2) D-Cell batteries into the control systems battery pack. For syncing the remote to the receiver please follow the instructions provided with the remote/receiver system.

Information for remote syncing is on GrandCanyonGasLogs.com under Resorces menu, in Valve section.

Locate the pilot mounting bracket on the burner system. Each Grand Canyon Gas Logs burner style has a pilot mounting bracket designed
for easy installation and fast ignition.
NOTE: For ANY pilot assembly, ensure that one flame of the pilot assembly is shooting towards the sensor and the other flame is shooting to the ignition holes of the burner. For burner systems (2-Burner, Kiva) pilot brackets are located on the back of the burner, for burner systems (3-Burner, Jumbo/Jumbo Slimline, Glass) pilot brackets are located on the side of the burner. When facing the burner, it is recommended that the pilot and valve system be mounted
on the left side of the burner.
Refer to Fig 3, inserting the screw through the pilot bracket, then attach the ground wire and finally screwing the screw into the pilot assembly screw hole.


Coil the wire using proper aluminum tube bending techniques and insert the pilot tube flare connection into the left side of the valve. Finally locate the “S” & “I” wires connected to the pilot assembly and insert them into the green control module.
Locate the valve/ control module to the left side of the burner. Then connect the 10″ x ½” whistle free flex line to the gas outlet of the valve and the gas inlet of the burner. Using proper wrench, tighten the connections.

Using the long valve heat shield, cover the valve and control module. This is a tight fit and ensure that none of the connections get pinched.
Run the extra length of the wiring harness behind the burner. Then locate the battery pack/receiver on the right-hand side of the burner. Cover the Battery pack/receiver with the battery pack heat shield.

Insert the assembled burner and control system into the fireplace centering the burner left to right and front to back. With the provided flex line and brass connection fitting connect the gas inlet into the fireplace to the gas inlet on the valve control system. NOTE: Make sure the battery pack/receiver is located in the front right on the fireplace. DO NOT place the battery pack/receiver underneath the burner or in the back of the fireplace.
Using soapy water, spray the gas connections to ensure there are no leaks once the gas supply is turned on. NEVER use an open flame to check for leaks.
Follow the burner installation manual as well as the log placement guide for final set-up.
This includes the embers, vermiculite (LP Only), lava rock and logs.

BATTERY LIGHTING INSTRUCTIONS
FOR YOUR SAFETY, READ BEFORE LIGHTING
WARNING: If you do not follow these instructions exactly, a fire or explosion may result causing property damage, personal injury or loss of life.
- This appliance is equipped with an ignition device that automatically lights the pilot. DO NOT attempt to light the pilot by hand.
- BEFORE OPERATING, smell all around the appliance area for gas. Be sure to smell next to the floor because some gas is heavier than air and will settle on the floor.
WHAT TO DO IF YOU SMELL GAS- Do not light any appliance.
- Do not touch any electric switch; do not use any phone in your building.
- Immediately call your gas supplier from a neighbor’s phone. Follow the gas supplier’s instructions. If you cannot reach your gas supplier, call the fire department.
- Use only the remote to light the pilot. This valve will not operate if the pilot is not lit and stable.
- Do not use this appliance if any part has been under water. Immediately call a qualified service technician to inspect the appliance and to replace any part of the control system and any gas control which has been under water. Attempted operation may result in fire or explosion resulting in property damage, personal injury or loss of life.
REMOTE LIGHTING
CAUTION: DO NOT attempt to light the pilot by hand.
Note: If the remote does not function, and batteries with an adequate power level are installed, refer to the TRANSMITTER FUNCTION section.
Note: Step 1 may not be required if previously done during an earlier lighting.
- Locate the 3-position switch on the remote receiver and slide the switch to the REMOTE position.
- Locate the remote transmitter and press the ON button. The ignition sequence will begin. The remote receiver will emit an audible “beep”; then the igniter will begin to spark. After the pilot lights and is established, the valve will automatically open and the burner will light.
Note: The ignition sequence will take approximately 5 seconds. WARNING: If the pilot fails to light or if the burner fails to light (within 5 seconds of pilot lighting), press the OFF button on the remote transmitter and/or slide the switch to the OFF position. Allow five (5) minutes for any gas in the unit to dissipate, then repeat steps 1 and 2 above.
IF YOU SMELL GAS, SEE STEP B ABOVE.
If the pilot fails to light after several tries, turn all control/remote system components to OFF and contact a qualified professional service technician.

SHUTTING DOWN
For remote shut down, press the OFF button on the remote transmitter.
If remote is unavailable, slide the switch on the remote receiver to the OFF position.
PILOT APPEARANCE
Periodically check the pilot for proper flame pattern. The pilot flame should encircle the generator tip, and is reset at the factory.
If the pilot flame burns incorrectly; shut down completely and contact a qualified professional technician.

TROUBLESHOOTING
| PROBLEM | CAUSE | SOLUTION |
| Pilot will not light |
|
|
| No spark at pilot |
|
|
| Pilot lights, but main burner will not |
|
|
| Burner system not burning properly |
|
|
| Burner system shuts down during operation |
|
|
| Intermittent ignitor spark during use (main burner has been burning for well over a minute). |
|
|
Periodically inspect the pilot assembly and valve controls and maintain them free of obstruction or debris. If the pilot flame is not blue with possibly yellow tips and does not impinge on the electrodes or if the pilot does not stay lit, contact a qualified professional service technician to service the pilot system.
WARRANTY
Burner:
Grand Canyon Gas Logs burners carry a life time warranty against manufacture defects or breakage as long as the appliance is installed inside and by a professional installer. In the event a defect or breakage occurs a replacement will be available for pick-up from the dealer at which the burner was originally purchased. This warranty is limited to original purchaser only. Indoor burners installed outside carry a (1) year warranty.
Electrical and Valves:
Grand Canyon Gas Logs valves, remotes & receivers carry a (2) year warranty against breakage or defects from date of purchase, by original purchaser, and must be installed be a licensed professional installer. This warranty only covers use with Grand Canyon Gas Logs burners and logs. In the event a defect or breakage occurs a replacement will be available for pick-up from the dealer at which the burner was originally purchased. Batteries are not covered under this warranty. ODS pilot assemblies carry a (1) year warranty.
WARRANTY CARD
- Warranty claim Purchased from (Showroom name) ___________________________________________________________________
- City _____________________________________________________________
- State____________________________
- Day/Month/Year ___________________________________________________________________________________
- Model purchased __________________________________________________________________________________
YOUR INFORMATION
- Name: ___________________________________________________________________________________________
- City _____________________________________________________________
- State____________________________
- Phone Number ____________________________________
- Email ___________________________________________
- Date of install _____________________________________________________________________________________
Copy & Mail to:
Grand Canyon Gas Logs
3515 E. Atlanta Ave., Phoenix, AZ 85040
STOP CALL US FIRST
For immediate help with installation, product information or if your product arrives damaged, please call our toll free number at: 1-602-344-4217
(Monday – Friday, 8:00AM – 5:00PM, AZ Mountain Time) or email us at: [email protected]
OUR STAFF IS READY TO PROVIDE ASSISTANCE
Thank you for choosing Grand Canyon Gas Logs, we appreciate all our customers and hope you have many years of enjoyment of our products.
Take a look at our other products from our RPG Brands family of companies
All rights reserved U.S.A, 04_2022_V1

















