Bullet Network Camera
Quick Start Guide
Foreword
General
This manual introduces the installation and operations of network camera. Read carefully before using the device, and keep the manual safe for future reference.
Safety Instructions
The following signal words might appear in the manual.
| Signal Words | Meaning |
| Indicates a medium or low potential hazard which, if not avoided, could result in slight or moderate injury. | |
| Indicates a potential risk which, if not avoided, could result in property damage, data loss, reductions in performance, or unpredictable result. | |
| Provides additional information as a supplement to the text. |
Revision History
| Version | Revision Content | Release Time |
| V1.0.1 | Updated adjusting the lens angle. | Jan-23 |
| V1.0.0 | First release. | Sep-22 |
Privacy Protection Notice
As the device user or data controller, you might collect the personal data of others such as their face, fingerprints, and license plate number. You need to be in compliance with your local privacy protection laws and regulations to protect the legitimate rights and interests of other people by implementing measures which include but are not limited: Providing clear and visible identification to inform people of the existence of the surveillance area and provide required contact information.
About the Manual
- The manual is for reference only. Slight differences might be found between the manual and the product.
- We are not liable for losses incurred due to operating of the product in ways that are not in compliance with the manual.
- The manual will be updated according to the latest laws and regulations of related jurisdictions.
For detailed information, see the paper User Manual, use our CD-ROM, scan the QR code or visit our official website. The manual is for reference only. Slight differences might be found between the electronic version and the paper version. - All the designs and software are subject to change without prior written notice. Product updates might result in some differences appearing between the actual product and the manual. Please contact customer service for the latest program and supplementary documentation.
- There might be deviations in the description of the technical data, functions and operations, or errors in the print. If there is any doubt or dispute, we reserve the right of final explanation.
- Upgrade the reader software or try other mainstream reader software if the manual (in PDF format) cannot be opened.
- All trademarks, registered trademarks and the company names in the manual are the properties of their respective owners.
- Please visit our website, contact the supplier or customer service if any problems occur while using the device.
- If there is any uncertainty or controversy, we reserve the right of final explanation.
Important Safeguards and Warnings
This section introduces content covering the proper handling of the device, hazard prevention, and prevention of property damage. Read carefully before using the device, comply with the guidelines when using it.
Transportation Requirements
- Transport the device under allowed humidity and temperature conditions.
- Pack the device with packaging provided by its manufacturer or packaging of the same quality before transporting it.
- Do not place heavy stress on the device, violently vibrate or immerse it in liquid during transportation.
Storage Requirements
- Store the device under allowed humidity and temperature conditions.
- Do not place the device in a humid, dusty, extremely hot or cold site that has strong electromagnetic radiation or unstable illumination.
- Do not place heavy stress on the device, violently vibrate or immerse it in liquid during storage.
Installation Requirements
WARNING
- Strictly comply with the local electrical safety code and standards, and check whether the power supply is correct before operating the device.
- Please follow the electrical requirements to power the device.
◇ When selecting the power adapter, the power supply must conform to the requirements of ES1 in IEC 62368-1 standard and be no higher than PS2. Please note that the power supply requirements are subject to the device label.
◇ We recommend using the power adapter provided with the device. - Do not connect the device to two or more kinds of power supplies, unless otherwise specified, to avoid damage to the device.
- The device must be installed in a location that only professionals can access, to avoid the risk of non-professionals becoming injured from accessing the area while the device is working.
Professionals must have full knowledge of the safeguards and warnings of using the device.
Do not place heavy stress on the device, violently vibrate or immerse it in liquid during installation.- An emergency disconnect device must be installed during installation and wiring at a readily accessible location for emergency power cut-off.
- We recommend you use the device with a lightning protection device for stronger protection against lightning. For outdoor scenarios, strictly comply with the lightning protection regulations.
- Ground the function earthing portion of the device to improve its reliability (certain models are not equipped with earthing holes). The device is a class I electrical appliance. Make sure that the power supply of the device is connected to a power socket with protective earthing.
- The dome cover is an optical component. Do not directly touch or wipe the surface of the cover during installation.
Operation Requirements
WARNING
- The cover must not be opened while the device is powered on.
- Do not touch the heat dissipation component of the device to avoid the risk of getting burnt.
- Use the device under allowed humidity and temperature (-40 °C to +60 °C) conditions.
- Use the device under allowed humidity and temperature conditions.
- Do not aim the device at strong light sources (such as lamplight, and sunlight) when focusing it, to avoid reducing the lifespan of the CMOS sensor, and causing overbrightness and flickering.
- When using a laser beam device, avoid exposing the device surface to laser beam radiation.
- Prevent liquid from flowing into the device to avoid damage to its internal components.
- Protect indoor devices from rain and dampness to avoid electric shocks and fires breaking out.
- Do not block the ventilation opening near the device to avoid heat accumulation.
- Protect the line cord and wires from being walked on or squeezed particularly at plugs, power sockets, and the point where they exit from the device.
- Do not directly touch the photosensitive CMOS. Use an air blower to clean the dust or dirt on the lens.
- The dome cover is an optical component. Do not directly touch or wipe the surface of the cover when using it.
- There might be a risk of electrostatic discharge on the dome cover. Power off the device when installing the cover after the camera finishes adjustment. Do not directly touch the cover and make sure the cover is not exposed to other equipment or human bodies
- Strengthen the protection of the network, device data and personal information. All necessary safety measures to ensure the network security of the device must be taken, such as using strong passwords, regularly changing your password, updating firmware to the latest version, and isolating computer networks. For the IPC firmware of some previous versions, the ONVIF password will not be automatically synchronized after the main password of the system has been changed. You need to update the firmware or change the password manually.
Maintenance Requirements
- Strictly follow the instructions to disassemble the device. Non-professionals dismantling the device can result in it leaking water or producing poor quality images. For a device that is required to be disassembled before use, make sure the seal ring is flat and in the seal groove when putting the cover back on. When you find condensed water forming on the lens or the desiccant becomes green after you disassembled the device, contact after-sales service to replace the desiccant. Desiccants might not be provided depending on the actual model.
- Use the accessories suggested by the manufacturer. Installation and maintenance must be performed by qualified professionals.
- Do not directly touch the photosensitive CMOS. Use an air blower to clean the dust or dirt on the lens. When it is necessary to clean the device, slightly wet a soft cloth with alcohol, and gently wipe away the dirt.
- Clean the device body with a soft dry cloth. If there are any stubborn stains, clean them away with a soft cloth dipped in a neutral detergent, and then wipe the surface dry. Do not use volatile solvents such as ethyl alcohol, benzene, diluent, or abrasive detergents on the device to avoid damaging the coating and degrading the performance of the device.
- The dome cover is an optical component. When it is contaminated with dust, grease, or fingerprints, use degreasing cotton moistened with a little ether or a clean soft cloth dipped in water to gently wipe it clean. An air gun is useful for blowing dust away.
- It is normal for a camera made of stainless steel to develop rust on its surface after being used in a strong corrosive environment (such as the seaside, and chemical plants). Use an abrasive soft cloth moistened with a little acid solution (vinegar is recommended) to gently wipe it away. Afterwards, wipe it dry.
Introduction
1.1 Cable
Waterproof all the cable joints with insulating tape and waterproof tape to avoid water damage and prevent short circuits from occurring. For details, see the FAQ manual.

Table 1-1 Cable information
| No. | Port Name | Description |
| 1 | Power port | Inputs 12 VDC power to charge the battery. Be sure to supply power as instructed in the manual. |
| 2 | Ethernet port | Connects to the network through a network cable. |
| 3 | RS-485 | Update the information of device solar battery, such as power and battery level. |
| 4 | Audio in | Connects to sound pickups to receive audio signal. |
| 5 | Audio out | Connects to speaker to output audio signal. |
| 6 | Alarm I/O | Includes alarm signal input and output ports. The number of I/O ports might vary on different devices. |
Table 1-2 Description of Alarm I/O port
| Port Name | Description |
| ALARM_IN | Receives the switch signals of external alarm source. |
| ALARM_IN_GND | |
| ALARM_OUT | Outputs alarm signals to alarm devices. |
| ALARM_OUT_GND |
1.2 Connecting Alarm Input/Output
The camera can connect to external alarm input/output devices through the digital input/output port.
Alarm input/output is available on select models.
Procedure
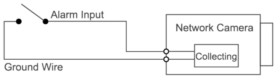
Step 1 Connect the alarm input device to the alarm input end of the I/O port. See Figure 1-2.
The device collects different statuses of the alarm input port while the input signal is idling and being grounded.
- Device collects logic “1” when the input signal is connected to +3 V to +5 V or idling.
- Device collects logic “0” when the input signal is grounded.
Figure 1-2 Alarm input

Step 2 Connect the alarm output device to the alarm output end of the I/O port. The alarm output is an open-drain output, which works in the following modes.
- Mode A: level application. The alarm outputs high and low level signals, and the alarm outlet is OD, which requires external pull-up resistance (10 K Ohm typical) to work. The maximum external pull-up level is 12 V, maximum port current is 300 mA, and the default output signal is high-level (external pull-up voltage). The default output signal switches to low- level when an alarm is triggered (As long as the operating current is below 300 mA, the output low-level voltage is lower than 0.8 V).
- Mode B: switch application. Alarm output is used to drive the external circuit, the maximum voltage is 12 V and the maximum current is 300 mA. If the voltage is higher
than 12 V, please use an additional electric relay.
Figure 1-3 Alarm output

Step 3 Log in to the webpage, and then configure the alarm input and alarm output in alarm settings.
- The alarm input on the webpage corresponds to the alarm input end of the I/O port.
There will be high level and low level alarm signals generated by the alarm input device when an alarm occurs. Set the input mode to “NO” (default) if the alarm input signal is logic “0”, and to “NC” if the alarm input signal is logic “1”. - The alarm output on the webpage corresponds to the alarm output end of the device, which is also the alarm output end of the I/O port.
Network Configuration
Device initialization and IP configurations can all be managed with the ConfigTool or through the webpage. For more information, see the web operation manual.
Device initialization is available on select models, and is required at first-time use and after the device is reset.- Device initialization is available only when the IP addresses of the device (192.168.1.108 by default) and the computer are on the same network segment.
- Carefully plan the network segment for the device.
- The following figures and pages are for reference only.
2.1 Initializing the Camera Procedure
Step 1 Search for the device that needs to be initialized through ConfigTool.
- Double-click ConfigTool.exe to open the tool.
- Click Modify IP.
- Select the searching way, and then click OK.
- Select one or several cameras in uninitialized status, and then click Initialize.
Step 2 Select the devices to be initialized, and then click Initialize.
If you do not provide the email address for password reset, you can reset the password only through XML file.
Figure 2-1 Password setting

Step 3 Select Auto-check for updates as needed, and then click OK to initialize the device.
If initialization failed, click to see more information.
Step 4 Click Finish.
2.2 Changing the Device IP Address
You can change the IP address of one or more devices at a time. This section is based on changing IP addresses in batches.- Changing IP addresses in batches is available only when the corresponding devices have the same login password.
Procedure
Step 1 Search for the device whose IP address needs to be changed through ConfigTool.
- Double-click ConfigTool.exe to open the tool.
- Click Modify IP.
- Select the searching way, enter the username and password, and then click OK.
The username is admin, and the password should be the one you set while initializing the device.
Step 2 Select the devices whose IP addresses need to be changed, and then click Modify IP.
Step 3 Configure IP address.
- Static mode: Enter Start IP, Subnet Mask, and Gateway, and then the IP addresses of the devices will be modified successively starting from the first IP entered.
- DHCP mode: When the DHCP server is available in the network, the IP address of devices will be automatically obtained through the DHCP server.
The same IP address will be set for multiple devices if you select the Same IP checkbox.
Step 4 Click OK.
2.3 Logging in to the Webpage Procedure
Step 1 Open the IE browser, enter the IP address of the device in the address bar, and then presthe Enter key.
If the setup wizard opens, follow the on-screen instructions to complete it.
Step 2 Enter the username and password in the login box, and then click Login.
Step 3 (Optional) For first-time login, click Click Here to Download Plugin, and then install theplugin as instructed.
The home page opens when installation is complete.
Operating with DMSS
Prerequisites
Make sure that there are no obstacles and electromagnetic interference between the device and the router for best possible wireless performance.
Procedure
Step 1 Power on the device.
Step 2 Check the status of device indicator light.
Table 3-1 Indicator light pattern
| Indicator Status | Device Status |
| Red light on | Booting/Device error |
| Green light on | Operating properly |
Step 3 Tap + button on the upper-right corner of DMSS home screen to scan the QR code on the camera. If your DMSS fails to scan the QR code, tap Manually enter SN, and then enter the serial number.
Step 4 Check device serial number and security code, and then tap Next.
Step 5 Create the device name, and then enter the password.
The password is security code by default.
Step 6 Tap Save.

Installation
4.1 Packing List
Tools required for installation, such as the electric drill, are not included in the package.- The operation manual and information on the tools are on the disk or the QR code.

4.2 Dimensions

4.3 Installing the Camera
4.3.1 Installation Methods

4.3.2 Installing the Antennas

4.3.3 (Optional) Installing the SD Card
- SD card slot is available on select models.
- Disconnect the power before installing or removing the SD card.
Press the reset button for 10 seconds to reset the device.

4.3.4 Attaching the Camera
Make sure that the mounting surface is strong enough to hold at least three times the weight of the camera and bracket.

4.3.5 (Optional) Installing the Waterproof Connector
This section is only necessary if a waterproof connector is included in your package, and the device is
being installed outdoors.

4.3.6 Adjusting the Lens Angle
Due to the detection requirement of infrared detector (PIR), we recommend you install the device at the height of 2 m to 3 m from the ground, and the horizontal angle ranges from 10° to 30°.

ENABLING A SAFER SOCIETY AND SMARTER LIVING
ZHEJIANG DAHUA VISION TECHNOLOGY CO., LTD.
Address: No.1199 Bin’an Road, Binjiang District, Hangzhou, P. R. China
Website: www.dahuasecurity.com
Postcode: 310053
Email: [email protected]
Fax: +86-571-87688815
Tel: +86-571-87688883



















