Electronic 2-Circuit
24-Hour Time Switch
With 100-Hour Backup
MODELS ET2125C, ET2125CR, ET2125CP
Installation and Setup Instructions
WARNING
Risk of Fire or Electric Shock
- Disconnect power at the circuit breaker(s) or disconnect switch(es) before installing or servicing.
- More than one circuit breaker or disconnect switch may be required to de-energize the equipment before servicing.
- For plastic enclosures, bonding between conduit connections is not automatic and must be provided as part of the installation.
- Installation and/or wiring must be in accordance with National and Local Electrical Code requirements.
- Use #14-#8 AWG wires, rated at least 105°C – COPPER conductors ONLY.
- If the power disconnect point is out of sight, lock it in the OFF position and tag it to prevent unexpected application power.
- Make sure there is no wire insulation under the terminal plate on the time switch connector. Firmly tighten terminal screws.
- For outdoor locations or wet locations (rain-tight), conduit hubs that comply with requirements of the UL514B (standard for fitting conduit and outlet boxes) are to be used.
- Do not remove the insulator that is covering terminals.
- Do NOT exceed the maximum current carrying capacity.
- KEEP DOOR CLOSED AT ALL TIMES when not servicing.
NOTICE
- Do NOT touch circuit board components, contact can create a static discharge, which can damage these electronic components.
Description
This document explains the setup and configuration of the Intermatic ET2125 2-Circuit Electronic 24-Hour Time Switch. The ET2125 time switch automatically switches loads according to the entered daily schedule. The time switch can support up to 48 fixed ON and 48 fixed OFF events (96 total).
The time switch features an LCD and panel-mounted control buttons to set, review, and monitor the time switch functions, including setting date and time, schedule creation, enabling or disabling Daylight Saving Time (DST), and configuring DST switchover dates. Follow these instructions to complete the installation and programming of the ET2125 time switch.

Federal Communications Commission (FCC) Notice for ET2000 Series
Time Switches This device complies with part 15 of the FCC rules. The operation of this device is subject to the following two conditions: (1) This device may not cause harmful interference, and (2) This device must accept any interference, including interference that may cause undesired operation. This equipment has been tested and found to comply with the limits for a Class A digital device, pursuant to Part 15 of the FCC Rules. These limits are designed to provide reasonable protection against harmful interference when the equipment is operated in a commercial environment. This equipment generates, uses, and radiates radio frequency energy and, if not installed and used in accordance with instructions, may cause harmful interference to radio communications. Operation of this equipment in a residential area is likely to cause harmful interference that requires the user to correct at his or her own expense.
Installation
Follow these instructions to install the time switch.
- Open the time switch enclosure door.
- Remove and retain the screw that secures the plastic insulator.
- Lift the left side of the plastic insulator and pivot away to expose the terminal strip.
- Press the latch at the top of the enclosure and pull out the mechanism from the enclosure.
- Choose and remove the selected knockout(s) from the enclosure.
NOTE: There are five 1/2 inch to 3/4 inch combination knockouts available. There are two on the bottom of the enclosure, one on each side, and one on the rear. If a 3/4 inch knockout is needed, remove the 1/2 inch knockout first, then the 3/4 knockout. - Place the enclosure in the desired location providing space for the enclosure door to swing open fully.
- Securely mount enclosure using provided mounting holes.
- Use appropriately rated fittings for the installation.
- Snap the mechanism back into the enclosure.
- Strip 1/2 inch off the supply and load wires. Use AWG #14-#8 copper conductors rated at least 105ºC.
- Connect the wires to the proper terminals on the time switch and tighten the screws firmly (See wiring diagrams).
- Connect the ground wire to the grounding terminal at the bottom of metal enclosures.
- Return the insulator to its original position and replace the screw.
- Close enclosure door.
- Apply power to the time switch.

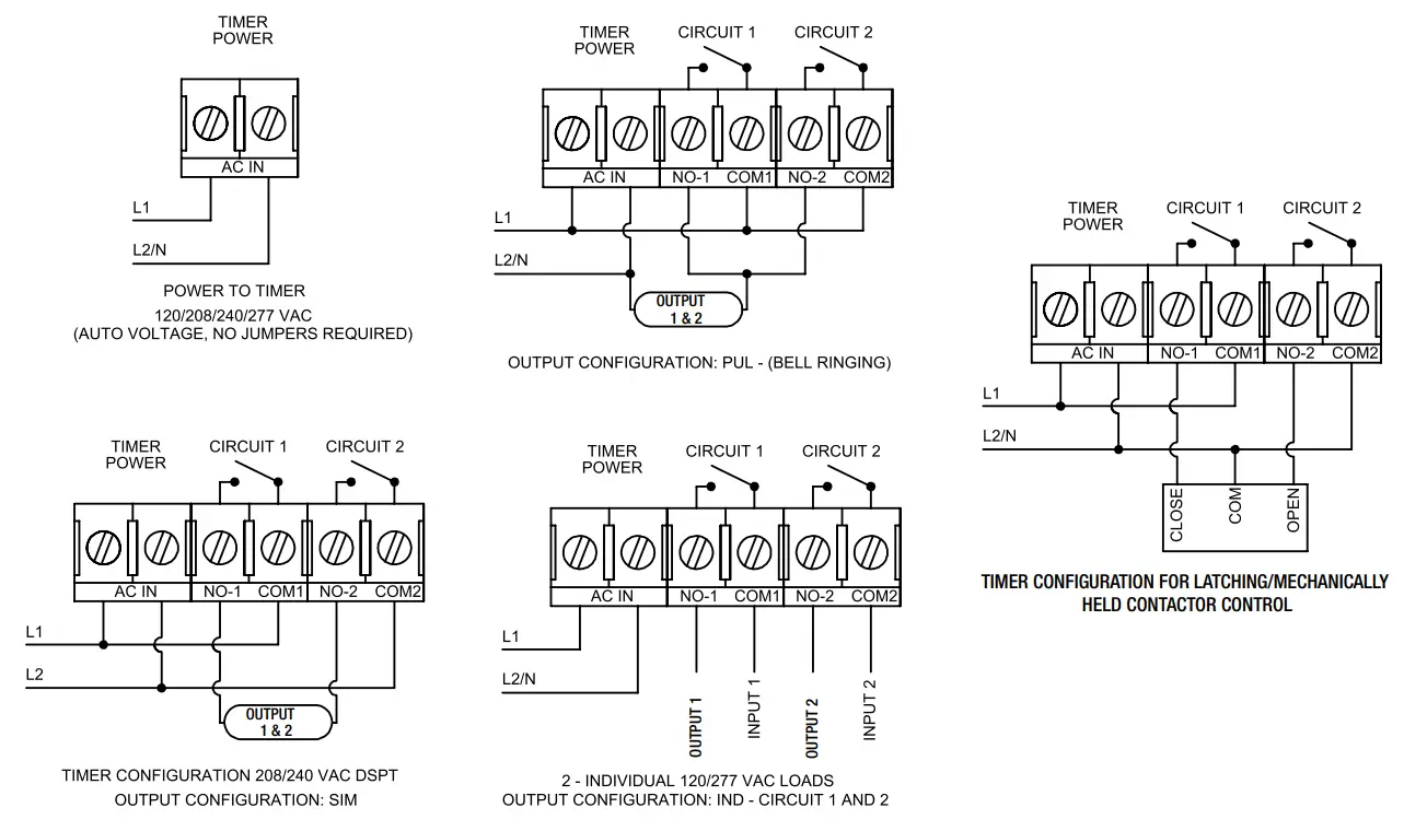
Wiring Diagrams
Initial Setup
The following sections provide instructions for the initial setup of the time switch.
Setting The Output Configuration
The time switch output configuration enables users to control multiple loads simultaneously (SIM), independently (IND), or with a 2-second pulse (PUL). Output circuits are configured in pairs.
In PUL mode, an ON event or manual override, causes circuit #1 to turn ON for two seconds, then OFF. An OFF event, or manual override, causes circuit #2 to turn ON for two seconds, then OFF.
NOTE: The output configuration setup can only be accessed at the initial startup of the unit or after a “Clearing Time Switch Memory” operation. Follow this procedure to set the output configuration.
- Activate power to the time switch. The display shows IND, the ARROW icon above the ENTER/NEXT button and the LOAD icons for circuit #1 and circuit #2 turn on.
NOTE: If the display does not show IND the output configuration is already set and a “Clearing Time Switch Memory” operation must be performed. - Press + or – to scroll to the desired output configuration.
- Press ENTER/NEXT to save the setting.
- The output configuration is now completed.
Programming Overview
The steps to program the time switch include setting the current date, time, fixed events, DST, and holiday events, setting the time switch’s operation to AUTO mode, ENERGY SAVER mode, or MANUAL mode (only MANUAL mode will appear if there are no scheduled events) and read or write an event schedule from a USB memory stick.
NOTE: If the time switch is left inactive for five minutes in a programming mode, it will return to the AUTO mode screen (AUTO icon turned on). If no scheduled events are programmed, the time switch will return to MANUAL mode. If the date has not yet been entered, the time switch will go to the Enter Date Mode.
Setting Date
Follow this procedure below to set the date and time in the time switch.
NOTE: If necessary, hold + or – to scroll through the digits rapidly.
- Press MODE to scroll through the mode selections until SET and DATE icons appear at the top of the display. The month flashes.
- Press + or – to select the current month and then press ENTER/NEXT. The day of the month flashes.
- Press + or – to select the current day of the month, and then press ENTER/NEXT. The year flashes.
- Press + or – to enter the current year, and press ENTER/NEXT. The month will flash again.
- Press MODE to move to the next mode selection.
Setting Time
Follow the procedure below to set the time in the time switch.
NOTE: If necessary, hold + or – to scroll through the digits rapidly.
- Press MODE to advance to the Set Clock mode selection if this selection is not already active. The SET and TIME icons appear on the display and a flashing 12:00 AM appears (if the clock has not been set).
- Press + or – to select the current time. NOTE: Seconds can be set to 00 by pressing ENTER/NEXT.
- Press MODE to save time and move to the Enable Daylight Saving Time mode selection.
NOTE: If the time switch programming data is to be read from a USB memory stick, refer to the “Read Time Switch Program Data…” section in these instructions.
Enable/Disable Daylight Saving Time and Setting Daylight Saving Time Rule
Configure the time switch to automatically adjust for Daylight Saving Time (DST). If DST does not apply to your region, disable the option as directed in this procedure. Follow this procedure to enable/disable the Daylight Saving Time feature, and if applicable, set the DST rule.
- Press MODE to advance to the Set DST mode selection if this selection is not already active. The SET and DST icons appear on the display.
- Press + to display ON (enable DST) or press – to display OFF (disable DST) and then press ENTER/NEXT to save.
| If DST is | Then |
| Enabled | Go to step 3. |
| Disabled | Press MODE to save and exit. The procedure is complete. |
Press + or – to scroll to the desired DST rules for your area.NOTE: The DST rules are US2007 (US rules), MX1986 (Mexico rules), and CUSTOM (user-defined start/end dates).
| If you select | Then |
| US2007 or MX1986 | Go to step 8. NOTE: To view the start and end dates for a DST rule, press ENTER/ NEXT to scroll through the dates and then press MODE. |
| Custom | Press ENTER/NEXT. The screen displays a flashing MAR and 2ND. Go to step 4. |
4. Press + or – to select a starting month for customized DST and press ENTER/NEXT.
5. Press + or – to select a starting week (1ST, 2ND, 3RD, 4TH, or LST) and press ENTER/NEXT.
NOTE: DST changes at 2:00 A.M. on Sunday of the user-configured starting and ending weeks. Select LST for the fifth Sunday of a month.
6. Press + or – to select an ending month and press ENTER/NEXT.
7. Press + or – to select an ending week and press ENTER/NEXT.
8. Press MODE to save the DST rules and move to the next mode selection.
Setting Fixed Timed Events
Access the Fixed ON/OFF screen to set fixed switching times. Odd-numbered events are for ON switching and even-numbered events are for OFF switching. Follow these steps to set fixed time events (if no fixed events need to be set press MODE to move to the next mode selection):
- Press MODE to advance until SET FIXED ON/OFF EVENTS and ON@ icons appear on the display (if this selection is not already active). The Event Number and LOAD icon for each circuit are also displayed. Press ENTER/NEXT if this fixed the event is not needed, go to step 5.
- If an event is not set the time display will show – – – -.
- Press + or – to set the time for the fixed event to occur.
- Initially, both circuits are included in this event. Press the ON/OFF buttons to remove each circuit not affected by this event. If the LOAD icon for the circuit is displayed then this circuit will respond to this event.
- The Event Number increments and the SET FIXED ON/OFF EVENTS and OFF@ icons are displayed. Press ENTER/NEXT if this fixed-off event is not needed, go to step 10.
- If an event is not set the time display will show – – – -.
- Press + or – to set the time for the fixed event to occur.
- Initially, both circuits are included in this event. Press the ON/OFF buttons to remove each circuit not affected by this event. If the LOAD icon for the circuit is displayed then this circuit will respond to this event.
- Press ENTER/NEXT to save.
- The Event Number increments and the SET FIXED ON/OFF EVENTS and ON@ icons are displayed. Press ENTER/NEXT if this fixed off event is not needed.
| If | Then |
| Another fixed event needs to be set | Return to step 2. |
| All the events are set | Press MODE to save and exit. The procedure is complete. |
Setting Holidays
There are 50 Holiday blocks that can be programmed along with a single schedule for each block. For each block, there will be a start date and an end date. Within each block, one scheduled “on” event and one “off” event can be programmed. Holidays are recognized by an H on the display. During the dates chosen, the relays will remain in the “OFF” state and HOLIdy will show on the display. NOTE: During holiday blocks only programmed holiday events will trigger relay operations.
To program holiday blocks follow these guidelines:
- Press MODE to advance until the SET, DATE and ON@ icons appear on the display if this selection is not already active. A holiday Number is also displayed on the right side of the display.
- The time display will flash – – – – and also show 1H.
- Press the + or – buttons to choose the month that the holiday will start.
- Press ENTER/NEXT and the day of the month, the 1, will flash.
- Press the + or – buttons to choose the day that the holiday will start.
- Press ENTER/NEXT and the OFF@ icon is displayed.
- The time display will flash – – – – and also show 1H.
- Press the + or – buttons to choose the month that the holiday will end.
- Press the ENTER/NEXT and the day of the month, the 1, will flash.
- Press the + or – buttons to choose the day that the holiday will end.
- Press ENTER/NEXT and the SET ON@ ON/OFF EVENTS icons are displayed. (Press ENTER/NEXT twice to skip setting an event during the holiday period in which case all circuits will remain off.)
- The time display shows – – – – and event number 1 is also displayed on the right side of the display.
- Press the + or – buttons to set the time for this holiday event to start.
- Press ENTER/NEXT and the OFF@ icon is displayed.
- The time display shows – – – – and event number 2 is also displayed on the right side of the display.
- Press the + or – buttons to set the time for this holiday event to end.
- Press ENTER/NEXT and the SET, DATE, and ON@ icons appear on the display. The next holiday number is displayed on the right side of the display.
| If | Then |
| Another holiday period needs to be set | Return to step 2. |
| All the events are set | Press MODE to save and exit. The procedure is complete. |
Example: July 4th would have a start date of Jul 4 and an end date of Jul 5. At 12:00 AM on July 4th the circuits will be turned to the OFF state. At 12:00 AM on July 5th the circuits will reconcile and will be turned to their correct state of operation.
Setting Operating Mode
The time switch can be set to one of three operating modes: AUTO (default setting), ENERGY SAVER or MANUAL. Once the operating mode is selected the time switch setup is complete.
NOTE: If no scheduled events are programmed, only MANUAL mode is available.
In AUTO mode, the time switch follows the user-programmed events and the circuits turn ON and OFF at the programmed time(s).
- To place in AUTO mode, press MODE and advance until the AUTO icon appears on the display.
- In AUTO mode, pressing an ON/OFF button temporarily overrides the current state of the circuit. The time switch returns to the normal schedule at the next programmed event.
In ENERGY SAVER mode the time switch operates similarly to AUTO mode with the following exceptions: - The ON/OFF buttons manually activate circuits for only a 2-hour period.
- When a 2-hour period is active, pressing ON/OFF extends the active period by 2 hours.
- Pressing and holding (for 3 seconds) an ON/OFF button will turn OFF the associated circuit.
For ENERGY SAVER mode, press the MODE button until the AUTO icon on the display flashes.
In MANUAL mode the time switch does not follow any programmed events and only activates circuits when an ON/OFF button is pressed. - For MANUAL mode, press the MODE button until the MANUAL icon appears on the display.
Deleting (Clearing) an Event
Fixed events can be deleted from the time switch. If you need to delete an event, follow this procedure.
- If necessary, press MODE to scroll through the different mode selections until SET FIXED ON/OFF EVENTS appear on the display.
- Press ENTER/NEXT as necessary to scroll through the scheduled events until you see the event you want to delete.
- Press + and – at the same time until the display shows –:– –. This indicates the event is erased.
- If necessary, press ENTER/NEXT to advance through the other configured events.
- Press MODE to save the changes and exit.
Clearing Time Switch Memory
During a “Clear Time Switch Memory” operation, the time switch resets all programmed settings to their factory default value. The following occurs:
- After a brief period of time the time switch model number appears, followed by the USB Boot Loader version, EE Boot Loader version, the firmware revision and finally the Reset Reason Code.
- MEMCLR is displayed followed by DONE when the operation is completed.
To perform a “Clear Time Switch Memory” operation do the following:
- Press and hold ENTER/NEXT.
- While pressing and holding ENTER/NEXT, press and release the RESET (round) button. Do not release ENTER/NEXT.
- Continue to press and hold ENTER/NEXT until MEM CLEAR then DONE briefly appears.
- IND will now show on the display. Refer to the “Setting Output Configuration” section in these instructions.
Writing Time Switch Program Data to a USB Memory Stick
The time switch has the capability to copy its programmed data (event schedules, holidays, output configuration, DST on/off setting, DST rule setting and geographical location) to a USB memory stick. Follow these steps to transfer all programming from the time switch to a USB memory stick:
- Press MODE to advance until we USB is displayed.
- Press ENTER and inside is displayed.
- Insert a USB memory stick into the USB port on the front face of the time switch.
- SCHEdL 01 is displayed. Press + or – to increment/decrement the schedule number on the display (01-99).
- When the desired number is displayed, press ENTER and this will write the data file to the USB memory stick. The file name will be SCHEDULE xx.TXT where xx is the schedule number selected in the previous step.
- After the file is written REMOVE is shown on the display.
- Remove the USB memory stick and the time switch will advance to the next mode selection. If all procedures are completed, press MODE repeatedly until back to the operating mode selection (AUTO, ENERGY SAVER, MANUAL).
Reading Time Switch Program Data from a USB Memory Stick
The time switch has the capability to read program data (event schedules, holidays, output configuration, DST on/off setting, DST rule setting, and geographical location) from a USB memory stick. Follow these steps to transfer all programming from a USB memory stick to the time switch:
- Press MODE to advance until rd USB is displayed.
- Insert a USB memory stick containing the desired data file into the USB port on the front face of the time switch.
- Press ENTER and inside is briefly displayed.
- SCHEdL.xx is displayed where xx is the first data file number found on the USB memory stick.
- Press + or – to scroll through the data files on the USB memory stick (if more than one file is stored on this stick).
- When the desired number is displayed, press ENTER, and the time switch will read the data file from the USB memory stick.
- After the file is read into the time switch, DONE is briefly shown on the display followed by REMOVE.
- Remove the USB memory stick and the time switch will advance to the next mode selection. If all procedures are completed, press MODE repeatedly until back to the operating mode selection (AUTO, ENERGY SAVER, MANUAL).
USB error codes
If a problem occurs when attempting to perform a USB read or write operation the time switch will show an error code on the display. Following is a description of the different error codes:
| AP FILE Er | The file could not be created on the USB memory stick (the stick may be write-protected or corrupted) |
| wrFILE Er | Program data could not be written to the USB memory stick (the stick may be full) |
| oPFILE ER | The file could not be opened for reading from the USB memory stick |
| rdFILE Er | The file could not be read from the USB memory stick |
| MSDH Er | The USB device is not a memory type device |
| FATFS Er | Fat file system error indicating the memory stick contains a data format that is incompatible with the time switch |
| DEVICE Er | The USB memory stick is defective |
| short Er | The power supply for the USB port on the time switch is not functioning |
Specifications
Input Voltage: 120-277 VAC, 60 Hz
Power Consumption: 5 W MAX
Switch Configuration: SPST x 2. See wiring diagrams in this manual.
Switch Ratings:
| Rating | Load Type | Voltage | Frequency |
| 30 A | Resistive | 120-240 VAC | 60 Hz |
| 20 A | Resistive | 28 VDC | – |
| 30 A | Inductive | 120-240 VAC | 60 Hz |
| 20 A | Magnetic Ballast | 120-277 VAC | 60 Hz |
| 10:00 AM | Electronic Ballast | 120/277 VAC | 60 Hz |
| 5:00 AM | Tungsten | 120-277 VAC | 60 Hz |
| 1 HP | Motor | 120 VAC | 60 Hz |
| 2 HP | Motor | 240 VAC | 60 Hz |
Events: Time switch can support up to 48 fixed ON and 48 fixed OFF events.
Clock Backup: 100-hour Supercapacitor
Wire Size: AWG #14-#8
Minimum ON or OFF time: 1 minute
Maximum ON or OFF time: Indefinite
Shipping Weight: 2.5 lb. (1.1 kg)
Enclosures: Rainproof Type 3R indoor/outdoor lockable metal enclosure (ET2725CR), Type 1 indoor lockable metal enclosure (ET2725C), Rainproof Type 3R indoor/outdoor lockable plastic enclosure (ET2725CP) Knockouts: Combination 1/2-3/4 in. size, 1 on rear and each side, 2 on bottom
LIMITED WARRANTY
Warranty service is available by either (a) returning the product to the dealer from whom the unit was purchased or (b) completing a warranty claim online at www.intermatic.com. This warranty is made by: Intermatic Incorporated, 1950 Innovation Way, Suite 300, Libertyville, IL 60048. For additional product or warranty information go to: http://www.Intermatic.com or call 815-675-7000.
INTERMATIC INCORPORATED
1950 Innovation Way, Suite 300
LIBERTYVILLE, ILLINOIS 60048
www.intermatic.com



















