SWAGTEK TW5 True Wireless Earbuds

Product summary
Model name: TW5
weight and dimension : earphone dimension(dimension:24*14*13mm charging case

Manual measurement, there is an error.
gross weight : earphone (single 3.1±1 g)+charging case:43.5±1 g + giftbox g=g
net weight:earphone(single3.1±1 g)+charging case43.5±1 g=50g±1 g
Cosmetic Drawing
cosmetic

Product list diagram
Headphone material list:
| serial number | product name | Specification | encapsulation | Dosage | Component position |
| 1 | Earphone PCB | 11.6mm*18.1mm*0.8mm* | PCB | 2 | |
| 2 | CHIPSET | AB5617H2 | SOP-16L | 2 | U1 |
| 3 | Transient suppression tube | WEP060RF0402 Continuous voltage 6.5V, breakdown voltage 8.3V | 0402 | 0 | C8 |
| 4 | SMD crystal oscillator | 2520 26M passive crystal oscillator 9PF 10PPM | 2520 | 2 | Y1 |
| 5 | Chip capacitors | C.cap 105 10V X7R ±10% | 0402 | 2 | C4 |
| 6 | Chip Resistor | 0402 | 2 | L1 (to be confirmed) | |
| 7 | Chip Resistor | 0402 | 2 | L2 (to be confirmed) | |
| 8 | Chip Resistor | 0402 | 2 | L3 (to be confirmed) | |
| 9 | SMD LED | 0603 | 2 | R | |
| 10 | SMD LED | red light | 0603 | 2 | B |
| 11 | SMD Condenser Microphone | 2 | MIC | ||
| 12 | button | 1PIN | 2 | CN1 | |
| 13 | Charging copper column | Ф1.5mm*7.5mm(JRMDB0120106A) | 1PIN | 2 | |
trumpet | Ф8* ?mm 32 ohms | 2PIN | 2 | ||
| 15 | rechargeable lithium battery | Rechargeable lithium battery 3.7V 25mA | 2PIN | 2 | |
| 16 | SMD cost | 1 | |||
| 17 | SMD stencil | Each of L/R | 2 | ||
| 18 | Test Fixture | L/R each one | 2 | ||
| 19 | plastic | 0.011kg | 1 | ||
| 20 | hardware | 2 | |||
| 21 | Silicone earmuffs | 2 | |||
| 22 | Silicone mat | 2 | |||
| 23 | Silicone mat | 0 | |||
| 24 | Dust net | 2 | |||
| 25 | Dust net | 2 | |||
| 26 | magnet | 2 | |||
| 27 | magnet | 1 |
Material list of charging compartment
serial number | product name | Specification | encapsulation | Dosage | Component position |
| 1 | Charging box motherboard PCB | 36.1mm*31.9mm*1.0mm | PCB | 1 | |
| 2 | Master IC | IP5513_LR188_NTC_GWS_UCCPI | SOP-16A | 1 | U1 |
| 3 | Chip capacitors | C.cap 225 16V X7R +80/-20% | 0603 | 1 | C3 |
| 4 | Chip capacitors | C.cap 475 16V X7R +80/-20% | 0603 | 3 | C1 C2 C4 |
| 5 | Chip Resistor | 100Ω ±5% | 0603 | 0 | R3 R4 R5 R6 R10 |
| 6 | Chip Resistor | 33KΩ ±5% | 0402 | 2 | R1 R2 |
| 7 | Chip Resistor | 51KΩ ±5% | 0402 | 1 | R1 |
| 8 | SMD inductor | CD32-2.2uH (The quality of the inductance is stable) | CD32 | 1 | L1 |
| 9 | Digital Tube | 2256 188 / YFTD2256SW-5 | 5PIN | 1 | |
| 10 | MICRO_USB | micro5p 5.9 female seat with post, straight edge and flat mouth US01-664 | 6PIN | 1 | CN2 |
| 11 | SMD charging copper column | Ф2.0mm*6.2mm board 5.5mm (JRMDB1121107A) | 1PIN | 4 | CN1 |
| 12 | rechargeable lithium battery | 300mAH (601535) with protection board | 2PIN | 1 | |
| 13 | SMD stencil | 1 | |||
| 14 | SMT chip fee | 1 | |||
| 15 | Test Fixture | 1 | |||
| 16 | magnet | ||||
| 17 | magnet | ||||
| 18 | sticker | ||||
| 19 | Blister | ||||
| 20 | Color box + PET | ||||
| 21 | manual | ||||
| 22 | PE bag | ||||
| 23 | Double-sided EVA | ||||
| 24 | glue | ||||
| 25 | silk screen+spray | ||||
| 26 | data line | φ2.8mm*2C*20cm |
The circuit schematic diagram
earphone schematic

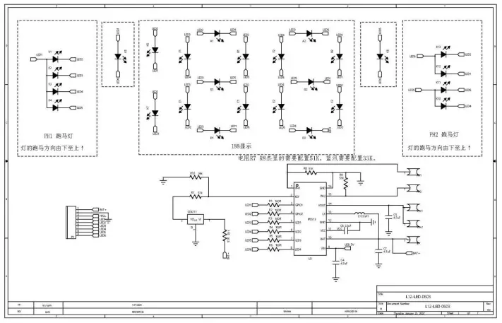
charging case schematic circuit

hardware parameter
Bluetooth chipset
serial number | name | Specification |
| 1 | Chipset name | AB5617H2 |
| 2 | Bluetooth version | 5.0 |
| 3 | Bluetooth protocol | Hfp,a2dp,hid,avcp,pmp |
| 4 | Working frequcncy | 2402~2480MHz |
| 5 | Effective range | 360°≥10,rice |
Audio feature
| speaker | ||
| items | name | parameter |
| 1 | Speaker dimension | Ø 13mm |
| 2 | Speaker frequency respone | 20Hz~20KHz |
| 3 | Speaker sensitivity | 104±3dB (1000KHZ 1MW) (INPUT VOLTAGE=126mV) |
| 4 | Copper collar speaker | Real copper collar |
| 5 | Speaker impedance | 32Ω±15% |
| 6 | Rated power input | 2mw |
| microphone | ||
| items | name | parameter |
| 1 | Microphone directivity | Omnidirectionality |
| 2 | Microphone | -42±1dBV/Pa /1kHz |
| 3 | Microphone frequency range | 10kHZ-20kHz |
| 4 | Microphone impedance | 200Ω |
Earphone function diagram
function indication diagram

function list
earphone
| NO. | Status | Actions |
| 1 | Power on | Earphone will power up by automatic fater open charging case |
| 2 | dual ear mode | earphone will power on by automatic after open the charging case, R/L ,L/R earphone will finish pair by automatic, , waiting serial second, TWS 。 after paired, the main earphone indicator will flash alternately, then open Bluetooth function in mobile menu to se rch, then click “TW5” |
| 3 | Single ear mode | take out any of L/R earphone and close he charging case,the earphone will power on automatic and automatic pair the another one earphone, after 30s,this earphone will get into single mode,res/blue led will flash alternately,open blue function in mobile menu to search bluetooth, click TW5 to connect |
| 4 | Pick up call | When call is coming, click button of any L or R earphone to pick up call |
| 5 | Hang up call | in call talking, click any button of L/R earphone to end the call |
| 6 | Reject | when call is coming, pressing b5utton 2s of any L/R earphone to reject the incoming call |
| 7 | Vol + | NA |
| Vol – | NA | |
| 8 | Disconnect | disconnect, there is warning voice” disconnected” |
| 9 | Play/Pause | in playing, click button of any L/R earphone to play or pause play music |
| 10 | Battery capacity display | support IOS and Android battery capacity display |
| 11 | Auto connect after power on | after power on, the earphone will connect to the last time connected mobile automatic |
| 12 | Previous track | in playing, click 3times L/R button to back to previous track |
| 13 | Next track | click 2times of button of L/R earphone to go next track |
charging case
| 1 | Charging port | Power supply:DC4.5~6.0V,via Micro USB port to charge the charging case。 |
| 2 | Indicator light | when charge the charging case, LED will flash in charging when charging case charge to earphone, red LED will light, after earphone battery being 100% charged, low battery power. If flashes per 5s |
| 3 | Headset Charging | place earphone into charging case, red indicate the earphone is charging |
| 4 | Length of charging cable | 20cm |
| NO. | Status | LED indicator |
| 1 | Power on | blue led fast flash 3 times |
| 2 | Pairing mode | Red and blue lights flash alternately red/blue flash alternately |
| 3 | Connection succeeded | flash 1time per 3s |
| 4 | Music playing | flash 1time per 3s |
| 5 | Calls coming | blue led fast flash |
| 6 | During talking | flash 1time per 3s |
| 7 | Power off | red led fast flash 3 times red led fast flash 3 times |
| 8 | Low battery | Battery power low, red led flash and there is warning tone |
| NO. | Status | Warning tone |
| 1 | Power on | Power On |
| 2 | Pairing mode | Pairing |
| 3 | Connection succeeded | Connected |
| 4 | Power off | Power off |
| 5 | Low battery | Low battery |
others test
| earphone capacity | 30mah |
| Charging case | 250mah |
| Charging case charge current | 300mA |
| Charging case power off | 35uA |
| Rated voltage | DC 3.0-4.2V |
| Charing time(0-100) | 1-2hrs |
| Play time(single)50% volume | 4H(from earphone power 100%) |
| play time(dual mode) | 4H(from earphone power 100%) |
| Fully play time (dual mode)50% volume | 12H(from charging case and earphone both 100% power) |
| Standby time | >200hrs |
| working temperature | -10℃ — +45℃ |
| Storage temperature | -20℃ — +60℃ |
| Button control | 1 key : MUlti – function button |
FCC Statement
- This device complies with Part 15 of the FCC Rules. Operation is subject to the following two
conditions:
(1) This device may not cause harmful interference.
(2) This device must accept any interference received, including interference that may cause undesired operation. - Changes or modifications not expressly approved by the party responsible for compliance could void the user’s authority to operate the equipment.
NOTE:
This equipment has been tested and found to comply with the limits for a Class B digital device, pursuant to Part 15 of the FCC Rules. These limits are designed to provide reasonable protection against harmful interference in a residential installation.
This equipment generates uses and can radiate radio frequency energy and, if not installed and used in accordance with the instructions, may cause harmful interference to radio communications. However, there is no guarantee that interference will not occur in a particular installation. If this equipment does cause harmful interference to radio or television reception, which can be determined by turning the equipment off and on, the user is encouraged to try to correct the interference by one or more of the following measures:
Reorient or relocate the receiving antenna.
Increase the separation between the equipment and receiver.
Connect the equipment into an outlet on a circuit different from that to which the receiver is connected.
Consult the dealer or an experienced radio/TV technician for help.

















